BOSCH Schraube | Ersatzteile für 4000 | 2610358832

Artikelnummer: EB-0601476139-2610358832

Position: 164

Marke: BOSCH


Bitte Kompatibilität prüfen!

Bitte prüfen Sie unbedingt die 10-stellige Typennummer Ihrer Maschine / Ihres Gerätes. Das Ersatzteil ist nur kompatibel, wenn Sie die Typennummer Ihrer Maschine in der unten stehenden Produktbeschreibung finden.

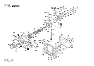
Bitte prüfen Sie ebenfalls detailliert die Explosionszeichnung mit Ihrem Artikelwunsch und der jeweiligen Pos-Nummer.

Alle Elemente, welche vom schwarzen Strich der Pos-Nummer ausgehend berührt / erfasst werden, gehören zu dieser Pos-Nummer und somit zu diesem Artikel. Jede Pos-Nummer ist ein eigenständiger Artikel, welchen Sie in der Auflistung finden.

Sie erhalten stets die aktuellste, neueste Produktversion zu der gewählten Pos-Nummer seitens des Herstellers. Es kann daher je nach Gerätealter vorkommen, dass Sie ggf. weitere, zugehörige Elemente, welche an diese Pos-Nummer grenzen, ebenfalls mittauschen müssen.

Nähere Informationen finden Sie unter dem Link
Hinweise zu Ihrer BOSCH Ersatzteilsuche

Preisübersicht

Einzelpreis: 3,94 €* (Brutto: 4,69 €)
Gesamtpreis: 3,94 €* 
Position:

Lieferzeit: 5 Werktage


Beschreibung

  • Schraube
  • Original Bosch Zubehör / BOSCH Ersatzteil (2610358832)
  • im Gerät verbaut: 1
Dieses BOSCH Ersatzteil ist mit folgendem Gerät und Modell kompatibel:
  • BOSCH Gerätename: 4000
  • BOSCH Explosionszeichnung: Position 164
  • BOSCH Typennummer: 0601476139
  • BOSCH Typennummer alternative Schreibweisen: 0 601 476 139, 0601 476 139, 0.601.476.139, 0-601-476-139
    Bitte prüfen Sie diese Typennummer auf Ihrem Gerät um die Kompatibilität des BOSCH Ersatzteils zu gewährleisten.
Weitere BOSCH Ersatzteile des Gerätes 4000 (Führungsleiste) mit der Typennummer 0601476139 finden Sie in der nachfolgenden Darstellung und im Dropdown zu Ihrer Auswahl:

Pos.
1
BOSCH Et-Motorgruppe | Ersatzteile für 4000 | 1619PA8038
Hersteller: BOSCH
Artikelnummer: EB-0601476139-1619PA8038
nur Informationsartikel
Nie mehr lieferbar
keine Alternativen
Pos.
2
BOSCH Polschuh | Ersatzteile für 4000 | 1619PA5590
Hersteller: BOSCH
Artikelnummer: EB-0601476139-1619PA5590
Netto: 77,60 € zzgl. MwSt.
zzgl. 6,90 € Versand (brutto)
einmalig pro Bestellung

Lieferzeit: 5 Werktage

Pos.
3
BOSCH Anker | Ersatzteile für 4000 | 1619PA5591
Hersteller: BOSCH
Artikelnummer: EB-0601476139-1619PA5591
Netto: 96,32 € zzgl. MwSt.
zzgl. 6,90 € Versand (brutto)
einmalig pro Bestellung

Lieferzeit: 5 Werktage

Pos.
4
BOSCH Wartungsset | Ersatzteile für 4000 | 1600A003AU
Hersteller: BOSCH
Artikelnummer: EB-0601476139-1600A003AU
nur Informationsartikel
Nie mehr lieferbar
keine Alternativen
Pos.
5
BOSCH Netzanschlussleitung | Ersatzteile für 4000 | 2610996945
Hersteller: BOSCH
Artikelnummer: EB-0601476139-2610996945
nur Informationsartikel
Nie mehr lieferbar
keine Alternativen
Pos.
6
BOSCH Tülle | Ersatzteile für 4000 | 2610358840
Hersteller: BOSCH
Artikelnummer: EB-0601476139-2610358840
Netto: 4,36 € zzgl. MwSt.
zzgl. 6,90 € Versand (brutto)
einmalig pro Bestellung

Lieferzeit: 5 Werktage

Pos.
7
BOSCH Klemmschelle | Ersatzteile für 4000 | 2610358842
Hersteller: BOSCH
Artikelnummer: EB-0601476139-2610358842
Netto: 3,94 € zzgl. MwSt.
zzgl. 6,90 € Versand (brutto)
einmalig pro Bestellung

Lieferzeit: 5 Werktage

Pos.
8
BOSCH Frontplatte | Ersatzteile für 4000 | 2610997805
Hersteller: BOSCH
Artikelnummer: EB-0601476139-2610997805
nur Informationsartikel
Nie mehr lieferbar
keine Alternativen
Pos.
9
BOSCH Klebeschild | Ersatzteile für 4000 | 2610997806
Hersteller: BOSCH
Artikelnummer: EB-0601476139-2610997806
Netto: 3,60 € zzgl. MwSt.
zzgl. 6,90 € Versand (brutto)
einmalig pro Bestellung

Lieferzeit: 5 Werktage

Pos.
12
BOSCH Drehzahlregler 115-120V | Ersatzteile für 4000 | 2610997306
Hersteller: BOSCH
Artikelnummer: EB-0601476139-2610997306
Netto: 57,47 € zzgl. MwSt.
zzgl. 6,90 € Versand (brutto)
einmalig pro Bestellung

Lieferzeit: 5 Werktage

Pos.
13
BOSCH Kugellager | Ersatzteile für 4000 | 2610004595
Hersteller: BOSCH
Artikelnummer: EB-0601476139-2610004595
Netto: 10,92 € zzgl. MwSt.
zzgl. 6,90 € Versand (brutto)
einmalig pro Bestellung

Lieferzeit: 5 Werktage

Pos.
14
BOSCH Kugellager | Ersatzteile für 4000 | 2610911927
Hersteller: BOSCH
Artikelnummer: EB-0601476139-2610911927
Netto: 21,16 € zzgl. MwSt.
zzgl. 6,90 € Versand (brutto)
einmalig pro Bestellung

Lieferzeit: 5 Werktage

Pos.
16
BOSCH Bürstenhalter alt | Ersatzteile für 4000 | 2610911858
Hersteller: BOSCH
Artikelnummer: EB-0601476139-2610911858
Netto: 14,36 € zzgl. MwSt.
zzgl. 6,90 € Versand (brutto)
einmalig pro Bestellung

Lieferzeit: 5 Werktage

Pos.
19
BOSCH Schraube | Ersatzteile für 4000 | 2610358844
Hersteller: BOSCH
Artikelnummer: EB-0601476139-2610358844
Netto: 3,94 € zzgl. MwSt.
zzgl. 6,90 € Versand (brutto)
einmalig pro Bestellung

Lieferzeit: 5 Werktage

Pos.
20
BOSCH Typschild | Ersatzteile für 4000 | 2610997809
Hersteller: BOSCH
Artikelnummer: EB-0601476139-2610997809
Netto: 5,21 € zzgl. MwSt.
zzgl. 6,90 € Versand (brutto)
einmalig pro Bestellung

Lieferzeit: 5 Werktage

Pos.
22
BOSCH Abdeckkappe | Ersatzteile für 4000 | 2610996865
Hersteller: BOSCH
Artikelnummer: EB-0601476139-2610996865
Netto: 12,98 € zzgl. MwSt.
zzgl. 6,90 € Versand (brutto)
einmalig pro Bestellung

Lieferzeit: 5 Werktage

Pos.
23
BOSCH Schraube neu | Ersatzteile für 4000 | 2610018983
Hersteller: BOSCH
Artikelnummer: EB-0601476139-2610018983
Netto: 3,63 € zzgl. MwSt.
zzgl. 6,90 € Versand (brutto)
einmalig pro Bestellung

Lieferzeit: 5 Werktage

Pos.
24
BOSCH Bürstendeckel Ø 20mm | Ersatzteile für 4000 | 2610911859
Hersteller: BOSCH
Artikelnummer: EB-0601476139-2610911859
Netto: 4,32 € zzgl. MwSt.
zzgl. 6,90 € Versand (brutto)
einmalig pro Bestellung

Lieferzeit: 5 Werktage

Pos.
25
BOSCH Mutter | Ersatzteile für 4000 | 2610327868
Hersteller: BOSCH
Artikelnummer: EB-0601476139-2610327868
Netto: 3,63 € zzgl. MwSt.
zzgl. 6,90 € Versand (brutto)
einmalig pro Bestellung

Lieferzeit: 5 Werktage

Pos.
26
BOSCH Einsatz | Ersatzteile für 4000 | 2610911569
Hersteller: BOSCH
Artikelnummer: EB-0601476139-2610911569
Netto: 4,53 € zzgl. MwSt.
zzgl. 6,90 € Versand (brutto)
einmalig pro Bestellung

Lieferzeit: 5 Werktage

Pos.
27
BOSCH Schraube | Ersatzteile für 4000 | 2610911929
Hersteller: BOSCH
Artikelnummer: EB-0601476139-2610911929
Netto: 3,63 € zzgl. MwSt.
zzgl. 6,90 € Versand (brutto)
einmalig pro Bestellung

Lieferzeit: 5 Werktage

Pos.
28
BOSCH Gummiring | Ersatzteile für 4000 | 2610996948
Hersteller: BOSCH
Artikelnummer: EB-0601476139-2610996948
Netto: 3,94 € zzgl. MwSt.
zzgl. 6,90 € Versand (brutto)
einmalig pro Bestellung

Lieferzeit: 5 Werktage

Pos.
29
BOSCH Lagerdeckel | Ersatzteile für 4000 | 2610911566
Hersteller: BOSCH
Artikelnummer: EB-0601476139-2610911566
Netto: 4,80 € zzgl. MwSt.
zzgl. 6,90 € Versand (brutto)
einmalig pro Bestellung

Lieferzeit: 5 Werktage

Pos.
30
BOSCH Schraube | Ersatzteile für 4000 | 2610355295
Hersteller: BOSCH
Artikelnummer: EB-0601476139-2610355295
Netto: 4,32 € zzgl. MwSt.
zzgl. 6,90 € Versand (brutto)
einmalig pro Bestellung

Lieferzeit: 5 Werktage

Pos.
31
BOSCH Getriebegehäuse | Ersatzteile für 4000 | 2610996863
Hersteller: BOSCH
Artikelnummer: EB-0601476139-2610996863
nur Informationsartikel
Nie mehr lieferbar
keine Alternativen
Pos.
32
BOSCH Schraube alt | Ersatzteile für 4000 | 2610998571
Hersteller: BOSCH
Artikelnummer: EB-0601476139-2610998571
Netto: 3,63 € zzgl. MwSt.
zzgl. 6,90 € Versand (brutto)
einmalig pro Bestellung

Lieferzeit: 5 Werktage

Pos.
33
BOSCH Federscheibe | Ersatzteile für 4000 | 2610911924
Hersteller: BOSCH
Artikelnummer: EB-0601476139-2610911924
Netto: 5,19 € zzgl. MwSt.
zzgl. 6,90 € Versand (brutto)
einmalig pro Bestellung

Lieferzeit: 5 Werktage

Pos.
34
BOSCH Kugellager | Ersatzteile für 4000 | 2610996949
Hersteller: BOSCH
Artikelnummer: EB-0601476139-2610996949
Netto: 12,98 € zzgl. MwSt.
zzgl. 6,90 € Versand (brutto)
einmalig pro Bestellung

Lieferzeit: 5 Werktage

Pos.
35
BOSCH Sicherungsring | Ersatzteile für 4000 | 2610997281
Hersteller: BOSCH
Artikelnummer: EB-0601476139-2610997281
Netto: 3,63 € zzgl. MwSt.
zzgl. 6,90 € Versand (brutto)
einmalig pro Bestellung

Lieferzeit: 5 Werktage

Pos.
36
BOSCH Zahnrad | Ersatzteile für 4000 | 2610997208
Hersteller: BOSCH
Artikelnummer: EB-0601476139-2610997208
Netto: 32,74 € zzgl. MwSt.
zzgl. 6,90 € Versand (brutto)
einmalig pro Bestellung

Lieferzeit: 5 Werktage

Pos.
37
BOSCH Getriebedeckel | Ersatzteile für 4000 | 2610996869
Hersteller: BOSCH
Artikelnummer: EB-0601476139-2610996869
Netto: 20,80 € zzgl. MwSt.
zzgl. 6,90 € Versand (brutto)
einmalig pro Bestellung

Lieferzeit: 5 Werktage

Pos.
38
BOSCH Sicherungsring | Ersatzteile für 4000 | 2610358916
Hersteller: BOSCH
Artikelnummer: EB-0601476139-2610997282
Netto: 3,95 € zzgl. MwSt.
zzgl. 6,90 € Versand (brutto)
einmalig pro Bestellung

Lieferzeit: 5 Werktage

Pos.
39
BOSCH Kugellager | Ersatzteile für 4000 | 2610997210
Hersteller: BOSCH
Artikelnummer: EB-0601476139-2610997210
Netto: 12,98 € zzgl. MwSt.
zzgl. 6,90 € Versand (brutto)
einmalig pro Bestellung

Lieferzeit: 5 Werktage

Pos.
40
BOSCH Abtriebswelle | Ersatzteile für 4000 | 2610997211
Hersteller: BOSCH
Artikelnummer: EB-0601476139-2610997211
Netto: 26,88 € zzgl. MwSt.
zzgl. 6,90 € Versand (brutto)
einmalig pro Bestellung

Lieferzeit: 5 Werktage

Pos.
41
BOSCH Scheibenfeder | Ersatzteile für 4000 | 2610993102
Hersteller: BOSCH
Artikelnummer: EB-0601476139-2610993102
Netto: 4,32 € zzgl. MwSt.
zzgl. 6,90 € Versand (brutto)
einmalig pro Bestellung

Lieferzeit: 5 Werktage

Pos.
42
BOSCH Lagerhülse | Ersatzteile für 4000 | 2610996932
Hersteller: BOSCH
Artikelnummer: EB-0601476139-2610996932
Netto: 4,53 € zzgl. MwSt.
zzgl. 6,90 € Versand (brutto)
einmalig pro Bestellung

Lieferzeit: 5 Werktage

Pos.
43
BOSCH Schraube | Ersatzteile für 4000 | 2610950089
Hersteller: BOSCH
Artikelnummer: EB-0601476139-2610950089
nur Informationsartikel
Nie mehr lieferbar
keine Alternativen
Pos.
44
BOSCH Schraube | Ersatzteile für 4000 | 2610998572
Hersteller: BOSCH
Artikelnummer: EB-0601476139-2610998572
Netto: 3,63 € zzgl. MwSt.
zzgl. 6,90 € Versand (brutto)
einmalig pro Bestellung

Lieferzeit: 5 Werktage

Pos.
45
BOSCH Drehfeder | Ersatzteile für 4000 | 2610996875
Hersteller: BOSCH
Artikelnummer: EB-0601476139-2610996875
Netto: 3,94 € zzgl. MwSt.
zzgl. 6,90 € Versand (brutto)
einmalig pro Bestellung

Lieferzeit: 5 Werktage

Pos.
46
BOSCH Sperrhebel | Ersatzteile für 4000 | 2610996874
Hersteller: BOSCH
Artikelnummer: EB-0601476139-2610996874
Netto: 9,95 € zzgl. MwSt.
zzgl. 6,90 € Versand (brutto)
einmalig pro Bestellung

Lieferzeit: 5 Werktage

Pos.
47
BOSCH Ansatzschraube | Ersatzteile für 4000 | 2610996876
Hersteller: BOSCH
Artikelnummer: EB-0601476139-2610996876
Netto: 3,94 € zzgl. MwSt.
zzgl. 6,90 € Versand (brutto)
einmalig pro Bestellung

Lieferzeit: 5 Werktage

Pos.
48
BOSCH Aufspannflansch | Ersatzteile für 4000 | 2610996870
Hersteller: BOSCH
Artikelnummer: EB-0601476139-2610996870
Netto: 14,36 € zzgl. MwSt.
zzgl. 6,90 € Versand (brutto)
einmalig pro Bestellung

Lieferzeit: 5 Werktage

Pos.
49
BOSCH Aufspannflansch | Ersatzteile für 4000 | 2610996871
Hersteller: BOSCH
Artikelnummer: EB-0601476139-2610996871
nur Informationsartikel
Nie mehr lieferbar
keine Alternativen
Pos.
50
BOSCH Mutter | Ersatzteile für 4000 | 2610358858
Hersteller: BOSCH
Artikelnummer: EB-0601476139-2610358858
Netto: 4,53 € zzgl. MwSt.
zzgl. 6,90 € Versand (brutto)
einmalig pro Bestellung

Lieferzeit: 5 Werktage

Pos.
51
BOSCH Flügelschraube | Ersatzteile für 4000 | 2610996879
Hersteller: BOSCH
Artikelnummer: EB-0601476139-2610996879
Netto: 4,32 € zzgl. MwSt.
zzgl. 6,90 € Versand (brutto)
einmalig pro Bestellung

Lieferzeit: 5 Werktage

Pos.
52
BOSCH Abdeckplatte | Ersatzteile für 4000 | 2610996878
Hersteller: BOSCH
Artikelnummer: EB-0601476139-2610996878
nur Informationsartikel
Nie mehr lieferbar
keine Alternativen
Pos.
53
BOSCH Schraube | Ersatzteile für 4000 | 2610910784
Hersteller: BOSCH
Artikelnummer: EB-0601476139-2610910784
nur Informationsartikel
Nie mehr lieferbar
keine Alternativen
Pos.
54
BOSCH Abdeckplatte | Ersatzteile für 4000 | 2610996877
Hersteller: BOSCH
Artikelnummer: EB-0601476139-2610996877
nur Informationsartikel
Nie mehr lieferbar
keine Alternativen
Pos.
55
BOSCH Halteplatte | Ersatzteile für 4000 | 2610996861
Hersteller: BOSCH
Artikelnummer: EB-0601476139-2610996861
nur Informationsartikel
Nie mehr lieferbar
keine Alternativen
Pos.
56
BOSCH Führungsbolzen | Ersatzteile für 4000 | 2610996862
Hersteller: BOSCH
Artikelnummer: EB-0601476139-2610996862
Netto: 6,15 € zzgl. MwSt.
zzgl. 6,90 € Versand (brutto)
einmalig pro Bestellung

Lieferzeit: 5 Werktage

Pos.
57
BOSCH Sicherungsring | Ersatzteile für 4000 | 2610997276
Hersteller: BOSCH
Artikelnummer: EB-0601476139-2610997276
Netto: 3,63 € zzgl. MwSt.
zzgl. 6,90 € Versand (brutto)
einmalig pro Bestellung

Lieferzeit: 5 Werktage

Pos.
58
BOSCH Gewindestange | Ersatzteile für 4000 | 2610996895
Hersteller: BOSCH
Artikelnummer: EB-0601476139-2610996895
nur Informationsartikel
Nie mehr lieferbar
keine Alternativen
Pos.
59
BOSCH Sicherungsring | Ersatzteile für 4000 | 2610998573
Hersteller: BOSCH
Artikelnummer: EB-0601476139-2610998573
Netto: 3,63 € zzgl. MwSt.
zzgl. 6,90 € Versand (brutto)
einmalig pro Bestellung

Lieferzeit: 5 Werktage

Pos.
60
BOSCH Lagerbuchse | Ersatzteile für 4000 | 2610997221
Hersteller: BOSCH
Artikelnummer: EB-0601476139-2610997221
Netto: 6,15 € zzgl. MwSt.
zzgl. 6,90 € Versand (brutto)
einmalig pro Bestellung

Lieferzeit: 5 Werktage

Pos.
61
BOSCH Zahnrad | Ersatzteile für 4000 | 2610996896
Hersteller: BOSCH
Artikelnummer: EB-0601476139-2610996896
Netto: 6,70 € zzgl. MwSt.
zzgl. 6,90 € Versand (brutto)
einmalig pro Bestellung

Lieferzeit: 5 Werktage

Pos.
62
BOSCH Unterlegscheibe | Ersatzteile für 4000 | 2610912587
Hersteller: BOSCH
Artikelnummer: EB-0601476139-2610912587
Netto: 3,63 € zzgl. MwSt.
zzgl. 6,90 € Versand (brutto)
einmalig pro Bestellung

Lieferzeit: 5 Werktage

Pos.
63
BOSCH Schraube | Ersatzteile für 4000 | 2610998588
Hersteller: BOSCH
Artikelnummer: EB-0601476139-2610998588
Netto: 3,94 € zzgl. MwSt.
zzgl. 6,90 € Versand (brutto)
einmalig pro Bestellung

Lieferzeit: 5 Werktage

Pos.
64
BOSCH Mutter | Ersatzteile für 4000 | 2610358149
Hersteller: BOSCH
Artikelnummer: EB-0601476139-2610358149
Netto: 3,63 € zzgl. MwSt.
zzgl. 6,90 € Versand (brutto)
einmalig pro Bestellung

Lieferzeit: 5 Werktage

Pos.
65
BOSCH Bolzen | Ersatzteile für 4000 | 2610910796
Hersteller: BOSCH
Artikelnummer: EB-0601476139-2610910796
Netto: 4,82 € zzgl. MwSt.
zzgl. 6,90 € Versand (brutto)
einmalig pro Bestellung

Lieferzeit: 5 Werktage

Pos.
66
BOSCH Sicherungsring | Ersatzteile für 4000 | 2610997277
Hersteller: BOSCH
Artikelnummer: EB-0601476139-2610997277
Netto: 3,63 € zzgl. MwSt.
zzgl. 6,90 € Versand (brutto)
einmalig pro Bestellung

Lieferzeit: 5 Werktage

Pos.
67
BOSCH Befestigungswinkel | Ersatzteile für 4000 | 2610997212
Hersteller: BOSCH
Artikelnummer: EB-0601476139-2610997212
Netto: 4,82 € zzgl. MwSt.
zzgl. 6,90 € Versand (brutto)
einmalig pro Bestellung

Lieferzeit: 5 Werktage

Pos.
68
BOSCH Lagerbuchse | Ersatzteile für 4000 | 1619PA5649
Hersteller: BOSCH
Artikelnummer: EB-0601476139-1619PA5649
Netto: 3,94 € zzgl. MwSt.
zzgl. 6,90 € Versand (brutto)
einmalig pro Bestellung

Lieferzeit: 5 Werktage

Pos.
69
BOSCH Schraube | Ersatzteile für 4000 | 2615297323
Hersteller: BOSCH
Artikelnummer: EB-0601476139-2615297323
nur Informationsartikel
Nie mehr lieferbar
keine Alternativen
Pos.
70
BOSCH Federscheibe | Ersatzteile für 4000 | 2610911891
Hersteller: BOSCH
Artikelnummer: EB-0601476139-2610911891
Netto: 3,63 € zzgl. MwSt.
zzgl. 6,90 € Versand (brutto)
einmalig pro Bestellung

Lieferzeit: 5 Werktage

Pos.
72
BOSCH Gewindebuchse | Ersatzteile für 4000 | 2610996933
Hersteller: BOSCH
Artikelnummer: EB-0601476139-2610996933
Netto: 12,98 € zzgl. MwSt.
zzgl. 6,90 € Versand (brutto)
einmalig pro Bestellung

Lieferzeit: 5 Werktage

Pos.
73
BOSCH Lagerbuchse | Ersatzteile für 4000 | 2610996938
Hersteller: BOSCH
Artikelnummer: EB-0601476139-2610996938
Netto: 8,33 € zzgl. MwSt.
zzgl. 6,90 € Versand (brutto)
einmalig pro Bestellung

Lieferzeit: 5 Werktage

Pos.
74
BOSCH Schraube | Ersatzteile für 4000 | 2610950125
Hersteller: BOSCH
Artikelnummer: EB-0601476139-2610950125
nur Informationsartikel
Nie mehr lieferbar
keine Alternativen
Pos.
75
BOSCH Feder | Ersatzteile für 4000 | 2610997271
Hersteller: BOSCH
Artikelnummer: EB-0601476139-2610997271
Netto: 3,94 € zzgl. MwSt.
zzgl. 6,90 € Versand (brutto)
einmalig pro Bestellung

Lieferzeit: 5 Werktage

Pos.
76
BOSCH Unterlegscheibe | Ersatzteile für 4000 | 2610998550
Hersteller: BOSCH
Artikelnummer: EB-0601476139-2610998550
Netto: 3,94 € zzgl. MwSt.
zzgl. 6,90 € Versand (brutto)
einmalig pro Bestellung

Lieferzeit: 5 Werktage

Pos.
77
BOSCH Unterlegscheibe | Ersatzteile für 4000 | 2610997299
Hersteller: BOSCH
Artikelnummer: EB-0601476139-2610997299
Netto: 3,94 € zzgl. MwSt.
zzgl. 6,90 € Versand (brutto)
einmalig pro Bestellung

Lieferzeit: 5 Werktage

Pos.
78
BOSCH Mutter | Ersatzteile für 4000 | 2610997298
Hersteller: BOSCH
Artikelnummer: EB-0601476139-2610997298
Netto: 6,15 € zzgl. MwSt.
zzgl. 6,90 € Versand (brutto)
einmalig pro Bestellung

Lieferzeit: 5 Werktage

Pos.
79
BOSCH Klemmhebel | Ersatzteile für 4000 | 2610996898
Hersteller: BOSCH
Artikelnummer: EB-0601476139-2610996898
nur Informationsartikel
Nie mehr lieferbar
keine Alternativen
Pos.
81
BOSCH Gewindestift | Ersatzteile für 4000 | 2610911914
Hersteller: BOSCH
Artikelnummer: EB-0601476139-2610911914
Netto: 4,32 € zzgl. MwSt.
zzgl. 6,90 € Versand (brutto)
einmalig pro Bestellung

Lieferzeit: 5 Werktage

Pos.
82
BOSCH Knopf | Ersatzteile für 4000 | 2610996925
Hersteller: BOSCH
Artikelnummer: EB-0601476139-2610996925
nur Informationsartikel
Nie mehr lieferbar
keine Alternativen
Pos.
83
BOSCH Ansatzschraube | Ersatzteile für 4000 | 2610997270
Hersteller: BOSCH
Artikelnummer: EB-0601476139-2610997270
Netto: 4,32 € zzgl. MwSt.
zzgl. 6,90 € Versand (brutto)
einmalig pro Bestellung

Lieferzeit: 5 Werktage

Pos.
84
BOSCH Schraube | Ersatzteile für 4000 | 2610355278
Hersteller: BOSCH
Artikelnummer: EB-0601476139-2610355278
Netto: 6,15 € zzgl. MwSt.
zzgl. 6,90 € Versand (brutto)
einmalig pro Bestellung

Lieferzeit: 5 Werktage

Pos.
85
BOSCH Zeiger | Ersatzteile für 4000 | 2610996927
Hersteller: BOSCH
Artikelnummer: EB-0601476139-2610996927
Netto: 3,63 € zzgl. MwSt.
zzgl. 6,90 € Versand (brutto)
einmalig pro Bestellung

Lieferzeit: 5 Werktage

Pos.
86
BOSCH Scheibe | Ersatzteile für 4000 | 2610355570
Hersteller: BOSCH
Artikelnummer: EB-0601476139-2610355570
Netto: 5,19 € zzgl. MwSt.
zzgl. 6,90 € Versand (brutto)
einmalig pro Bestellung

Lieferzeit: 5 Werktage

Pos.
87
BOSCH Mutter | Ersatzteile für 4000 | 2610356706
Hersteller: BOSCH
Artikelnummer: EB-0601476139-2610356706
Netto: 4,53 € zzgl. MwSt.
zzgl. 6,90 € Versand (brutto)
einmalig pro Bestellung

Lieferzeit: 5 Werktage

Pos.
89
BOSCH Anschlag | Ersatzteile für 4000 | 2610996929
Hersteller: BOSCH
Artikelnummer: EB-0601476139-2610996929
Netto: 3,94 € zzgl. MwSt.
zzgl. 6,90 € Versand (brutto)
einmalig pro Bestellung

Lieferzeit: 5 Werktage

Pos.
90
BOSCH Gehäuse | Ersatzteile für 4000 | 2610996859
Hersteller: BOSCH
Artikelnummer: EB-0601476139-2610996859
nur Informationsartikel
Nie mehr lieferbar
keine Alternativen
Pos.
91
BOSCH Schraube | Ersatzteile für 4000 | 2610997294
Hersteller: BOSCH
Artikelnummer: EB-0601476139-2610997294
Netto: 3,63 € zzgl. MwSt.
zzgl. 6,90 € Versand (brutto)
einmalig pro Bestellung

Lieferzeit: 5 Werktage

Pos.
92
BOSCH Schalterabdeckung | Ersatzteile für 4000 | 2610996924
Hersteller: BOSCH
Artikelnummer: EB-0601476139-2610996924
nur Informationsartikel
Nie mehr lieferbar
keine Alternativen
Pos.
93
BOSCH Gummibuchse | Ersatzteile für 4000 | 2610358846
Hersteller: BOSCH
Artikelnummer: EB-0601476139-2610358846
Netto: 3,94 € zzgl. MwSt.
zzgl. 6,90 € Versand (brutto)
einmalig pro Bestellung

Lieferzeit: 5 Werktage

Pos.
94
BOSCH Halteklammer | Ersatzteile für 4000 | 2610996930
Hersteller: BOSCH
Artikelnummer: EB-0601476139-2610996930
Netto: 4,53 € zzgl. MwSt.
zzgl. 6,90 € Versand (brutto)
einmalig pro Bestellung

Lieferzeit: 5 Werktage

Pos.
95
BOSCH Halteklammer | Ersatzteile für 4000 | 2610996931
Hersteller: BOSCH
Artikelnummer: EB-0601476139-2610996931
Netto: 3,60 € zzgl. MwSt.
zzgl. 6,90 € Versand (brutto)
einmalig pro Bestellung

Lieferzeit: 5 Werktage

Pos.
96
BOSCH Schraube | Ersatzteile für 4000 | 2610910047
Hersteller: BOSCH
Artikelnummer: EB-0601476139-2610910047
Netto: 3,60 € zzgl. MwSt.
zzgl. 6,90 € Versand (brutto)
einmalig pro Bestellung

Lieferzeit: 5 Werktage

Pos.
97
BOSCH Kabelklemme | Ersatzteile für 4000 | 2610990504
Hersteller: BOSCH
Artikelnummer: EB-0601476139-2610990504
Netto: 3,63 € zzgl. MwSt.
zzgl. 6,90 € Versand (brutto)
einmalig pro Bestellung

Lieferzeit: 5 Werktage

Pos.
98
BOSCH Schraube | Ersatzteile für 4000 | 2610997273
Hersteller: BOSCH
Artikelnummer: EB-0601476139-2610997273
nur Informationsartikel
Nie mehr lieferbar
keine Alternativen
Pos.
99
BOSCH Mutter | Ersatzteile für 4000 | 2610997246
Hersteller: BOSCH
Artikelnummer: EB-0601476139-2610997246
Netto: 3,94 € zzgl. MwSt.
zzgl. 6,90 € Versand (brutto)
einmalig pro Bestellung

Lieferzeit: 5 Werktage

Pos.
100
BOSCH Ringschlüssel | Ersatzteile für 4000 | 2610996880
Hersteller: BOSCH
Artikelnummer: EB-0601476139-2610996880
Netto: 6,15 € zzgl. MwSt.
zzgl. 6,90 € Versand (brutto)
einmalig pro Bestellung

Lieferzeit: 5 Werktage

Pos.
101
BOSCH Spanngriff | Ersatzteile für 4000 | 2610997247
Hersteller: BOSCH
Artikelnummer: EB-0601476139-2610997247
Netto: 5,19 € zzgl. MwSt.
zzgl. 6,90 € Versand (brutto)
einmalig pro Bestellung

Lieferzeit: 5 Werktage

Pos.
102
BOSCH Halterung | Ersatzteile für 4000 | 2610996922
Hersteller: BOSCH
Artikelnummer: EB-0601476139-2610996922
Netto: 3,93 € zzgl. MwSt.
zzgl. 6,90 € Versand (brutto)
einmalig pro Bestellung

Lieferzeit: 5 Werktage

Pos.
103
BOSCH Schraube | Ersatzteile für 4000 | 2610998574
Hersteller: BOSCH
Artikelnummer: EB-0601476139-2610998574
Netto: 3,63 € zzgl. MwSt.
zzgl. 6,90 € Versand (brutto)
einmalig pro Bestellung

Lieferzeit: 5 Werktage

Pos.
104
BOSCH Klemmbuchse | Ersatzteile für 4000 | 2610998567
Hersteller: BOSCH
Artikelnummer: EB-0601476139-2610998567
Netto: 3,63 € zzgl. MwSt.
zzgl. 6,90 € Versand (brutto)
einmalig pro Bestellung

Lieferzeit: 5 Werktage

Pos.
105
BOSCH Verbindungsleitung | Ersatzteile für 4000 | 2610998568
Hersteller: BOSCH
Artikelnummer: EB-0601476139-2610998568
Netto: 7,30 € zzgl. MwSt.
zzgl. 6,90 € Versand (brutto)
einmalig pro Bestellung

Lieferzeit: 5 Werktage

Pos.
106
BOSCH Schraube | Ersatzteile für 4000 | 2610997297
Hersteller: BOSCH
Artikelnummer: EB-0601476139-2610997297
Netto: 3,63 € zzgl. MwSt.
zzgl. 6,90 € Versand (brutto)
einmalig pro Bestellung

Lieferzeit: 5 Werktage

Pos.
107
BOSCH Scheibe | Ersatzteile für 4000 | 2610910013
Hersteller: BOSCH
Artikelnummer: EB-0601476139-2610910013
Netto: 4,32 € zzgl. MwSt.
zzgl. 6,90 € Versand (brutto)
einmalig pro Bestellung

Lieferzeit: 5 Werktage

Pos.
108
BOSCH Schraube | Ersatzteile für 4000 | 2610998575
Hersteller: BOSCH
Artikelnummer: EB-0601476139-2610998575
Netto: 3,63 € zzgl. MwSt.
zzgl. 6,90 € Versand (brutto)
einmalig pro Bestellung

Lieferzeit: 5 Werktage

Pos.
109
BOSCH Lagerbock | Ersatzteile für 4000 | 2610996894
Hersteller: BOSCH
Artikelnummer: EB-0601476139-2610996894
Netto: 6,15 € zzgl. MwSt.
zzgl. 6,90 € Versand (brutto)
einmalig pro Bestellung

Lieferzeit: 5 Werktage

Pos.
110
BOSCH Blechschraube | Ersatzteile für 4000 | 2610908271
Hersteller: BOSCH
Artikelnummer: EB-0601476139-2610908271
Netto: 3,94 € zzgl. MwSt.
zzgl. 6,90 € Versand (brutto)
einmalig pro Bestellung

Lieferzeit: 5 Werktage

Pos.
111
BOSCH Schraube | Ersatzteile für 4000 | 2610998587
Hersteller: BOSCH
Artikelnummer: EB-0601476139-2610998587
Netto: 3,63 € zzgl. MwSt.
zzgl. 6,90 € Versand (brutto)
einmalig pro Bestellung

Lieferzeit: 5 Werktage

Pos.
112
BOSCH Haltewinkel | Ersatzteile für 4000 | 2610996921
Hersteller: BOSCH
Artikelnummer: EB-0601476139-2610996921
Netto: 3,94 € zzgl. MwSt.
zzgl. 6,90 € Versand (brutto)
einmalig pro Bestellung

Lieferzeit: 5 Werktage

Pos.
113
BOSCH Stift | Ersatzteile für 4000 | 2610996913
Hersteller: BOSCH
Artikelnummer: EB-0601476139-2610996913
Netto: 5,67 € zzgl. MwSt.
zzgl. 6,90 € Versand (brutto)
einmalig pro Bestellung

Lieferzeit: 5 Werktage

Pos.
114
BOSCH Platte | Ersatzteile für 4000 | 2610996917
Hersteller: BOSCH
Artikelnummer: EB-0601476139-2610996917
Netto: 3,94 € zzgl. MwSt.
zzgl. 6,90 € Versand (brutto)
einmalig pro Bestellung

Lieferzeit: 5 Werktage

Pos.
115
BOSCH Winkel | Ersatzteile für 4000 | 2610996914
Hersteller: BOSCH
Artikelnummer: EB-0601476139-2610996914
nur Informationsartikel
Nie mehr lieferbar
keine Alternativen
Pos.
116
BOSCH Stift | Ersatzteile für 4000 | 2610997275
Hersteller: BOSCH
Artikelnummer: EB-0601476139-2610997275
Netto: 3,63 € zzgl. MwSt.
zzgl. 6,90 € Versand (brutto)
einmalig pro Bestellung

Lieferzeit: 5 Werktage

Pos.
117
BOSCH Stift | Ersatzteile für 4000 | 2610997274
Hersteller: BOSCH
Artikelnummer: EB-0601476139-2610997274
Netto: 3,63 € zzgl. MwSt.
zzgl. 6,90 € Versand (brutto)
einmalig pro Bestellung

Lieferzeit: 5 Werktage

Pos.
118
BOSCH Gewindestift | Ersatzteile für 4000 | 2610996918
Hersteller: BOSCH
Artikelnummer: EB-0601476139-2610996918
Netto: 4,32 € zzgl. MwSt.
zzgl. 6,90 € Versand (brutto)
einmalig pro Bestellung

Lieferzeit: 5 Werktage

Pos.
119
BOSCH Verbindungsmutter | Ersatzteile für 4000 | 2610996920
Hersteller: BOSCH
Artikelnummer: EB-0601476139-2610996920
Netto: 6,70 € zzgl. MwSt.
zzgl. 6,90 € Versand (brutto)
einmalig pro Bestellung

Lieferzeit: 5 Werktage

Pos.
120
BOSCH Stange | Ersatzteile für 4000 | 2610996919
Hersteller: BOSCH
Artikelnummer: EB-0601476139-2610996919
nur Informationsartikel
Nie mehr lieferbar
keine Alternativen
Pos.
121
BOSCH Klemmschelle | Ersatzteile für 4000 | 2610994262
Hersteller: BOSCH
Artikelnummer: EB-0601476139-2610994262
Netto: 4,32 € zzgl. MwSt.
zzgl. 6,90 € Versand (brutto)
einmalig pro Bestellung

Lieferzeit: 5 Werktage

Pos.
122
BOSCH Klemmstück | Ersatzteile für 4000 | 2610996915
Hersteller: BOSCH
Artikelnummer: EB-0601476139-2610996915
Netto: 9,95 € zzgl. MwSt.
zzgl. 6,90 € Versand (brutto)
einmalig pro Bestellung

Lieferzeit: 5 Werktage

Pos.
123
BOSCH Sechskantmutter | Ersatzteile für 4000 | 2610910794
Hersteller: BOSCH
Artikelnummer: EB-0601476139-2610910794
Netto: 3,63 € zzgl. MwSt.
zzgl. 6,90 € Versand (brutto)
einmalig pro Bestellung

Lieferzeit: 5 Werktage

Pos.
124
BOSCH Knebelschraube | Ersatzteile für 4000 | 2610996916
Hersteller: BOSCH
Artikelnummer: EB-0601476139-2610996916
Netto: 5,19 € zzgl. MwSt.
zzgl. 6,90 € Versand (brutto)
einmalig pro Bestellung

Lieferzeit: 5 Werktage

Pos.
125
BOSCH Anschlag | Ersatzteile für 4000 | 2610997217
Hersteller: BOSCH
Artikelnummer: EB-0601476139-2610997217
Netto: 4,32 € zzgl. MwSt.
zzgl. 6,90 € Versand (brutto)
einmalig pro Bestellung

Lieferzeit: 5 Werktage

Pos.
126
BOSCH Tischplatte | Ersatzteile für 4000 | 2610996857
Hersteller: BOSCH
Artikelnummer: EB-0601476139-2610996857
nur Informationsartikel
Nie mehr lieferbar
keine Alternativen
Pos.
127
BOSCH Halteschiene | Ersatzteile für 4000 | 2610996855
Hersteller: BOSCH
Artikelnummer: EB-0601476139-2610996855
nur Informationsartikel
Nie mehr lieferbar
keine Alternativen
Pos.
128
BOSCH Befestigungsblech | Ersatzteile für 4000 | 2610996912
Hersteller: BOSCH
Artikelnummer: EB-0601476139-2610996912
Netto: 6,70 € zzgl. MwSt.
zzgl. 6,90 € Versand (brutto)
einmalig pro Bestellung

Lieferzeit: 5 Werktage

Pos.
129
BOSCH Halteschiene | Ersatzteile für 4000 | 2610996856
Hersteller: BOSCH
Artikelnummer: EB-0601476139-2610996856
Netto: 4,54 € zzgl. MwSt.
zzgl. 6,90 € Versand (brutto)
einmalig pro Bestellung

Lieferzeit: 5 Werktage

Pos.
131
BOSCH Schraube | Ersatzteile für 4000 | 2610951945
Hersteller: BOSCH
Artikelnummer: EB-0601476139-2610951945
Netto: 3,63 € zzgl. MwSt.
zzgl. 6,90 € Versand (brutto)
einmalig pro Bestellung

Lieferzeit: 5 Werktage

Pos.
132
BOSCH Schraube | Ersatzteile für 4000 | 2610950077
Hersteller: BOSCH
Artikelnummer: EB-0601476139-2610950077
Netto: 3,63 € zzgl. MwSt.
zzgl. 6,90 € Versand (brutto)
einmalig pro Bestellung

Lieferzeit: 5 Werktage

Pos.
133
BOSCH Zeiger | Ersatzteile für 4000 | 2610996941
Hersteller: BOSCH
Artikelnummer: EB-0601476139-2610996941
Netto: 3,60 € zzgl. MwSt.
zzgl. 6,90 € Versand (brutto)
einmalig pro Bestellung

Lieferzeit: 5 Werktage

Pos.
134
BOSCH Profilschiene | Ersatzteile für 4000 | 2610996853
Hersteller: BOSCH
Artikelnummer: EB-0601476139-2610996853
nur Informationsartikel
Nie mehr lieferbar
keine Alternativen
Pos.
135
BOSCH Abdeckkappe | Ersatzteile für 4000 | 2610996923
Hersteller: BOSCH
Artikelnummer: EB-0601476139-2610996923
Netto: 3,63 € zzgl. MwSt.
zzgl. 6,90 € Versand (brutto)
einmalig pro Bestellung

Lieferzeit: 5 Werktage

Pos.
138
BOSCH Scheibe | Ersatzteile für 4000 | 2610908270
Hersteller: BOSCH
Artikelnummer: EB-0601476139-2610908270
Netto: 3,60 € zzgl. MwSt.
zzgl. 6,90 € Versand (brutto)
einmalig pro Bestellung

Lieferzeit: 5 Werktage

Pos.
139
BOSCH Abdeckkappe | Ersatzteile für 4000 | 2610997244
Hersteller: BOSCH
Artikelnummer: EB-0601476139-2610997244
Netto: 4,32 € zzgl. MwSt.
zzgl. 6,90 € Versand (brutto)
einmalig pro Bestellung

Lieferzeit: 5 Werktage

Pos.
140
BOSCH Anschlag | Ersatzteile für 4000 | 2610996926
Hersteller: BOSCH
Artikelnummer: EB-0601476139-2610996926
Netto: 3,94 € zzgl. MwSt.
zzgl. 6,90 € Versand (brutto)
einmalig pro Bestellung

Lieferzeit: 5 Werktage

Pos.
141
BOSCH Abdeckkappe | Ersatzteile für 4000 | 2610997218
Hersteller: BOSCH
Artikelnummer: EB-0601476139-2610997218
Netto: 3,63 € zzgl. MwSt.
zzgl. 6,90 € Versand (brutto)
einmalig pro Bestellung

Lieferzeit: 5 Werktage

Pos.
142
BOSCH Profilschiene | Ersatzteile für 4000 | 2610996854
Hersteller: BOSCH
Artikelnummer: EB-0601476139-2610996854
nur Informationsartikel
Nie mehr lieferbar
keine Alternativen
Pos.
143
BOSCH Abdeckkappe | Ersatzteile für 4000 | 2610997216
Hersteller: BOSCH
Artikelnummer: EB-0601476139-2610997216
Netto: 3,63 € zzgl. MwSt.
zzgl. 6,90 € Versand (brutto)
einmalig pro Bestellung

Lieferzeit: 5 Werktage

Pos.
144
BOSCH Tischplatte | Ersatzteile für 4000 | 2610996858
Hersteller: BOSCH
Artikelnummer: EB-0601476139-2610996858
nur Informationsartikel
Nie mehr lieferbar
keine Alternativen
Pos.
145
BOSCH Rückhalteblech | Ersatzteile für 4000 | 2610996928
Hersteller: BOSCH
Artikelnummer: EB-0601476139-2610996928
nur Informationsartikel
Nie mehr lieferbar
keine Alternativen
Pos.
146
BOSCH Schraube | Ersatzteile für 4000 | 2610950087
Hersteller: BOSCH
Artikelnummer: EB-0601476139-2610950087
Netto: 3,63 € zzgl. MwSt.
zzgl. 6,90 € Versand (brutto)
einmalig pro Bestellung

Lieferzeit: 5 Werktage

Pos.
147
BOSCH Mutter | Ersatzteile für 4000 | 2610304772
Hersteller: BOSCH
Artikelnummer: EB-0601476139-2610304772
Netto: 3,94 € zzgl. MwSt.
zzgl. 6,90 € Versand (brutto)
einmalig pro Bestellung

Lieferzeit: 5 Werktage

Pos.
148
BOSCH Schutzhaube | Ersatzteile für 4000 | 2610998577
Hersteller: BOSCH
Artikelnummer: EB-0601476139-2610998577
Netto: 7,76 € zzgl. MwSt.
zzgl. 6,90 € Versand (brutto)
einmalig pro Bestellung

Lieferzeit: 5 Werktage

Pos.
149
BOSCH Massstab | Ersatzteile für 4000 | 2610997808
Hersteller: BOSCH
Artikelnummer: EB-0601476139-2610997808
nur Informationsartikel
Nie mehr lieferbar
keine Alternativen
Pos.
150
BOSCH Klebeschild | Ersatzteile für 4000 | 2610997807
Hersteller: BOSCH
Artikelnummer: EB-0601476139-2610997807
Netto: 4,33 € zzgl. MwSt.
zzgl. 6,90 € Versand (brutto)
einmalig pro Bestellung

Lieferzeit: 5 Werktage

Pos.
151
BOSCH Einsatz | Ersatzteile für 4000 | 2610997227
Hersteller: BOSCH
Artikelnummer: EB-0601476139-2610997227
nur Informationsartikel
Nie mehr lieferbar
keine Alternativen
Pos.
152
BOSCH Gewindestift | Ersatzteile für 4000 | 2610950091
Hersteller: BOSCH
Artikelnummer: EB-0601476139-2610950091
nur Informationsartikel
Nie mehr lieferbar
keine Alternativen
Pos.
153
BOSCH Haltefeder | Ersatzteile für 4000 | 2610011716
Hersteller: BOSCH
Artikelnummer: EB-0601476139-2610011716
Netto: 3,63 € zzgl. MwSt.
zzgl. 6,90 € Versand (brutto)
einmalig pro Bestellung

Lieferzeit: 5 Werktage

Pos.
154
BOSCH Schutzhaube | Ersatzteile für 4000 | 2610996900
Hersteller: BOSCH
Artikelnummer: EB-0601476139-2610996900
nur Informationsartikel
Nie mehr lieferbar
keine Alternativen
Pos.
155
BOSCH Gleitmutter | Ersatzteile für 4000 | 2610997285
Hersteller: BOSCH
Artikelnummer: EB-0601476139-2610997285
nur Informationsartikel
Nie mehr lieferbar
keine Alternativen
Pos.
156
BOSCH Rollenbolzen | Ersatzteile für 4000 | 2610996902
Hersteller: BOSCH
Artikelnummer: EB-0601476139-2610996902
nur Informationsartikel
Nie mehr lieferbar
keine Alternativen
Pos.
157
BOSCH Messer Gezahnt | Ersatzteile für 4000 | 2610998578
Hersteller: BOSCH
Artikelnummer: EB-0601476139-2610998578
nur Informationsartikel
Nie mehr lieferbar
keine Alternativen
Pos.
158
BOSCH Knebelgriff | Ersatzteile für 4000 | 2610998579
Hersteller: BOSCH
Artikelnummer: EB-0601476139-2610998579
Netto: 7,18 € zzgl. MwSt.
zzgl. 6,90 € Versand (brutto)
einmalig pro Bestellung

Lieferzeit: 5 Werktage

Pos.
159
BOSCH Unterlegscheibe | Ersatzteile für 4000 | 2610909178
Hersteller: BOSCH
Artikelnummer: EB-0601476139-2610909178
Netto: 3,63 € zzgl. MwSt.
zzgl. 6,90 € Versand (brutto)
einmalig pro Bestellung

Lieferzeit: 5 Werktage

Pos.
160
BOSCH Gehrungsanschlag | Ersatzteile für 4000 | 2610996936
Hersteller: BOSCH
Artikelnummer: EB-0601476139-2610996936
nur Informationsartikel
Nie mehr lieferbar
keine Alternativen
Pos.
161
BOSCH Schraube | Ersatzteile für 4000 | 2610358519
Hersteller: BOSCH
Artikelnummer: EB-0601476139-2610358519
Netto: 3,63 € zzgl. MwSt.
zzgl. 6,90 € Versand (brutto)
einmalig pro Bestellung

Lieferzeit: 5 Werktage

Pos.
162
BOSCH Mutter | Ersatzteile für 4000 | 2610908272
Hersteller: BOSCH
Artikelnummer: EB-0601476139-2610908272
Netto: 3,63 € zzgl. MwSt.
zzgl. 6,90 € Versand (brutto)
einmalig pro Bestellung

Lieferzeit: 5 Werktage

Pos.
163
BOSCH Unterlage | Ersatzteile für 4000 | 2610997213
Hersteller: BOSCH
Artikelnummer: EB-0601476139-2610997213
Netto: 4,82 € zzgl. MwSt.
zzgl. 6,90 € Versand (brutto)
einmalig pro Bestellung

Lieferzeit: 5 Werktage

Pos.
164
BOSCH Schraube | Ersatzteile für 4000 | 2610358832
Hersteller: BOSCH
Artikelnummer: EB-0601476139-2610358832
Netto: 3,94 € zzgl. MwSt.
zzgl. 6,90 € Versand (brutto)
einmalig pro Bestellung

Lieferzeit: 5 Werktage

Pos.
165
BOSCH Führungsprofil | Ersatzteile für 4000 | 2610996937
Hersteller: BOSCH
Artikelnummer: EB-0601476139-2610996937
nur Informationsartikel
Nie mehr lieferbar
keine Alternativen
Pos.
166
BOSCH Zeiger | Ersatzteile für 4000 | 2610997214
Hersteller: BOSCH
Artikelnummer: EB-0601476139-2610997214
Netto: 4,32 € zzgl. MwSt.
zzgl. 6,90 € Versand (brutto)
einmalig pro Bestellung

Lieferzeit: 5 Werktage

Pos.
167
BOSCH Anschlag | Ersatzteile für 4000 | 2610997215
Hersteller: BOSCH
Artikelnummer: EB-0601476139-2610997215
Netto: 3,94 € zzgl. MwSt.
zzgl. 6,90 € Versand (brutto)
einmalig pro Bestellung

Lieferzeit: 5 Werktage

Pos.
168
BOSCH Schraube | Ersatzteile für 4000 | 2615296243
Hersteller: BOSCH
Artikelnummer: EB-0601476139-2615296243
nur Informationsartikel
Nie mehr lieferbar
keine Alternativen
Pos.
169
BOSCH Klemmhebel | Ersatzteile für 4000 | 2610998558
Hersteller: BOSCH
Artikelnummer: EB-0601476139-2610998558
nur Informationsartikel
Nie mehr lieferbar
keine Alternativen
Pos.
170
BOSCH Gehäuse | Ersatzteile für 4000 | 2610997248
Hersteller: BOSCH
Artikelnummer: EB-0601476139-2610997248
nur Informationsartikel
Nie mehr lieferbar
keine Alternativen
Pos.
171
BOSCH Stift | Ersatzteile für 4000 | 2610997290
Hersteller: BOSCH
Artikelnummer: EB-0601476139-2610997290
nur Informationsartikel
Nie mehr lieferbar
keine Alternativen
Pos.
172
BOSCH Stift | Ersatzteile für 4000 | 2610997291
Hersteller: BOSCH
Artikelnummer: EB-0601476139-2610997291
Netto: 3,63 € zzgl. MwSt.
zzgl. 6,90 € Versand (brutto)
einmalig pro Bestellung

Lieferzeit: 5 Werktage

Pos.
173
BOSCH Hebel | Ersatzteile für 4000 | 2610996890
Hersteller: BOSCH
Artikelnummer: EB-0601476139-2610996890
nur Informationsartikel
Nie mehr lieferbar
keine Alternativen
Pos.
174
BOSCH Nocken | Ersatzteile für 4000 | 2610996889
Hersteller: BOSCH
Artikelnummer: EB-0601476139-2610996889
nur Informationsartikel
Nie mehr lieferbar
keine Alternativen
Pos.
175
BOSCH Stift | Ersatzteile für 4000 | 2610997289
Hersteller: BOSCH
Artikelnummer: EB-0601476139-2610997289
Netto: 3,63 € zzgl. MwSt.
zzgl. 6,90 € Versand (brutto)
einmalig pro Bestellung

Lieferzeit: 5 Werktage

Pos.
176
BOSCH Klemmplatte | Ersatzteile für 4000 | 2610996893
Hersteller: BOSCH
Artikelnummer: EB-0601476139-2610996893
nur Informationsartikel
Nie mehr lieferbar
keine Alternativen
Pos.
177
BOSCH Stift | Ersatzteile für 4000 | 2610997288
Hersteller: BOSCH
Artikelnummer: EB-0601476139-2610997288
nur Informationsartikel
Nie mehr lieferbar
keine Alternativen
Pos.
178
BOSCH Anschlaghalter | Ersatzteile für 4000 | 2610996881
Hersteller: BOSCH
Artikelnummer: EB-0601476139-2610996881
nur Informationsartikel
Nie mehr lieferbar
keine Alternativen
Pos.
179
BOSCH Ansatzschraube | Ersatzteile für 4000 | 2610997249
Hersteller: BOSCH
Artikelnummer: EB-0601476139-2610997249
Netto: 3,63 € zzgl. MwSt.
zzgl. 6,90 € Versand (brutto)
einmalig pro Bestellung

Lieferzeit: 5 Werktage

Pos.
180
BOSCH Klemmplatte | Ersatzteile für 4000 | 2610997223
Hersteller: BOSCH
Artikelnummer: EB-0601476139-2610997223
nur Informationsartikel
Nie mehr lieferbar
keine Alternativen
Pos.
181
BOSCH Warnzettel | Ersatzteile für 4000 | 2610997810
Hersteller: BOSCH
Artikelnummer: EB-0601476139-2610997810
nur Informationsartikel
Nie mehr lieferbar
keine Alternativen
Pos.
182
BOSCH Gleitschiene | Ersatzteile für 4000 | 2610996891
Hersteller: BOSCH
Artikelnummer: EB-0601476139-2610996891
nur Informationsartikel
Nie mehr lieferbar
keine Alternativen
Pos.
183
BOSCH Haltearm | Ersatzteile für 4000 | 2610998570
Hersteller: BOSCH
Artikelnummer: EB-0601476139-2610998570
nur Informationsartikel
Nie mehr lieferbar
keine Alternativen
Pos.
184
BOSCH Abdeckung | Ersatzteile für 4000 | 2610358892
Hersteller: BOSCH
Artikelnummer: EB-0601476139-2610358892
Netto: 4,32 € zzgl. MwSt.
zzgl. 6,90 € Versand (brutto)
einmalig pro Bestellung

Lieferzeit: 5 Werktage

Pos.
185
BOSCH Stange | Ersatzteile für 4000 | 2610996887
Hersteller: BOSCH
Artikelnummer: EB-0601476139-2610996887
nur Informationsartikel
Nie mehr lieferbar
keine Alternativen
Pos.
186
BOSCH Haltebolzen | Ersatzteile für 4000 | 2610911577
Hersteller: BOSCH
Artikelnummer: EB-0601476139-2610911577
Netto: 3,94 € zzgl. MwSt.
zzgl. 6,90 € Versand (brutto)
einmalig pro Bestellung

Lieferzeit: 5 Werktage

Pos.
187
BOSCH Feder | Ersatzteile für 4000 | 2610996888
Hersteller: BOSCH
Artikelnummer: EB-0601476139-2610996888
Netto: 3,94 € zzgl. MwSt.
zzgl. 6,90 € Versand (brutto)
einmalig pro Bestellung

Lieferzeit: 5 Werktage

Pos.
188
BOSCH Profilschiene | Ersatzteile für 4000 | 2610996883
Hersteller: BOSCH
Artikelnummer: EB-0601476139-2610996883
nur Informationsartikel
Nie mehr lieferbar
keine Alternativen
Pos.
189
BOSCH Scheibe | Ersatzteile für 4000 | 2610358802
Hersteller: BOSCH
Artikelnummer: EB-0601476139-2610358802
Netto: 3,94 € zzgl. MwSt.
zzgl. 6,90 € Versand (brutto)
einmalig pro Bestellung

Lieferzeit: 5 Werktage

Pos.
190
BOSCH Gehäuse | Ersatzteile für 4000 | 2610996884
Hersteller: BOSCH
Artikelnummer: EB-0601476139-2610996884
nur Informationsartikel
Nie mehr lieferbar
keine Alternativen
Pos.
191
BOSCH Rolle | Ersatzteile für 4000 | 2610996886
Hersteller: BOSCH
Artikelnummer: EB-0601476139-2610996886
Netto: 3,94 € zzgl. MwSt.
zzgl. 6,90 € Versand (brutto)
einmalig pro Bestellung

Lieferzeit: 5 Werktage

Pos.
192
BOSCH Stift | Ersatzteile für 4000 | 2610997292
Hersteller: BOSCH
Artikelnummer: EB-0601476139-2610997292
Netto: 3,94 € zzgl. MwSt.
zzgl. 6,90 € Versand (brutto)
einmalig pro Bestellung

Lieferzeit: 5 Werktage

Pos.
193
BOSCH Klemmplatte | Ersatzteile für 4000 | 2610996885
Hersteller: BOSCH
Artikelnummer: EB-0601476139-2610996885
Netto: 6,15 € zzgl. MwSt.
zzgl. 6,90 € Versand (brutto)
einmalig pro Bestellung

Lieferzeit: 5 Werktage

Pos.
194
BOSCH Klemmstück | Ersatzteile für 4000 | 2610997240
Hersteller: BOSCH
Artikelnummer: EB-0601476139-2610997240
Netto: 4,32 € zzgl. MwSt.
zzgl. 6,90 € Versand (brutto)
einmalig pro Bestellung

Lieferzeit: 5 Werktage

Pos.
195
BOSCH Schraube | Ersatzteile für 4000 | 2610997293
Hersteller: BOSCH
Artikelnummer: EB-0601476139-2610997293
Netto: 3,63 € zzgl. MwSt.
zzgl. 6,90 € Versand (brutto)
einmalig pro Bestellung

Lieferzeit: 5 Werktage

Pos.
196
BOSCH Einstellschraube | Ersatzteile für 4000 | 2610997245
Hersteller: BOSCH
Artikelnummer: EB-0601476139-2610997245
Netto: 4,53 € zzgl. MwSt.
zzgl. 6,90 € Versand (brutto)
einmalig pro Bestellung

Lieferzeit: 5 Werktage

Pos.
197
BOSCH Gummibuchse | Ersatzteile für 4000 | 2610911920
Hersteller: BOSCH
Artikelnummer: EB-0601476139-2610911920
Netto: 3,63 € zzgl. MwSt.
zzgl. 6,90 € Versand (brutto)
einmalig pro Bestellung

Lieferzeit: 5 Werktage

Pos.
198
BOSCH Innensechskantschlüssel | Ersatzteile für 4000 | 2610998551
Hersteller: BOSCH
Artikelnummer: EB-0601476139-2610998551
Netto: 4,53 € zzgl. MwSt.
zzgl. 6,90 € Versand (brutto)
einmalig pro Bestellung

Lieferzeit: 5 Werktage

Pos.
199
BOSCH Schraube | Ersatzteile für 4000 | 2610998580
Hersteller: BOSCH
Artikelnummer: EB-0601476139-2610998580
Netto: 3,60 € zzgl. MwSt.
zzgl. 6,90 € Versand (brutto)
einmalig pro Bestellung

Lieferzeit: 5 Werktage

Pos.
200
BOSCH Schraube | Ersatzteile für 4000 | 2610950108
Hersteller: BOSCH
Artikelnummer: EB-0601476139-2610950108
Netto: 3,63 € zzgl. MwSt.
zzgl. 6,90 € Versand (brutto)
einmalig pro Bestellung

Lieferzeit: 5 Werktage

Pos.
201
BOSCH Sicherungsring | Ersatzteile für 4000 | 2610992380
Hersteller: BOSCH
Artikelnummer: EB-0601476139-2610992380
Netto: 3,63 € zzgl. MwSt.
zzgl. 6,90 € Versand (brutto)
einmalig pro Bestellung

Lieferzeit: 5 Werktage

Pos.
202
BOSCH Haftetikett | Ersatzteile für 4000 | 2610997817
Hersteller: BOSCH
Artikelnummer: EB-0601476139-2610997817
nur Informationsartikel
Nie mehr lieferbar
keine Alternativen
Pos.
203
BOSCH Steckkupplung | Ersatzteile für 4000 | 2610358932
Hersteller: BOSCH
Artikelnummer: EB-0601476139-2610358932
Netto: 3,94 € zzgl. MwSt.
zzgl. 6,90 € Versand (brutto)
einmalig pro Bestellung

Lieferzeit: 5 Werktage

Pos.
204
BOSCH Scheibe | Ersatzteile für 4000 | 2610950109
Hersteller: BOSCH
Artikelnummer: EB-0601476139-2610950109
Netto: 3,63 € zzgl. MwSt.
zzgl. 6,90 € Versand (brutto)
einmalig pro Bestellung

Lieferzeit: 5 Werktage

Pos.
205
BOSCH Schraube | Ersatzteile für 4000 | 2610950110
Hersteller: BOSCH
Artikelnummer: EB-0601476139-2610950110
Netto: 3,62 € zzgl. MwSt.
zzgl. 6,90 € Versand (brutto)
einmalig pro Bestellung

Lieferzeit: 5 Werktage

Pos.
206
BOSCH Schraube | Ersatzteile für 4000 | 2610950111
Hersteller: BOSCH
Artikelnummer: EB-0601476139-2610950111
nur Informationsartikel
Nie mehr lieferbar
keine Alternativen
Pos.
207
BOSCH Verbinder | Ersatzteile für 4000 | 2610911933
Hersteller: BOSCH
Artikelnummer: EB-0601476139-2610911933
Netto: 3,63 € zzgl. MwSt.
zzgl. 6,90 € Versand (brutto)
einmalig pro Bestellung

Lieferzeit: 5 Werktage

Pos.
208
BOSCH Feder | Ersatzteile für 4000 | 2610998593
Hersteller: BOSCH
Artikelnummer: EB-0601476139-2610998593
Netto: 3,63 € zzgl. MwSt.
zzgl. 6,90 € Versand (brutto)
einmalig pro Bestellung

Lieferzeit: 5 Werktage

Pos.
209
BOSCH Unterlegscheibe | Ersatzteile für 4000 | 2610912588
Hersteller: BOSCH
Artikelnummer: EB-0601476139-2610912588
Netto: 3,63 € zzgl. MwSt.
zzgl. 6,90 € Versand (brutto)
einmalig pro Bestellung

Lieferzeit: 5 Werktage

Pos.
211
BOSCH Klebeschild | Ersatzteile für 4000 | 2610912589
Hersteller: BOSCH
Artikelnummer: EB-0601476139-2610912589
Netto: 5,21 € zzgl. MwSt.
zzgl. 6,90 € Versand (brutto)
einmalig pro Bestellung

Lieferzeit: 5 Werktage

Pos.
212
BOSCH Vorlegscheibe | Ersatzteile für 4000 | 2610341465
Hersteller: BOSCH
Artikelnummer: EB-0601476139-2610341465
Netto: 4,32 € zzgl. MwSt.
zzgl. 6,90 € Versand (brutto)
einmalig pro Bestellung

Lieferzeit: 5 Werktage

Pos.
213
BOSCH Druckfeder | Ersatzteile für 4000 | 2610913192
Hersteller: BOSCH
Artikelnummer: EB-0601476139-2610913192
Netto: 3,60 € zzgl. MwSt.
zzgl. 6,90 € Versand (brutto)
einmalig pro Bestellung

Lieferzeit: 5 Werktage

Pos.
257
BOSCH Mutter | Ersatzteile für 4000 | 2610911896
Hersteller: BOSCH
Artikelnummer: EB-0601476139-2610911896
Netto: 3,62 € zzgl. MwSt.
zzgl. 6,90 € Versand (brutto)
einmalig pro Bestellung

Lieferzeit: 5 Werktage

Pos.
801
BOSCH Schutzhaube | Ersatzteile für 4000 | 2610997205
Hersteller: BOSCH
Artikelnummer: EB-0601476139-2610997205
nur Informationsartikel
Nie mehr lieferbar
keine Alternativen
Pos.
802
BOSCH Längsanschlag | Ersatzteile für 4000 | 2610997206
Hersteller: BOSCH
Artikelnummer: EB-0601476139-2610997206
nur Informationsartikel
Nie mehr lieferbar
keine Alternativen
Pos.
803
BOSCH Gehrungslineal | Ersatzteile für 4000 | 2610997204
Hersteller: BOSCH
Artikelnummer: EB-0601476139-2610997204
nur Informationsartikel
Nie mehr lieferbar
keine Alternativen
Pos.
810
BOSCH Kohlebürstensatz | Ersatzteile für 4000 | 2610997207
Hersteller: BOSCH
Artikelnummer: EB-0601476139-2610997207
nur Informationsartikel
Nie mehr lieferbar
keine Alternativen
Pos.
880
BOSCH Handrad | Ersatzteile für 4000 | 1619PB2533
Hersteller: BOSCH
Artikelnummer: EB-0601476139-1619PB2533
nur Informationsartikel
Nie mehr lieferbar
keine Alternativen

Angaben zur Produktsicherheit

Hersteller:
Robert Bosch Power Tools GmbH
Postfach 30 02 20
70442 Stuttgart

E-Mail:
kontakt@bosch.de