BOSCH Rillenkugellager 8x22x7 | Ersatzteile für 4000 H1 | 2600905052

Artikelnummer: EB-F0154000K2-2600905052

Position: 813

Marke: BOSCH


Bitte Kompatibilität prüfen!

Bitte prüfen Sie unbedingt die 10-stellige Typennummer Ihrer Maschine / Ihres Gerätes. Das Ersatzteil ist nur kompatibel, wenn Sie die Typennummer Ihrer Maschine in der unten stehenden Produktbeschreibung finden.

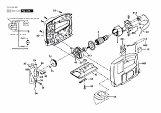
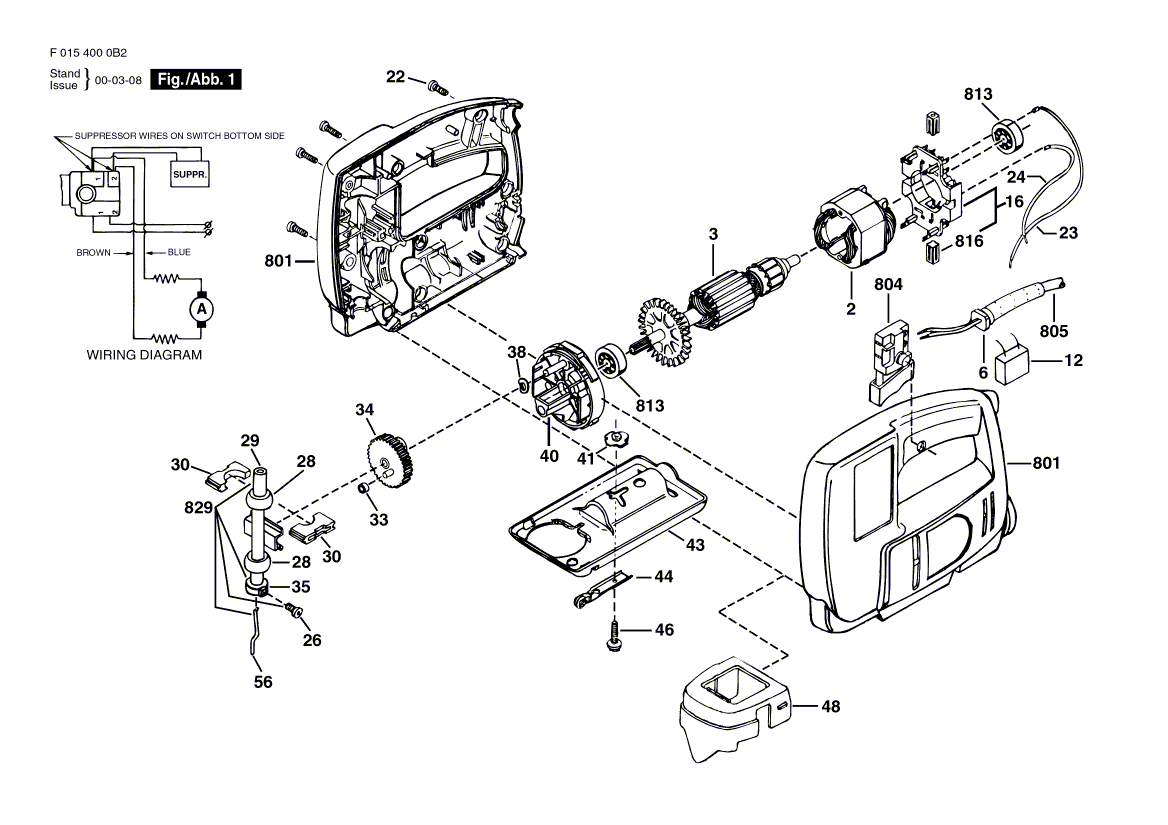
Bitte prüfen Sie ebenfalls detailliert die Explosionszeichnung mit Ihrem Artikelwunsch und der jeweiligen Pos-Nummer.

Alle Elemente, welche vom schwarzen Strich der Pos-Nummer ausgehend berührt / erfasst werden, gehören zu dieser Pos-Nummer und somit zu diesem Artikel. Jede Pos-Nummer ist ein eigenständiger Artikel, welchen Sie in der Auflistung finden.

Sie erhalten stets die aktuellste, neueste Produktversion zu der gewählten Pos-Nummer seitens des Herstellers. Es kann daher je nach Gerätealter vorkommen, dass Sie ggf. weitere, zugehörige Elemente, welche an diese Pos-Nummer grenzen, ebenfalls mittauschen müssen.

Nähere Informationen finden Sie unter dem Link
Hinweise zu Ihrer BOSCH Ersatzteilsuche

Preisübersicht

Einzelpreis: 7,76 €* (Brutto: 9,23 €)
Gesamtpreis: 7,76 €* 
Position:

Lieferzeit: 5 Werktage


Beschreibung

  • Rillenkugellager 8x22x7
  • Original Bosch Zubehör / BOSCH Ersatzteil (2600905052)
  • im Gerät verbaut: 1
Dieses BOSCH Ersatzteil ist mit folgendem Gerät und Modell kompatibel:
  • BOSCH Gerätename: 4000 H1
  • BOSCH Explosionszeichnung: Position 813
  • BOSCH Typennummer: F0154000K2
  • BOSCH Typennummer alternative Schreibweisen: F 015 400 0K2, F015 400 0K2, F.015.400.0K2, F-015-400-0K2
    Bitte prüfen Sie diese Typennummer auf Ihrem Gerät um die Kompatibilität des BOSCH Ersatzteils zu gewährleisten.
Weitere BOSCH Ersatzteile des Gerätes 4000 H1 (Stichsäge) mit der Typennummer F0154000K2 finden Sie in der nachfolgenden Darstellung und im Dropdown zu Ihrer Auswahl:

Pos.
2
BOSCH Polschuh 230V | Ersatzteile für 4000 H1 | 2610389033
Hersteller: BOSCH
Artikelnummer: EB-F0154000K2-2610389033
nur Informationsartikel
Nie mehr lieferbar
keine Alternativen
Pos.
3
BOSCH Anker 230V | Ersatzteile für 4000 H1 | 2610389037
Hersteller: BOSCH
Artikelnummer: EB-F0154000K2-2610389037
nur Informationsartikel
Nie mehr lieferbar
keine Alternativen
Pos.
6
BOSCH Tülle | Ersatzteile für 4000 H1 | 2610360176
Hersteller: BOSCH
Artikelnummer: EB-F0154000K2-2610360176
Netto: 3,94 € zzgl. MwSt.
zzgl. 6,90 € Versand (brutto)
einmalig pro Bestellung

Lieferzeit: 5 Werktage

Pos.
12
BOSCH Störunterdrückung | Ersatzteile für 4000 H1 | 2610385352
Hersteller: BOSCH
Artikelnummer: EB-F0154000K2-2610385352
nur Informationsartikel
Nie mehr lieferbar
keine Alternativen
Pos.
16
BOSCH Bürstenplatte | Ersatzteile für 4000 H1 | 2610391898
Hersteller: BOSCH
Artikelnummer: EB-F0154000K2-2610391898
nur Informationsartikel
Nie mehr lieferbar
keine Alternativen
Pos.
22
BOSCH Torx-Linsenschraube T20-8x19 MM | Ersatzteile für 4000 H1 | 2610374919
Hersteller: BOSCH
Artikelnummer: EB-F0154000K2-2610374919
Netto: 3,63 € zzgl. MwSt.
zzgl. 6,90 € Versand (brutto)
einmalig pro Bestellung

Lieferzeit: 5 Werktage

Pos.
23
BOSCH Verbindungsleitung BLAU | Ersatzteile für 4000 H1 | 2610386837
Hersteller: BOSCH
Artikelnummer: EB-F0154000K2-2610386837
nur Informationsartikel
Nie mehr lieferbar
keine Alternativen
Pos.
24
BOSCH Verbindungsleitung BRAUN | Ersatzteile für 4000 H1 | 2610386838
Hersteller: BOSCH
Artikelnummer: EB-F0154000K2-2610386838
nur Informationsartikel
Nie mehr lieferbar
keine Alternativen
Pos.
26
BOSCH Schraube | Ersatzteile für 4000 H1 | 2610386423
Hersteller: BOSCH
Artikelnummer: EB-F0154000K2-2610386423
nur Informationsartikel
Nie mehr lieferbar
keine Alternativen
Pos.
28
BOSCH Lager | Ersatzteile für 4000 H1 | 2610386542
Hersteller: BOSCH
Artikelnummer: EB-F0154000K2-2610386542
nur Informationsartikel
Nie mehr lieferbar
keine Alternativen
Pos.
29
BOSCH Achse | Ersatzteile für 4000 H1 | 2610386090
Hersteller: BOSCH
Artikelnummer: EB-F0154000K2-2610386090
nur Informationsartikel
Nie mehr lieferbar
keine Alternativen
Pos.
30
BOSCH Lagerbock | Ersatzteile für 4000 H1 | 2610389010
Hersteller: BOSCH
Artikelnummer: EB-F0154000K2-2610389010
nur Informationsartikel
Nie mehr lieferbar
keine Alternativen
Pos.
33
BOSCH Buchse | Ersatzteile für 4000 H1 | 2610387014
Hersteller: BOSCH
Artikelnummer: EB-F0154000K2-2610387014
nur Informationsartikel
Nie mehr lieferbar
keine Alternativen
Pos.
34
BOSCH Zahnradsatz | Ersatzteile für 4000 H1 | 2610386108
Hersteller: BOSCH
Artikelnummer: EB-F0154000K2-2610386108
nur Informationsartikel
Nie mehr lieferbar
keine Alternativen
Pos.
35
BOSCH Halter | Ersatzteile für 4000 H1 | 2610386089
Hersteller: BOSCH
Artikelnummer: EB-F0154000K2-2610386089
nur Informationsartikel
Nie mehr lieferbar
keine Alternativen
Pos.
38
BOSCH Scheibe | Ersatzteile für 4000 H1 | 2610386095
Hersteller: BOSCH
Artikelnummer: EB-F0154000K2-2610386095
nur Informationsartikel
Nie mehr lieferbar
keine Alternativen
Pos.
40
BOSCH Lagerdeckel | Ersatzteile für 4000 H1 | 2610388369
Hersteller: BOSCH
Artikelnummer: EB-F0154000K2-2610388369
nur Informationsartikel
Nie mehr lieferbar
keine Alternativen
Pos.
41
BOSCH Mutter | Ersatzteile für 4000 H1 | 2610387920
Hersteller: BOSCH
Artikelnummer: EB-F0154000K2-2610387920
nur Informationsartikel
Nie mehr lieferbar
keine Alternativen
Pos.
43
BOSCH Fussplatte | Ersatzteile für 4000 H1 | 2610386395
Hersteller: BOSCH
Artikelnummer: EB-F0154000K2-2610386395
nur Informationsartikel
Nie mehr lieferbar
keine Alternativen
Pos.
44
BOSCH Profilleiste | Ersatzteile für 4000 H1 | 2610387779
Hersteller: BOSCH
Artikelnummer: EB-F0154000K2-2610387779
nur Informationsartikel
Nie mehr lieferbar
keine Alternativen
Pos.
46
BOSCH Schraube | Ersatzteile für 4000 H1 | 2610062425
Hersteller: BOSCH
Artikelnummer: EB-F0154000K2-2610062425
nur Informationsartikel
Nie mehr lieferbar
keine Alternativen
Pos.
48
BOSCH Deckel | Ersatzteile für 4000 H1 | 2610386834
Hersteller: BOSCH
Artikelnummer: EB-F0154000K2-2610386834
nur Informationsartikel
Nie mehr lieferbar
keine Alternativen
Pos.
56
BOSCH Feder | Ersatzteile für 4000 H1 | 2610386835
Hersteller: BOSCH
Artikelnummer: EB-F0154000K2-2610386835
nur Informationsartikel
Nie mehr lieferbar
keine Alternativen
Pos.
801
BOSCH Gehäuseschale | Ersatzteile für 4000 H1 | 2610388052
Hersteller: BOSCH
Artikelnummer: EB-F0154000K2-2610388052
nur Informationsartikel
Nie mehr lieferbar
keine Alternativen
Pos.
804
BOSCH Ein/Aus-Schalter ROT | Ersatzteile für 4000 H1 | 2610390738
Hersteller: BOSCH
Artikelnummer: EB-F0154000K2-2610390738
nur Informationsartikel
Nie mehr lieferbar
keine Alternativen
Pos.
805
BOSCH Netzanschlussleitung GB 230V | Ersatzteile für 4000 H1 | 2610376418
Hersteller: BOSCH
Artikelnummer: EB-F0154000K2-2610376418
nur Informationsartikel
Nie mehr lieferbar
keine Alternativen
Pos.
813
BOSCH Rillenkugellager 8x22x7 | Ersatzteile für 4000 H1 | 2600905052
Hersteller: BOSCH
Artikelnummer: EB-F0154000K2-2600905052
Netto: 7,76 € zzgl. MwSt.
zzgl. 6,90 € Versand (brutto)
einmalig pro Bestellung

Lieferzeit: 5 Werktage

Pos.
816
BOSCH Kohlebürstensatz | Ersatzteile für 4000 H1 | 2610386546
Hersteller: BOSCH
Artikelnummer: EB-F0154000K2-2610386546
nur Informationsartikel
Nie mehr lieferbar
keine Alternativen
Pos.
829
BOSCH Achse | Ersatzteile für 4000 H1 | 2610386696
Hersteller: BOSCH
Artikelnummer: EB-F0154000K2-2610386696
nur Informationsartikel
Nie mehr lieferbar
keine Alternativen

Angaben zur Produktsicherheit

Hersteller:
Robert Bosch Power Tools GmbH
Postfach 30 02 20
70442 Stuttgart

E-Mail:
kontakt@bosch.de