BOSCH Kugellager | Ersatzteile für 4100XC | 2610996949

Artikelnummer: EB-3601L13015-2610996949

Position: 34

Marke: BOSCH


Bitte Kompatibilität prüfen!

Bitte prüfen Sie unbedingt die 10-stellige Typennummer Ihrer Maschine / Ihres Gerätes. Das Ersatzteil ist nur kompatibel, wenn Sie die Typennummer Ihrer Maschine in der unten stehenden Produktbeschreibung finden.

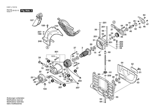
Bitte prüfen Sie ebenfalls detailliert die Explosionszeichnung mit Ihrem Artikelwunsch und der jeweiligen Pos-Nummer.

Alle Elemente, welche vom schwarzen Strich der Pos-Nummer ausgehend berührt / erfasst werden, gehören zu dieser Pos-Nummer und somit zu diesem Artikel. Jede Pos-Nummer ist ein eigenständiger Artikel, welchen Sie in der Auflistung finden.

Sie erhalten stets die aktuellste, neueste Produktversion zu der gewählten Pos-Nummer seitens des Herstellers. Es kann daher je nach Gerätealter vorkommen, dass Sie ggf. weitere, zugehörige Elemente, welche an diese Pos-Nummer grenzen, ebenfalls mittauschen müssen.

Nähere Informationen finden Sie unter dem Link
Hinweise zu Ihrer BOSCH Ersatzteilsuche

Preisübersicht

Einzelpreis: 12,98 €* (Brutto: 15,45 €)
Gesamtpreis: 12,98 €* 
Position:

Lieferzeit: 5 Werktage


Beschreibung

  • Kugellager
  • Original Bosch Zubehör / BOSCH Ersatzteil (2610996949)
  • im Gerät verbaut: 1
Dieses BOSCH Ersatzteil ist mit folgendem Gerät und Modell kompatibel:
  • BOSCH Gerätename: 4100XC
  • BOSCH Explosionszeichnung: Position 34
  • BOSCH Typennummer: 3601L13015
  • BOSCH Typennummer alternative Schreibweisen: 3 601 L13 015, 3601 L13 015, 3.601.L13.015, 3-601-L13-015
    Bitte prüfen Sie diese Typennummer auf Ihrem Gerät um die Kompatibilität des BOSCH Ersatzteils zu gewährleisten.
Weitere BOSCH Ersatzteile des Gerätes 4100XC (Tischkreissäge) mit der Typennummer 3601L13015 finden Sie in der nachfolgenden Darstellung und im Dropdown zu Ihrer Auswahl:

Pos.
3
BOSCH Anker | Ersatzteile für 4100XC | 1619PA5591
Hersteller: BOSCH
Artikelnummer: EB-3601L13015-1619PA5591
Netto: 96,32 € zzgl. MwSt.
zzgl. 6,90 € Versand (brutto)
einmalig pro Bestellung

Lieferzeit: 5 Werktage

Pos.
4
BOSCH Schalter | Ersatzteile für 4100XC | 160720036J
Hersteller: BOSCH
Artikelnummer: EB-3601L13015-160720036J
Nie mehr lieferbar
keine Alternativen
Pos.
5
BOSCH Netzanschlussleitung | Ersatzteile für 4100XC | 2610996945
Hersteller: BOSCH
Artikelnummer: EB-3601L13015-2610996945
Netto: 32,85 € zzgl. MwSt.
zzgl. 6,90 € Versand (brutto)
einmalig pro Bestellung

Lieferzeit: 5 Werktage

Pos.
6
BOSCH Lochöse | Ersatzteile für 4100XC | 2610950038
Hersteller: BOSCH
Artikelnummer: EB-3601L13015-2610950038
Netto: 1,18 € zzgl. MwSt.
zzgl. 6,90 € Versand (brutto)
einmalig pro Bestellung

Lieferzeit: 5 Werktage

Pos.
7
BOSCH Klemmschelle | Ersatzteile für 4100XC | 2610358842
Hersteller: BOSCH
Artikelnummer: EB-3601L13015-2610358842
Netto: 3,94 € zzgl. MwSt.
zzgl. 6,90 € Versand (brutto)
einmalig pro Bestellung

Lieferzeit: 5 Werktage

Pos.
9
BOSCH Klebeschild | Ersatzteile für 4100XC | 160111C3EX
Hersteller: BOSCH
Artikelnummer: EB-3601L13015-160111C3EX
Nie mehr lieferbar
keine Alternativen
Pos.
10
BOSCH Kohlebürste | Ersatzteile für 4100XC | 160432117Y
Hersteller: BOSCH
Artikelnummer: EB-3601L13015-160432117Y
Nie mehr lieferbar
keine Alternativen
Pos.
12
BOSCH Drehzahlregler 115-120V | Ersatzteile für 4100XC | 2610997306
Hersteller: BOSCH
Artikelnummer: EB-3601L13015-2610997306
Netto: 57,47 € zzgl. MwSt.
zzgl. 6,90 € Versand (brutto)
einmalig pro Bestellung

Lieferzeit: 5 Werktage

Pos.
13
BOSCH Kugellager | Ersatzteile für 4100XC | 2610004595
Hersteller: BOSCH
Artikelnummer: EB-3601L13015-2610004595
Netto: 10,92 € zzgl. MwSt.
zzgl. 6,90 € Versand (brutto)
einmalig pro Bestellung

Lieferzeit: 5 Werktage

Pos.
14
BOSCH Kugellager | Ersatzteile für 4100XC | 2610911927
Hersteller: BOSCH
Artikelnummer: EB-3601L13015-2610911927
Netto: 21,16 € zzgl. MwSt.
zzgl. 6,90 € Versand (brutto)
einmalig pro Bestellung

Lieferzeit: 5 Werktage

Pos.
16
BOSCH Bürstenhalter | Ersatzteile für 4100XC | 1600A020M3
Hersteller: BOSCH
Artikelnummer: EB-3601L13015-1600A020M3
Netto: 6,70 € zzgl. MwSt.
zzgl. 6,90 € Versand (brutto)
einmalig pro Bestellung

Lieferzeit: 5 Werktage

Pos.
19
BOSCH Anzugsschraube | Ersatzteile für 4100XC | 2610358841
Hersteller: BOSCH
Artikelnummer: EB-3601L13015-2610358841
Netto: 1,18 € zzgl. MwSt.
zzgl. 6,90 € Versand (brutto)
einmalig pro Bestellung

Lieferzeit: 5 Werktage

Pos.
20
BOSCH Warnzettel | Ersatzteile für 4100XC | 1600A020LZ
Hersteller: BOSCH
Artikelnummer: EB-3601L13015-1600A020LZ
Nie mehr lieferbar
keine Alternativen
Pos.
22
BOSCH Abdeckkappe | Ersatzteile für 4100XC | 2610996865
Hersteller: BOSCH
Artikelnummer: EB-3601L13015-2610996865
Netto: 12,98 € zzgl. MwSt.
zzgl. 6,90 € Versand (brutto)
einmalig pro Bestellung

Lieferzeit: 5 Werktage

Pos.
23
BOSCH Schraube NEU | Ersatzteile für 4100XC | 2610018983
Hersteller: BOSCH
Artikelnummer: EB-3601L13015-2610018983
Netto: 3,63 € zzgl. MwSt.
zzgl. 6,90 € Versand (brutto)
einmalig pro Bestellung

Lieferzeit: 5 Werktage

Pos.
24
BOSCH Bürstendeckel | Ersatzteile für 4100XC | 1600A020M0
Hersteller: BOSCH
Artikelnummer: EB-3601L13015-1600A020M0
Netto: 3,63 € zzgl. MwSt.
zzgl. 6,90 € Versand (brutto)
einmalig pro Bestellung

Lieferzeit: 5 Werktage

Pos.
26
BOSCH Einsatz | Ersatzteile für 4100XC | 2610911569
Hersteller: BOSCH
Artikelnummer: EB-3601L13015-2610911569
Netto: 4,53 € zzgl. MwSt.
zzgl. 6,90 € Versand (brutto)
einmalig pro Bestellung

Lieferzeit: 5 Werktage

Pos.
27
BOSCH Schraube | Ersatzteile für 4100XC | 2610911929
Hersteller: BOSCH
Artikelnummer: EB-3601L13015-2610911929
Netto: 3,63 € zzgl. MwSt.
zzgl. 6,90 € Versand (brutto)
einmalig pro Bestellung

Lieferzeit: 5 Werktage

Pos.
28
BOSCH Gummiring | Ersatzteile für 4100XC | 1619PA5609
Hersteller: BOSCH
Artikelnummer: EB-3601L13015-1619PA5609
Nie mehr lieferbar
keine Alternativen
Pos.
29
BOSCH Lagerdeckel | Ersatzteile für 4100XC | 2610911566
Hersteller: BOSCH
Artikelnummer: EB-3601L13015-2610911566
Netto: 4,82 € zzgl. MwSt.
zzgl. 6,90 € Versand (brutto)
einmalig pro Bestellung

Lieferzeit: 5 Werktage

Pos.
30
BOSCH Gewindestift | Ersatzteile für 4100XC | 2610950427
Hersteller: BOSCH
Artikelnummer: EB-3601L13015-2610950427
Netto: 3,63 € zzgl. MwSt.
zzgl. 6,90 € Versand (brutto)
einmalig pro Bestellung

Lieferzeit: 5 Werktage

Pos.
31
BOSCH Getriebegehäuse | Ersatzteile für 4100XC | 2610996863
Hersteller: BOSCH
Artikelnummer: EB-3601L13015-2610996863
Netto: 63,02 € zzgl. MwSt.
zzgl. 6,90 € Versand (brutto)
einmalig pro Bestellung

Lieferzeit: 5 Werktage

Pos.
32
BOSCH Schraube | Ersatzteile für 4100XC | 2610945505
Hersteller: BOSCH
Artikelnummer: EB-3601L13015-2610945505
Nie mehr lieferbar
keine Alternativen
Pos.
33
BOSCH Federscheibe | Ersatzteile für 4100XC | 2610950042
Hersteller: BOSCH
Artikelnummer: EB-3601L13015-2610950042
Netto: 3,63 € zzgl. MwSt.
zzgl. 6,90 € Versand (brutto)
einmalig pro Bestellung

Lieferzeit: 5 Werktage

Pos.
34
BOSCH Kugellager | Ersatzteile für 4100XC | 2610996949
Hersteller: BOSCH
Artikelnummer: EB-3601L13015-2610996949
Netto: 12,98 € zzgl. MwSt.
zzgl. 6,90 € Versand (brutto)
einmalig pro Bestellung

Lieferzeit: 5 Werktage

Pos.
35
BOSCH Sicherungsring | Ersatzteile für 4100XC | 2610997282
Hersteller: BOSCH
Artikelnummer: EB-3601L13015-2610997282
Netto: 3,63 € zzgl. MwSt.
zzgl. 6,90 € Versand (brutto)
einmalig pro Bestellung

Lieferzeit: 5 Werktage

Pos.
36
BOSCH Zahnrad | Ersatzteile für 4100XC | 2610997208
Hersteller: BOSCH
Artikelnummer: EB-3601L13015-2610997208
Netto: 32,74 € zzgl. MwSt.
zzgl. 6,90 € Versand (brutto)
einmalig pro Bestellung

Lieferzeit: 5 Werktage

Pos.
37
BOSCH Abdeckung | Ersatzteile für 4100XC | 1600A01D91
Hersteller: BOSCH
Artikelnummer: EB-3601L13015-1600A01D91
Netto: 15,75 € zzgl. MwSt.
zzgl. 6,90 € Versand (brutto)
einmalig pro Bestellung

Lieferzeit: 5 Werktage

Pos.
38
BOSCH Sicherungsring | Ersatzteile für 4100XC | 2610997281
Hersteller: BOSCH
Artikelnummer: EB-3601L13015-2610997281
Netto: 3,63 € zzgl. MwSt.
zzgl. 6,90 € Versand (brutto)
einmalig pro Bestellung

Lieferzeit: 5 Werktage

Pos.
39
BOSCH Kugellager | Ersatzteile für 4100XC | 2610997210
Hersteller: BOSCH
Artikelnummer: EB-3601L13015-2610997210
Netto: 12,98 € zzgl. MwSt.
zzgl. 6,90 € Versand (brutto)
einmalig pro Bestellung

Lieferzeit: 5 Werktage

Pos.
40
BOSCH Spindel | Ersatzteile für 4100XC | 2610950043
Hersteller: BOSCH
Artikelnummer: EB-3601L13015-2610950043
Nie mehr lieferbar
keine Alternativen
Pos.
41
BOSCH Scheibenfeder | Ersatzteile für 4100XC | 2610012984
Hersteller: BOSCH
Artikelnummer: EB-3601L13015-2610012984
Netto: 3,63 € zzgl. MwSt.
zzgl. 6,90 € Versand (brutto)
einmalig pro Bestellung

Lieferzeit: 5 Werktage

Pos.
42
BOSCH Lagerhülse | Ersatzteile für 4100XC | 2610996932
Hersteller: BOSCH
Artikelnummer: EB-3601L13015-2610996932
Netto: 4,53 € zzgl. MwSt.
zzgl. 6,90 € Versand (brutto)
einmalig pro Bestellung

Lieferzeit: 5 Werktage

Pos.
43
BOSCH Schraube | Ersatzteile für 4100XC | 2610950044
Hersteller: BOSCH
Artikelnummer: EB-3601L13015-2610950044
Netto: 3,63 € zzgl. MwSt.
zzgl. 6,90 € Versand (brutto)
einmalig pro Bestellung

Lieferzeit: 5 Werktage

Pos.
44
BOSCH Schraube | Ersatzteile für 4100XC | 2610998572
Hersteller: BOSCH
Artikelnummer: EB-3601L13015-2610998572
Netto: 3,63 € zzgl. MwSt.
zzgl. 6,90 € Versand (brutto)
einmalig pro Bestellung

Lieferzeit: 5 Werktage

Pos.
45
BOSCH Drehfeder | Ersatzteile für 4100XC | 2610996875
Hersteller: BOSCH
Artikelnummer: EB-3601L13015-2610996875
Netto: 3,94 € zzgl. MwSt.
zzgl. 6,90 € Versand (brutto)
einmalig pro Bestellung

Lieferzeit: 5 Werktage

Pos.
46
BOSCH Sperrhebel | Ersatzteile für 4100XC | 2610996874
Hersteller: BOSCH
Artikelnummer: EB-3601L13015-2610996874
Netto: 9,95 € zzgl. MwSt.
zzgl. 6,90 € Versand (brutto)
einmalig pro Bestellung

Lieferzeit: 5 Werktage

Pos.
47
BOSCH Schulterschraube | Ersatzteile für 4100XC | 1600A00HS5
Hersteller: BOSCH
Artikelnummer: EB-3601L13015-1600A00HS5
Nie mehr lieferbar
keine Alternativen
Pos.
48
BOSCH Scheibe | Ersatzteile für 4100XC | 2610950045
Hersteller: BOSCH
Artikelnummer: EB-3601L13015-2610950045
nur Informationsartikel
Nie mehr lieferbar
keine Alternativen
Pos.
49
BOSCH Klemmflansch | Ersatzteile für 4100XC | 2610950046
Hersteller: BOSCH
Artikelnummer: EB-3601L13015-2610950046
Netto: 10,92 € zzgl. MwSt.
zzgl. 6,90 € Versand (brutto)
einmalig pro Bestellung

Lieferzeit: 5 Werktage

Pos.
50
BOSCH Hohldorn | Ersatzteile für 4100XC | 2610950047
Hersteller: BOSCH
Artikelnummer: EB-3601L13015-2610950047
Netto: 3,94 € zzgl. MwSt.
zzgl. 6,90 € Versand (brutto)
einmalig pro Bestellung

Lieferzeit: 5 Werktage

Pos.
51
BOSCH Flügelschraube | Ersatzteile für 4100XC | 2610996879
Hersteller: BOSCH
Artikelnummer: EB-3601L13015-2610996879
Netto: 4,32 € zzgl. MwSt.
zzgl. 6,90 € Versand (brutto)
einmalig pro Bestellung

Lieferzeit: 5 Werktage

Pos.
52
BOSCH Abdeckplatte | Ersatzteile für 4100XC | 2610950048
Hersteller: BOSCH
Artikelnummer: EB-3601L13015-2610950048
Nie mehr lieferbar
keine Alternativen
Pos.
53
BOSCH Schraube | Ersatzteile für 4100XC | 2610950049
Hersteller: BOSCH
Artikelnummer: EB-3601L13015-2610950049
Netto: 3,63 € zzgl. MwSt.
zzgl. 6,90 € Versand (brutto)
einmalig pro Bestellung

Lieferzeit: 5 Werktage

Pos.
54
BOSCH Abdeckblende | Ersatzteile für 4100XC | 2610950050
Hersteller: BOSCH
Artikelnummer: EB-3601L13015-2610950050
Nie mehr lieferbar
keine Alternativen
Pos.
55
BOSCH Abdeckplatte | Ersatzteile für 4100XC | 2610950051
Hersteller: BOSCH
Artikelnummer: EB-3601L13015-2610950051
Nie mehr lieferbar
keine Alternativen
Pos.
56
BOSCH Führungsbolzen | Ersatzteile für 4100XC | 2610950052
Hersteller: BOSCH
Artikelnummer: EB-3601L13015-2610950052
Netto: 7,76 € zzgl. MwSt.
zzgl. 6,90 € Versand (brutto)
einmalig pro Bestellung

Lieferzeit: 5 Werktage

Pos.
57
BOSCH Sicherungsring | Ersatzteile für 4100XC | 2610997276
Hersteller: BOSCH
Artikelnummer: EB-3601L13015-2610997276
Netto: 3,63 € zzgl. MwSt.
zzgl. 6,90 € Versand (brutto)
einmalig pro Bestellung

Lieferzeit: 5 Werktage

Pos.
58
BOSCH Gewindestange | Ersatzteile für 4100XC | 2610950053
Hersteller: BOSCH
Artikelnummer: EB-3601L13015-2610950053
Nie mehr lieferbar
keine Alternativen
Pos.
59
BOSCH Sicherungsring | Ersatzteile für 4100XC | 2610998573
Hersteller: BOSCH
Artikelnummer: EB-3601L13015-2610998573
Netto: 3,63 € zzgl. MwSt.
zzgl. 6,90 € Versand (brutto)
einmalig pro Bestellung

Lieferzeit: 5 Werktage

Pos.
60
BOSCH Lagerbuchse | Ersatzteile für 4100XC | 2610997221
Hersteller: BOSCH
Artikelnummer: EB-3601L13015-2610997221
Netto: 6,15 € zzgl. MwSt.
zzgl. 6,90 € Versand (brutto)
einmalig pro Bestellung

Lieferzeit: 5 Werktage

Pos.
61
BOSCH Zahnrad | Ersatzteile für 4100XC | 2610996896
Hersteller: BOSCH
Artikelnummer: EB-3601L13015-2610996896
Netto: 6,70 € zzgl. MwSt.
zzgl. 6,90 € Versand (brutto)
einmalig pro Bestellung

Lieferzeit: 5 Werktage

Pos.
62
BOSCH Unterlegscheibe | Ersatzteile für 4100XC | 2610912587
Hersteller: BOSCH
Artikelnummer: EB-3601L13015-2610912587
Netto: 3,63 € zzgl. MwSt.
zzgl. 6,90 € Versand (brutto)
einmalig pro Bestellung

Lieferzeit: 5 Werktage

Pos.
63
BOSCH Schulterschraube | Ersatzteile für 4100XC | 1600A00HS4
Hersteller: BOSCH
Artikelnummer: EB-3601L13015-1600A00HS4
Nie mehr lieferbar
keine Alternativen
Pos.
64
BOSCH Mutter | Ersatzteile für 4100XC | 2610358149
Hersteller: BOSCH
Artikelnummer: EB-3601L13015-2610358149
Netto: 3,63 € zzgl. MwSt.
zzgl. 6,90 € Versand (brutto)
einmalig pro Bestellung

Lieferzeit: 5 Werktage

Pos.
65
BOSCH Bolzen | Ersatzteile für 4100XC | 2610950054
Hersteller: BOSCH
Artikelnummer: EB-3601L13015-2610950054
Netto: 0,75 € zzgl. MwSt.
zzgl. 6,90 € Versand (brutto)
einmalig pro Bestellung

Lieferzeit: 5 Werktage

Pos.
66
BOSCH Sicherungsring | Ersatzteile für 4100XC | 2610997277
Hersteller: BOSCH
Artikelnummer: EB-3601L13015-2610997277
Netto: 3,63 € zzgl. MwSt.
zzgl. 6,90 € Versand (brutto)
einmalig pro Bestellung

Lieferzeit: 5 Werktage

Pos.
67
BOSCH Befestigungswinkel | Ersatzteile für 4100XC | 2610997212
Hersteller: BOSCH
Artikelnummer: EB-3601L13015-2610997212
Netto: 4,82 € zzgl. MwSt.
zzgl. 6,90 € Versand (brutto)
einmalig pro Bestellung

Lieferzeit: 5 Werktage

Pos.
68
BOSCH Lagerbuchse | Ersatzteile für 4100XC | 1619PA5649
Hersteller: BOSCH
Artikelnummer: EB-3601L13015-1619PA5649
Netto: 3,94 € zzgl. MwSt.
zzgl. 6,90 € Versand (brutto)
einmalig pro Bestellung

Lieferzeit: 5 Werktage

Pos.
72
BOSCH Gewindebuchse | Ersatzteile für 4100XC | 2610996933
Hersteller: BOSCH
Artikelnummer: EB-3601L13015-2610996933
Netto: 12,98 € zzgl. MwSt.
zzgl. 6,90 € Versand (brutto)
einmalig pro Bestellung

Lieferzeit: 5 Werktage

Pos.
73
BOSCH Lagerbuchse | Ersatzteile für 4100XC | 2610996938
Hersteller: BOSCH
Artikelnummer: EB-3601L13015-2610996938
Netto: 8,33 € zzgl. MwSt.
zzgl. 6,90 € Versand (brutto)
einmalig pro Bestellung

Lieferzeit: 5 Werktage

Pos.
74
BOSCH Schraube | Ersatzteile für 4100XC | 2610950055
Hersteller: BOSCH
Artikelnummer: EB-3601L13015-2610950055
nur Informationsartikel
Nie mehr lieferbar
keine Alternativen
Pos.
75
BOSCH Feder | Ersatzteile für 4100XC | 2610997271
Hersteller: BOSCH
Artikelnummer: EB-3601L13015-2610997271
Netto: 3,94 € zzgl. MwSt.
zzgl. 6,90 € Versand (brutto)
einmalig pro Bestellung

Lieferzeit: 5 Werktage

Pos.
76
BOSCH Unterlegscheibe | Ersatzteile für 4100XC | 2610998550
Hersteller: BOSCH
Artikelnummer: EB-3601L13015-2610998550
Netto: 3,94 € zzgl. MwSt.
zzgl. 6,90 € Versand (brutto)
einmalig pro Bestellung

Lieferzeit: 5 Werktage

Pos.
77
BOSCH Unterlegscheibe | Ersatzteile für 4100XC | 2610997299
Hersteller: BOSCH
Artikelnummer: EB-3601L13015-2610997299
Netto: 3,94 € zzgl. MwSt.
zzgl. 6,90 € Versand (brutto)
einmalig pro Bestellung

Lieferzeit: 5 Werktage

Pos.
78
BOSCH Mutter | Ersatzteile für 4100XC | 2610997298
Hersteller: BOSCH
Artikelnummer: EB-3601L13015-2610997298
Netto: 6,15 € zzgl. MwSt.
zzgl. 6,90 € Versand (brutto)
einmalig pro Bestellung

Lieferzeit: 5 Werktage

Pos.
82
BOSCH Handgriff | Ersatzteile für 4100XC | 2610950059
Hersteller: BOSCH
Artikelnummer: EB-3601L13015-2610950059
Netto: 3,63 € zzgl. MwSt.
zzgl. 6,90 € Versand (brutto)
einmalig pro Bestellung

Lieferzeit: 5 Werktage

Pos.
83
BOSCH Schraube | Ersatzteile für 4100XC | 2610950060
Hersteller: BOSCH
Artikelnummer: EB-3601L13015-2610950060
Netto: 3,63 € zzgl. MwSt.
zzgl. 6,90 € Versand (brutto)
einmalig pro Bestellung

Lieferzeit: 5 Werktage

Pos.
84
BOSCH Steckerstift | Ersatzteile für 4100XC | 2610950061
Hersteller: BOSCH
Artikelnummer: EB-3601L13015-2610950061
Netto: 0,75 € zzgl. MwSt.
zzgl. 6,90 € Versand (brutto)
einmalig pro Bestellung

Lieferzeit: 5 Werktage

Pos.
85
BOSCH Zeiger | Ersatzteile für 4100XC | 2610950062
Hersteller: BOSCH
Artikelnummer: EB-3601L13015-2610950062
Netto: 4,53 € zzgl. MwSt.
zzgl. 6,90 € Versand (brutto)
einmalig pro Bestellung

Lieferzeit: 5 Werktage

Pos.
86
BOSCH Unterlegscheibe | Ersatzteile für 4100XC | 2610347092
Hersteller: BOSCH
Artikelnummer: EB-3601L13015-2610347092
Netto: 3,63 € zzgl. MwSt.
zzgl. 6,90 € Versand (brutto)
einmalig pro Bestellung

Lieferzeit: 5 Werktage

Pos.
87
BOSCH Sicherungsmutter | Ersatzteile für 4100XC | 2610911901
Hersteller: BOSCH
Artikelnummer: EB-3601L13015-2610911901
Netto: 3,94 € zzgl. MwSt.
zzgl. 6,90 € Versand (brutto)
einmalig pro Bestellung

Lieferzeit: 5 Werktage

Pos.
89
BOSCH Anschlag | Ersatzteile für 4100XC | 2610996929
Hersteller: BOSCH
Artikelnummer: EB-3601L13015-2610996929
Netto: 3,94 € zzgl. MwSt.
zzgl. 6,90 € Versand (brutto)
einmalig pro Bestellung

Lieferzeit: 5 Werktage

Pos.
90
BOSCH Grundkörper | Ersatzteile für 4100XC | 1600A01PY5
Hersteller: BOSCH
Artikelnummer: EB-3601L13015-1600A01PY5
Nie mehr lieferbar
keine Alternativen
Pos.
91
BOSCH Schraube | Ersatzteile für 4100XC | 2610997294
Hersteller: BOSCH
Artikelnummer: EB-3601L13015-2610997294
Netto: 3,63 € zzgl. MwSt.
zzgl. 6,90 € Versand (brutto)
einmalig pro Bestellung

Lieferzeit: 5 Werktage

Pos.
92
BOSCH Schaltkasten | Ersatzteile für 4100XC | 1600A01PZ4
Hersteller: BOSCH
Artikelnummer: EB-3601L13015-1600A01PZ4
Nie mehr lieferbar
keine Alternativen
Pos.
93
BOSCH Gummibuchse | Ersatzteile für 4100XC | 2610358846
Hersteller: BOSCH
Artikelnummer: EB-3601L13015-2610358846
Netto: 3,94 € zzgl. MwSt.
zzgl. 6,90 € Versand (brutto)
einmalig pro Bestellung

Lieferzeit: 5 Werktage

Pos.
94
BOSCH Halteklammer | Ersatzteile für 4100XC | 2610996930
Hersteller: BOSCH
Artikelnummer: EB-3601L13015-2610996930
Netto: 4,53 € zzgl. MwSt.
zzgl. 6,90 € Versand (brutto)
einmalig pro Bestellung

Lieferzeit: 5 Werktage

Pos.
95
BOSCH Gehäuse | Ersatzteile für 4100XC | 2610950065
Hersteller: BOSCH
Artikelnummer: EB-3601L13015-2610950065
Nie mehr lieferbar
keine Alternativen
Pos.
96
BOSCH Schraube | Ersatzteile für 4100XC | 2610950117
Hersteller: BOSCH
Artikelnummer: EB-3601L13015-2610950117
Netto: 3,63 € zzgl. MwSt.
zzgl. 6,90 € Versand (brutto)
einmalig pro Bestellung

Lieferzeit: 5 Werktage

Pos.
97
BOSCH Kabelklemme | Ersatzteile für 4100XC | 1619PA5676
Hersteller: BOSCH
Artikelnummer: EB-3601L13015-1619PA5676
Nie mehr lieferbar
keine Alternativen
Pos.
98
BOSCH Haltefeder | Ersatzteile für 4100XC | 2610950067
Hersteller: BOSCH
Artikelnummer: EB-3601L13015-2610950067
Netto: 1,18 € zzgl. MwSt.
zzgl. 6,90 € Versand (brutto)
einmalig pro Bestellung

Lieferzeit: 5 Werktage

Pos.
99
BOSCH Mutter | Ersatzteile für 4100XC | 2610997246
Hersteller: BOSCH
Artikelnummer: EB-3601L13015-2610997246
Netto: 3,94 € zzgl. MwSt.
zzgl. 6,90 € Versand (brutto)
einmalig pro Bestellung

Lieferzeit: 5 Werktage

Pos.
100
BOSCH Ringschlüssel | Ersatzteile für 4100XC | 2610996880
Hersteller: BOSCH
Artikelnummer: EB-3601L13015-2610996880
Netto: 6,15 € zzgl. MwSt.
zzgl. 6,90 € Versand (brutto)
einmalig pro Bestellung

Lieferzeit: 5 Werktage

Pos.
101
BOSCH Spanngriff | Ersatzteile für 4100XC | 2610997247
Hersteller: BOSCH
Artikelnummer: EB-3601L13015-2610997247
Netto: 5,19 € zzgl. MwSt.
zzgl. 6,90 € Versand (brutto)
einmalig pro Bestellung

Lieferzeit: 5 Werktage

Pos.
102
BOSCH Kabelhalter | Ersatzteile für 4100XC | 1600A01PY8
Hersteller: BOSCH
Artikelnummer: EB-3601L13015-1600A01PY8
Nie mehr lieferbar
keine Alternativen
Pos.
103
BOSCH Schraube | Ersatzteile für 4100XC | 2610998574
Hersteller: BOSCH
Artikelnummer: EB-3601L13015-2610998574
Netto: 3,63 € zzgl. MwSt.
zzgl. 6,90 € Versand (brutto)
einmalig pro Bestellung

Lieferzeit: 5 Werktage

Pos.
104
BOSCH Kabelklemme | Ersatzteile für 4100XC | 2610998567
Hersteller: BOSCH
Artikelnummer: EB-3601L13015-2610998567
Netto: 3,63 € zzgl. MwSt.
zzgl. 6,90 € Versand (brutto)
einmalig pro Bestellung

Lieferzeit: 5 Werktage

Pos.
105
BOSCH Verbindungsleitung | Ersatzteile für 4100XC | 2610998568
Hersteller: BOSCH
Artikelnummer: EB-3601L13015-2610998568
Netto: 7,30 € zzgl. MwSt.
zzgl. 6,90 € Versand (brutto)
einmalig pro Bestellung

Lieferzeit: 5 Werktage

Pos.
106
BOSCH Schraube | Ersatzteile für 4100XC | 2610997297
Hersteller: BOSCH
Artikelnummer: EB-3601L13015-2610997297
Netto: 3,63 € zzgl. MwSt.
zzgl. 6,90 € Versand (brutto)
einmalig pro Bestellung

Lieferzeit: 5 Werktage

Pos.
107
BOSCH Scheibe | Ersatzteile für 4100XC | 2610910013
Hersteller: BOSCH
Artikelnummer: EB-3601L13015-2610910013
Netto: 4,32 € zzgl. MwSt.
zzgl. 6,90 € Versand (brutto)
einmalig pro Bestellung

Lieferzeit: 5 Werktage

Pos.
108
BOSCH Schraube | Ersatzteile für 4100XC | 2610950069
Hersteller: BOSCH
Artikelnummer: EB-3601L13015-2610950069
nur Informationsartikel
Nie mehr lieferbar
keine Alternativen
Pos.
109
BOSCH Lagerbuchse | Ersatzteile für 4100XC | 2610950070
Hersteller: BOSCH
Artikelnummer: EB-3601L13015-2610950070
Netto: 3,63 € zzgl. MwSt.
zzgl. 6,90 € Versand (brutto)
einmalig pro Bestellung

Lieferzeit: 5 Werktage

Pos.
110
BOSCH Schraube | Ersatzteile für 4100XC | 2610950071
Hersteller: BOSCH
Artikelnummer: EB-3601L13015-2610950071
Netto: 3,63 € zzgl. MwSt.
zzgl. 6,90 € Versand (brutto)
einmalig pro Bestellung

Lieferzeit: 5 Werktage

Pos.
111
BOSCH Schraube | Ersatzteile für 4100XC | 2610998587
Hersteller: BOSCH
Artikelnummer: EB-3601L13015-2610998587
Netto: 3,63 € zzgl. MwSt.
zzgl. 6,90 € Versand (brutto)
einmalig pro Bestellung

Lieferzeit: 5 Werktage

Pos.
112
BOSCH Haltewinkel | Ersatzteile für 4100XC | 2610996921
Hersteller: BOSCH
Artikelnummer: EB-3601L13015-2610996921
Netto: 3,94 € zzgl. MwSt.
zzgl. 6,90 € Versand (brutto)
einmalig pro Bestellung

Lieferzeit: 5 Werktage

Pos.
113
BOSCH Stift | Ersatzteile für 4100XC | 2610996913
Hersteller: BOSCH
Artikelnummer: EB-3601L13015-2610996913
Netto: 5,67 € zzgl. MwSt.
zzgl. 6,90 € Versand (brutto)
einmalig pro Bestellung

Lieferzeit: 5 Werktage

Pos.
114
BOSCH Platte | Ersatzteile für 4100XC | 2610996917
Hersteller: BOSCH
Artikelnummer: EB-3601L13015-2610996917
Netto: 3,94 € zzgl. MwSt.
zzgl. 6,90 € Versand (brutto)
einmalig pro Bestellung

Lieferzeit: 5 Werktage

Pos.
116
BOSCH Stift | Ersatzteile für 4100XC | 2610997275
Hersteller: BOSCH
Artikelnummer: EB-3601L13015-2610997275
Netto: 3,63 € zzgl. MwSt.
zzgl. 6,90 € Versand (brutto)
einmalig pro Bestellung

Lieferzeit: 5 Werktage

Pos.
117
BOSCH Stift | Ersatzteile für 4100XC | 2610997274
Hersteller: BOSCH
Artikelnummer: EB-3601L13015-2610997274
Netto: 3,63 € zzgl. MwSt.
zzgl. 6,90 € Versand (brutto)
einmalig pro Bestellung

Lieferzeit: 5 Werktage

Pos.
118
BOSCH Gewindestift | Ersatzteile für 4100XC | 2610996918
Hersteller: BOSCH
Artikelnummer: EB-3601L13015-2610996918
Netto: 4,32 € zzgl. MwSt.
zzgl. 6,90 € Versand (brutto)
einmalig pro Bestellung

Lieferzeit: 5 Werktage

Pos.
119
BOSCH Verbindungsmutter | Ersatzteile für 4100XC | 2610996920
Hersteller: BOSCH
Artikelnummer: EB-3601L13015-2610996920
Netto: 6,70 € zzgl. MwSt.
zzgl. 6,90 € Versand (brutto)
einmalig pro Bestellung

Lieferzeit: 5 Werktage

Pos.
120
BOSCH Stange | Ersatzteile für 4100XC | 1600A01PX8
Hersteller: BOSCH
Artikelnummer: EB-3601L13015-1600A01PX8
Nie mehr lieferbar
keine Alternativen
Pos.
121
BOSCH Klemmschelle | Ersatzteile für 4100XC | 2610994262
Hersteller: BOSCH
Artikelnummer: EB-3601L13015-2610994262
Netto: 4,32 € zzgl. MwSt.
zzgl. 6,90 € Versand (brutto)
einmalig pro Bestellung

Lieferzeit: 5 Werktage

Pos.
122
BOSCH Klemmstück | Ersatzteile für 4100XC | 2610996915
Hersteller: BOSCH
Artikelnummer: EB-3601L13015-2610996915
Netto: 9,95 € zzgl. MwSt.
zzgl. 6,90 € Versand (brutto)
einmalig pro Bestellung

Lieferzeit: 5 Werktage

Pos.
124
BOSCH Klemmhebel | Ersatzteile für 4100XC | 2610950073
Hersteller: BOSCH
Artikelnummer: EB-3601L13015-2610950073
Nie mehr lieferbar
keine Alternativen
Pos.
126
BOSCH Tischplatte | Ersatzteile für 4100XC | 1600A01PX7
Hersteller: BOSCH
Artikelnummer: EB-3601L13015-1600A01PX7
Nie mehr lieferbar
keine Alternativen
Pos.
127
BOSCH Gleitleiste | Ersatzteile für 4100XC | 1600A020M4
Hersteller: BOSCH
Artikelnummer: EB-3601L13015-1600A020M4
Nie mehr lieferbar
keine Alternativen
Pos.
128
BOSCH Spannfeder | Ersatzteile für 4100XC | 1600A020D9
Hersteller: BOSCH
Artikelnummer: EB-3601L13015-1600A020D9
Nie mehr lieferbar
keine Alternativen
Pos.
129
BOSCH Aufspannschiene | Ersatzteile für 4100XC | 2610950075
Hersteller: BOSCH
Artikelnummer: EB-3601L13015-2610950075
Netto: 8,33 € zzgl. MwSt.
zzgl. 6,90 € Versand (brutto)
einmalig pro Bestellung

Lieferzeit: 5 Werktage

Pos.
131
BOSCH Schraube | Ersatzteile für 4100XC | 2610951945
Hersteller: BOSCH
Artikelnummer: EB-3601L13015-2610951945
Netto: 3,63 € zzgl. MwSt.
zzgl. 6,90 € Versand (brutto)
einmalig pro Bestellung

Lieferzeit: 5 Werktage

Pos.
132
BOSCH Schraube | Ersatzteile für 4100XC | 2610950077
Hersteller: BOSCH
Artikelnummer: EB-3601L13015-2610950077
Netto: 3,63 € zzgl. MwSt.
zzgl. 6,90 € Versand (brutto)
einmalig pro Bestellung

Lieferzeit: 5 Werktage

Pos.
133
BOSCH Zeiger | Ersatzteile für 4100XC | 2610950078
Hersteller: BOSCH
Artikelnummer: EB-3601L13015-2610950078
Netto: 5,19 € zzgl. MwSt.
zzgl. 6,90 € Versand (brutto)
einmalig pro Bestellung

Lieferzeit: 5 Werktage

Pos.
134
BOSCH Schiene | Ersatzteile für 4100XC | 1600A01PX9
Hersteller: BOSCH
Artikelnummer: EB-3601L13015-1600A01PX9
Nie mehr lieferbar
keine Alternativen
Pos.
135
BOSCH Anschlag | Ersatzteile für 4100XC | 2610018276
Hersteller: BOSCH
Artikelnummer: EB-3601L13015-2610018276
Netto: 3,94 € zzgl. MwSt.
zzgl. 6,90 € Versand (brutto)
einmalig pro Bestellung

Lieferzeit: 5 Werktage

Pos.
138
BOSCH Stanzteil | Ersatzteile für 4100XC | 2610018277
Hersteller: BOSCH
Artikelnummer: EB-3601L13015-2610018277
Netto: 4,32 € zzgl. MwSt.
zzgl. 6,90 € Versand (brutto)
einmalig pro Bestellung

Lieferzeit: 5 Werktage

Pos.
141
BOSCH Abdeckkappe | Ersatzteile für 4100XC | 2610997218
Hersteller: BOSCH
Artikelnummer: EB-3601L13015-2610997218
Netto: 3,63 € zzgl. MwSt.
zzgl. 6,90 € Versand (brutto)
einmalig pro Bestellung

Lieferzeit: 5 Werktage

Pos.
142
BOSCH Schiene | Ersatzteile für 4100XC | 1600A01PY0
Hersteller: BOSCH
Artikelnummer: EB-3601L13015-1600A01PY0
Nie mehr lieferbar
keine Alternativen
Pos.
143
BOSCH Abdeckkappe | Ersatzteile für 4100XC | 2610997216
Hersteller: BOSCH
Artikelnummer: EB-3601L13015-2610997216
Netto: 3,63 € zzgl. MwSt.
zzgl. 6,90 € Versand (brutto)
einmalig pro Bestellung

Lieferzeit: 5 Werktage

Pos.
144
BOSCH Schiebetisch | Ersatzteile für 4100XC | 1600A01PY1
Hersteller: BOSCH
Artikelnummer: EB-3601L13015-1600A01PY1
Nie mehr lieferbar
keine Alternativen
Pos.
145
BOSCH Aufbauplatte | Ersatzteile für 4100XC | 2610950086
Hersteller: BOSCH
Artikelnummer: EB-3601L13015-2610950086
Netto: 6,15 € zzgl. MwSt.
zzgl. 6,90 € Versand (brutto)
einmalig pro Bestellung

Lieferzeit: 5 Werktage

Pos.
146
BOSCH Schraube | Ersatzteile für 4100XC | 2610950087
Hersteller: BOSCH
Artikelnummer: EB-3601L13015-2610950087
Netto: 3,63 € zzgl. MwSt.
zzgl. 6,90 € Versand (brutto)
einmalig pro Bestellung

Lieferzeit: 5 Werktage

Pos.
147
BOSCH Mutter | Ersatzteile für 4100XC | 2610304772
Hersteller: BOSCH
Artikelnummer: EB-3601L13015-2610304772
Netto: 3,94 € zzgl. MwSt.
zzgl. 6,90 € Versand (brutto)
einmalig pro Bestellung

Lieferzeit: 5 Werktage

Pos.
149
BOSCH Massband | Ersatzteile für 4100XC | 1600A01PY2
Hersteller: BOSCH
Artikelnummer: EB-3601L13015-1600A01PY2
Nie mehr lieferbar
keine Alternativen
Pos.
150
BOSCH Schraube | Ersatzteile für 4100XC | 2610950089
Hersteller: BOSCH
Artikelnummer: EB-3601L13015-2610950089
nur Informationsartikel
Nie mehr lieferbar
keine Alternativen
Pos.
151
BOSCH Profilschiene | Ersatzteile für 4100XC | 2610950090
Hersteller: BOSCH
Artikelnummer: EB-3601L13015-2610950090
Nie mehr lieferbar
keine Alternativen
Pos.
152
BOSCH Gewindestift | Ersatzteile für 4100XC | 2610950091
Hersteller: BOSCH
Artikelnummer: EB-3601L13015-2610950091
nur Informationsartikel
Nie mehr lieferbar
keine Alternativen
Pos.
153
BOSCH Haltefeder | Ersatzteile für 4100XC | 2610011716
Hersteller: BOSCH
Artikelnummer: EB-3601L13015-2610011716
Netto: 3,63 € zzgl. MwSt.
zzgl. 6,90 € Versand (brutto)
einmalig pro Bestellung

Lieferzeit: 5 Werktage

Pos.
154
BOSCH Schutzhaube | Ersatzteile für 4100XC | 1600A01E9F
Hersteller: BOSCH
Artikelnummer: EB-3601L13015-1600A01E9F
Nie mehr lieferbar
keine Alternativen
Pos.
157
BOSCH Schutzvorrichtung | Ersatzteile für 4100XC | 2610950093
Hersteller: BOSCH
Artikelnummer: EB-3601L13015-2610950093
Netto: 26,88 € zzgl. MwSt.
zzgl. 6,90 € Versand (brutto)
einmalig pro Bestellung

Lieferzeit: 5 Werktage

Pos.
158
BOSCH Federklammer | Ersatzteile für 4100XC | 1600A01PY3
Hersteller: BOSCH
Artikelnummer: EB-3601L13015-1600A01PY3
Nie mehr lieferbar
keine Alternativen
Pos.
169
BOSCH Griffschale | Ersatzteile für 4100XC | 2610950094
Hersteller: BOSCH
Artikelnummer: EB-3601L13015-2610950094
Netto: 7,30 € zzgl. MwSt.
zzgl. 6,90 € Versand (brutto)
einmalig pro Bestellung

Lieferzeit: 5 Werktage

Pos.
170
BOSCH Gehäuse | Ersatzteile für 4100XC | 2610950095
Hersteller: BOSCH
Artikelnummer: EB-3601L13015-2610950095
Netto: 19,18 € zzgl. MwSt.
zzgl. 6,90 € Versand (brutto)
einmalig pro Bestellung

Lieferzeit: 5 Werktage

Pos.
171
BOSCH Bolzen | Ersatzteile für 4100XC | 2610950096
Hersteller: BOSCH
Artikelnummer: EB-3601L13015-2610950096
Netto: 3,63 € zzgl. MwSt.
zzgl. 6,90 € Versand (brutto)
einmalig pro Bestellung

Lieferzeit: 5 Werktage

Pos.
172
BOSCH Bolzen | Ersatzteile für 4100XC | 2610950097
Hersteller: BOSCH
Artikelnummer: EB-3601L13015-2610950097
Netto: 4,32 € zzgl. MwSt.
zzgl. 6,90 € Versand (brutto)
einmalig pro Bestellung

Lieferzeit: 5 Werktage

Pos.
173
BOSCH Hebel | Ersatzteile für 4100XC | 2610996890
Hersteller: BOSCH
Artikelnummer: EB-3601L13015-2610996890
Netto: 3,63 € zzgl. MwSt.
zzgl. 6,90 € Versand (brutto)
einmalig pro Bestellung

Lieferzeit: 5 Werktage

Pos.
174
BOSCH Nocken | Ersatzteile für 4100XC | 2610996889
Hersteller: BOSCH
Artikelnummer: EB-3601L13015-2610996889
Netto: 10,92 € zzgl. MwSt.
zzgl. 6,90 € Versand (brutto)
einmalig pro Bestellung

Lieferzeit: 5 Werktage

Pos.
175
BOSCH Stift | Ersatzteile für 4100XC | 2610997289
Hersteller: BOSCH
Artikelnummer: EB-3601L13015-2610997289
Netto: 3,63 € zzgl. MwSt.
zzgl. 6,90 € Versand (brutto)
einmalig pro Bestellung

Lieferzeit: 5 Werktage

Pos.
176
BOSCH Klemmplatte | Ersatzteile für 4100XC | 2610950098
Hersteller: BOSCH
Artikelnummer: EB-3601L13015-2610950098
Netto: 4,53 € zzgl. MwSt.
zzgl. 6,90 € Versand (brutto)
einmalig pro Bestellung

Lieferzeit: 5 Werktage

Pos.
177
BOSCH Stift | Ersatzteile für 4100XC | 2610997291
Hersteller: BOSCH
Artikelnummer: EB-3601L13015-2610997291
Netto: 3,63 € zzgl. MwSt.
zzgl. 6,90 € Versand (brutto)
einmalig pro Bestellung

Lieferzeit: 5 Werktage

Pos.
178
BOSCH Klemmplatte | Ersatzteile für 4100XC | 2610950099
Hersteller: BOSCH
Artikelnummer: EB-3601L13015-2610950099
Nie mehr lieferbar
keine Alternativen
Pos.
179
BOSCH Ansatzschraube | Ersatzteile für 4100XC | 2610997249
Hersteller: BOSCH
Artikelnummer: EB-3601L13015-2610997249
Netto: 3,63 € zzgl. MwSt.
zzgl. 6,90 € Versand (brutto)
einmalig pro Bestellung

Lieferzeit: 5 Werktage

Pos.
180
BOSCH Polster | Ersatzteile für 4100XC | 2610950100
Hersteller: BOSCH
Artikelnummer: EB-3601L13015-2610950100
Netto: 1,18 € zzgl. MwSt.
zzgl. 6,90 € Versand (brutto)
einmalig pro Bestellung

Lieferzeit: 5 Werktage

Pos.
181
BOSCH Warnzettel | Ersatzteile für 4100XC | 2610997810
Hersteller: BOSCH
Artikelnummer: EB-3601L13015-2610997810
Nie mehr lieferbar
keine Alternativen
Pos.
182
BOSCH Polster | Ersatzteile für 4100XC | 1619PB3866
Hersteller: BOSCH
Artikelnummer: EB-3601L13015-1619PB3866
Nie mehr lieferbar
keine Alternativen
Pos.
183
BOSCH Haltearm | Ersatzteile für 4100XC | 2610950102
Hersteller: BOSCH
Artikelnummer: EB-3601L13015-2610950102
Netto: 5,67 € zzgl. MwSt.
zzgl. 6,90 € Versand (brutto)
einmalig pro Bestellung

Lieferzeit: 5 Werktage

Pos.
184
BOSCH Schraube | Ersatzteile für 4100XC | 2610950103
Hersteller: BOSCH
Artikelnummer: EB-3601L13015-2610950103
Nie mehr lieferbar
keine Alternativen
Pos.
185
BOSCH Schubstange | Ersatzteile für 4100XC | 1600A01PZ6
Hersteller: BOSCH
Artikelnummer: EB-3601L13015-1600A01PZ6
Nie mehr lieferbar
keine Alternativen
Pos.
186
BOSCH Längsanschlag | Ersatzteile für 4100XC | 2610950105
Hersteller: BOSCH
Artikelnummer: EB-3601L13015-2610950105
Netto: 0,75 € zzgl. MwSt.
zzgl. 6,90 € Versand (brutto)
einmalig pro Bestellung

Lieferzeit: 5 Werktage

Pos.
187
BOSCH Feder | Ersatzteile für 4100XC | 2610996888
Hersteller: BOSCH
Artikelnummer: EB-3601L13015-2610996888
Netto: 3,94 € zzgl. MwSt.
zzgl. 6,90 € Versand (brutto)
einmalig pro Bestellung

Lieferzeit: 5 Werktage

Pos.
188
BOSCH Parallelanschlag | Ersatzteile für 4100XC | 1600A01PZ5
Hersteller: BOSCH
Artikelnummer: EB-3601L13015-1600A01PZ5
Nie mehr lieferbar
keine Alternativen
Pos.
189
BOSCH Scheibe | Ersatzteile für 4100XC | 2610358802
Hersteller: BOSCH
Artikelnummer: EB-3601L13015-2610358802
Netto: 3,94 € zzgl. MwSt.
zzgl. 6,90 € Versand (brutto)
einmalig pro Bestellung

Lieferzeit: 5 Werktage

Pos.
190
BOSCH Längsanschlag | Ersatzteile für 4100XC | 2610950107
Hersteller: BOSCH
Artikelnummer: EB-3601L13015-2610950107
Netto: 14,36 € zzgl. MwSt.
zzgl. 6,90 € Versand (brutto)
einmalig pro Bestellung

Lieferzeit: 5 Werktage

Pos.
191
BOSCH Polster | Ersatzteile für 4100XC | 1619PB3867
Hersteller: BOSCH
Artikelnummer: EB-3601L13015-1619PB3867
Nie mehr lieferbar
keine Alternativen
Pos.
193
BOSCH Klemmplatte | Ersatzteile für 4100XC | 2610996885
Hersteller: BOSCH
Artikelnummer: EB-3601L13015-2610996885
Netto: 6,15 € zzgl. MwSt.
zzgl. 6,90 € Versand (brutto)
einmalig pro Bestellung

Lieferzeit: 5 Werktage

Pos.
194
BOSCH Klemmstück | Ersatzteile für 4100XC | 2610997240
Hersteller: BOSCH
Artikelnummer: EB-3601L13015-2610997240
Netto: 4,32 € zzgl. MwSt.
zzgl. 6,90 € Versand (brutto)
einmalig pro Bestellung

Lieferzeit: 5 Werktage

Pos.
195
BOSCH Schraube | Ersatzteile für 4100XC | 2610997293
Hersteller: BOSCH
Artikelnummer: EB-3601L13015-2610997293
Netto: 3,63 € zzgl. MwSt.
zzgl. 6,90 € Versand (brutto)
einmalig pro Bestellung

Lieferzeit: 5 Werktage

Pos.
196
BOSCH Einstellschraube | Ersatzteile für 4100XC | 1603430031
Hersteller: BOSCH
Artikelnummer: EB-3601L13015-1603430031
Netto: 4,53 € zzgl. MwSt.
zzgl. 6,90 € Versand (brutto)
einmalig pro Bestellung

Lieferzeit: 5 Werktage

Pos.
197
BOSCH Gummibuchse | Ersatzteile für 4100XC | 2610911920
Hersteller: BOSCH
Artikelnummer: EB-3601L13015-2610911920
Netto: 3,63 € zzgl. MwSt.
zzgl. 6,90 € Versand (brutto)
einmalig pro Bestellung

Lieferzeit: 5 Werktage

Pos.
198
BOSCH Innensechskantschlüssel | Ersatzteile für 4100XC | 2610998551
Hersteller: BOSCH
Artikelnummer: EB-3601L13015-2610998551
Netto: 4,53 € zzgl. MwSt.
zzgl. 6,90 € Versand (brutto)
einmalig pro Bestellung

Lieferzeit: 5 Werktage

Pos.
199
BOSCH Schraube | Ersatzteile für 4100XC | 2610998580
Hersteller: BOSCH
Artikelnummer: EB-3601L13015-2610998580
Netto: 3,63 € zzgl. MwSt.
zzgl. 6,90 € Versand (brutto)
einmalig pro Bestellung

Lieferzeit: 5 Werktage

Pos.
200
BOSCH Schraube | Ersatzteile für 4100XC | 2610950108
Hersteller: BOSCH
Artikelnummer: EB-3601L13015-2610950108
Netto: 3,63 € zzgl. MwSt.
zzgl. 6,90 € Versand (brutto)
einmalig pro Bestellung

Lieferzeit: 5 Werktage

Pos.
201
BOSCH Sicherungsring | Ersatzteile für 4100XC | 2610992380
Hersteller: BOSCH
Artikelnummer: EB-3601L13015-2610992380
Netto: 3,63 € zzgl. MwSt.
zzgl. 6,90 € Versand (brutto)
einmalig pro Bestellung

Lieferzeit: 5 Werktage

Pos.
202
BOSCH Haftetikett | Ersatzteile für 4100XC | 2610997817
Hersteller: BOSCH
Artikelnummer: EB-3601L13015-2610997817
Netto: 2,71 € zzgl. MwSt.
zzgl. 6,90 € Versand (brutto)
einmalig pro Bestellung

Lieferzeit: 5 Werktage

Pos.
203
BOSCH Steckkupplung | Ersatzteile für 4100XC | 2610358932
Hersteller: BOSCH
Artikelnummer: EB-3601L13015-2610358932
Netto: 3,94 € zzgl. MwSt.
zzgl. 6,90 € Versand (brutto)
einmalig pro Bestellung

Lieferzeit: 5 Werktage

Pos.
204
BOSCH Scheibe | Ersatzteile für 4100XC | 2610950109
Hersteller: BOSCH
Artikelnummer: EB-3601L13015-2610950109
Netto: 3,63 € zzgl. MwSt.
zzgl. 6,90 € Versand (brutto)
einmalig pro Bestellung

Lieferzeit: 5 Werktage

Pos.
205
BOSCH Profilschiene | Ersatzteile für 4100XC | 2610950110
Hersteller: BOSCH
Artikelnummer: EB-3601L13015-2610950110
Netto: 3,62 € zzgl. MwSt.
zzgl. 6,90 € Versand (brutto)
einmalig pro Bestellung

Lieferzeit: 5 Werktage

Pos.
206
BOSCH Schieber | Ersatzteile für 4100XC | 2610950111
Hersteller: BOSCH
Artikelnummer: EB-3601L13015-2610950111
Nie mehr lieferbar
keine Alternativen
Pos.
207
BOSCH Verbinder | Ersatzteile für 4100XC | 2610911933
Hersteller: BOSCH
Artikelnummer: EB-3601L13015-2610911933
Netto: 3,63 € zzgl. MwSt.
zzgl. 6,90 € Versand (brutto)
einmalig pro Bestellung

Lieferzeit: 5 Werktage

Pos.
208
BOSCH Feder | Ersatzteile für 4100XC | 2610998593
Hersteller: BOSCH
Artikelnummer: EB-3601L13015-2610998593
Netto: 3,63 € zzgl. MwSt.
zzgl. 6,90 € Versand (brutto)
einmalig pro Bestellung

Lieferzeit: 5 Werktage

Pos.
209
BOSCH Unterlegscheibe | Ersatzteile für 4100XC | 2610912588
Hersteller: BOSCH
Artikelnummer: EB-3601L13015-2610912588
Netto: 3,63 € zzgl. MwSt.
zzgl. 6,90 € Versand (brutto)
einmalig pro Bestellung

Lieferzeit: 5 Werktage

Pos.
210
BOSCH Schieber | Ersatzteile für 4100XC | 1600A01R5R
Hersteller: BOSCH
Artikelnummer: EB-3601L13015-1600A01R5R
Netto: 7,76 € zzgl. MwSt.
zzgl. 6,90 € Versand (brutto)
einmalig pro Bestellung

Lieferzeit: 5 Werktage

Pos.
212
BOSCH Gestänge | Ersatzteile für 4100XC | 2610950114
Hersteller: BOSCH
Artikelnummer: EB-3601L13015-2610950114
Netto: 0,75 € zzgl. MwSt.
zzgl. 6,90 € Versand (brutto)
einmalig pro Bestellung

Lieferzeit: 5 Werktage

Pos.
213
BOSCH Feder | Ersatzteile für 4100XC | 2610950115
Hersteller: BOSCH
Artikelnummer: EB-3601L13015-2610950115
Netto: 3,63 € zzgl. MwSt.
zzgl. 6,90 € Versand (brutto)
einmalig pro Bestellung

Lieferzeit: 5 Werktage

Pos.
219
BOSCH Scheibe | Ersatzteile für 4100XC | 2610950389
Hersteller: BOSCH
Artikelnummer: EB-3601L13015-2610950389
Netto: 3,63 € zzgl. MwSt.
zzgl. 6,90 € Versand (brutto)
einmalig pro Bestellung

Lieferzeit: 5 Werktage

Pos.
220
BOSCH Schraube | Ersatzteile für 4100XC | 2610950118
Hersteller: BOSCH
Artikelnummer: EB-3601L13015-2610950118
Netto: 3,63 € zzgl. MwSt.
zzgl. 6,90 € Versand (brutto)
einmalig pro Bestellung

Lieferzeit: 5 Werktage

Pos.
222
BOSCH Gewindestift | Ersatzteile für 4100XC | 2610950120
Hersteller: BOSCH
Artikelnummer: EB-3601L13015-2610950120
Netto: 3,63 € zzgl. MwSt.
zzgl. 6,90 € Versand (brutto)
einmalig pro Bestellung

Lieferzeit: 5 Werktage

Pos.
223
BOSCH Anschlag | Ersatzteile für 4100XC | 2610950121
Hersteller: BOSCH
Artikelnummer: EB-3601L13015-2610950121
Netto: 4,82 € zzgl. MwSt.
zzgl. 6,90 € Versand (brutto)
einmalig pro Bestellung

Lieferzeit: 5 Werktage

Pos.
227
BOSCH Profilschiene | Ersatzteile für 4100XC | 2610950125
Hersteller: BOSCH
Artikelnummer: EB-3601L13015-2610950125
Netto: 0,75 € zzgl. MwSt.
zzgl. 6,90 € Versand (brutto)
einmalig pro Bestellung

Lieferzeit: 5 Werktage

Pos.
228
BOSCH Befestigungswinkel | Ersatzteile für 4100XC | 2610950126
Hersteller: BOSCH
Artikelnummer: EB-3601L13015-2610950126
Netto: 8,33 € zzgl. MwSt.
zzgl. 6,90 € Versand (brutto)
einmalig pro Bestellung

Lieferzeit: 5 Werktage

Pos.
229
BOSCH Befestigungswinkel | Ersatzteile für 4100XC | 2610950127
Hersteller: BOSCH
Artikelnummer: EB-3601L13015-2610950127
Netto: 9,95 € zzgl. MwSt.
zzgl. 6,90 € Versand (brutto)
einmalig pro Bestellung

Lieferzeit: 5 Werktage

Pos.
230
BOSCH Frontschild | Ersatzteile für 4100XC | 1600A01PX6
Hersteller: BOSCH
Artikelnummer: EB-3601L13015-1600A01PX6
Nie mehr lieferbar
keine Alternativen
Pos.
231
BOSCH Schraube | Ersatzteile für 4100XC | 2610945488
Hersteller: BOSCH
Artikelnummer: EB-3601L13015-2610945488
Nie mehr lieferbar
keine Alternativen
Pos.
232
BOSCH Unterlegscheibe | Ersatzteile für 4100XC | 2610950129
Hersteller: BOSCH
Artikelnummer: EB-3601L13015-2610950129
Netto: 3,63 € zzgl. MwSt.
zzgl. 6,90 € Versand (brutto)
einmalig pro Bestellung

Lieferzeit: 5 Werktage

Pos.
233
BOSCH Gehäuseunterteil | Ersatzteile für 4100XC | 1600A01PZ0
Hersteller: BOSCH
Artikelnummer: EB-3601L13015-1600A01PZ0
Nie mehr lieferbar
keine Alternativen
Pos.
234
BOSCH Schraube | Ersatzteile für 4100XC | 2610950131
Hersteller: BOSCH
Artikelnummer: EB-3601L13015-2610950131
Netto: 0,75 € zzgl. MwSt.
zzgl. 6,90 € Versand (brutto)
einmalig pro Bestellung

Lieferzeit: 5 Werktage

Pos.
236
BOSCH Schraube | Ersatzteile für 4100XC | 2610950132
Hersteller: BOSCH
Artikelnummer: EB-3601L13015-2610950132
Netto: 3,63 € zzgl. MwSt.
zzgl. 6,90 € Versand (brutto)
einmalig pro Bestellung

Lieferzeit: 5 Werktage

Pos.
237
BOSCH Schraube | Ersatzteile für 4100XC | 2610950133
Hersteller: BOSCH
Artikelnummer: EB-3601L13015-2610950133
Netto: 3,63 € zzgl. MwSt.
zzgl. 6,90 € Versand (brutto)
einmalig pro Bestellung

Lieferzeit: 5 Werktage

Pos.
238
BOSCH Bolzen | Ersatzteile für 4100XC | 2610950134
Hersteller: BOSCH
Artikelnummer: EB-3601L13015-2610950134
Netto: 3,63 € zzgl. MwSt.
zzgl. 6,90 € Versand (brutto)
einmalig pro Bestellung

Lieferzeit: 5 Werktage

Pos.
239
BOSCH Scheibe | Ersatzteile für 4100XC | 2610950135
Hersteller: BOSCH
Artikelnummer: EB-3601L13015-2610950135
Netto: 3,63 € zzgl. MwSt.
zzgl. 6,90 € Versand (brutto)
einmalig pro Bestellung

Lieferzeit: 5 Werktage

Pos.
240
BOSCH Befestigungswinkel | Ersatzteile für 4100XC | 2610950136
Hersteller: BOSCH
Artikelnummer: EB-3601L13015-2610950136
Netto: 6,70 € zzgl. MwSt.
zzgl. 6,90 € Versand (brutto)
einmalig pro Bestellung

Lieferzeit: 5 Werktage

Pos.
241
BOSCH Lasche | Ersatzteile für 4100XC | 1619PB2556
Hersteller: BOSCH
Artikelnummer: EB-3601L13015-1619PB2556
Netto: 4,53 € zzgl. MwSt.
zzgl. 6,90 € Versand (brutto)
einmalig pro Bestellung

Lieferzeit: 5 Werktage

Pos.
243
BOSCH Kurvenscheibe | Ersatzteile für 4100XC | 2610950139
Hersteller: BOSCH
Artikelnummer: EB-3601L13015-2610950139
Netto: 0,75 € zzgl. MwSt.
zzgl. 6,90 € Versand (brutto)
einmalig pro Bestellung

Lieferzeit: 5 Werktage

Pos.
245
BOSCH Kabelhalter | Ersatzteile für 4100XC | 1600A01PY9
Hersteller: BOSCH
Artikelnummer: EB-3601L13015-1600A01PY9
Nie mehr lieferbar
keine Alternativen
Pos.
246
BOSCH Spaltkeil | Ersatzteile für 4100XC | 1600A01R19
Hersteller: BOSCH
Artikelnummer: EB-3601L13015-1600A01R19
Nie mehr lieferbar
keine Alternativen
Pos.
247
BOSCH Objektiv | Ersatzteile für 4100XC | 2610950143
Hersteller: BOSCH
Artikelnummer: EB-3601L13015-2610950143
Netto: 4,53 € zzgl. MwSt.
zzgl. 6,90 € Versand (brutto)
einmalig pro Bestellung

Lieferzeit: 5 Werktage

Pos.
250
BOSCH Scheibe | Ersatzteile für 4100XC | 2610950146
Hersteller: BOSCH
Artikelnummer: EB-3601L13015-2610950146
nur Informationsartikel
Nie mehr lieferbar
keine Alternativen
Pos.
251
BOSCH Schraube | Ersatzteile für 4100XC | 2610950147
Hersteller: BOSCH
Artikelnummer: EB-3601L13015-2610950147
nur Informationsartikel
Nie mehr lieferbar
keine Alternativen
Pos.
257
BOSCH Mutter | Ersatzteile für 4100XC | 2610911896
Hersteller: BOSCH
Artikelnummer: EB-3601L13015-2610911896
Netto: 3,62 € zzgl. MwSt.
zzgl. 6,90 € Versand (brutto)
einmalig pro Bestellung

Lieferzeit: 5 Werktage

Pos.
258
BOSCH Führungsgitter | Ersatzteile für 4100XC | 1600A01R17
Hersteller: BOSCH
Artikelnummer: EB-3601L13015-1600A01R17
Nie mehr lieferbar
keine Alternativen
Pos.
259
BOSCH Gehrungslineal | Ersatzteile für 4100XC | 2610950149
Hersteller: BOSCH
Artikelnummer: EB-3601L13015-2610950149
Netto: 70,50 € zzgl. MwSt.
zzgl. 6,90 € Versand (brutto)
einmalig pro Bestellung

Lieferzeit: 5 Werktage

Pos.
262
BOSCH Kapselmutter | Ersatzteile für 4100XC | 2610028342
Hersteller: BOSCH
Artikelnummer: EB-3601L13015-2610028342
Netto: 3,94 € zzgl. MwSt.
zzgl. 6,90 € Versand (brutto)
einmalig pro Bestellung

Lieferzeit: 5 Werktage

Pos.
263
BOSCH Kontaktlasche | Ersatzteile für 4100XC | 1600A00J57
Hersteller: BOSCH
Artikelnummer: EB-3601L13015-1600A00J57
nur Informationsartikel
Nie mehr lieferbar
keine Alternativen
Pos.
264
BOSCH Berührungsschutz | Ersatzteile für 4100XC | 1600A01PZ1
Hersteller: BOSCH
Artikelnummer: EB-3601L13015-1600A01PZ1
Nie mehr lieferbar
keine Alternativen
Pos.
265
BOSCH Schraube | Ersatzteile für 4100XC | 1603430081
Hersteller: BOSCH
Artikelnummer: EB-3601L13015-1603430081
Nie mehr lieferbar
keine Alternativen
Pos.
266
BOSCH Sicherungsring | Ersatzteile für 4100XC | 160015003C
Hersteller: BOSCH
Artikelnummer: EB-3601L13015-160015003C
Nie mehr lieferbar
keine Alternativen
Pos.
267
BOSCH Unterlegscheibe | Ersatzteile für 4100XC | 1600A020LW
Hersteller: BOSCH
Artikelnummer: EB-3601L13015-1600A020LW
Nie mehr lieferbar
keine Alternativen
Pos.
268
BOSCH Sechskantmutter | Ersatzteile für 4100XC | 1600A020LX
Hersteller: BOSCH
Artikelnummer: EB-3601L13015-1600A020LX
Nie mehr lieferbar
keine Alternativen
Pos.
269
BOSCH Klemme | Ersatzteile für 4100XC | 1600A01PZ2
Hersteller: BOSCH
Artikelnummer: EB-3601L13015-1600A01PZ2
Nie mehr lieferbar
keine Alternativen
Pos.
270
BOSCH Zugfeder | Ersatzteile für 4100XC | 1600A01PZ3
Hersteller: BOSCH
Artikelnummer: EB-3601L13015-1600A01PZ3
Nie mehr lieferbar
keine Alternativen
Pos.
271
BOSCH Schraube | Ersatzteile für 4100XC | 1603430082
Hersteller: BOSCH
Artikelnummer: EB-3601L13015-1603430082
Nie mehr lieferbar
keine Alternativen
Pos.
272
BOSCH Unterlegscheibe | Ersatzteile für 4100XC | 1600A01W1Y
Hersteller: BOSCH
Artikelnummer: EB-3601L13015-1600A01W1Y
Nie mehr lieferbar
keine Alternativen
Pos.
273
BOSCH Führungswinkel | Ersatzteile für 4100XC | 1600A01PZ7
Hersteller: BOSCH
Artikelnummer: EB-3601L13015-1600A01PZ7
Nie mehr lieferbar
keine Alternativen
Pos.
274
BOSCH Zweikantbolzen | Ersatzteile für 4100XC | 1600A01PZ8
Hersteller: BOSCH
Artikelnummer: EB-3601L13015-1600A01PZ8
Nie mehr lieferbar
keine Alternativen
Pos.
275
BOSCH Flügelmutter | Ersatzteile für 4100XC | 1600A01PZ9
Hersteller: BOSCH
Artikelnummer: EB-3601L13015-1600A01PZ9
Nie mehr lieferbar
keine Alternativen
Pos.
276
BOSCH Spannscheibe | Ersatzteile für 4100XC | 1600A01VV7
Hersteller: BOSCH
Artikelnummer: EB-3601L13015-1600A01VV7
Nie mehr lieferbar
keine Alternativen
Pos.
277
BOSCH Schutzblech | Ersatzteile für 4100XC | 1609203L09
Hersteller: BOSCH
Artikelnummer: EB-3601L13015-1609203L09
Netto: 9,18 € zzgl. MwSt.
zzgl. 6,90 € Versand (brutto)
einmalig pro Bestellung

Lieferzeit: 5 Werktage

Pos.
278
BOSCH Schraube | Ersatzteile für 4100XC | 2610018265
Hersteller: BOSCH
Artikelnummer: EB-3601L13015-2610018265
Netto: 3,63 € zzgl. MwSt.
zzgl. 6,90 € Versand (brutto)
einmalig pro Bestellung

Lieferzeit: 5 Werktage

Pos.
279
BOSCH Federscheibe | Ersatzteile für 4100XC | 1609902052
Hersteller: BOSCH
Artikelnummer: EB-3601L13015-1609902052
Netto: 3,63 € zzgl. MwSt.
zzgl. 6,90 € Versand (brutto)
einmalig pro Bestellung

Lieferzeit: 5 Werktage

Pos.
280
BOSCH Unterlegscheibe | Ersatzteile für 4100XC | 1609902053
Hersteller: BOSCH
Artikelnummer: EB-3601L13015-1609902053
Netto: 3,63 € zzgl. MwSt.
zzgl. 6,90 € Versand (brutto)
einmalig pro Bestellung

Lieferzeit: 5 Werktage

Pos.
281
BOSCH Hülse | Ersatzteile für 4100XC | 2610018266
Hersteller: BOSCH
Artikelnummer: EB-3601L13015-2610018266
Netto: 3,63 € zzgl. MwSt.
zzgl. 6,90 € Versand (brutto)
einmalig pro Bestellung

Lieferzeit: 5 Werktage

Pos.
282
BOSCH Federscheibe | Ersatzteile für 4100XC | 2610355325
Hersteller: BOSCH
Artikelnummer: EB-3601L13015-2610355325
Netto: 3,63 € zzgl. MwSt.
zzgl. 6,90 € Versand (brutto)
einmalig pro Bestellung

Lieferzeit: 5 Werktage

Pos.
283
BOSCH Mutter | Ersatzteile für 4100XC | 1609203L11
Hersteller: BOSCH
Artikelnummer: EB-3601L13015-1609203L11
Netto: 3,94 € zzgl. MwSt.
zzgl. 6,90 € Versand (brutto)
einmalig pro Bestellung

Lieferzeit: 5 Werktage

Pos.
303
BOSCH Scheibe | Ersatzteile für 4100XC | 1619PA8451
Hersteller: BOSCH
Artikelnummer: EB-3601L13015-1619PA8451
Netto: 3,63 € zzgl. MwSt.
zzgl. 6,90 € Versand (brutto)
einmalig pro Bestellung

Lieferzeit: 5 Werktage

Pos.
801
BOSCH Elektromotor | Ersatzteile für 4100XC | 1607000E04
Hersteller: BOSCH
Artikelnummer: EB-3601L13015-1607000E04
Nie mehr lieferbar
keine Alternativen
Pos.
808
BOSCH Typschild | Ersatzteile für 4100XC | 160111A7EB
Hersteller: BOSCH
Artikelnummer: EB-3601L13015-160111A7EB
Nie mehr lieferbar
keine Alternativen
Pos.
814
BOSCH Klemmhebel | Ersatzteile für 4100XC | 1609B06826
Hersteller: BOSCH
Artikelnummer: EB-3601L13015-1609B06826
Netto: 5,67 € zzgl. MwSt.
zzgl. 6,90 € Versand (brutto)
einmalig pro Bestellung

Lieferzeit: 5 Werktage

Pos.
880
BOSCH Handrad | Ersatzteile für 4100XC | 1619PB2533
Hersteller: BOSCH
Artikelnummer: EB-3601L13015-1619PB2533
Nie mehr lieferbar
keine Alternativen

Angaben zur Produktsicherheit

Hersteller:
Robert Bosch Power Tools GmbH
Postfach 30 02 20
70442 Stuttgart

E-Mail:
kontakt@bosch.de