BOSCH Platte | Ersatzteile für 4200 H1 | 2610346351

Artikelnummer: EB-F0154200J1-2610346351

Position: 58

Marke: BOSCH


Bitte Kompatibilität prüfen!

Bitte prüfen Sie unbedingt die 10-stellige Typennummer Ihrer Maschine / Ihres Gerätes. Das Ersatzteil ist nur kompatibel, wenn Sie die Typennummer Ihrer Maschine in der unten stehenden Produktbeschreibung finden.

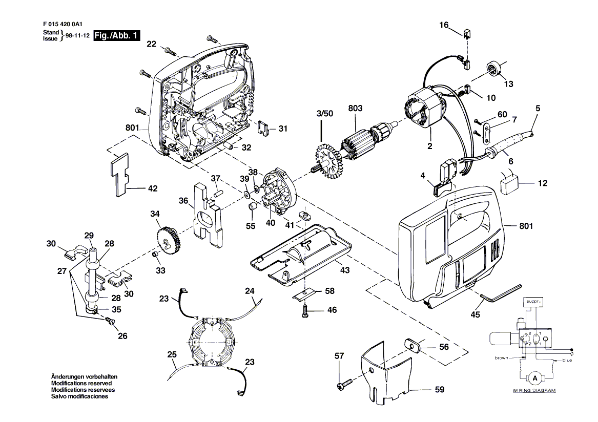
Bitte prüfen Sie ebenfalls detailliert die Explosionszeichnung mit Ihrem Artikelwunsch und der jeweiligen Pos-Nummer.

Alle Elemente, welche vom schwarzen Strich der Pos-Nummer ausgehend berührt / erfasst werden, gehören zu dieser Pos-Nummer und somit zu diesem Artikel. Jede Pos-Nummer ist ein eigenständiger Artikel, welchen Sie in der Auflistung finden.

Sie erhalten stets die aktuellste, neueste Produktversion zu der gewählten Pos-Nummer seitens des Herstellers. Es kann daher je nach Gerätealter vorkommen, dass Sie ggf. weitere, zugehörige Elemente, welche an diese Pos-Nummer grenzen, ebenfalls mittauschen müssen.

Nähere Informationen finden Sie unter dem Link
Hinweise zu Ihrer BOSCH Ersatzteilsuche

Preisübersicht

Einzelpreis: 3,94 €* (Brutto: 4,69 €)
Gesamtpreis: 3,94 €* 
Position:

Lieferzeit: 5 Werktage


Beschreibung

  • Platte
  • Original Bosch Zubehör / BOSCH Ersatzteil (2610346351)
  • im Gerät verbaut: 1
Dieses BOSCH Ersatzteil ist mit folgendem Gerät und Modell kompatibel:
  • BOSCH Gerätename: 4200 H1
  • BOSCH Explosionszeichnung: Position 58
  • BOSCH Typennummer: F0154200J1
  • BOSCH Typennummer alternative Schreibweisen: F 015 420 0J1, F015 420 0J1, F.015.420.0J1, F-015-420-0J1
    Bitte prüfen Sie diese Typennummer auf Ihrem Gerät um die Kompatibilität des BOSCH Ersatzteils zu gewährleisten.
Weitere BOSCH Ersatzteile des Gerätes 4200 H1 (Stichsäge) mit der Typennummer F0154200J1 finden Sie in der nachfolgenden Darstellung und im Dropdown zu Ihrer Auswahl:

Pos.
2
BOSCH Polschuh 230V | Ersatzteile für 4200 H1 | 2610384916
Hersteller: BOSCH
Artikelnummer: EB-F0154200J1-2610384916
nur Informationsartikel
Nie mehr lieferbar
keine Alternativen
Pos.
4
BOSCH Schalter | Ersatzteile für 4200 H1 | 2610374401
Hersteller: BOSCH
Artikelnummer: EB-F0154200J1-2610374401
nur Informationsartikel
Nie mehr lieferbar
keine Alternativen
Pos.
5
BOSCH Netzanschlussleitung GB 230V | Ersatzteile für 4200 H1 | 2610376418
Hersteller: BOSCH
Artikelnummer: EB-F0154200J1-2610376418
nur Informationsartikel
Nie mehr lieferbar
keine Alternativen
Pos.
6
BOSCH Tülle | Ersatzteile für 4200 H1 | 2610360176
Hersteller: BOSCH
Artikelnummer: EB-F0154200J1-2610360176
Netto: 3,94 € zzgl. MwSt.
zzgl. 6,90 € Versand (brutto)
einmalig pro Bestellung

Lieferzeit: 5 Werktage

Pos.
7
BOSCH Kabelschelle | Ersatzteile für 4200 H1 | 2610064973
Hersteller: BOSCH
Artikelnummer: EB-F0154200J1-2610064973
Netto: 3,94 € zzgl. MwSt.
zzgl. 6,90 € Versand (brutto)
einmalig pro Bestellung

Lieferzeit: 5 Werktage

Pos.
10
BOSCH Bürstenhalter | Ersatzteile für 4200 H1 | 2610376874
Hersteller: BOSCH
Artikelnummer: EB-F0154200J1-2610376874
nur Informationsartikel
Nie mehr lieferbar
keine Alternativen
Pos.
12
BOSCH Entstörkondensator | Ersatzteile für 4200 H1 | 2609004538
Hersteller: BOSCH
Artikelnummer: EB-F0154200J1-2609004538
Netto: 5,19 € zzgl. MwSt.
zzgl. 6,90 € Versand (brutto)
einmalig pro Bestellung

Lieferzeit: 5 Werktage

Pos.
13
BOSCH Rillenkugellager 8x22x7 | Ersatzteile für 4200 H1 | 2600905052
Hersteller: BOSCH
Artikelnummer: EB-F0154200J1-2600905052
Netto: 7,76 € zzgl. MwSt.
zzgl. 6,90 € Versand (brutto)
einmalig pro Bestellung

Lieferzeit: 5 Werktage

Pos.
16
BOSCH Buchse | Ersatzteile für 4200 H1 | 2610373315
Hersteller: BOSCH
Artikelnummer: EB-F0154200J1-2610373315
nur Informationsartikel
Nie mehr lieferbar
keine Alternativen
Pos.
22
BOSCH Schraube | Ersatzteile für 4200 H1 | 1619X00504
Hersteller: BOSCH
Artikelnummer: EB-F0154200J1-1619X00504
Netto: 3,63 € zzgl. MwSt.
zzgl. 6,90 € Versand (brutto)
einmalig pro Bestellung

Lieferzeit: 5 Werktage

Pos.
23
BOSCH Drossel GRUEN | Ersatzteile für 4200 H1 | 2610376580
Hersteller: BOSCH
Artikelnummer: EB-F0154200J1-2610376580
nur Informationsartikel
Nie mehr lieferbar
keine Alternativen
Pos.
24
BOSCH Elektr Leitung BLAU | Ersatzteile für 4200 H1 | 2610377019
Hersteller: BOSCH
Artikelnummer: EB-F0154200J1-2610377019
nur Informationsartikel
Nie mehr lieferbar
keine Alternativen
Pos.
25
BOSCH Draht BRAUN | Ersatzteile für 4200 H1 | 2610374393
Hersteller: BOSCH
Artikelnummer: EB-F0154200J1-2610374393
nur Informationsartikel
Nie mehr lieferbar
keine Alternativen
Pos.
26
BOSCH Schraube | Ersatzteile für 4200 H1 | 2610356029
Hersteller: BOSCH
Artikelnummer: EB-F0154200J1-2610356029
nur Informationsartikel
Nie mehr lieferbar
keine Alternativen
Pos.
27
BOSCH Achse | Ersatzteile für 4200 H1 | 2610374972
Hersteller: BOSCH
Artikelnummer: EB-F0154200J1-2610374972
nur Informationsartikel
Nie mehr lieferbar
keine Alternativen
Pos.
28
BOSCH Lager | Ersatzteile für 4200 H1 | 2610347566
Hersteller: BOSCH
Artikelnummer: EB-F0154200J1-2610347566
nur Informationsartikel
Nie mehr lieferbar
keine Alternativen
Pos.
29
BOSCH Stösselstange | Ersatzteile für 4200 H1 | 2610991256
Hersteller: BOSCH
Artikelnummer: EB-F0154200J1-2610991256
nur Informationsartikel
Nie mehr lieferbar
keine Alternativen
Pos.
30
BOSCH Lagerbock | Ersatzteile für 4200 H1 | 2610321605
Hersteller: BOSCH
Artikelnummer: EB-F0154200J1-2610389010
nur Informationsartikel
Nie mehr lieferbar
keine Alternativen
Pos.
31
BOSCH Deckel | Ersatzteile für 4200 H1 | 2610346349
Hersteller: BOSCH
Artikelnummer: EB-F0154200J1-2610346349
nur Informationsartikel
Nie mehr lieferbar
keine Alternativen
Pos.
32
BOSCH Rohr | Ersatzteile für 4200 H1 | 2610346359
Hersteller: BOSCH
Artikelnummer: EB-F0154200J1-2610346359
nur Informationsartikel
Nie mehr lieferbar
keine Alternativen
Pos.
33
BOSCH Hülse | Ersatzteile für 4200 H1 | 2610326529
Hersteller: BOSCH
Artikelnummer: EB-F0154200J1-2610326529
nur Informationsartikel
Nie mehr lieferbar
keine Alternativen
Pos.
34
BOSCH Zahnrad | Ersatzteile für 4200 H1 | 2610373977
Hersteller: BOSCH
Artikelnummer: EB-F0154200J1-2610373977
nur Informationsartikel
Nie mehr lieferbar
keine Alternativen
Pos.
35
BOSCH Halter | Ersatzteile für 4200 H1 | 2610352727
Hersteller: BOSCH
Artikelnummer: EB-F0154200J1-2610352727
nur Informationsartikel
Nie mehr lieferbar
keine Alternativen
Pos.
36
BOSCH Gegengewicht | Ersatzteile für 4200 H1 | 2610346330
Hersteller: BOSCH
Artikelnummer: EB-F0154200J1-2610346330
Netto: 5,67 € zzgl. MwSt.
zzgl. 6,90 € Versand (brutto)
einmalig pro Bestellung

Lieferzeit: 5 Werktage

Pos.
37
BOSCH Passstift | Ersatzteile für 4200 H1 | 2610072554
Hersteller: BOSCH
Artikelnummer: EB-F0154200J1-2610072554
nur Informationsartikel
Nie mehr lieferbar
keine Alternativen
Pos.
38
BOSCH Scheibe | Ersatzteile für 4200 H1 | 2610346386
Hersteller: BOSCH
Artikelnummer: EB-F0154200J1-2610346386
nur Informationsartikel
Nie mehr lieferbar
keine Alternativen
Pos.
39
BOSCH Scheibe | Ersatzteile für 4200 H1 | 2610326586
Hersteller: BOSCH
Artikelnummer: EB-F0154200J1-2610326586
nur Informationsartikel
Nie mehr lieferbar
keine Alternativen
Pos.
40
BOSCH Lagerdeckel | Ersatzteile für 4200 H1 | 2610346790
Hersteller: BOSCH
Artikelnummer: EB-F0154200J1-2610346790
nur Informationsartikel
Nie mehr lieferbar
keine Alternativen
Pos.
41
BOSCH Mutter | Ersatzteile für 4200 H1 | 2610346381
Hersteller: BOSCH
Artikelnummer: EB-F0154200J1-2610346381
nur Informationsartikel
Nie mehr lieferbar
keine Alternativen
Pos.
42
BOSCH Filzdichtung | Ersatzteile für 4200 H1 | 2610373995
Hersteller: BOSCH
Artikelnummer: EB-F0154200J1-2610373995
nur Informationsartikel
Nie mehr lieferbar
keine Alternativen
Pos.
45
BOSCH Innensechskantschlüssel 1/8" | Ersatzteile für 4200 H1 | 2610001643
Hersteller: BOSCH
Artikelnummer: EB-F0154200J1-2610001643
nur Informationsartikel
Nie mehr lieferbar
keine Alternativen
Pos.
46
BOSCH Schraube | Ersatzteile für 4200 H1 | 2610346374
Hersteller: BOSCH
Artikelnummer: EB-F0154200J1-2610346374
nur Informationsartikel
Nie mehr lieferbar
keine Alternativen
Pos.
53
BOSCH Fuss | Ersatzteile für 4200 H1 | 2610908799
Hersteller: BOSCH
Artikelnummer: EB-F0154200J1-2610908799
Netto: 6,69 € zzgl. MwSt.
zzgl. 6,90 € Versand (brutto)
einmalig pro Bestellung

Lieferzeit: 5 Werktage

Pos.
55
BOSCH Lager | Ersatzteile für 4200 H1 | 2610346372
Hersteller: BOSCH
Artikelnummer: EB-F0154200J1-2610346372
nur Informationsartikel
Nie mehr lieferbar
keine Alternativen
Pos.
57
BOSCH Schraube | Ersatzteile für 4200 H1 | 2610346375
Hersteller: BOSCH
Artikelnummer: EB-F0154200J1-2610346375
nur Informationsartikel
Nie mehr lieferbar
keine Alternativen
Pos.
58
BOSCH Platte | Ersatzteile für 4200 H1 | 2610346351
Hersteller: BOSCH
Artikelnummer: EB-F0154200J1-2610346351
Netto: 3,94 € zzgl. MwSt.
zzgl. 6,90 € Versand (brutto)
einmalig pro Bestellung

Lieferzeit: 5 Werktage

Pos.
59
BOSCH Schutz | Ersatzteile für 4200 H1 | 2610383194
Hersteller: BOSCH
Artikelnummer: EB-F0154200J1-2610383194
nur Informationsartikel
Nie mehr lieferbar
keine Alternativen
Pos.
60
BOSCH Torx-Linsenschraube 8x13 | Ersatzteile für 4200 H1 | 2610374913
Hersteller: BOSCH
Artikelnummer: EB-F0154200J1-2610374913
Netto: 3,94 € zzgl. MwSt.
zzgl. 6,90 € Versand (brutto)
einmalig pro Bestellung

Lieferzeit: 5 Werktage

Pos.
801
BOSCH Gehäuse | Ersatzteile für 4200 H1 | 2610374865
Hersteller: BOSCH
Artikelnummer: EB-F0154200J1-2610374865
nur Informationsartikel
Nie mehr lieferbar
keine Alternativen
Pos.
803
BOSCH Anker 240V | Ersatzteile für 4200 H1 | 2610373890
Hersteller: BOSCH
Artikelnummer: EB-F0154200J1-2610373890
nur Informationsartikel
Nie mehr lieferbar
keine Alternativen

Angaben zur Produktsicherheit

Hersteller:
Robert Bosch Power Tools GmbH
Postfach 30 02 20
70442 Stuttgart

E-Mail:
kontakt@bosch.de