BOSCH Klemmplatte | Ersatzteile für 4212 | 2610915749

Artikelnummer: EB-060166F222-2610915749

Position: 7

Marke: BOSCH


Bitte Kompatibilität prüfen!

Bitte prüfen Sie unbedingt die 10-stellige Typennummer Ihrer Maschine / Ihres Gerätes. Das Ersatzteil ist nur kompatibel, wenn Sie die Typennummer Ihrer Maschine in der unten stehenden Produktbeschreibung finden.

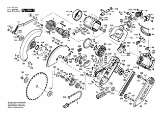
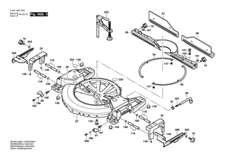
Bitte prüfen Sie ebenfalls detailliert die Explosionszeichnung mit Ihrem Artikelwunsch und der jeweiligen Pos-Nummer.

Alle Elemente, welche vom schwarzen Strich der Pos-Nummer ausgehend berührt / erfasst werden, gehören zu dieser Pos-Nummer und somit zu diesem Artikel. Jede Pos-Nummer ist ein eigenständiger Artikel, welchen Sie in der Auflistung finden.

Sie erhalten stets die aktuellste, neueste Produktversion zu der gewählten Pos-Nummer seitens des Herstellers. Es kann daher je nach Gerätealter vorkommen, dass Sie ggf. weitere, zugehörige Elemente, welche an diese Pos-Nummer grenzen, ebenfalls mittauschen müssen.

Nähere Informationen finden Sie unter dem Link
Hinweise zu Ihrer BOSCH Ersatzteilsuche

Preisübersicht

Einzelpreis: 3,94 €* (Brutto: 4,69 €)
Gesamtpreis: 3,94 €* 
Position:

Lieferzeit: 5 Werktage


Beschreibung

  • Klemmplatte
  • Original Bosch Zubehör / BOSCH Ersatzteil (2610915749)
  • im Gerät verbaut: 1
Dieses BOSCH Ersatzteil ist mit folgendem Gerät und Modell kompatibel:
  • BOSCH Gerätename: 4212
  • BOSCH Explosionszeichnung: Position 7
  • BOSCH Typennummer: 060166F222
  • BOSCH Typennummer alternative Schreibweisen: 0 601 66F 222, 0601 66F 222, 0.601.66F.222, 0-601-66F-222
    Bitte prüfen Sie diese Typennummer auf Ihrem Gerät um die Kompatibilität des BOSCH Ersatzteils zu gewährleisten.
Weitere BOSCH Ersatzteile des Gerätes 4212 (.) mit der Typennummer 060166F222 finden Sie in der nachfolgenden Darstellung und im Dropdown zu Ihrer Auswahl:

Pos.
1
BOSCH Motorgehäuse | Ersatzteile für 4212 | 2610915750
Hersteller: BOSCH
Artikelnummer: EB-060166F222-2610915750
Netto: 39,11 € zzgl. MwSt.
zzgl. 6,90 € Versand (brutto)
einmalig pro Bestellung

Lieferzeit: 5 Werktage

Pos.
2
BOSCH Polschuh 115V | Ersatzteile für 4212 | 2610923313
Hersteller: BOSCH
Artikelnummer: EB-060166F222-2610923313
nur Informationsartikel
Nie mehr lieferbar
keine Alternativen
Pos.
3
BOSCH Anker 115V | Ersatzteile für 4212 | 2610915752
Hersteller: BOSCH
Artikelnummer: EB-060166F222-2610915752
Netto: 106,72 € zzgl. MwSt.
zzgl. 6,90 € Versand (brutto)
einmalig pro Bestellung

Lieferzeit: 5 Werktage

Pos.
4
BOSCH Schalter | Ersatzteile für 4212 | 2610950336
Hersteller: BOSCH
Artikelnummer: EB-060166F222-2610950336
Netto: 15,75 € zzgl. MwSt.
zzgl. 6,90 € Versand (brutto)
einmalig pro Bestellung

Lieferzeit: 5 Werktage

Pos.
5
BOSCH Netzkabel | Ersatzteile für 4212 | 2610923314
Hersteller: BOSCH
Artikelnummer: EB-060166F222-2610923314
nur Informationsartikel
Nie mehr lieferbar
keine Alternativen
Pos.
7
BOSCH Klemmplatte | Ersatzteile für 4212 | 2610915749
Hersteller: BOSCH
Artikelnummer: EB-060166F222-2610915749
Netto: 3,94 € zzgl. MwSt.
zzgl. 6,90 € Versand (brutto)
einmalig pro Bestellung

Lieferzeit: 5 Werktage

Pos.
8
BOSCH Typschild | Ersatzteile für 4212 | 2610957218
Hersteller: BOSCH
Artikelnummer: EB-060166F222-2610957218
nur Informationsartikel
Nie mehr lieferbar
keine Alternativen
Pos.
10
BOSCH Kohlebürstensatz | Ersatzteile für 4212 | 2610997207
Hersteller: BOSCH
Artikelnummer: EB-060166F222-2610997207
nur Informationsartikel
Nie mehr lieferbar
keine Alternativen
Pos.
13
BOSCH Kugellager | Ersatzteile für 4212 | 2610911928
Hersteller: BOSCH
Artikelnummer: EB-060166F222-2610911928
Netto: 10,92 € zzgl. MwSt.
zzgl. 6,90 € Versand (brutto)
einmalig pro Bestellung

Lieferzeit: 5 Werktage

Pos.
14
BOSCH Kugellager | Ersatzteile für 4212 | 2610911927
Hersteller: BOSCH
Artikelnummer: EB-060166F222-2610911927
Netto: 21,16 € zzgl. MwSt.
zzgl. 6,90 € Versand (brutto)
einmalig pro Bestellung

Lieferzeit: 5 Werktage

Pos.
16
BOSCH Bürstenhalter | Ersatzteile für 4212 | 2610915761
Hersteller: BOSCH
Artikelnummer: EB-060166F222-2610915761
nur Informationsartikel
Nie mehr lieferbar
keine Alternativen
Pos.
20
BOSCH Warnzettel | Ersatzteile für 4212 | 2610920805
Hersteller: BOSCH
Artikelnummer: EB-060166F222-2610920805
nur Informationsartikel
Nie mehr lieferbar
keine Alternativen
Pos.
22
BOSCH Sockel | Ersatzteile für 4212 | 2610920813
Hersteller: BOSCH
Artikelnummer: EB-060166F222-2610920813
nur Informationsartikel
Nie mehr lieferbar
keine Alternativen
Pos.
23
BOSCH Ergänzungsgestell | Ersatzteile für 4212 | 2610919261
Hersteller: BOSCH
Artikelnummer: EB-060166F222-2610919261
Netto: 21,16 € zzgl. MwSt.
zzgl. 6,90 € Versand (brutto)
einmalig pro Bestellung

Lieferzeit: 5 Werktage

Pos.
24
BOSCH Ergänzungsgestell | Ersatzteile für 4212 | 2610919262
Hersteller: BOSCH
Artikelnummer: EB-060166F222-2610919262
Netto: 26,88 € zzgl. MwSt.
zzgl. 6,90 € Versand (brutto)
einmalig pro Bestellung

Lieferzeit: 5 Werktage

Pos.
25
BOSCH Tisch | Ersatzteile für 4212 | 2610920814
Hersteller: BOSCH
Artikelnummer: EB-060166F222-2610920814
nur Informationsartikel
Nie mehr lieferbar
keine Alternativen
Pos.
26
BOSCH Anschlag | Ersatzteile für 4212 | 2610920816
Hersteller: BOSCH
Artikelnummer: EB-060166F222-2610920816
nur Informationsartikel
Nie mehr lieferbar
keine Alternativen
Pos.
27
BOSCH Parallelanschlag | Ersatzteile für 4212 | 2610915768
Hersteller: BOSCH
Artikelnummer: EB-060166F222-2610915768
Netto: 28,93 € zzgl. MwSt.
zzgl. 6,90 € Versand (brutto)
einmalig pro Bestellung

Lieferzeit: 5 Werktage

Pos.
28
BOSCH Parallelanschlag | Ersatzteile für 4212 | 2610915769
Hersteller: BOSCH
Artikelnummer: EB-060166F222-2610915769
Netto: 29,45 € zzgl. MwSt.
zzgl. 6,90 € Versand (brutto)
einmalig pro Bestellung

Lieferzeit: 5 Werktage

Pos.
29
BOSCH Zapfen | Ersatzteile für 4212 | 2610920818
Hersteller: BOSCH
Artikelnummer: EB-060166F222-2610920818
nur Informationsartikel
Nie mehr lieferbar
keine Alternativen
Pos.
34
BOSCH Gehäuseoberteil | Ersatzteile für 4212 | 2610920815
Hersteller: BOSCH
Artikelnummer: EB-060166F222-2610920815
nur Informationsartikel
Nie mehr lieferbar
keine Alternativen
Pos.
35
BOSCH Schutzprofil | Ersatzteile für 4212 | 2610920817
Hersteller: BOSCH
Artikelnummer: EB-060166F222-2610920817
nur Informationsartikel
Nie mehr lieferbar
keine Alternativen
Pos.
36
BOSCH Zwischenlage | Ersatzteile für 4212 | 2610915731
Hersteller: BOSCH
Artikelnummer: EB-060166F222-2610915731
Netto: 29,45 € zzgl. MwSt.
zzgl. 6,90 € Versand (brutto)
einmalig pro Bestellung

Lieferzeit: 5 Werktage

Pos.
37
BOSCH Gehäusedeckel | Ersatzteile für 4212 | 2610915732
Hersteller: BOSCH
Artikelnummer: EB-060166F222-2610915732
Netto: 9,18 € zzgl. MwSt.
zzgl. 6,90 € Versand (brutto)
einmalig pro Bestellung

Lieferzeit: 5 Werktage

Pos.
38
BOSCH Bandabdeckung | Ersatzteile für 4212 | 2610920820
Hersteller: BOSCH
Artikelnummer: EB-060166F222-2610920820
nur Informationsartikel
Nie mehr lieferbar
keine Alternativen
Pos.
39
BOSCH Griffschale | Ersatzteile für 4212 | 2610915734
Hersteller: BOSCH
Artikelnummer: EB-060166F222-2610915734
Netto: 12,98 € zzgl. MwSt.
zzgl. 6,90 € Versand (brutto)
einmalig pro Bestellung

Lieferzeit: 5 Werktage

Pos.
40
BOSCH Lagerbock | Ersatzteile für 4212 | 2610915735
Hersteller: BOSCH
Artikelnummer: EB-060166F222-2610915735
nur Informationsartikel
Nie mehr lieferbar
keine Alternativen
Pos.
41
BOSCH Lagerbock | Ersatzteile für 4212 | 2610915736
Hersteller: BOSCH
Artikelnummer: EB-060166F222-2610915736
Netto: 11,92 € zzgl. MwSt.
zzgl. 6,90 € Versand (brutto)
einmalig pro Bestellung

Lieferzeit: 5 Werktage

Pos.
42
BOSCH Lagerbock | Ersatzteile für 4212 | 2610915737
Hersteller: BOSCH
Artikelnummer: EB-060166F222-2610915737
Netto: 15,75 € zzgl. MwSt.
zzgl. 6,90 € Versand (brutto)
einmalig pro Bestellung

Lieferzeit: 5 Werktage

Pos.
43
BOSCH Lagerbock | Ersatzteile für 4212 | 2610915738
Hersteller: BOSCH
Artikelnummer: EB-060166F222-2610915738
Netto: 15,75 € zzgl. MwSt.
zzgl. 6,90 € Versand (brutto)
einmalig pro Bestellung

Lieferzeit: 5 Werktage

Pos.
44
BOSCH Auslöser | Ersatzteile für 4212 | 2610915739
Hersteller: BOSCH
Artikelnummer: EB-060166F222-2610915739
Netto: 6,70 € zzgl. MwSt.
zzgl. 6,90 € Versand (brutto)
einmalig pro Bestellung

Lieferzeit: 5 Werktage

Pos.
45
BOSCH Taste | Ersatzteile für 4212 | 2610915740
Hersteller: BOSCH
Artikelnummer: EB-060166F222-2610915740
Netto: 6,15 € zzgl. MwSt.
zzgl. 6,90 € Versand (brutto)
einmalig pro Bestellung

Lieferzeit: 5 Werktage

Pos.
46
BOSCH Taste | Ersatzteile für 4212 | 2610915741
Hersteller: BOSCH
Artikelnummer: EB-060166F222-2610915741
Netto: 6,15 € zzgl. MwSt.
zzgl. 6,90 € Versand (brutto)
einmalig pro Bestellung

Lieferzeit: 5 Werktage

Pos.
47
BOSCH Gelenkteil | Ersatzteile für 4212 | 2610915742
Hersteller: BOSCH
Artikelnummer: EB-060166F222-2610915742
Netto: 5,67 € zzgl. MwSt.
zzgl. 6,90 € Versand (brutto)
einmalig pro Bestellung

Lieferzeit: 5 Werktage

Pos.
48
BOSCH Anzeigegerät | Ersatzteile für 4212 | 2610920830
Hersteller: BOSCH
Artikelnummer: EB-060166F222-2610920830
nur Informationsartikel
Nie mehr lieferbar
keine Alternativen
Pos.
49
BOSCH Auslösehebel | Ersatzteile für 4212 | 2610915744
Hersteller: BOSCH
Artikelnummer: EB-060166F222-2610915744
Netto: 8,33 € zzgl. MwSt.
zzgl. 6,90 € Versand (brutto)
einmalig pro Bestellung

Lieferzeit: 5 Werktage

Pos.
50
BOSCH Klauenring | Ersatzteile für 4212 | 2610915745
Hersteller: BOSCH
Artikelnummer: EB-060166F222-2610915745
Netto: 9,18 € zzgl. MwSt.
zzgl. 6,90 € Versand (brutto)
einmalig pro Bestellung

Lieferzeit: 5 Werktage

Pos.
51
BOSCH Klauenring | Ersatzteile für 4212 | 2610915746
Hersteller: BOSCH
Artikelnummer: EB-060166F222-2610915746
Netto: 9,18 € zzgl. MwSt.
zzgl. 6,90 € Versand (brutto)
einmalig pro Bestellung

Lieferzeit: 5 Werktage

Pos.
52
BOSCH Klinke | Ersatzteile für 4212 | 2610915747
Hersteller: BOSCH
Artikelnummer: EB-060166F222-2610915747
Netto: 6,69 € zzgl. MwSt.
zzgl. 6,90 € Versand (brutto)
einmalig pro Bestellung

Lieferzeit: 5 Werktage

Pos.
53
BOSCH Klinke | Ersatzteile für 4212 | 2610915748
Hersteller: BOSCH
Artikelnummer: EB-060166F222-2610915748
Netto: 6,15 € zzgl. MwSt.
zzgl. 6,90 € Versand (brutto)
einmalig pro Bestellung

Lieferzeit: 5 Werktage

Pos.
54
BOSCH Drehfeder | Ersatzteile für 4212 | 2610949175
Hersteller: BOSCH
Artikelnummer: EB-060166F222-2610949175
Netto: 5,67 € zzgl. MwSt.
zzgl. 6,90 € Versand (brutto)
einmalig pro Bestellung

Lieferzeit: 5 Werktage

Pos.
55
BOSCH Teller | Ersatzteile für 4212 | 2610915704
Hersteller: BOSCH
Artikelnummer: EB-060166F222-2610915704
Netto: 5,67 € zzgl. MwSt.
zzgl. 6,90 € Versand (brutto)
einmalig pro Bestellung

Lieferzeit: 5 Werktage

Pos.
56
BOSCH Einlage | Ersatzteile für 4212 | 2610920825
Hersteller: BOSCH
Artikelnummer: EB-060166F222-2610920825
nur Informationsartikel
Nie mehr lieferbar
keine Alternativen
Pos.
57
BOSCH Knopf | Ersatzteile für 4212 | 2610920821
Hersteller: BOSCH
Artikelnummer: EB-060166F222-2610920821
nur Informationsartikel
Nie mehr lieferbar
keine Alternativen
Pos.
58
BOSCH Gestänge | Ersatzteile für 4212 | 2610920832
Hersteller: BOSCH
Artikelnummer: EB-060166F222-2610920832
nur Informationsartikel
Nie mehr lieferbar
keine Alternativen
Pos.
59
BOSCH Aufnahme | Ersatzteile für 4212 | 2610915708
Hersteller: BOSCH
Artikelnummer: EB-060166F222-2610915708
Netto: 7,30 € zzgl. MwSt.
zzgl. 6,90 € Versand (brutto)
einmalig pro Bestellung

Lieferzeit: 5 Werktage

Pos.
61
BOSCH Abdeckkappe | Ersatzteile für 4212 | 2610915710
Hersteller: BOSCH
Artikelnummer: EB-060166F222-2610915710
Netto: 4,32 € zzgl. MwSt.
zzgl. 6,90 € Versand (brutto)
einmalig pro Bestellung

Lieferzeit: 5 Werktage

Pos.
62
BOSCH Hebel | Ersatzteile für 4212 | 2610915711
Hersteller: BOSCH
Artikelnummer: EB-060166F222-2610915711
Netto: 9,95 € zzgl. MwSt.
zzgl. 6,90 € Versand (brutto)
einmalig pro Bestellung

Lieferzeit: 5 Werktage

Pos.
63
BOSCH Stützwinkel | Ersatzteile für 4212 | 2610920836
Hersteller: BOSCH
Artikelnummer: EB-060166F222-2610920836
nur Informationsartikel
Nie mehr lieferbar
keine Alternativen
Pos.
64
BOSCH Kurvenscheibe | Ersatzteile für 4212 | 2610919270
Hersteller: BOSCH
Artikelnummer: EB-060166F222-2610919270
Netto: 3,63 € zzgl. MwSt.
zzgl. 6,90 € Versand (brutto)
einmalig pro Bestellung

Lieferzeit: 5 Werktage

Pos.
65
BOSCH Knopf | Ersatzteile für 4212 | 2610915714
Hersteller: BOSCH
Artikelnummer: EB-060166F222-2610915714
nur Informationsartikel
Nie mehr lieferbar
keine Alternativen
Pos.
66
BOSCH Haltearm | Ersatzteile für 4212 | 2610915715
Hersteller: BOSCH
Artikelnummer: EB-060166F222-2610915715
Netto: 3,94 € zzgl. MwSt.
zzgl. 6,90 € Versand (brutto)
einmalig pro Bestellung

Lieferzeit: 5 Werktage

Pos.
68
BOSCH Haltearm | Ersatzteile für 4212 | 2610915717
Hersteller: BOSCH
Artikelnummer: EB-060166F222-2610915717
Netto: 3,63 € zzgl. MwSt.
zzgl. 6,90 € Versand (brutto)
einmalig pro Bestellung

Lieferzeit: 5 Werktage

Pos.
69
BOSCH Radschutz | Ersatzteile für 4212 | 2610927692
Hersteller: BOSCH
Artikelnummer: EB-060166F222-2610927692
Netto: 20,55 € zzgl. MwSt.
zzgl. 6,90 € Versand (brutto)
einmalig pro Bestellung

Lieferzeit: 5 Werktage

Pos.
70
BOSCH Lagerplatte | Ersatzteile für 4212 | 2610923330
Hersteller: BOSCH
Artikelnummer: EB-060166F222-2610923330
nur Informationsartikel
Nie mehr lieferbar
keine Alternativen
Pos.
71
BOSCH Gelenkteil | Ersatzteile für 4212 | 2610920833
Hersteller: BOSCH
Artikelnummer: EB-060166F222-2610920833
nur Informationsartikel
Nie mehr lieferbar
keine Alternativen
Pos.
72
BOSCH Hebel | Ersatzteile für 4212 | 2610920823
Hersteller: BOSCH
Artikelnummer: EB-060166F222-2610920823
nur Informationsartikel
Nie mehr lieferbar
keine Alternativen
Pos.
73
BOSCH Prallschutz | Ersatzteile für 4212 | 2610915722
Hersteller: BOSCH
Artikelnummer: EB-060166F222-2610915722
Netto: 4,82 € zzgl. MwSt.
zzgl. 6,90 € Versand (brutto)
einmalig pro Bestellung

Lieferzeit: 5 Werktage

Pos.
74
BOSCH Stange | Ersatzteile für 4212 | 2610923315
Hersteller: BOSCH
Artikelnummer: EB-060166F222-2610923315
nur Informationsartikel
Nie mehr lieferbar
keine Alternativen
Pos.
75
BOSCH Laufrolle | Ersatzteile für 4212 | 2610915724
Hersteller: BOSCH
Artikelnummer: EB-060166F222-2610915724
Netto: 4,32 € zzgl. MwSt.
zzgl. 6,90 € Versand (brutto)
einmalig pro Bestellung

Lieferzeit: 5 Werktage

Pos.
76
BOSCH Hubring | Ersatzteile für 4212 | 2610919271
Hersteller: BOSCH
Artikelnummer: EB-060166F222-2610919271
Netto: 7,76 € zzgl. MwSt.
zzgl. 6,90 € Versand (brutto)
einmalig pro Bestellung

Lieferzeit: 5 Werktage

Pos.
79
BOSCH Knopf | Ersatzteile für 4212 | 2610915687
Hersteller: BOSCH
Artikelnummer: EB-060166F222-2610915687
Netto: 7,30 € zzgl. MwSt.
zzgl. 6,90 € Versand (brutto)
einmalig pro Bestellung

Lieferzeit: 5 Werktage

Pos.
80
BOSCH Verschlusshebel | Ersatzteile für 4212 | 2610915688
Hersteller: BOSCH
Artikelnummer: EB-060166F222-2610915688
nur Informationsartikel
Nie mehr lieferbar
keine Alternativen
Pos.
81
BOSCH Verschlusshebel | Ersatzteile für 4212 | 2610915689
Hersteller: BOSCH
Artikelnummer: EB-060166F222-2610915689
Netto: 7,76 € zzgl. MwSt.
zzgl. 6,90 € Versand (brutto)
einmalig pro Bestellung

Lieferzeit: 5 Werktage

Pos.
83
BOSCH Abdeckkappe | Ersatzteile für 4212 | 2610923316
Hersteller: BOSCH
Artikelnummer: EB-060166F222-2610923316
nur Informationsartikel
Nie mehr lieferbar
keine Alternativen
Pos.
84
BOSCH Anzeigegerät | Ersatzteile für 4212 | 2610920829
Hersteller: BOSCH
Artikelnummer: EB-060166F222-2610920829
nur Informationsartikel
Nie mehr lieferbar
keine Alternativen
Pos.
85
BOSCH Anzeigegerät | Ersatzteile für 4212 | 2610920827
Hersteller: BOSCH
Artikelnummer: EB-060166F222-2610920827
nur Informationsartikel
Nie mehr lieferbar
keine Alternativen
Pos.
88
BOSCH Skale | Ersatzteile für 4212 | 2610915696
Hersteller: BOSCH
Artikelnummer: EB-060166F222-2610915696
Netto: 3,63 € zzgl. MwSt.
zzgl. 6,90 € Versand (brutto)
einmalig pro Bestellung

Lieferzeit: 5 Werktage

Pos.
89
BOSCH Block | Ersatzteile für 4212 | 2610920843
Hersteller: BOSCH
Artikelnummer: EB-060166F222-2610920843
nur Informationsartikel
Nie mehr lieferbar
keine Alternativen
Pos.
90
BOSCH Steckschlüsseleinsatz | Ersatzteile für 4212 | 2610915698
Hersteller: BOSCH
Artikelnummer: EB-060166F222-2610915698
Netto: 7,76 € zzgl. MwSt.
zzgl. 6,90 € Versand (brutto)
einmalig pro Bestellung

Lieferzeit: 5 Werktage

Pos.
91
BOSCH Gummibuchse | Ersatzteile für 4212 | 2610915699
Hersteller: BOSCH
Artikelnummer: EB-060166F222-2610915699
Netto: 7,76 € zzgl. MwSt.
zzgl. 6,90 € Versand (brutto)
einmalig pro Bestellung

Lieferzeit: 5 Werktage

Pos.
92
BOSCH Lagerlasche | Ersatzteile für 4212 | 2610915700
Hersteller: BOSCH
Artikelnummer: EB-060166F222-2610915700
Netto: 3,94 € zzgl. MwSt.
zzgl. 6,90 € Versand (brutto)
einmalig pro Bestellung

Lieferzeit: 5 Werktage

Pos.
93
BOSCH Rückhalteblech | Ersatzteile für 4212 | 2610915701
Hersteller: BOSCH
Artikelnummer: EB-060166F222-2610915701
Netto: 5,19 € zzgl. MwSt.
zzgl. 6,90 € Versand (brutto)
einmalig pro Bestellung

Lieferzeit: 5 Werktage

Pos.
94
BOSCH Getriebedeckel | Ersatzteile für 4212 | 2610915702
Hersteller: BOSCH
Artikelnummer: EB-060166F222-2610915702
Netto: 17,38 € zzgl. MwSt.
zzgl. 6,90 € Versand (brutto)
einmalig pro Bestellung

Lieferzeit: 5 Werktage

Pos.
95
BOSCH Aufnahmering | Ersatzteile für 4212 | 2610923331
Hersteller: BOSCH
Artikelnummer: EB-060166F222-2610923331
nur Informationsartikel
Nie mehr lieferbar
keine Alternativen
Pos.
97
BOSCH Führungsbügel | Ersatzteile für 4212 | 2610916459
Hersteller: BOSCH
Artikelnummer: EB-060166F222-2610916459
nur Informationsartikel
Nie mehr lieferbar
keine Alternativen
Pos.
98
BOSCH Durchführung | Ersatzteile für 4212 | 2610916460
Hersteller: BOSCH
Artikelnummer: EB-060166F222-2610916460
Netto: 3,63 € zzgl. MwSt.
zzgl. 6,90 € Versand (brutto)
einmalig pro Bestellung

Lieferzeit: 5 Werktage

Pos.
100
BOSCH Rastbolzen | Ersatzteile für 4212 | 2610916462
Hersteller: BOSCH
Artikelnummer: EB-060166F222-2610916462
Netto: 4,76 € zzgl. MwSt.
zzgl. 6,90 € Versand (brutto)
einmalig pro Bestellung

Lieferzeit: 5 Werktage

Pos.
102
BOSCH Welle | Ersatzteile für 4212 | 2610015444
Hersteller: BOSCH
Artikelnummer: EB-060166F222-2610015444
nur Informationsartikel
Nie mehr lieferbar
keine Alternativen
Pos.
103
BOSCH Rastbolzen | Ersatzteile für 4212 | 2610915759
Hersteller: BOSCH
Artikelnummer: EB-060166F222-2610915759
Netto: 5,67 € zzgl. MwSt.
zzgl. 6,90 € Versand (brutto)
einmalig pro Bestellung

Lieferzeit: 5 Werktage

Pos.
107
BOSCH Drehfeder | Ersatzteile für 4212 | 2610923317
Hersteller: BOSCH
Artikelnummer: EB-060166F222-2610923317
nur Informationsartikel
Nie mehr lieferbar
keine Alternativen
Pos.
108
BOSCH Manschette | Ersatzteile für 4212 | 2610916795
Hersteller: BOSCH
Artikelnummer: EB-060166F222-2610916795
Netto: 4,53 € zzgl. MwSt.
zzgl. 6,90 € Versand (brutto)
einmalig pro Bestellung

Lieferzeit: 5 Werktage

Pos.
109
BOSCH Welle | Ersatzteile für 4212 | 2610916796
Hersteller: BOSCH
Artikelnummer: EB-060166F222-2610916796
Netto: 7,30 € zzgl. MwSt.
zzgl. 6,90 € Versand (brutto)
einmalig pro Bestellung

Lieferzeit: 5 Werktage

Pos.
110
BOSCH Rastbolzen | Ersatzteile für 4212 | 2610946555
Hersteller: BOSCH
Artikelnummer: EB-060166F222-2610946555
nur Informationsartikel
Nie mehr lieferbar
keine Alternativen
Pos.
111
BOSCH Zahnrad | Ersatzteile für 4212 | 2610916798
Hersteller: BOSCH
Artikelnummer: EB-060166F222-2610916798
Netto: 21,16 € zzgl. MwSt.
zzgl. 6,90 € Versand (brutto)
einmalig pro Bestellung

Lieferzeit: 5 Werktage

Pos.
112
BOSCH Spindel | Ersatzteile für 4212 | 2610935017
Hersteller: BOSCH
Artikelnummer: EB-060166F222-2610935017
Netto: 18,86 € zzgl. MwSt.
zzgl. 6,90 € Versand (brutto)
einmalig pro Bestellung

Lieferzeit: 5 Werktage

Pos.
113
BOSCH Etikett | Ersatzteile für 4212 | 2610915878
Hersteller: BOSCH
Artikelnummer: EB-060166F222-2610915878
nur Informationsartikel
Nie mehr lieferbar
keine Alternativen
Pos.
114
BOSCH Innenscheibe | Ersatzteile für 4212 | 2610916801
Hersteller: BOSCH
Artikelnummer: EB-060166F222-2610916801
Netto: 9,18 € zzgl. MwSt.
zzgl. 6,90 € Versand (brutto)
einmalig pro Bestellung

Lieferzeit: 5 Werktage

Pos.
115
BOSCH Bürstendeckel Ø 22mm | Ersatzteile für 4212 | 2610916802
Hersteller: BOSCH
Artikelnummer: EB-060166F222-2610916802
nur Informationsartikel
Nie mehr lieferbar
keine Alternativen
Pos.
116
BOSCH Verlängerungswelle | Ersatzteile für 4212 | 2610916803
Hersteller: BOSCH
Artikelnummer: EB-060166F222-2610916803
Netto: 8,13 € zzgl. MwSt.
zzgl. 6,90 € Versand (brutto)
einmalig pro Bestellung

Lieferzeit: 5 Werktage

Pos.
117
BOSCH Antriebsscheibe | Ersatzteile für 4212 | 2610916804
Hersteller: BOSCH
Artikelnummer: EB-060166F222-2610916804
Netto: 4,82 € zzgl. MwSt.
zzgl. 6,90 € Versand (brutto)
einmalig pro Bestellung

Lieferzeit: 5 Werktage

Pos.
118
BOSCH Breitkeilriemen | Ersatzteile für 4212 | 2610916805
Hersteller: BOSCH
Artikelnummer: EB-060166F222-2610916805
Netto: 32,74 € zzgl. MwSt.
zzgl. 6,90 € Versand (brutto)
einmalig pro Bestellung

Lieferzeit: 5 Werktage

Pos.
119
BOSCH Riemenscheibe | Ersatzteile für 4212 | 2610916806
Hersteller: BOSCH
Artikelnummer: EB-060166F222-2610916806
Netto: 9,95 € zzgl. MwSt.
zzgl. 6,90 € Versand (brutto)
einmalig pro Bestellung

Lieferzeit: 5 Werktage

Pos.
120
BOSCH Stützwinkel | Ersatzteile für 4212 | 2610923829
Hersteller: BOSCH
Artikelnummer: EB-060166F222-2610923829
nur Informationsartikel
Nie mehr lieferbar
keine Alternativen
Pos.
121
BOSCH Zählerwelle | Ersatzteile für 4212 | 2610916808
Hersteller: BOSCH
Artikelnummer: EB-060166F222-2610916808
Netto: 21,16 € zzgl. MwSt.
zzgl. 6,90 € Versand (brutto)
einmalig pro Bestellung

Lieferzeit: 5 Werktage

Pos.
122
BOSCH Keil | Ersatzteile für 4212 | 2610916809
Hersteller: BOSCH
Artikelnummer: EB-060166F222-2610916809
Netto: 3,94 € zzgl. MwSt.
zzgl. 6,90 € Versand (brutto)
einmalig pro Bestellung

Lieferzeit: 5 Werktage

Pos.
123
BOSCH Rastbolzen | Ersatzteile für 4212 | 2610920842
Hersteller: BOSCH
Artikelnummer: EB-060166F222-2610920842
nur Informationsartikel
Nie mehr lieferbar
keine Alternativen
Pos.
124
BOSCH Hebelwelle | Ersatzteile für 4212 | 2610916811
Hersteller: BOSCH
Artikelnummer: EB-060166F222-2610916811
Netto: 6,69 € zzgl. MwSt.
zzgl. 6,90 € Versand (brutto)
einmalig pro Bestellung

Lieferzeit: 5 Werktage

Pos.
126
BOSCH Mutter | Ersatzteile für 4212 | 2610358172
Hersteller: BOSCH
Artikelnummer: EB-060166F222-2610358172
nur Informationsartikel
Nie mehr lieferbar
keine Alternativen
Pos.
127
BOSCH Scheibe | Ersatzteile für 4212 | 2610910779
Hersteller: BOSCH
Artikelnummer: EB-060166F222-2610910779
Netto: 3,63 € zzgl. MwSt.
zzgl. 6,90 € Versand (brutto)
einmalig pro Bestellung

Lieferzeit: 5 Werktage

Pos.
129
BOSCH Kombi-Schraube | Ersatzteile für 4212 | 2610911907
Hersteller: BOSCH
Artikelnummer: EB-060166F222-2610911907
Netto: 3,63 € zzgl. MwSt.
zzgl. 6,90 € Versand (brutto)
einmalig pro Bestellung

Lieferzeit: 5 Werktage

Pos.
130
BOSCH Gewindestift | Ersatzteile für 4212 | 2610911908
Hersteller: BOSCH
Artikelnummer: EB-060166F222-2610911908
Netto: 3,94 € zzgl. MwSt.
zzgl. 6,90 € Versand (brutto)
einmalig pro Bestellung

Lieferzeit: 5 Werktage

Pos.
131
BOSCH Ausgleichscheibe | Ersatzteile für 4212 | 2610911937
Hersteller: BOSCH
Artikelnummer: EB-060166F222-2610911937
Netto: 5,19 € zzgl. MwSt.
zzgl. 6,90 € Versand (brutto)
einmalig pro Bestellung

Lieferzeit: 5 Werktage

Pos.
132
BOSCH Flansch | Ersatzteile für 4212 | 2610911909
Hersteller: BOSCH
Artikelnummer: EB-060166F222-2610911909
Netto: 7,30 € zzgl. MwSt.
zzgl. 6,90 € Versand (brutto)
einmalig pro Bestellung

Lieferzeit: 5 Werktage

Pos.
134
BOSCH Laufbolzen | Ersatzteile für 4212 | 2610924286
Hersteller: BOSCH
Artikelnummer: EB-060166F222-2610924286
nur Informationsartikel
Nie mehr lieferbar
keine Alternativen
Pos.
136
BOSCH Ansatzschraube | Ersatzteile für 4212 | 2610911598
Hersteller: BOSCH
Artikelnummer: EB-060166F222-2610911598
Netto: 3,94 € zzgl. MwSt.
zzgl. 6,90 € Versand (brutto)
einmalig pro Bestellung

Lieferzeit: 5 Werktage

Pos.
137
BOSCH Unterlegscheibe | Ersatzteile für 4212 | 2610911599
Hersteller: BOSCH
Artikelnummer: EB-060166F222-2610911599
Netto: 3,63 € zzgl. MwSt.
zzgl. 6,90 € Versand (brutto)
einmalig pro Bestellung

Lieferzeit: 5 Werktage

Pos.
138
BOSCH Beilegring | Ersatzteile für MITER SAW bare | 2610911850
Hersteller: BOSCH
Artikelnummer: EB-060166F222-2610911850
nur Informationsartikel
Nie mehr lieferbar
keine Alternativen
Pos.
138
BOSCH Buchse | Ersatzteile für 4212 | 2610018780
Hersteller: BOSCH
Artikelnummer: EB-060166F222-2610018780
Netto: 3,60 € zzgl. MwSt.
zzgl. 6,90 € Versand (brutto)
einmalig pro Bestellung

Lieferzeit: 5 Werktage

Pos.
139
BOSCH Kabelklemme | Ersatzteile für 4212 | 2610911872
Hersteller: BOSCH
Artikelnummer: EB-060166F222-2610911872
Netto: 3,63 € zzgl. MwSt.
zzgl. 6,90 € Versand (brutto)
einmalig pro Bestellung

Lieferzeit: 5 Werktage

Pos.
140
BOSCH Schraube | Ersatzteile für 4212 | 2610911458
Hersteller: BOSCH
Artikelnummer: EB-060166F222-2610911458
nur Informationsartikel
Nie mehr lieferbar
keine Alternativen
Pos.
142
BOSCH Schraube | Ersatzteile für 4212 | 2610950117
Hersteller: BOSCH
Artikelnummer: EB-060166F222-2610950117
Netto: 3,63 € zzgl. MwSt.
zzgl. 6,90 € Versand (brutto)
einmalig pro Bestellung

Lieferzeit: 5 Werktage

Pos.
143
BOSCH Schraube | Ersatzteile für 4212 | 2615297323
Hersteller: BOSCH
Artikelnummer: EB-060166F222-2615297323
nur Informationsartikel
Nie mehr lieferbar
keine Alternativen
Pos.
145
BOSCH Laufbolzen | Ersatzteile für 4212 | 2610923320
Hersteller: BOSCH
Artikelnummer: EB-060166F222-2610923320
nur Informationsartikel
Nie mehr lieferbar
keine Alternativen
Pos.
146
BOSCH Gewindestift | Ersatzteile für 4212 | 2610356437
Hersteller: BOSCH
Artikelnummer: EB-060166F222-2610356437
Netto: 3,63 € zzgl. MwSt.
zzgl. 6,90 € Versand (brutto)
einmalig pro Bestellung

Lieferzeit: 5 Werktage

Pos.
147
BOSCH Schraube | Ersatzteile für 4212 | 2610911899
Hersteller: BOSCH
Artikelnummer: EB-060166F222-2610911899
Netto: 3,63 € zzgl. MwSt.
zzgl. 6,90 € Versand (brutto)
einmalig pro Bestellung

Lieferzeit: 5 Werktage

Pos.
148
BOSCH Gummibuchse | Ersatzteile für 4212 | 2610358846
Hersteller: BOSCH
Artikelnummer: EB-060166F222-2610358846
Netto: 3,94 € zzgl. MwSt.
zzgl. 6,90 € Versand (brutto)
einmalig pro Bestellung

Lieferzeit: 5 Werktage

Pos.
149
BOSCH Schraube | Ersatzteile für 4212 | 2610911918
Hersteller: BOSCH
Artikelnummer: EB-060166F222-2610911918
Netto: 4,53 € zzgl. MwSt.
zzgl. 6,90 € Versand (brutto)
einmalig pro Bestellung

Lieferzeit: 5 Werktage

Pos.
150
BOSCH Sicherungsmutter | Ersatzteile für 4212 | 2610911901
Hersteller: BOSCH
Artikelnummer: EB-060166F222-2610911901
Netto: 3,94 € zzgl. MwSt.
zzgl. 6,90 € Versand (brutto)
einmalig pro Bestellung

Lieferzeit: 5 Werktage

Pos.
151
BOSCH Unterlegscheibe | Ersatzteile für 4212 | 2610347092
Hersteller: BOSCH
Artikelnummer: EB-060166F222-2610347092
Netto: 3,63 € zzgl. MwSt.
zzgl. 6,90 € Versand (brutto)
einmalig pro Bestellung

Lieferzeit: 5 Werktage

Pos.
152
BOSCH Schraube | Ersatzteile für 4212 | 2610911897
Hersteller: BOSCH
Artikelnummer: EB-060166F222-2610911897
nur Informationsartikel
Nie mehr lieferbar
keine Alternativen
Pos.
153
BOSCH Rückhalteblech | Ersatzteile für 4212 | 2610919287
Hersteller: BOSCH
Artikelnummer: EB-060166F222-2610919287
Netto: 5,67 € zzgl. MwSt.
zzgl. 6,90 € Versand (brutto)
einmalig pro Bestellung

Lieferzeit: 5 Werktage

Pos.
154
BOSCH Schraube | Ersatzteile für 4212 | 2610911900
Hersteller: BOSCH
Artikelnummer: EB-060166F222-2610911900
Netto: 3,63 € zzgl. MwSt.
zzgl. 6,90 € Versand (brutto)
einmalig pro Bestellung

Lieferzeit: 5 Werktage

Pos.
155
BOSCH Schraube | Ersatzteile für 4212 | 2610910784
Hersteller: BOSCH
Artikelnummer: EB-060166F222-2610910784
nur Informationsartikel
Nie mehr lieferbar
keine Alternativen
Pos.
156
BOSCH Bolzen | Ersatzteile für 4212 | 2610923318
Hersteller: BOSCH
Artikelnummer: EB-060166F222-2610923318
nur Informationsartikel
Nie mehr lieferbar
keine Alternativen
Pos.
157
BOSCH Vierkantmutter | Ersatzteile für 4212 | 2610355332
Hersteller: BOSCH
Artikelnummer: EB-060166F222-2610355332
nur Informationsartikel
Nie mehr lieferbar
keine Alternativen
Pos.
158
BOSCH Vorlegscheibe | Ersatzteile für 4212 | 2610921458
Hersteller: BOSCH
Artikelnummer: EB-060166F222-2610921458
Netto: 3,63 € zzgl. MwSt.
zzgl. 6,90 € Versand (brutto)
einmalig pro Bestellung

Lieferzeit: 5 Werktage

Pos.
161
BOSCH Gewindestift | Ersatzteile für 4212 | 2610911914
Hersteller: BOSCH
Artikelnummer: EB-060166F222-2610911914
Netto: 4,32 € zzgl. MwSt.
zzgl. 6,90 € Versand (brutto)
einmalig pro Bestellung

Lieferzeit: 5 Werktage

Pos.
166
BOSCH Stift | Ersatzteile für 4212 | 2610923826
Hersteller: BOSCH
Artikelnummer: EB-060166F222-2610923826
Netto: 3,94 € zzgl. MwSt.
zzgl. 6,90 € Versand (brutto)
einmalig pro Bestellung

Lieferzeit: 5 Werktage

Pos.
169
BOSCH Schraube | Ersatzteile für 4212 | 2610358848
Hersteller: BOSCH
Artikelnummer: EB-060166F222-2610358848
Netto: 3,94 € zzgl. MwSt.
zzgl. 6,90 € Versand (brutto)
einmalig pro Bestellung

Lieferzeit: 5 Werktage

Pos.
170
BOSCH Schraube 18,9 MM | Ersatzteile für 4212 | 2610327859
Hersteller: BOSCH
Artikelnummer: EB-060166F222-2610327859
Netto: 3,94 € zzgl. MwSt.
zzgl. 6,90 € Versand (brutto)
einmalig pro Bestellung

Lieferzeit: 5 Werktage

Pos.
171
BOSCH Ansatzschraube | Ersatzteile für 4212 | 2610911911
Hersteller: BOSCH
Artikelnummer: EB-060166F222-2610911911
Netto: 3,63 € zzgl. MwSt.
zzgl. 6,90 € Versand (brutto)
einmalig pro Bestellung

Lieferzeit: 5 Werktage

Pos.
172
BOSCH Rundgummi | Ersatzteile für 4212 | 2610911921
Hersteller: BOSCH
Artikelnummer: EB-060166F222-2610911921
Netto: 3,63 € zzgl. MwSt.
zzgl. 6,90 € Versand (brutto)
einmalig pro Bestellung

Lieferzeit: 5 Werktage

Pos.
173
BOSCH Kugellager | Ersatzteile für 4212 | 2610911938
Hersteller: BOSCH
Artikelnummer: EB-060166F222-2610911938
Netto: 12,98 € zzgl. MwSt.
zzgl. 6,90 € Versand (brutto)
einmalig pro Bestellung

Lieferzeit: 5 Werktage

Pos.
174
BOSCH Ansatzschraube | Ersatzteile für 4212 | 2610911883
Hersteller: BOSCH
Artikelnummer: EB-060166F222-2610911883
Netto: 4,39 € zzgl. MwSt.
zzgl. 6,90 € Versand (brutto)
einmalig pro Bestellung

Lieferzeit: 5 Werktage

Pos.
175
BOSCH Scheibe | Ersatzteile für 4212 | 2610911906
Hersteller: BOSCH
Artikelnummer: EB-060166F222-2610911906
Netto: 3,94 € zzgl. MwSt.
zzgl. 6,90 € Versand (brutto)
einmalig pro Bestellung

Lieferzeit: 5 Werktage

Pos.
176
BOSCH Sechskantmutter | Ersatzteile für 4212 | 2610911570
Hersteller: BOSCH
Artikelnummer: EB-060166F222-2610911570
nur Informationsartikel
Nie mehr lieferbar
keine Alternativen
Pos.
177
BOSCH Unterlegscheibe | Ersatzteile für 4212 | 2610953068
Hersteller: BOSCH
Artikelnummer: EB-060166F222-2610953068
nur Informationsartikel
Nie mehr lieferbar
keine Alternativen
Pos.
178
BOSCH Sicherungsring | Ersatzteile für 4212 | 2610990521
Hersteller: BOSCH
Artikelnummer: EB-060166F222-2610990521
nur Informationsartikel
Nie mehr lieferbar
keine Alternativen
Pos.
179
BOSCH Schraube | Ersatzteile für 4212 | 2610004925
Hersteller: BOSCH
Artikelnummer: EB-060166F222-2610004925
nur Informationsartikel
Nie mehr lieferbar
keine Alternativen
Pos.
180
BOSCH Bolzen | Ersatzteile für 4212 | 2610358812
Hersteller: BOSCH
Artikelnummer: EB-060166F222-2610358812
Netto: 4,33 € zzgl. MwSt.
zzgl. 6,90 € Versand (brutto)
einmalig pro Bestellung

Lieferzeit: 5 Werktage

Pos.
181
BOSCH Federscheibe | Ersatzteile für 4212 | 2610355325
Hersteller: BOSCH
Artikelnummer: EB-060166F222-2610355325
Netto: 3,63 € zzgl. MwSt.
zzgl. 6,90 € Versand (brutto)
einmalig pro Bestellung

Lieferzeit: 5 Werktage

Pos.
183
BOSCH Kugellager | Ersatzteile für 4212 | 2610327846
Hersteller: BOSCH
Artikelnummer: EB-060166F222-2610327846
Netto: 14,36 € zzgl. MwSt.
zzgl. 6,90 € Versand (brutto)
einmalig pro Bestellung

Lieferzeit: 5 Werktage

Pos.
185
BOSCH Blechschraube | Ersatzteile für 4212 | 2610317505
Hersteller: BOSCH
Artikelnummer: EB-060166F222-2610317505
Netto: 3,63 € zzgl. MwSt.
zzgl. 6,90 € Versand (brutto)
einmalig pro Bestellung

Lieferzeit: 5 Werktage

Pos.
186
BOSCH Scheibenfeder | Ersatzteile für 4212 | 2610993102
Hersteller: BOSCH
Artikelnummer: EB-060166F222-2610993102
Netto: 4,32 € zzgl. MwSt.
zzgl. 6,90 € Versand (brutto)
einmalig pro Bestellung

Lieferzeit: 5 Werktage

Pos.
187
BOSCH Sicherungsring | Ersatzteile für 4212 | 2610997281
Hersteller: BOSCH
Artikelnummer: EB-060166F222-2610997281
Netto: 3,63 € zzgl. MwSt.
zzgl. 6,90 € Versand (brutto)
einmalig pro Bestellung

Lieferzeit: 5 Werktage

Pos.
188
BOSCH Vorlegscheibe | Ersatzteile für 4212 | 2610029674
Hersteller: BOSCH
Artikelnummer: EB-060166F222-2610029674
Netto: 3,94 € zzgl. MwSt.
zzgl. 6,90 € Versand (brutto)
einmalig pro Bestellung

Lieferzeit: 5 Werktage

Pos.
189
BOSCH Gummiring | Ersatzteile für 4212 | 2610996948
Hersteller: BOSCH
Artikelnummer: EB-060166F222-2610996948
Netto: 3,94 € zzgl. MwSt.
zzgl. 6,90 € Versand (brutto)
einmalig pro Bestellung

Lieferzeit: 5 Werktage

Pos.
190
BOSCH Nadellager | Ersatzteile für 4212 | 2610358922
Hersteller: BOSCH
Artikelnummer: EB-060166F222-2610358922
Netto: 10,92 € zzgl. MwSt.
zzgl. 6,90 € Versand (brutto)
einmalig pro Bestellung

Lieferzeit: 5 Werktage

Pos.
191
BOSCH Schraube | Ersatzteile für 4212 | 2610355277
Hersteller: BOSCH
Artikelnummer: EB-060166F222-2610355277
Netto: 5,21 € zzgl. MwSt.
zzgl. 6,90 € Versand (brutto)
einmalig pro Bestellung

Lieferzeit: 5 Werktage

Pos.
192
BOSCH Scheibe | Ersatzteile für 4212 | 2610015011
Hersteller: BOSCH
Artikelnummer: EB-060166F222-2610015011
Netto: 3,63 € zzgl. MwSt.
zzgl. 6,90 € Versand (brutto)
einmalig pro Bestellung

Lieferzeit: 5 Werktage

Pos.
193
BOSCH Schraube | Ersatzteile für 4212 | 2610913862
Hersteller: BOSCH
Artikelnummer: EB-060166F222-2610913862
Netto: 3,63 € zzgl. MwSt.
zzgl. 6,90 € Versand (brutto)
einmalig pro Bestellung

Lieferzeit: 5 Werktage

Pos.
194
BOSCH Gewindestift | Ersatzteile für 4212 | 2610910786
Hersteller: BOSCH
Artikelnummer: EB-060166F222-2610910786
Netto: 3,60 € zzgl. MwSt.
zzgl. 6,90 € Versand (brutto)
einmalig pro Bestellung

Lieferzeit: 5 Werktage

Pos.
195
BOSCH Ansatzschraube | Ersatzteile für 4212 | 2610919060
Hersteller: BOSCH
Artikelnummer: EB-060166F222-2610919060
Netto: 3,94 € zzgl. MwSt.
zzgl. 6,90 € Versand (brutto)
einmalig pro Bestellung

Lieferzeit: 5 Werktage

Pos.
196
BOSCH Druckfeder | Ersatzteile für 4212 | 2610919061
Hersteller: BOSCH
Artikelnummer: EB-060166F222-2610919061
Netto: 3,63 € zzgl. MwSt.
zzgl. 6,90 € Versand (brutto)
einmalig pro Bestellung

Lieferzeit: 5 Werktage

Pos.
197
BOSCH Schraube | Ersatzteile für 4212 | 2610926010
Hersteller: BOSCH
Artikelnummer: EB-060166F222-2610926010
Netto: 5,21 € zzgl. MwSt.
zzgl. 6,90 € Versand (brutto)
einmalig pro Bestellung

Lieferzeit: 5 Werktage

Pos.
198
BOSCH Schraube | Ersatzteile für 4212 | 2610926011
Hersteller: BOSCH
Artikelnummer: EB-060166F222-2610926011
Netto: 5,21 € zzgl. MwSt.
zzgl. 6,90 € Versand (brutto)
einmalig pro Bestellung

Lieferzeit: 5 Werktage

Pos.
199
BOSCH Haltering | Ersatzteile für 4212 | 2610912556
Hersteller: BOSCH
Artikelnummer: EB-060166F222-2610912556
Netto: 3,63 € zzgl. MwSt.
zzgl. 6,90 € Versand (brutto)
einmalig pro Bestellung

Lieferzeit: 5 Werktage

Pos.
201
BOSCH Schraubendrehereinsatz | Ersatzteile für 4212 | 2610919065
Hersteller: BOSCH
Artikelnummer: EB-060166F222-2610919065
Netto: 4,82 € zzgl. MwSt.
zzgl. 6,90 € Versand (brutto)
einmalig pro Bestellung

Lieferzeit: 5 Werktage

Pos.
203
BOSCH Schraube | Ersatzteile für 4212 | 2610355295
Hersteller: BOSCH
Artikelnummer: EB-060166F222-2610355295
Netto: 4,32 € zzgl. MwSt.
zzgl. 6,90 € Versand (brutto)
einmalig pro Bestellung

Lieferzeit: 5 Werktage

Pos.
204
BOSCH Druckfeder | Ersatzteile für 4212 | 2610919067
Hersteller: BOSCH
Artikelnummer: EB-060166F222-2610919067
Netto: 3,63 € zzgl. MwSt.
zzgl. 6,90 € Versand (brutto)
einmalig pro Bestellung

Lieferzeit: 5 Werktage

Pos.
205
BOSCH Druckfeder | Ersatzteile für 4212 | 2610919068
Hersteller: BOSCH
Artikelnummer: EB-060166F222-2610919068
Netto: 3,63 € zzgl. MwSt.
zzgl. 6,90 € Versand (brutto)
einmalig pro Bestellung

Lieferzeit: 5 Werktage

Pos.
206
BOSCH Federstift | Ersatzteile für 4212 | 2610919069
Hersteller: BOSCH
Artikelnummer: EB-060166F222-2610919069
Netto: 3,94 € zzgl. MwSt.
zzgl. 6,90 € Versand (brutto)
einmalig pro Bestellung

Lieferzeit: 5 Werktage

Pos.
207
BOSCH Anschlagschraube | Ersatzteile für 4212 | 2610935532
Hersteller: BOSCH
Artikelnummer: EB-060166F222-2610935532
nur Informationsartikel
Nie mehr lieferbar
keine Alternativen
Pos.
208
BOSCH Ansatzschraube | Ersatzteile für 4212 | 2610919070
Hersteller: BOSCH
Artikelnummer: EB-060166F222-2610919070
Netto: 3,94 € zzgl. MwSt.
zzgl. 6,90 € Versand (brutto)
einmalig pro Bestellung

Lieferzeit: 5 Werktage

Pos.
210
BOSCH Schraube | Ersatzteile für 4212 | 2610320304
Hersteller: BOSCH
Artikelnummer: EB-060166F222-2610320304
Netto: 3,63 € zzgl. MwSt.
zzgl. 6,90 € Versand (brutto)
einmalig pro Bestellung

Lieferzeit: 5 Werktage

Pos.
211
BOSCH Bremsblech | Ersatzteile für 4212 | 2610919072
Hersteller: BOSCH
Artikelnummer: EB-060166F222-2610919072
Netto: 4,53 € zzgl. MwSt.
zzgl. 6,90 € Versand (brutto)
einmalig pro Bestellung

Lieferzeit: 5 Werktage

Pos.
212
BOSCH Bremsblech | Ersatzteile für 4212 | 2610919073
Hersteller: BOSCH
Artikelnummer: EB-060166F222-2610919073
Netto: 8,33 € zzgl. MwSt.
zzgl. 6,90 € Versand (brutto)
einmalig pro Bestellung

Lieferzeit: 5 Werktage

Pos.
214
BOSCH Mutter | Ersatzteile für 4212 | 2615297331
Hersteller: BOSCH
Artikelnummer: EB-060166F222-2615297331
Netto: 3,63 € zzgl. MwSt.
zzgl. 6,90 € Versand (brutto)
einmalig pro Bestellung

Lieferzeit: 5 Werktage

Pos.
216
BOSCH Ansatzschraube | Ersatzteile für 4212 | 2610919075
Hersteller: BOSCH
Artikelnummer: EB-060166F222-2610919075
nur Informationsartikel
Nie mehr lieferbar
keine Alternativen
Pos.
217
BOSCH Ansatzschraube | Ersatzteile für 4212 | 2610919076
Hersteller: BOSCH
Artikelnummer: EB-060166F222-2610919076
Netto: 3,94 € zzgl. MwSt.
zzgl. 6,90 € Versand (brutto)
einmalig pro Bestellung

Lieferzeit: 5 Werktage

Pos.
218
BOSCH Schraube | Ersatzteile für 4212 | 2610327867
Hersteller: BOSCH
Artikelnummer: EB-060166F222-2610327867
Netto: 3,94 € zzgl. MwSt.
zzgl. 6,90 € Versand (brutto)
einmalig pro Bestellung

Lieferzeit: 5 Werktage

Pos.
219
BOSCH Schraube | Ersatzteile für 4212 | 2610998575
Hersteller: BOSCH
Artikelnummer: EB-060166F222-2610998575
Netto: 3,63 € zzgl. MwSt.
zzgl. 6,90 € Versand (brutto)
einmalig pro Bestellung

Lieferzeit: 5 Werktage

Pos.
221
BOSCH Druckfeder | Ersatzteile für 4212 | 2610919077
Hersteller: BOSCH
Artikelnummer: EB-060166F222-2610919077
Netto: 3,63 € zzgl. MwSt.
zzgl. 6,90 € Versand (brutto)
einmalig pro Bestellung

Lieferzeit: 5 Werktage

Pos.
223
BOSCH Kugellager | Ersatzteile für 4212 | 2610919079
Hersteller: BOSCH
Artikelnummer: EB-060166F222-2610919079
Netto: 15,75 € zzgl. MwSt.
zzgl. 6,90 € Versand (brutto)
einmalig pro Bestellung

Lieferzeit: 5 Werktage

Pos.
224
BOSCH Druckfeder | Ersatzteile für 4212 | 2610919080
Hersteller: BOSCH
Artikelnummer: EB-060166F222-2610919080
Netto: 3,63 € zzgl. MwSt.
zzgl. 6,90 € Versand (brutto)
einmalig pro Bestellung

Lieferzeit: 5 Werktage

Pos.
225
BOSCH Haltering | Ersatzteile für 4212 | 2610358869
Hersteller: BOSCH
Artikelnummer: EB-060166F222-2610358869
Netto: 3,94 € zzgl. MwSt.
zzgl. 6,90 € Versand (brutto)
einmalig pro Bestellung

Lieferzeit: 5 Werktage

Pos.
226
BOSCH Abdeckkappe | Ersatzteile für 4212 | 2610919081
Hersteller: BOSCH
Artikelnummer: EB-060166F222-2610919081
nur Informationsartikel
Nie mehr lieferbar
keine Alternativen
Pos.
228
BOSCH Schraube | Ersatzteile für 4212 | 2610358928
Hersteller: BOSCH
Artikelnummer: EB-060166F222-2610358928
nur Informationsartikel
Nie mehr lieferbar
keine Alternativen
Pos.
229
BOSCH Einsatz | Ersatzteile für 4212 | 2610911569
Hersteller: BOSCH
Artikelnummer: EB-060166F222-2610911569
Netto: 4,53 € zzgl. MwSt.
zzgl. 6,90 € Versand (brutto)
einmalig pro Bestellung

Lieferzeit: 5 Werktage

Pos.
230
BOSCH Mutter | Ersatzteile für 4212 | 2610327868
Hersteller: BOSCH
Artikelnummer: EB-060166F222-2610327868
Netto: 3,63 € zzgl. MwSt.
zzgl. 6,90 € Versand (brutto)
einmalig pro Bestellung

Lieferzeit: 5 Werktage

Pos.
231
BOSCH Pvc-Rohr | Ersatzteile für 4212 | 2610948209
Hersteller: BOSCH
Artikelnummer: EB-060166F222-2610948209
nur Informationsartikel
Nie mehr lieferbar
keine Alternativen
Pos.
232
BOSCH Schraube | Ersatzteile für 4212 | 2610911929
Hersteller: BOSCH
Artikelnummer: EB-060166F222-2610911929
Netto: 3,63 € zzgl. MwSt.
zzgl. 6,90 € Versand (brutto)
einmalig pro Bestellung

Lieferzeit: 5 Werktage

Pos.
233
BOSCH Scheibe | Ersatzteile für 4212 | 2610911450
Hersteller: BOSCH
Artikelnummer: EB-060166F222-2610911450
Netto: 3,63 € zzgl. MwSt.
zzgl. 6,90 € Versand (brutto)
einmalig pro Bestellung

Lieferzeit: 5 Werktage

Pos.
234
BOSCH Lagerdeckel | Ersatzteile für 4212 | 2610911566
Hersteller: BOSCH
Artikelnummer: EB-060166F222-2610911566
Netto: 4,82 € zzgl. MwSt.
zzgl. 6,90 € Versand (brutto)
einmalig pro Bestellung

Lieferzeit: 5 Werktage

Pos.
235
BOSCH Schraube | Ersatzteile für 4212 | 2610318812
Hersteller: BOSCH
Artikelnummer: EB-060166F222-2610318812
Netto: 4,82 € zzgl. MwSt.
zzgl. 6,90 € Versand (brutto)
einmalig pro Bestellung

Lieferzeit: 5 Werktage

Pos.
236
BOSCH Haltering | Ersatzteile für 4212 | 2610919083
Hersteller: BOSCH
Artikelnummer: EB-060166F222-2610919083
Netto: 3,63 € zzgl. MwSt.
zzgl. 6,90 € Versand (brutto)
einmalig pro Bestellung

Lieferzeit: 5 Werktage

Pos.
237
BOSCH Schraube | Ersatzteile für 4212 | 2610919084
Hersteller: BOSCH
Artikelnummer: EB-060166F222-2610919084
Netto: 4,53 € zzgl. MwSt.
zzgl. 6,90 € Versand (brutto)
einmalig pro Bestellung

Lieferzeit: 5 Werktage

Pos.
238
BOSCH Schraube | Ersatzteile für 4212 | 2610320330
Hersteller: BOSCH
Artikelnummer: EB-060166F222-2610320330
Netto: 3,63 € zzgl. MwSt.
zzgl. 6,90 € Versand (brutto)
einmalig pro Bestellung

Lieferzeit: 5 Werktage

Pos.
239
BOSCH Druckfeder | Ersatzteile für 4212 | 2610919085
Hersteller: BOSCH
Artikelnummer: EB-060166F222-2610919085
Netto: 3,63 € zzgl. MwSt.
zzgl. 6,90 € Versand (brutto)
einmalig pro Bestellung

Lieferzeit: 5 Werktage

Pos.
240
BOSCH Schraube | Ersatzteile für 4212 | 2610915162
Hersteller: BOSCH
Artikelnummer: EB-060166F222-2610915162
Netto: 3,63 € zzgl. MwSt.
zzgl. 6,90 € Versand (brutto)
einmalig pro Bestellung

Lieferzeit: 5 Werktage

Pos.
241
BOSCH Sechskantschraube | Ersatzteile für 4212 | 2610351178
Hersteller: BOSCH
Artikelnummer: EB-060166F222-2610351178
Netto: 3,63 € zzgl. MwSt.
zzgl. 6,90 € Versand (brutto)
einmalig pro Bestellung

Lieferzeit: 5 Werktage

Pos.
242
BOSCH Schraube | Ersatzteile für 4212 | 2610945488
Hersteller: BOSCH
Artikelnummer: EB-060166F222-2610945488
nur Informationsartikel
Nie mehr lieferbar
keine Alternativen
Pos.
243
BOSCH Stift | Ersatzteile für 4212 | 2610919086
Hersteller: BOSCH
Artikelnummer: EB-060166F222-2610919086
Netto: 4,32 € zzgl. MwSt.
zzgl. 6,90 € Versand (brutto)
einmalig pro Bestellung

Lieferzeit: 5 Werktage

Pos.
244
BOSCH Gewindestift | Ersatzteile für 4212 | 2610919087
Hersteller: BOSCH
Artikelnummer: EB-060166F222-2610919087
Netto: 4,32 € zzgl. MwSt.
zzgl. 6,90 € Versand (brutto)
einmalig pro Bestellung

Lieferzeit: 5 Werktage

Pos.
245
BOSCH Schraube | Ersatzteile für 4212 | 2610358519
Hersteller: BOSCH
Artikelnummer: EB-060166F222-2610358519
Netto: 3,63 € zzgl. MwSt.
zzgl. 6,90 € Versand (brutto)
einmalig pro Bestellung

Lieferzeit: 5 Werktage

Pos.
246
BOSCH Mutter | Ersatzteile für 4212 | 2610925187
Hersteller: BOSCH
Artikelnummer: EB-060166F222-2610925187
Netto: 3,63 € zzgl. MwSt.
zzgl. 6,90 € Versand (brutto)
einmalig pro Bestellung

Lieferzeit: 5 Werktage

Pos.
247
BOSCH Anschlagplatte | Ersatzteile für 4212 | 2610916061
Hersteller: BOSCH
Artikelnummer: EB-060166F222-2610916061
Netto: 6,15 € zzgl. MwSt.
zzgl. 6,90 € Versand (brutto)
einmalig pro Bestellung

Lieferzeit: 5 Werktage

Pos.
249
BOSCH Einstellschlüssel | Ersatzteile für 4212 | 2610917658
Hersteller: BOSCH
Artikelnummer: EB-060166F222-2610917658
Netto: 9,18 € zzgl. MwSt.
zzgl. 6,90 € Versand (brutto)
einmalig pro Bestellung

Lieferzeit: 5 Werktage

Pos.
250
BOSCH Staubbeutel | Ersatzteile für 4212 | 2610006436
Hersteller: BOSCH
Artikelnummer: EB-060166F222-2610006436
nur Informationsartikel
Nie mehr lieferbar
keine Alternativen
Pos.
251
BOSCH Absaugrohr | Ersatzteile für 4212 | 2610919280
Hersteller: BOSCH
Artikelnummer: EB-060166F222-2610919280
nur Informationsartikel
Nie mehr lieferbar
keine Alternativen
Pos.
252
BOSCH Schnellspannvorrichtung | Ersatzteile für 4212 | 2610919089
Hersteller: BOSCH
Artikelnummer: EB-060166F222-2610919089
nur Informationsartikel
Nie mehr lieferbar
keine Alternativen
Pos.
253
BOSCH Etikett | Ersatzteile für 4212 | 2610923332
Hersteller: BOSCH
Artikelnummer: EB-060166F222-2610923332
nur Informationsartikel
Nie mehr lieferbar
keine Alternativen
Pos.
254
BOSCH Warnschild | Ersatzteile für 4212 | 2610911658
Hersteller: BOSCH
Artikelnummer: EB-060166F222-2610911658
nur Informationsartikel
Nie mehr lieferbar
keine Alternativen
Pos.
255
BOSCH Etikett | Ersatzteile für 4212 | 2610923323
Hersteller: BOSCH
Artikelnummer: EB-060166F222-2610923323
nur Informationsartikel
Nie mehr lieferbar
keine Alternativen
Pos.
256
BOSCH Etikett | Ersatzteile für 4212 | 2610923324
Hersteller: BOSCH
Artikelnummer: EB-060166F222-2610923324
nur Informationsartikel
Nie mehr lieferbar
keine Alternativen
Pos.
257
BOSCH Einklebeblatt | Ersatzteile für 4212 | 2610917101
Hersteller: BOSCH
Artikelnummer: EB-060166F222-2610917101
Netto: 4,32 € zzgl. MwSt.
zzgl. 6,90 € Versand (brutto)
einmalig pro Bestellung

Lieferzeit: 5 Werktage

Pos.
259
BOSCH Einklebeblatt | Ersatzteile für 4212 | 2610917097
Hersteller: BOSCH
Artikelnummer: EB-060166F222-2610917097
nur Informationsartikel
Nie mehr lieferbar
keine Alternativen
Pos.
260
BOSCH Stützrohr | Ersatzteile für 4212 | 2610923328
Hersteller: BOSCH
Artikelnummer: EB-060166F222-2610923328
nur Informationsartikel
Nie mehr lieferbar
keine Alternativen
Pos.
261
BOSCH Unterlegscheibe | Ersatzteile für 4212 | 2610308959
Hersteller: BOSCH
Artikelnummer: EB-060166F222-2610308959
Netto: 5,67 € zzgl. MwSt.
zzgl. 6,90 € Versand (brutto)
einmalig pro Bestellung

Lieferzeit: 5 Werktage

Pos.
262
BOSCH Verbinder | Ersatzteile für 4212 | 2610911933
Hersteller: BOSCH
Artikelnummer: EB-060166F222-2610911933
Netto: 3,63 € zzgl. MwSt.
zzgl. 6,90 € Versand (brutto)
einmalig pro Bestellung

Lieferzeit: 5 Werktage

Pos.
263
BOSCH Kabel | Ersatzteile für 4212 | 2610923325
Hersteller: BOSCH
Artikelnummer: EB-060166F222-2610923325
nur Informationsartikel
Nie mehr lieferbar
keine Alternativen
Pos.
264
BOSCH Kabel | Ersatzteile für 4212 | 2610923326
Hersteller: BOSCH
Artikelnummer: EB-060166F222-2610923326
nur Informationsartikel
Nie mehr lieferbar
keine Alternativen
Pos.
265
BOSCH Kabel | Ersatzteile für 4212 | 2610923327
Hersteller: BOSCH
Artikelnummer: EB-060166F222-2610923327
nur Informationsartikel
Nie mehr lieferbar
keine Alternativen
Pos.
266
BOSCH Mutter | Ersatzteile für 4212 | 2610910791
Hersteller: BOSCH
Artikelnummer: EB-060166F222-2610910791
nur Informationsartikel
Nie mehr lieferbar
keine Alternativen
Pos.
267
BOSCH Scheibe | Ersatzteile für 4212 | 2610910792
Hersteller: BOSCH
Artikelnummer: EB-060166F222-2610910792
Netto: 3,63 € zzgl. MwSt.
zzgl. 6,90 € Versand (brutto)
einmalig pro Bestellung

Lieferzeit: 5 Werktage

Pos.
268
BOSCH Unterlegscheibe | Ersatzteile für 4212 | 2610004578
Hersteller: BOSCH
Artikelnummer: EB-060166F222-2610004578
nur Informationsartikel
Nie mehr lieferbar
keine Alternativen
Pos.
281
BOSCH Kontaktlasche | Ersatzteile für 4212 | 2610923827
Hersteller: BOSCH
Artikelnummer: EB-060166F222-2610923827
nur Informationsartikel
Nie mehr lieferbar
keine Alternativen
Pos.
283
BOSCH Schraube | Ersatzteile für 4212 | 2610921480
Hersteller: BOSCH
Artikelnummer: EB-060166F222-2610921480
Netto: 5,67 € zzgl. MwSt.
zzgl. 6,90 € Versand (brutto)
einmalig pro Bestellung

Lieferzeit: 5 Werktage

Pos.
284
BOSCH Schraube | Ersatzteile für 4212 | 2610923329
Hersteller: BOSCH
Artikelnummer: EB-060166F222-2610923329
nur Informationsartikel
Nie mehr lieferbar
keine Alternativen
Pos.
286
BOSCH Doppelmaulschlüssel | Ersatzteile für 4212 | 2610921512
Hersteller: BOSCH
Artikelnummer: EB-060166F222-2610921512
Netto: 5,67 € zzgl. MwSt.
zzgl. 6,90 € Versand (brutto)
einmalig pro Bestellung

Lieferzeit: 5 Werktage

Pos.
287
BOSCH Sechskantsteckschlüssel | Ersatzteile für 4212 | 2610921483
Hersteller: BOSCH
Artikelnummer: EB-060166F222-2610921483
Netto: 6,15 € zzgl. MwSt.
zzgl. 6,90 € Versand (brutto)
einmalig pro Bestellung

Lieferzeit: 5 Werktage

Pos.
288
BOSCH Reihenklemme | Ersatzteile für 4212 | 2610921484
Hersteller: BOSCH
Artikelnummer: EB-060166F222-2610921484
nur Informationsartikel
Nie mehr lieferbar
keine Alternativen
Pos.
289
BOSCH Ausgleichscheibe | Ersatzteile für 4212 | 2610921487
Hersteller: BOSCH
Artikelnummer: EB-060166F222-2610921487
Netto: 3,63 € zzgl. MwSt.
zzgl. 6,90 € Versand (brutto)
einmalig pro Bestellung

Lieferzeit: 5 Werktage

Pos.
291
BOSCH Unterlegscheibe | Ersatzteile für 4212 | 2610919282
Hersteller: BOSCH
Artikelnummer: EB-060166F222-2610919282
Netto: 3,63 € zzgl. MwSt.
zzgl. 6,90 € Versand (brutto)
einmalig pro Bestellung

Lieferzeit: 5 Werktage

Pos.
292
BOSCH Scheibe | Ersatzteile für 4212 | 2610919281
Hersteller: BOSCH
Artikelnummer: EB-060166F222-2610919281
Netto: 5,19 € zzgl. MwSt.
zzgl. 6,90 € Versand (brutto)
einmalig pro Bestellung

Lieferzeit: 5 Werktage

Pos.
293
BOSCH Abdeckung | Ersatzteile für 4212 | 2610920822
Hersteller: BOSCH
Artikelnummer: EB-060166F222-2610920822
nur Informationsartikel
Nie mehr lieferbar
keine Alternativen
Pos.
294
BOSCH Gehäusedeckel | Ersatzteile für 4212 | 2610919279
Hersteller: BOSCH
Artikelnummer: EB-060166F222-2610919279
Netto: 4,32 € zzgl. MwSt.
zzgl. 6,90 € Versand (brutto)
einmalig pro Bestellung

Lieferzeit: 5 Werktage

Pos.
296
BOSCH Mutter | Ersatzteile für 4212 | 2610921459
Hersteller: BOSCH
Artikelnummer: EB-060166F222-2610921459
Netto: 3,63 € zzgl. MwSt.
zzgl. 6,90 € Versand (brutto)
einmalig pro Bestellung

Lieferzeit: 5 Werktage

Pos.
300
BOSCH Pvc-Rohr | Ersatzteile für 4212 | 2610923321
Hersteller: BOSCH
Artikelnummer: EB-060166F222-2610923321
nur Informationsartikel
Nie mehr lieferbar
keine Alternativen
Pos.
301
BOSCH Schraube | Ersatzteile für 4212 | 2610921466
Hersteller: BOSCH
Artikelnummer: EB-060166F222-2610921466
Netto: 3,63 € zzgl. MwSt.
zzgl. 6,90 € Versand (brutto)
einmalig pro Bestellung

Lieferzeit: 5 Werktage

Pos.
302
BOSCH Beilegring | Ersatzteile für 4212 | 2610921467
Hersteller: BOSCH
Artikelnummer: EB-060166F222-2610921467
Netto: 3,63 € zzgl. MwSt.
zzgl. 6,90 € Versand (brutto)
einmalig pro Bestellung

Lieferzeit: 5 Werktage

Pos.
303
BOSCH Scheibe | Ersatzteile für 4212 | 2610910013
Hersteller: BOSCH
Artikelnummer: EB-060166F222-2610910013
Netto: 4,32 € zzgl. MwSt.
zzgl. 6,90 € Versand (brutto)
einmalig pro Bestellung

Lieferzeit: 5 Werktage

Pos.
305
BOSCH Unterlegscheibe | Ersatzteile für 4212 | 2610913099
Hersteller: BOSCH
Artikelnummer: EB-060166F222-2610913099
nur Informationsartikel
Nie mehr lieferbar
keine Alternativen
Pos.
306
BOSCH Etikett | Ersatzteile für 4212 | 2610915870
Hersteller: BOSCH
Artikelnummer: EB-060166F222-2610915870
nur Informationsartikel
Nie mehr lieferbar
keine Alternativen
Pos.
307
BOSCH Abdeckkappe | Ersatzteile für 4212 | 2610921931
Hersteller: BOSCH
Artikelnummer: EB-060166F222-2610921931
nur Informationsartikel
Nie mehr lieferbar
keine Alternativen
Pos.
308
BOSCH Block | Ersatzteile für 4212 | 2610920844
Hersteller: BOSCH
Artikelnummer: EB-060166F222-2610920844
nur Informationsartikel
Nie mehr lieferbar
keine Alternativen
Pos.
309
BOSCH Anschlag | Ersatzteile für 4212 | 2610920835
Hersteller: BOSCH
Artikelnummer: EB-060166F222-2610920835
nur Informationsartikel
Nie mehr lieferbar
keine Alternativen
Pos.
310
BOSCH Spanrichter | Ersatzteile für 4212 | 2610920840
Hersteller: BOSCH
Artikelnummer: EB-060166F222-2610920840
nur Informationsartikel
Nie mehr lieferbar
keine Alternativen
Pos.
311
BOSCH Hebel | Ersatzteile für 4212 | 2610923319
Hersteller: BOSCH
Artikelnummer: EB-060166F222-2610923319
nur Informationsartikel
Nie mehr lieferbar
keine Alternativen
Pos.
312
BOSCH Gummibuchse | Ersatzteile für 4212 | 2610923824
Hersteller: BOSCH
Artikelnummer: EB-060166F222-2610923824
nur Informationsartikel
Nie mehr lieferbar
keine Alternativen
Pos.
313
BOSCH Schacht | Ersatzteile für 4212 | 2610923825
Hersteller: BOSCH
Artikelnummer: EB-060166F222-2610923825
nur Informationsartikel
Nie mehr lieferbar
keine Alternativen
Pos.
314
BOSCH Platte | Ersatzteile für 4212 | 2610923828
Hersteller: BOSCH
Artikelnummer: EB-060166F222-2610923828
nur Informationsartikel
Nie mehr lieferbar
keine Alternativen
Pos.
315
BOSCH Scheibe | Ersatzteile für 4212 | 2610923856
Hersteller: BOSCH
Artikelnummer: EB-060166F222-2610923856
nur Informationsartikel
Nie mehr lieferbar
keine Alternativen
Pos.
316
BOSCH Platte | Ersatzteile für 4212 | 2610923830
Hersteller: BOSCH
Artikelnummer: EB-060166F222-2610923830
Netto: 3,63 € zzgl. MwSt.
zzgl. 6,90 € Versand (brutto)
einmalig pro Bestellung

Lieferzeit: 5 Werktage

Pos.
317
BOSCH Scheibe | Ersatzteile für 4212 | 2610923855
Hersteller: BOSCH
Artikelnummer: EB-060166F222-2610923855
nur Informationsartikel
Nie mehr lieferbar
keine Alternativen
Pos.
318
BOSCH Einklebeblatt | Ersatzteile für 4212 | 2610923938
Hersteller: BOSCH
Artikelnummer: EB-060166F222-2610923938
nur Informationsartikel
Nie mehr lieferbar
keine Alternativen
Pos.
320
BOSCH Einklebeblatt | Ersatzteile für 4212 | 2610923939
Hersteller: BOSCH
Artikelnummer: EB-060166F222-2610923939
nur Informationsartikel
Nie mehr lieferbar
keine Alternativen

Angaben zur Produktsicherheit

Hersteller:
Robert Bosch Power Tools GmbH
Postfach 30 02 20
70442 Stuttgart

E-Mail:
kontakt@bosch.de