BOSCH Scheibe | Ersatzteile für 4250 | 2610A10398

Artikelnummer: EB-F034056300-2610A10398

Position: 18

Marke: BOSCH


Bitte Kompatibilität prüfen!

Bitte prüfen Sie unbedingt die 10-stellige Typennummer Ihrer Maschine / Ihres Gerätes. Das Ersatzteil ist nur kompatibel, wenn Sie die Typennummer Ihrer Maschine in der unten stehenden Produktbeschreibung finden.

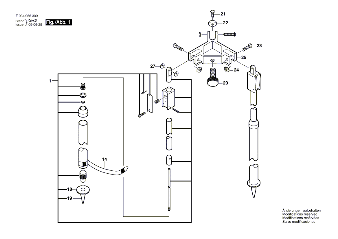
Bitte prüfen Sie ebenfalls detailliert die Explosionszeichnung mit Ihrem Artikelwunsch und der jeweiligen Pos-Nummer.

Alle Elemente, welche vom schwarzen Strich der Pos-Nummer ausgehend berührt / erfasst werden, gehören zu dieser Pos-Nummer und somit zu diesem Artikel. Jede Pos-Nummer ist ein eigenständiger Artikel, welchen Sie in der Auflistung finden.

Sie erhalten stets die aktuellste, neueste Produktversion zu der gewählten Pos-Nummer seitens des Herstellers. Es kann daher je nach Gerätealter vorkommen, dass Sie ggf. weitere, zugehörige Elemente, welche an diese Pos-Nummer grenzen, ebenfalls mittauschen müssen.

Nähere Informationen finden Sie unter dem Link
Hinweise zu Ihrer BOSCH Ersatzteilsuche

Preisübersicht

Einzelpreis: 6,27 €* (Brutto: 7,46 €)
Gesamtpreis: 6,27 €* 
Position:

Lieferzeit: 5 Werktage


Beschreibung

  • Scheibe
  • Original Bosch Zubehör / BOSCH Ersatzteil (2610A10398)
  • im Gerät verbaut: 1
Dieses BOSCH Ersatzteil ist mit folgendem Gerät und Modell kompatibel:
  • BOSCH Gerätename: 4250
  • BOSCH Explosionszeichnung: Position 18
  • BOSCH Typennummer: F034056300
  • BOSCH Typennummer alternative Schreibweisen: F 034 056 300, F034 056 300, F.034.056.300, F-034-056-300
    Bitte prüfen Sie diese Typennummer auf Ihrem Gerät um die Kompatibilität des BOSCH Ersatzteils zu gewährleisten.
Weitere BOSCH Ersatzteile des Gerätes 4250 (Stativ) mit der Typennummer F034056300 finden Sie in der nachfolgenden Darstellung und im Dropdown zu Ihrer Auswahl:

Pos.
1
BOSCH Stativbein | Ersatzteile für 4250 | 2610A10264
Hersteller: BOSCH
Artikelnummer: EB-F034056300-2610A10264
nur Informationsartikel
Nie mehr lieferbar
keine Alternativen
Pos.
14
BOSCH Trageriemen | Ersatzteile für 4250 | 2610A10278
Hersteller: BOSCH
Artikelnummer: EB-F034056300-2610A10278
nur Informationsartikel
Nie mehr lieferbar
keine Alternativen
Pos.
18
BOSCH Scheibe | Ersatzteile für 4250 | 2610A10398
Hersteller: BOSCH
Artikelnummer: EB-F034056300-2610A10398
Netto: 6,21 € zzgl. MwSt.
zzgl. 6,90 € Versand (brutto)
einmalig pro Bestellung

Lieferzeit: 5 Werktage

Pos.
19
BOSCH Stativfuss | Ersatzteile für 4250 | 2610A10209
Hersteller: BOSCH
Artikelnummer: EB-F034056300-2610A10209
nur Informationsartikel
Nie mehr lieferbar
keine Alternativen
Pos.
20
BOSCH Knopf | Ersatzteile für 4250 | 2610A10268
Hersteller: BOSCH
Artikelnummer: EB-F034056300-2610A10268
nur Informationsartikel
Nie mehr lieferbar
keine Alternativen
Pos.
21
BOSCH Schraube | Ersatzteile für 4250 | 2610A10269
Hersteller: BOSCH
Artikelnummer: EB-F034056300-2610A10269
nur Informationsartikel
Nie mehr lieferbar
keine Alternativen
Pos.
22
BOSCH Scheibe | Ersatzteile für 4250 | 2610A10270
Hersteller: BOSCH
Artikelnummer: EB-F034056300-2610A10270
nur Informationsartikel
Nie mehr lieferbar
keine Alternativen
Pos.
23
BOSCH Schraube | Ersatzteile für 4250 | 2610A10271
Hersteller: BOSCH
Artikelnummer: EB-F034056300-2610A10271
nur Informationsartikel
Nie mehr lieferbar
keine Alternativen
Pos.
24
BOSCH Mutter | Ersatzteile für 4250 | 2610A10272
Hersteller: BOSCH
Artikelnummer: EB-F034056300-2610A10272
nur Informationsartikel
Nie mehr lieferbar
keine Alternativen
Pos.
25
BOSCH Kopf | Ersatzteile für 4250 | 2610A10266
Hersteller: BOSCH
Artikelnummer: EB-F034056300-2610A10266
nur Informationsartikel
Nie mehr lieferbar
keine Alternativen
Pos.
27
BOSCH Scheibe | Ersatzteile für 4250 | 2610A10339
Hersteller: BOSCH
Artikelnummer: EB-F034056300-2610A10339
nur Informationsartikel
Nie mehr lieferbar
keine Alternativen

Angaben zur Produktsicherheit

Hersteller:
Robert Bosch Power Tools GmbH
Postfach 30 02 20
70442 Stuttgart

E-Mail:
kontakt@bosch.de