BOSCH Schnittstempel | Ersatzteile für 4270 | 2610398380

Artikelnummer: EB-F015427003-2610398380

Position: 822

Marke: BOSCH


Bitte Kompatibilität prüfen!

Bitte prüfen Sie unbedingt die 10-stellige Typennummer Ihrer Maschine / Ihres Gerätes. Das Ersatzteil ist nur kompatibel, wenn Sie die Typennummer Ihrer Maschine in der unten stehenden Produktbeschreibung finden.

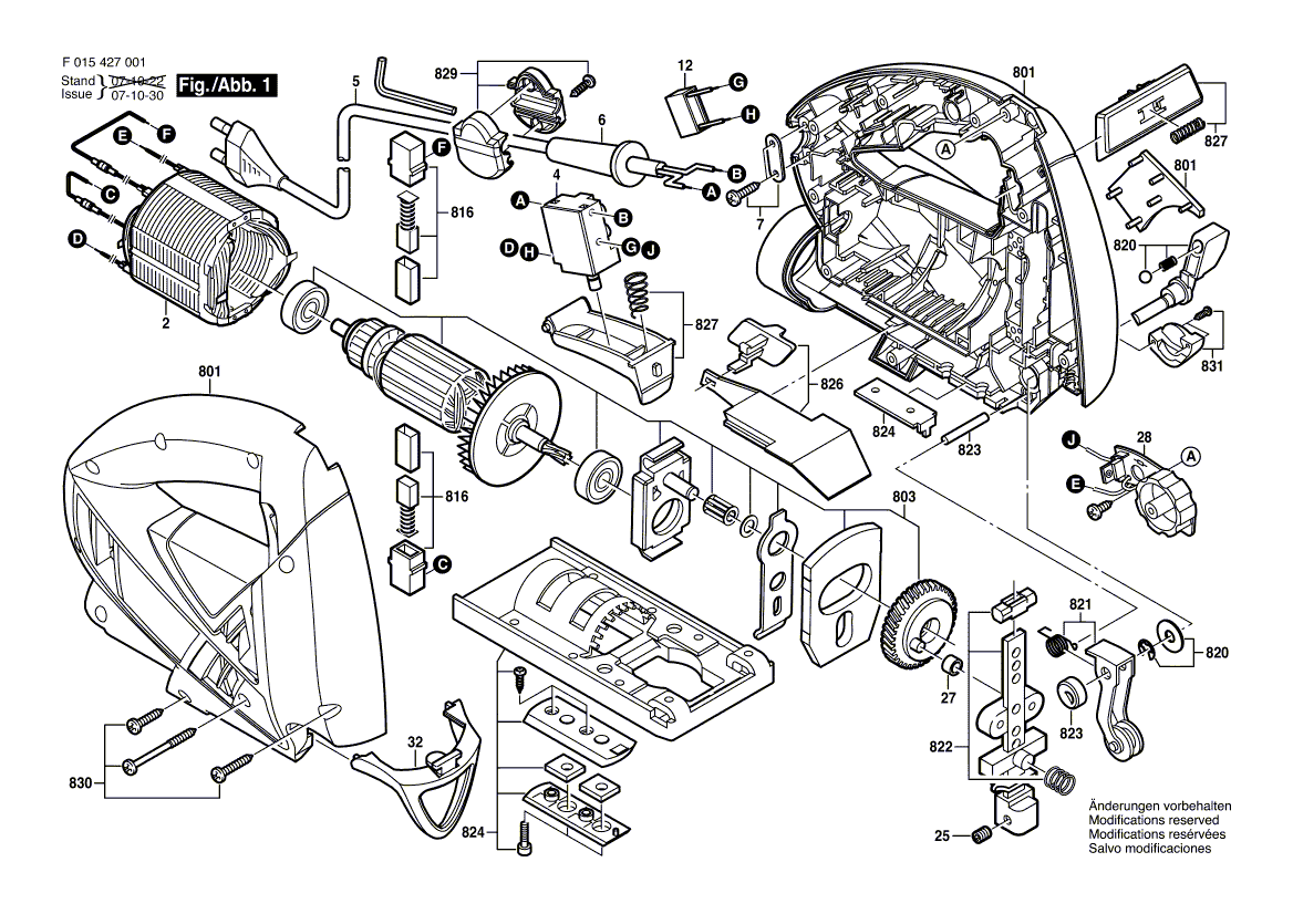
Bitte prüfen Sie ebenfalls detailliert die Explosionszeichnung mit Ihrem Artikelwunsch und der jeweiligen Pos-Nummer.

Alle Elemente, welche vom schwarzen Strich der Pos-Nummer ausgehend berührt / erfasst werden, gehören zu dieser Pos-Nummer und somit zu diesem Artikel. Jede Pos-Nummer ist ein eigenständiger Artikel, welchen Sie in der Auflistung finden.

Sie erhalten stets die aktuellste, neueste Produktversion zu der gewählten Pos-Nummer seitens des Herstellers. Es kann daher je nach Gerätealter vorkommen, dass Sie ggf. weitere, zugehörige Elemente, welche an diese Pos-Nummer grenzen, ebenfalls mittauschen müssen.

Nähere Informationen finden Sie unter dem Link
Hinweise zu Ihrer BOSCH Ersatzteilsuche

Preisübersicht

Einzelpreis: 8,94 €* (Brutto: 10,64 €)
Gesamtpreis: 8,94 €* 
Position:

Lieferzeit: 5 Werktage


Beschreibung

  • Schnittstempel
  • Original Bosch Zubehör / BOSCH Ersatzteil (2610398380)
  • im Gerät verbaut: 1
Dieses BOSCH Ersatzteil ist mit folgendem Gerät und Modell kompatibel:
  • BOSCH Gerätename: 4270
  • BOSCH Explosionszeichnung: Position 822
  • BOSCH Typennummer: F015427003
  • BOSCH Typennummer alternative Schreibweisen: F 015 427 003, F015 427 003, F.015.427.003, F-015-427-003
    Bitte prüfen Sie diese Typennummer auf Ihrem Gerät um die Kompatibilität des BOSCH Ersatzteils zu gewährleisten.
Weitere BOSCH Ersatzteile des Gerätes 4270 (Stichsäge) mit der Typennummer F015427003 finden Sie in der nachfolgenden Darstellung und im Dropdown zu Ihrer Auswahl:

Pos.
2
BOSCH Polschuh 230V | Ersatzteile für 4270 | 2610398388
Hersteller: BOSCH
Artikelnummer: EB-F015427003-2610398388
nur Informationsartikel
Nie mehr lieferbar
keine Alternativen
Pos.
4
BOSCH Ein/Aus-Schalter | Ersatzteile für 4270 | 2610398386
Hersteller: BOSCH
Artikelnummer: EB-F015427003-2610398386
nur Informationsartikel
Nie mehr lieferbar
keine Alternativen
Pos.
5
BOSCH Netzanschlussleitung GB 230V | Ersatzteile für 4270 | 2610376418
Hersteller: BOSCH
Artikelnummer: EB-F015427003-2610376418
nur Informationsartikel
Nie mehr lieferbar
keine Alternativen
Pos.
6
BOSCH Tülle | Ersatzteile für 4270 | 2610398391
Hersteller: BOSCH
Artikelnummer: EB-F015427003-2610398391
nur Informationsartikel
Nie mehr lieferbar
keine Alternativen
Pos.
7
BOSCH Leitungshalter | Ersatzteile für 4270 | 2610398390
Hersteller: BOSCH
Artikelnummer: EB-F015427003-2610398390
nur Informationsartikel
Nie mehr lieferbar
keine Alternativen
Pos.
12
BOSCH Störunterdrückung | Ersatzteile für 4270 | 2610396570
Hersteller: BOSCH
Artikelnummer: EB-F015427003-2610396570
nur Informationsartikel
Nie mehr lieferbar
keine Alternativen
Pos.
25
BOSCH Schaftschraube | Ersatzteile für 4270 | 2610395436
Hersteller: BOSCH
Artikelnummer: EB-F015427003-2610395436
nur Informationsartikel
Nie mehr lieferbar
keine Alternativen
Pos.
27
BOSCH Laufrolle | Ersatzteile für 4270 | 2610398379
Hersteller: BOSCH
Artikelnummer: EB-F015427003-2610398379
nur Informationsartikel
Nie mehr lieferbar
keine Alternativen
Pos.
28
BOSCH Drehzahlrelais | Ersatzteile für 4270 | 2610398389
Hersteller: BOSCH
Artikelnummer: EB-F015427003-2610398389
nur Informationsartikel
Nie mehr lieferbar
keine Alternativen
Pos.
32
BOSCH Schutz | Ersatzteile für 4270 | 2610398397
Hersteller: BOSCH
Artikelnummer: EB-F015427003-2610398397
nur Informationsartikel
Nie mehr lieferbar
keine Alternativen
Pos.
801
BOSCH Motorgehäuse | Ersatzteile für 4270 | 2610398393
Hersteller: BOSCH
Artikelnummer: EB-F015427003-2610398393
nur Informationsartikel
Nie mehr lieferbar
keine Alternativen
Pos.
803
BOSCH Anker 230V | Ersatzteile für 4270 | 2610398378
Hersteller: BOSCH
Artikelnummer: EB-F015427003-2610398378
nur Informationsartikel
Nie mehr lieferbar
keine Alternativen
Pos.
816
BOSCH Kohlebürstensatz | Ersatzteile für 4270 | 2610396573
Hersteller: BOSCH
Artikelnummer: EB-F015427003-2610396573
nur Informationsartikel
Nie mehr lieferbar
keine Alternativen
Pos.
820
BOSCH Druckstiftschalter | Ersatzteile für 4270 | 2610398381
Hersteller: BOSCH
Artikelnummer: EB-F015427003-2610398381
nur Informationsartikel
Nie mehr lieferbar
keine Alternativen
Pos.
821
BOSCH Leitrolle | Ersatzteile für 4270 | 2610398382
Hersteller: BOSCH
Artikelnummer: EB-F015427003-2610398382
nur Informationsartikel
Nie mehr lieferbar
keine Alternativen
Pos.
822
BOSCH Schnittstempel | Ersatzteile für 4270 | 2610398380
Hersteller: BOSCH
Artikelnummer: EB-F015427003-2610398380
Netto: 8,94 € zzgl. MwSt.
zzgl. 6,90 € Versand (brutto)
einmalig pro Bestellung

Lieferzeit: 5 Werktage

Pos.
823
BOSCH Steckerstift | Ersatzteile für 4270 | 2610398383
Hersteller: BOSCH
Artikelnummer: EB-F015427003-2610398383
nur Informationsartikel
Nie mehr lieferbar
keine Alternativen
Pos.
824
BOSCH Grundplatte | Ersatzteile für 4270 | 2610398384
Hersteller: BOSCH
Artikelnummer: EB-F015427003-2610398384
nur Informationsartikel
Nie mehr lieferbar
keine Alternativen
Pos.
826
BOSCH Staubabscheider | Ersatzteile für 4270 | 2610398385
Hersteller: BOSCH
Artikelnummer: EB-F015427003-2610398385
nur Informationsartikel
Nie mehr lieferbar
keine Alternativen
Pos.
827
BOSCH Knopfsatz | Ersatzteile für 4270 | 2610398387
Hersteller: BOSCH
Artikelnummer: EB-F015427003-2610398387
nur Informationsartikel
Nie mehr lieferbar
keine Alternativen
Pos.
829
BOSCH Schlüsselhalter | Ersatzteile für 4270 | 2610398392
Hersteller: BOSCH
Artikelnummer: EB-F015427003-2610398392
nur Informationsartikel
Nie mehr lieferbar
keine Alternativen
Pos.
830
BOSCH Schraubensatz | Ersatzteile für 4270 | 2610398396
Hersteller: BOSCH
Artikelnummer: EB-F015427003-2610398396
nur Informationsartikel
Nie mehr lieferbar
keine Alternativen
Pos.
831
BOSCH Abdeckung | Ersatzteile für 4270 | 2610398395
Hersteller: BOSCH
Artikelnummer: EB-F015427003-2610398395
nur Informationsartikel
Nie mehr lieferbar
keine Alternativen

Angaben zur Produktsicherheit

Hersteller:
Robert Bosch Power Tools GmbH
Postfach 30 02 20
70442 Stuttgart

E-Mail:
kontakt@bosch.de