BOSCH Rillenkugellager 8x22x7 | Ersatzteile für 4300 | 2600905052

Artikelnummer: EB-F015430002-2600905052

Position: 813

Marke: BOSCH


Bitte Kompatibilität prüfen!

Bitte prüfen Sie unbedingt die 10-stellige Typennummer Ihrer Maschine / Ihres Gerätes. Das Ersatzteil ist nur kompatibel, wenn Sie die Typennummer Ihrer Maschine in der unten stehenden Produktbeschreibung finden.

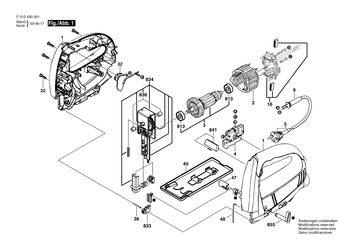
Bitte prüfen Sie ebenfalls detailliert die Explosionszeichnung mit Ihrem Artikelwunsch und der jeweiligen Pos-Nummer.

Alle Elemente, welche vom schwarzen Strich der Pos-Nummer ausgehend berührt / erfasst werden, gehören zu dieser Pos-Nummer und somit zu diesem Artikel. Jede Pos-Nummer ist ein eigenständiger Artikel, welchen Sie in der Auflistung finden.

Sie erhalten stets die aktuellste, neueste Produktversion zu der gewählten Pos-Nummer seitens des Herstellers. Es kann daher je nach Gerätealter vorkommen, dass Sie ggf. weitere, zugehörige Elemente, welche an diese Pos-Nummer grenzen, ebenfalls mittauschen müssen.

Nähere Informationen finden Sie unter dem Link
Hinweise zu Ihrer BOSCH Ersatzteilsuche

Preisübersicht

Einzelpreis: 7,76 €* (Brutto: 9,23 €)
Gesamtpreis: 7,76 €* 
Position:

Lieferzeit: 5 Werktage


Beschreibung

  • Rillenkugellager 8x22x7
  • Original Bosch Zubehör / BOSCH Ersatzteil (2600905052)
  • im Gerät verbaut: 1
Dieses BOSCH Ersatzteil ist mit folgendem Gerät und Modell kompatibel:
  • BOSCH Gerätename: 4300
  • BOSCH Explosionszeichnung: Position 813
  • BOSCH Typennummer: F015430002
  • BOSCH Typennummer alternative Schreibweisen: F 015 430 002, F015 430 002, F.015.430.002, F-015-430-002
    Bitte prüfen Sie diese Typennummer auf Ihrem Gerät um die Kompatibilität des BOSCH Ersatzteils zu gewährleisten.
Weitere BOSCH Ersatzteile des Gerätes 4300 (Stichsäge) mit der Typennummer F015430002 finden Sie in der nachfolgenden Darstellung und im Dropdown zu Ihrer Auswahl:

Pos.
1
BOSCH Gehäusesatz | Ersatzteile für 4300 | 2610392627
Hersteller: BOSCH
Artikelnummer: EB-F015430002-2610392627
nur Informationsartikel
Nie mehr lieferbar
keine Alternativen
Pos.
2
BOSCH Polschuh 230V | Ersatzteile für 4300 | 2610391060
Hersteller: BOSCH
Artikelnummer: EB-F015430002-2610391060
nur Informationsartikel
Nie mehr lieferbar
keine Alternativen
Pos.
3
BOSCH Anker 230V | Ersatzteile für 4300 | 2610391059
Hersteller: BOSCH
Artikelnummer: EB-F015430002-2610391059
Netto: 20,80 € zzgl. MwSt.
zzgl. 6,90 € Versand (brutto)
einmalig pro Bestellung

Lieferzeit: 5 Werktage

Pos.
4
BOSCH Schalter ROT | Ersatzteile für 4300 | 2607200560
Hersteller: BOSCH
Artikelnummer: EB-F015430002-2607200560
nur Informationsartikel
Nie mehr lieferbar
keine Alternativen
Pos.
5
BOSCH Netzanschlussleitung 1,75m 2 x 1,0mm H05VV-F | Ersatzteile für 4300 | 2610386705
Hersteller: BOSCH
Artikelnummer: EB-F015430002-2610386705
nur Informationsartikel
Nie mehr lieferbar
keine Alternativen
Pos.
6
BOSCH Tülle | Ersatzteile für 4300 | 2610360176
Hersteller: BOSCH
Artikelnummer: EB-F015430002-2610360176
Netto: 3,94 € zzgl. MwSt.
zzgl. 6,90 € Versand (brutto)
einmalig pro Bestellung

Lieferzeit: 5 Werktage

Pos.
16
BOSCH Bürstenhalter | Ersatzteile für 4300 | 2610390335
Hersteller: BOSCH
Artikelnummer: EB-F015430002-2610390335
nur Informationsartikel
Nie mehr lieferbar
keine Alternativen
Pos.
22
BOSCH Torx-Linsenschraube T20-8x19 MM | Ersatzteile für 4300 | 2610374919
Hersteller: BOSCH
Artikelnummer: EB-F015430002-2610374919
Netto: 3,60 € zzgl. MwSt.
zzgl. 6,90 € Versand (brutto)
einmalig pro Bestellung

Lieferzeit: 5 Werktage

Pos.
32
BOSCH Drehzahlsteller 230V | Ersatzteile für 4300 | 1607233164
Hersteller: BOSCH
Artikelnummer: EB-F015430002-1607233164
nur Informationsartikel
Nie mehr lieferbar
keine Alternativen
Pos.
38
BOSCH Welle | Ersatzteile für 4300 | 2610390326
Hersteller: BOSCH
Artikelnummer: EB-F015430002-2610390326
nur Informationsartikel
Nie mehr lieferbar
keine Alternativen
Pos.
40
BOSCH Fussplatte | Ersatzteile für 4300 | 2609001205
Hersteller: BOSCH
Artikelnummer: EB-F015430002-2609001205
nur Informationsartikel
Nie mehr lieferbar
keine Alternativen
Pos.
47
BOSCH Lagerblock | Ersatzteile für 4300 | 2610391674
Hersteller: BOSCH
Artikelnummer: EB-F015430002-2610391674
nur Informationsartikel
Nie mehr lieferbar
keine Alternativen
Pos.
48
BOSCH Schutzverkleidung | Ersatzteile für 4300 | 2610391178
Hersteller: BOSCH
Artikelnummer: EB-F015430002-2610391178
nur Informationsartikel
Nie mehr lieferbar
keine Alternativen
Pos.
813
BOSCH Rillenkugellager 8x22x7 | Ersatzteile für 4300 | 2600905052
Hersteller: BOSCH
Artikelnummer: EB-F015430002-2600905052
Netto: 7,66 € zzgl. MwSt.
zzgl. 6,90 € Versand (brutto)
einmalig pro Bestellung

Lieferzeit: 5 Werktage

Pos.
833
BOSCH Schwenkteil | Ersatzteile für 4300 | 2610392541
Hersteller: BOSCH
Artikelnummer: EB-F015430002-2610392541
nur Informationsartikel
Nie mehr lieferbar
keine Alternativen
Pos.
834
BOSCH Getriebeeinheit | Ersatzteile für 4300 | 2610391456
Hersteller: BOSCH
Artikelnummer: EB-F015430002-2610391456
nur Informationsartikel
Nie mehr lieferbar
keine Alternativen
Pos.
836
BOSCH Lagerblock | Ersatzteile für 4300 | 2610391342
Hersteller: BOSCH
Artikelnummer: EB-F015430002-2610391342
nur Informationsartikel
Nie mehr lieferbar
keine Alternativen
Pos.
841
BOSCH Knopfsatz ROT | Ersatzteile für 4300 | 2610391344
Hersteller: BOSCH
Artikelnummer: EB-F015430002-2610391344
nur Informationsartikel
Nie mehr lieferbar
keine Alternativen
Pos.
855
BOSCH Hebel | Ersatzteile für 4300 | 2610392651
Hersteller: BOSCH
Artikelnummer: EB-F015430002-2610392651
nur Informationsartikel
Nie mehr lieferbar
keine Alternativen

Angaben zur Produktsicherheit

Hersteller:
Robert Bosch Power Tools GmbH
Postfach 30 02 20
70442 Stuttgart

E-Mail:
kontakt@bosch.de