BOSCH Hinweisschild | Ersatzteile für 4340 | 2610967452

Artikelnummer: EB-F012434000-2610967452

Position: 47

Marke: BOSCH


Bitte Kompatibilität prüfen!

Bitte prüfen Sie unbedingt die 10-stellige Typennummer Ihrer Maschine / Ihres Gerätes. Das Ersatzteil ist nur kompatibel, wenn Sie die Typennummer Ihrer Maschine in der unten stehenden Produktbeschreibung finden.

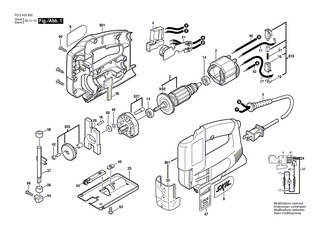
Bitte prüfen Sie ebenfalls detailliert die Explosionszeichnung mit Ihrem Artikelwunsch und der jeweiligen Pos-Nummer.

Alle Elemente, welche vom schwarzen Strich der Pos-Nummer ausgehend berührt / erfasst werden, gehören zu dieser Pos-Nummer und somit zu diesem Artikel. Jede Pos-Nummer ist ein eigenständiger Artikel, welchen Sie in der Auflistung finden.

Sie erhalten stets die aktuellste, neueste Produktversion zu der gewählten Pos-Nummer seitens des Herstellers. Es kann daher je nach Gerätealter vorkommen, dass Sie ggf. weitere, zugehörige Elemente, welche an diese Pos-Nummer grenzen, ebenfalls mittauschen müssen.

Nähere Informationen finden Sie unter dem Link
Hinweise zu Ihrer BOSCH Ersatzteilsuche

Preisübersicht

Einzelpreis: 2,21 €* (Brutto: 2,63 €)
Gesamtpreis: 2,21 €* 
Position:

Lieferzeit: 5 Werktage


Beschreibung

  • Hinweisschild
  • Original Bosch Zubehör / BOSCH Ersatzteil (2610967452)
  • im Gerät verbaut: 1
Dieses BOSCH Ersatzteil ist mit folgendem Gerät und Modell kompatibel:
  • BOSCH Gerätename: 4340
  • BOSCH Explosionszeichnung: Position 47
  • BOSCH Typennummer: F012434000
  • BOSCH Typennummer alternative Schreibweisen: F 012 434 000, F012 434 000, F.012.434.000, F-012-434-000
    Bitte prüfen Sie diese Typennummer auf Ihrem Gerät um die Kompatibilität des BOSCH Ersatzteils zu gewährleisten.
Weitere BOSCH Ersatzteile des Gerätes 4340 (Stichsäge) mit der Typennummer F012434000 finden Sie in der nachfolgenden Darstellung und im Dropdown zu Ihrer Auswahl:

Pos.
3/50
BOSCH Lüfter | Ersatzteile für 4340 | 2610968460
Hersteller: BOSCH
Artikelnummer: EB-F012434000-2610968460
nur Informationsartikel
Nie mehr lieferbar
keine Alternativen
Pos.
2
BOSCH Polschuh 120V | Ersatzteile für 4340 | 2610968468
Hersteller: BOSCH
Artikelnummer: EB-F012434000-2610968468
nur Informationsartikel
Nie mehr lieferbar
keine Alternativen
Pos.
3
BOSCH Anker Mit Lüfter 120V | Ersatzteile für 4340 | 2610968458
Hersteller: BOSCH
Artikelnummer: EB-F012434000-2610968458
nur Informationsartikel
Nie mehr lieferbar
keine Alternativen
Pos.
4
BOSCH Ein/Aus-Schalter | Ersatzteile für 4340 | 2610968456
Hersteller: BOSCH
Artikelnummer: EB-F012434000-2610968456
nur Informationsartikel
Nie mehr lieferbar
keine Alternativen
Pos.
5
BOSCH Netzanschlussleitung | Ersatzteile für 4340 | 2610354068
Hersteller: BOSCH
Artikelnummer: EB-F012434000-2610354068
nur Informationsartikel
Nie mehr lieferbar
keine Alternativen
Pos.
8
BOSCH Typschild | Ersatzteile für 4340 | 2610993022
Hersteller: BOSCH
Artikelnummer: EB-F012434000-2610993022
nur Informationsartikel
Nie mehr lieferbar
keine Alternativen
Pos.
9
BOSCH Hinweisschild | Ersatzteile für 4340 | 2610908909
Hersteller: BOSCH
Artikelnummer: EB-F012434000-2610908909
nur Informationsartikel
Nie mehr lieferbar
keine Alternativen
Pos.
14
BOSCH Kugellager | Ersatzteile für 4340 | 2610351861
Hersteller: BOSCH
Artikelnummer: EB-F012434000-2610351861
nur Informationsartikel
Nie mehr lieferbar
keine Alternativen
Pos.
16
BOSCH Bürstenhalter | Ersatzteile für 4340 | 2610320548
Hersteller: BOSCH
Artikelnummer: EB-F012434000-2610320548
Netto: 4,54 € zzgl. MwSt.
zzgl. 6,90 € Versand (brutto)
einmalig pro Bestellung

Lieferzeit: 5 Werktage

Pos.
17
BOSCH Elektr Leitung 40 MM | Ersatzteile für 4340 | 2610968496
Hersteller: BOSCH
Artikelnummer: EB-F012434000-2610968496
nur Informationsartikel
Nie mehr lieferbar
keine Alternativen
Pos.
18
BOSCH Passstift | Ersatzteile für 4340 | 2610072554
Hersteller: BOSCH
Artikelnummer: EB-F012434000-2610072554
nur Informationsartikel
Nie mehr lieferbar
keine Alternativen
Pos.
19
BOSCH Anschlussklemme | Ersatzteile für 4340 | 2610329896
Hersteller: BOSCH
Artikelnummer: EB-F012434000-2610329896
Netto: 3,93 € zzgl. MwSt.
zzgl. 6,90 € Versand (brutto)
einmalig pro Bestellung

Lieferzeit: 5 Werktage

Pos.
21
BOSCH Streifenbürste | Ersatzteile für 4340 | 2610329898
Hersteller: BOSCH
Artikelnummer: EB-F012434000-2610329898
nur Informationsartikel
Nie mehr lieferbar
keine Alternativen
Pos.
26
BOSCH Gegengewicht | Ersatzteile für 4340 | 2610385254
Hersteller: BOSCH
Artikelnummer: EB-F012434000-2610385254
nur Informationsartikel
Nie mehr lieferbar
keine Alternativen
Pos.
33
BOSCH Fuss | Ersatzteile für 4340 | 2610908908
Hersteller: BOSCH
Artikelnummer: EB-F012434000-2610908908
nur Informationsartikel
Nie mehr lieferbar
keine Alternativen
Pos.
35
BOSCH Abdeckhaube | Ersatzteile für 4340 | 2610968463
Hersteller: BOSCH
Artikelnummer: EB-F012434000-2610968463
nur Informationsartikel
Nie mehr lieferbar
keine Alternativen
Pos.
36
BOSCH Filzdichtung | Ersatzteile für 4340 | 2610991476
Hersteller: BOSCH
Artikelnummer: EB-F012434000-2610991476
nur Informationsartikel
Nie mehr lieferbar
keine Alternativen
Pos.
37
BOSCH Stösselstange | Ersatzteile für 4340 | 2610991256
Hersteller: BOSCH
Artikelnummer: EB-F012434000-2610991256
nur Informationsartikel
Nie mehr lieferbar
keine Alternativen
Pos.
40
BOSCH Verbindungsleitung 200 MM | Ersatzteile für 4340 | 2610968490
Hersteller: BOSCH
Artikelnummer: EB-F012434000-2610968490
nur Informationsartikel
Nie mehr lieferbar
keine Alternativen
Pos.
41
BOSCH Leiterplatte Bestückt 230V | Ersatzteile für 4340 | 2610968452
Hersteller: BOSCH
Artikelnummer: EB-F012434000-2610968452
nur Informationsartikel
Nie mehr lieferbar
keine Alternativen
Pos.
42
BOSCH Hülse | Ersatzteile für 4340 | 2610326529
Hersteller: BOSCH
Artikelnummer: EB-F012434000-2610326529
nur Informationsartikel
Nie mehr lieferbar
keine Alternativen
Pos.
43
BOSCH Halter | Ersatzteile für 4340 | 2610991480
Hersteller: BOSCH
Artikelnummer: EB-F012434000-2610991480
Netto: 5,34 € zzgl. MwSt.
zzgl. 6,90 € Versand (brutto)
einmalig pro Bestellung

Lieferzeit: 5 Werktage

Pos.
45
BOSCH Mutter | Ersatzteile für 4340 | 2610968473
Hersteller: BOSCH
Artikelnummer: EB-F012434000-2610968473
nur Informationsartikel
Nie mehr lieferbar
keine Alternativen
Pos.
46
BOSCH Scheibe | Ersatzteile für 4340 | 2610346386
Hersteller: BOSCH
Artikelnummer: EB-F012434000-2610346386
nur Informationsartikel
Nie mehr lieferbar
keine Alternativen
Pos.
47
BOSCH Hinweisschild | Ersatzteile für 4340 | 2610967452
Hersteller: BOSCH
Artikelnummer: EB-F012434000-2610967452
Netto: 2,21 € zzgl. MwSt.
zzgl. 6,90 € Versand (brutto)
einmalig pro Bestellung

Lieferzeit: 5 Werktage

Pos.
52
BOSCH Verbindungsleitung 155 MM | Ersatzteile für 4340 | 2610968491
Hersteller: BOSCH
Artikelnummer: EB-F012434000-2610968491
nur Informationsartikel
Nie mehr lieferbar
keine Alternativen
Pos.
54
BOSCH Halter | Ersatzteile für 4340 | 2610352727
Hersteller: BOSCH
Artikelnummer: EB-F012434000-2610352727
nur Informationsartikel
Nie mehr lieferbar
keine Alternativen
Pos.
56
BOSCH Lager | Ersatzteile für 4340 | 2610347566
Hersteller: BOSCH
Artikelnummer: EB-F012434000-2610347566
nur Informationsartikel
Nie mehr lieferbar
keine Alternativen
Pos.
60
BOSCH Schraube | Ersatzteile für 4340 | 1619X00504
Hersteller: BOSCH
Artikelnummer: EB-F012434000-1619X00504
Netto: 3,59 € zzgl. MwSt.
zzgl. 6,90 € Versand (brutto)
einmalig pro Bestellung

Lieferzeit: 5 Werktage

Pos.
63
BOSCH Sechskantschraube | Ersatzteile für 4340 | 2610968495
Hersteller: BOSCH
Artikelnummer: EB-F012434000-2610968495
nur Informationsartikel
Nie mehr lieferbar
keine Alternativen
Pos.
66
BOSCH Flachkopfschraube | Ersatzteile für 4340 | 2610991280
Hersteller: BOSCH
Artikelnummer: EB-F012434000-2610991280
Netto: 3,93 € zzgl. MwSt.
zzgl. 6,90 € Versand (brutto)
einmalig pro Bestellung

Lieferzeit: 5 Werktage

Pos.
85
BOSCH Scheibe | Ersatzteile für 4340 | 2610326586
Hersteller: BOSCH
Artikelnummer: EB-F012434000-2610326586
nur Informationsartikel
Nie mehr lieferbar
keine Alternativen
Pos.
801
BOSCH Gehäuse | Ersatzteile für 4340 | 2610995939
Hersteller: BOSCH
Artikelnummer: EB-F012434000-2610995939
nur Informationsartikel
Nie mehr lieferbar
keine Alternativen
Pos.
810
BOSCH Kohlebürstensatz | Ersatzteile für 4340 | 2609120199
Hersteller: BOSCH
Artikelnummer: EB-F012434000-2609120199
Netto: 8,94 € zzgl. MwSt.
zzgl. 6,90 € Versand (brutto)
einmalig pro Bestellung

Lieferzeit: 5 Werktage

Pos.
825
BOSCH Getriebegehäuse | Ersatzteile für 4340 | 2610991452
Hersteller: BOSCH
Artikelnummer: EB-F012434000-2610991452
Netto: 6,90 € zzgl. MwSt.
zzgl. 6,90 € Versand (brutto)
einmalig pro Bestellung

Lieferzeit: 5 Werktage

Pos.
827
BOSCH Zwischenflansch | Ersatzteile für 4340 | 2610968497
Hersteller: BOSCH
Artikelnummer: EB-F012434000-2610968497
nur Informationsartikel
Nie mehr lieferbar
keine Alternativen

Angaben zur Produktsicherheit

Hersteller:
Robert Bosch Power Tools GmbH
Postfach 30 02 20
70442 Stuttgart

E-Mail:
kontakt@bosch.de