BOSCH Feder | Ersatzteile für 4374 | 2610346793

Artikelnummer: EB-F0154374K1-2610346793

Position: 54

Marke: BOSCH


Bitte Kompatibilität prüfen!

Bitte prüfen Sie unbedingt die 10-stellige Typennummer Ihrer Maschine / Ihres Gerätes. Das Ersatzteil ist nur kompatibel, wenn Sie die Typennummer Ihrer Maschine in der unten stehenden Produktbeschreibung finden.

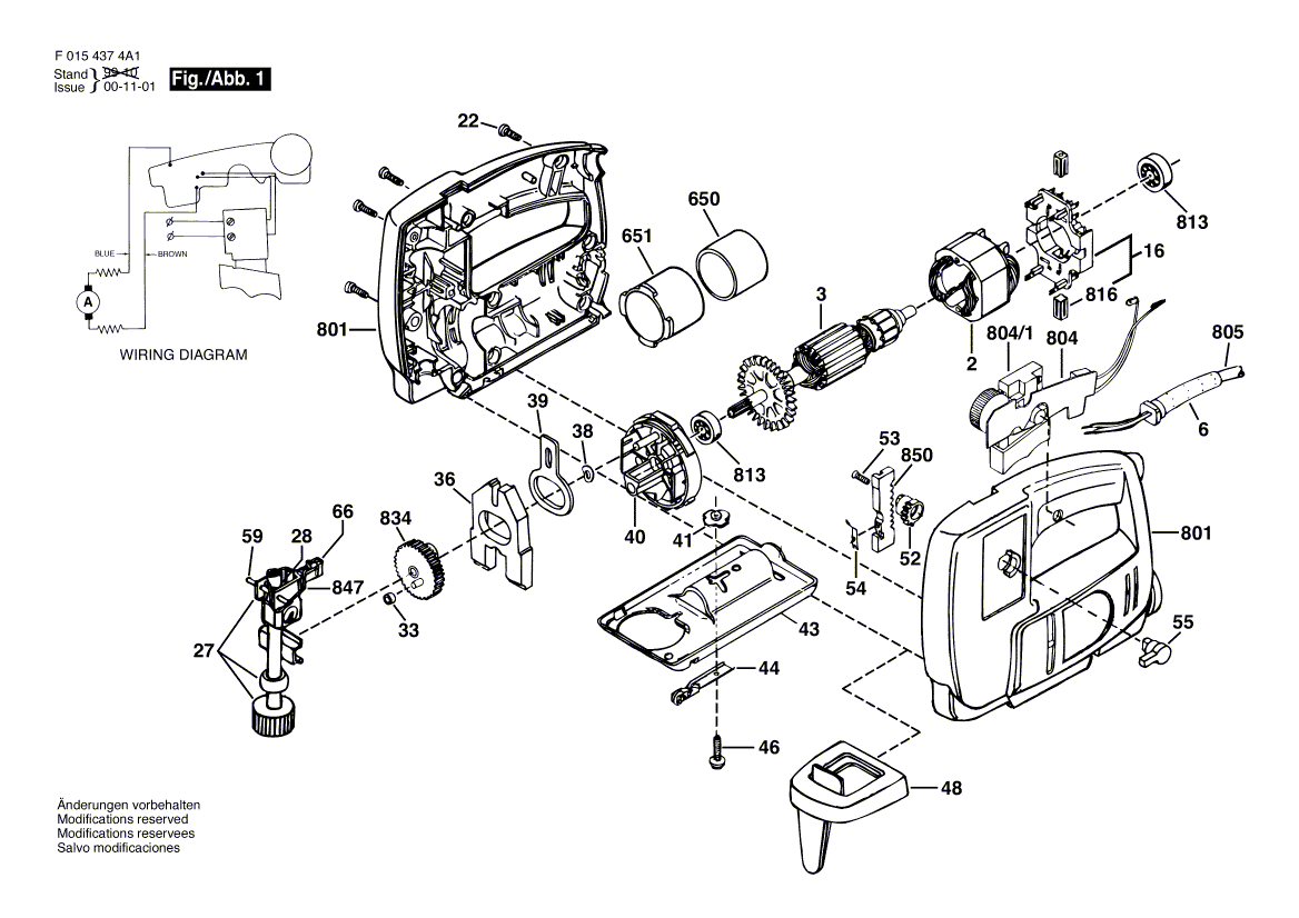
Bitte prüfen Sie ebenfalls detailliert die Explosionszeichnung mit Ihrem Artikelwunsch und der jeweiligen Pos-Nummer.

Alle Elemente, welche vom schwarzen Strich der Pos-Nummer ausgehend berührt / erfasst werden, gehören zu dieser Pos-Nummer und somit zu diesem Artikel. Jede Pos-Nummer ist ein eigenständiger Artikel, welchen Sie in der Auflistung finden.

Sie erhalten stets die aktuellste, neueste Produktversion zu der gewählten Pos-Nummer seitens des Herstellers. Es kann daher je nach Gerätealter vorkommen, dass Sie ggf. weitere, zugehörige Elemente, welche an diese Pos-Nummer grenzen, ebenfalls mittauschen müssen.

Nähere Informationen finden Sie unter dem Link
Hinweise zu Ihrer BOSCH Ersatzteilsuche

Preisübersicht

Einzelpreis: 3,94 €* (Brutto: 4,69 €)
Gesamtpreis: 3,94 €* 
Position:

Lieferzeit: 5 Werktage


Beschreibung

  • Feder
  • Original Bosch Zubehör / BOSCH Ersatzteil (2610346793)
  • im Gerät verbaut: 1
Dieses BOSCH Ersatzteil ist mit folgendem Gerät und Modell kompatibel:
  • BOSCH Gerätename: 4374
  • BOSCH Explosionszeichnung: Position 54
  • BOSCH Typennummer: F0154374K1
  • BOSCH Typennummer alternative Schreibweisen: F 015 437 4K1, F015 437 4K1, F.015.437.4K1, F-015-437-4K1
    Bitte prüfen Sie diese Typennummer auf Ihrem Gerät um die Kompatibilität des BOSCH Ersatzteils zu gewährleisten.
Weitere BOSCH Ersatzteile des Gerätes 4374 (Stichsäge) mit der Typennummer F0154374K1 finden Sie in der nachfolgenden Darstellung und im Dropdown zu Ihrer Auswahl:

Pos.
804/1
BOSCH Ein/Aus-Schalter ROT | Ersatzteile für 4374 | 2610390738
Hersteller: BOSCH
Artikelnummer: EB-F0154374K1-2610390738
nur Informationsartikel
Nie mehr lieferbar
keine Alternativen
Pos.
2
BOSCH Polschuh 230V | Ersatzteile für 4374 | 2610389035
Hersteller: BOSCH
Artikelnummer: EB-F0154374K1-2610389035
nur Informationsartikel
Nie mehr lieferbar
keine Alternativen
Pos.
3
BOSCH Anker 230V | Ersatzteile für 4374 | 2610389036
Hersteller: BOSCH
Artikelnummer: EB-F0154374K1-2610389036
nur Informationsartikel
Nie mehr lieferbar
keine Alternativen
Pos.
6
BOSCH Tülle | Ersatzteile für 4374 | 2610360176
Hersteller: BOSCH
Artikelnummer: EB-F0154374K1-2610360176
Netto: 3,94 € zzgl. MwSt.
zzgl. 6,90 € Versand (brutto)
einmalig pro Bestellung

Lieferzeit: 5 Werktage

Pos.
16
BOSCH Bürstenplatte | Ersatzteile für 4374 | 2610391898
Hersteller: BOSCH
Artikelnummer: EB-F0154374K1-2610391898
nur Informationsartikel
Nie mehr lieferbar
keine Alternativen
Pos.
22
BOSCH Torx-Linsenschraube T20-8x19 MM | Ersatzteile für 4374 | 2610374919
Hersteller: BOSCH
Artikelnummer: EB-F0154374K1-2610374919
Netto: 3,60 € zzgl. MwSt.
zzgl. 6,90 € Versand (brutto)
einmalig pro Bestellung

Lieferzeit: 5 Werktage

Pos.
27
BOSCH Hubstange ROT | Ersatzteile für 4374 | 2610389756
Hersteller: BOSCH
Artikelnummer: EB-F0154374K1-2610389756
nur Informationsartikel
Nie mehr lieferbar
keine Alternativen
Pos.
28
BOSCH Lager | Ersatzteile für 4374 | 2610386542
Hersteller: BOSCH
Artikelnummer: EB-F0154374K1-2610386542
nur Informationsartikel
Nie mehr lieferbar
keine Alternativen
Pos.
33
BOSCH Buchse | Ersatzteile für 4374 | 2610387014
Hersteller: BOSCH
Artikelnummer: EB-F0154374K1-2610387014
nur Informationsartikel
Nie mehr lieferbar
keine Alternativen
Pos.
36
BOSCH Gegengewicht | Ersatzteile für 4374 | 2610385254
Hersteller: BOSCH
Artikelnummer: EB-F0154374K1-2610385254
nur Informationsartikel
Nie mehr lieferbar
keine Alternativen
Pos.
38
BOSCH Scheibe | Ersatzteile für 4374 | 2610386095
Hersteller: BOSCH
Artikelnummer: EB-F0154374K1-2610386095
nur Informationsartikel
Nie mehr lieferbar
keine Alternativen
Pos.
39
BOSCH Stössel | Ersatzteile für 4374 | 2610386053
Hersteller: BOSCH
Artikelnummer: EB-F0154374K1-2610386053
nur Informationsartikel
Nie mehr lieferbar
keine Alternativen
Pos.
40
BOSCH Lagerdeckel | Ersatzteile für 4374 | 2610388369
Hersteller: BOSCH
Artikelnummer: EB-F0154374K1-2610388369
nur Informationsartikel
Nie mehr lieferbar
keine Alternativen
Pos.
41
BOSCH Mutter | Ersatzteile für 4374 | 2610387920
Hersteller: BOSCH
Artikelnummer: EB-F0154374K1-2610387920
nur Informationsartikel
Nie mehr lieferbar
keine Alternativen
Pos.
43
BOSCH Fussplatte | Ersatzteile für 4374 | 2610386395
Hersteller: BOSCH
Artikelnummer: EB-F0154374K1-2610386395
nur Informationsartikel
Nie mehr lieferbar
keine Alternativen
Pos.
44
BOSCH Profilleiste | Ersatzteile für 4374 | 2610387799
Hersteller: BOSCH
Artikelnummer: EB-F0154374K1-2610387799
nur Informationsartikel
Nie mehr lieferbar
keine Alternativen
Pos.
46
BOSCH Schraube | Ersatzteile für 4374 | 2610062425
Hersteller: BOSCH
Artikelnummer: EB-F0154374K1-2610062425
nur Informationsartikel
Nie mehr lieferbar
keine Alternativen
Pos.
48
BOSCH Abdeckhaube | Ersatzteile für 4374 | 2610387781
Hersteller: BOSCH
Artikelnummer: EB-F0154374K1-2610387781
nur Informationsartikel
Nie mehr lieferbar
keine Alternativen
Pos.
52
BOSCH Nocken | Ersatzteile für 4374 | 2610346317
Hersteller: BOSCH
Artikelnummer: EB-F0154374K1-2610346317
nur Informationsartikel
Nie mehr lieferbar
keine Alternativen
Pos.
53
BOSCH Schraube | Ersatzteile für 4374 | 2610327772
Hersteller: BOSCH
Artikelnummer: EB-F0154374K1-2610327772
nur Informationsartikel
Nie mehr lieferbar
keine Alternativen
Pos.
54
BOSCH Feder | Ersatzteile für 4374 | 2610346793
Hersteller: BOSCH
Artikelnummer: EB-F0154374K1-2610346793
Netto: 3,94 € zzgl. MwSt.
zzgl. 6,90 € Versand (brutto)
einmalig pro Bestellung

Lieferzeit: 5 Werktage

Pos.
55
BOSCH Schalthebel ROT | Ersatzteile für 4374 | 2610389759
Hersteller: BOSCH
Artikelnummer: EB-F0154374K1-2610389759
nur Informationsartikel
Nie mehr lieferbar
keine Alternativen
Pos.
59
BOSCH Stift | Ersatzteile für 4374 | 2610386102
Hersteller: BOSCH
Artikelnummer: EB-F0154374K1-2610386102
nur Informationsartikel
Nie mehr lieferbar
keine Alternativen
Pos.
66
BOSCH Wagen | Ersatzteile für 4374 | 2610385958
Hersteller: BOSCH
Artikelnummer: EB-F0154374K1-2610385958
nur Informationsartikel
Nie mehr lieferbar
keine Alternativen
Pos.
650
BOSCH Distanzscheibe | Ersatzteile für 4374 | 2610355596
Hersteller: BOSCH
Artikelnummer: EB-F0154374K1-2610355596
nur Informationsartikel
Nie mehr lieferbar
keine Alternativen
Pos.
651
BOSCH Staubabsaugung | Ersatzteile für 4374 | 2610384418
Hersteller: BOSCH
Artikelnummer: EB-F0154374K1-2610384418
nur Informationsartikel
Nie mehr lieferbar
keine Alternativen
Pos.
801
BOSCH Motorgehäuse | Ersatzteile für 4374 | 2610388050
Hersteller: BOSCH
Artikelnummer: EB-F0154374K1-2610388050
nur Informationsartikel
Nie mehr lieferbar
keine Alternativen
Pos.
804
BOSCH Schaltersatz ROT | Ersatzteile für 4374 | 2610390737
Hersteller: BOSCH
Artikelnummer: EB-F0154374K1-2610390737
nur Informationsartikel
Nie mehr lieferbar
keine Alternativen
Pos.
805
BOSCH Netzanschlussleitung GB 230V | Ersatzteile für 4374 | 2610376418
Hersteller: BOSCH
Artikelnummer: EB-F0154374K1-2610376418
nur Informationsartikel
Nie mehr lieferbar
keine Alternativen
Pos.
813
BOSCH Rillenkugellager 8x22x7 | Ersatzteile für 4374 | 2600905052
Hersteller: BOSCH
Artikelnummer: EB-F0154374K1-2600905052
Netto: 7,66 € zzgl. MwSt.
zzgl. 6,90 € Versand (brutto)
einmalig pro Bestellung

Lieferzeit: 5 Werktage

Pos.
816
BOSCH Kohlebürstensatz | Ersatzteile für 4374 | 2610386546
Hersteller: BOSCH
Artikelnummer: EB-F0154374K1-2610386546
nur Informationsartikel
Nie mehr lieferbar
keine Alternativen
Pos.
834
BOSCH Zahnradsatz | Ersatzteile für 4374 | 2610386701
Hersteller: BOSCH
Artikelnummer: EB-F0154374K1-2610386701
nur Informationsartikel
Nie mehr lieferbar
keine Alternativen
Pos.
847
BOSCH Feder | Ersatzteile für 4374 | 2610385991
Hersteller: BOSCH
Artikelnummer: EB-F0154374K1-2610385991
nur Informationsartikel
Nie mehr lieferbar
keine Alternativen
Pos.
850
BOSCH Schutzkappe | Ersatzteile für 4374 | 2610388779
Hersteller: BOSCH
Artikelnummer: EB-F0154374K1-2610388779
nur Informationsartikel
Nie mehr lieferbar
keine Alternativen

Angaben zur Produktsicherheit

Hersteller:
Robert Bosch Power Tools GmbH
Postfach 30 02 20
70442 Stuttgart

E-Mail:
kontakt@bosch.de