BOSCH Platte | Ersatzteile für 4461 H1 | 2610346351

Artikelnummer: EB-F0154461R1-2610346351

Position: 44

Marke: BOSCH


Bitte Kompatibilität prüfen!

Bitte prüfen Sie unbedingt die 10-stellige Typennummer Ihrer Maschine / Ihres Gerätes. Das Ersatzteil ist nur kompatibel, wenn Sie die Typennummer Ihrer Maschine in der unten stehenden Produktbeschreibung finden.

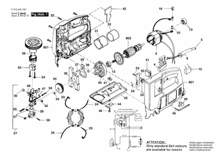
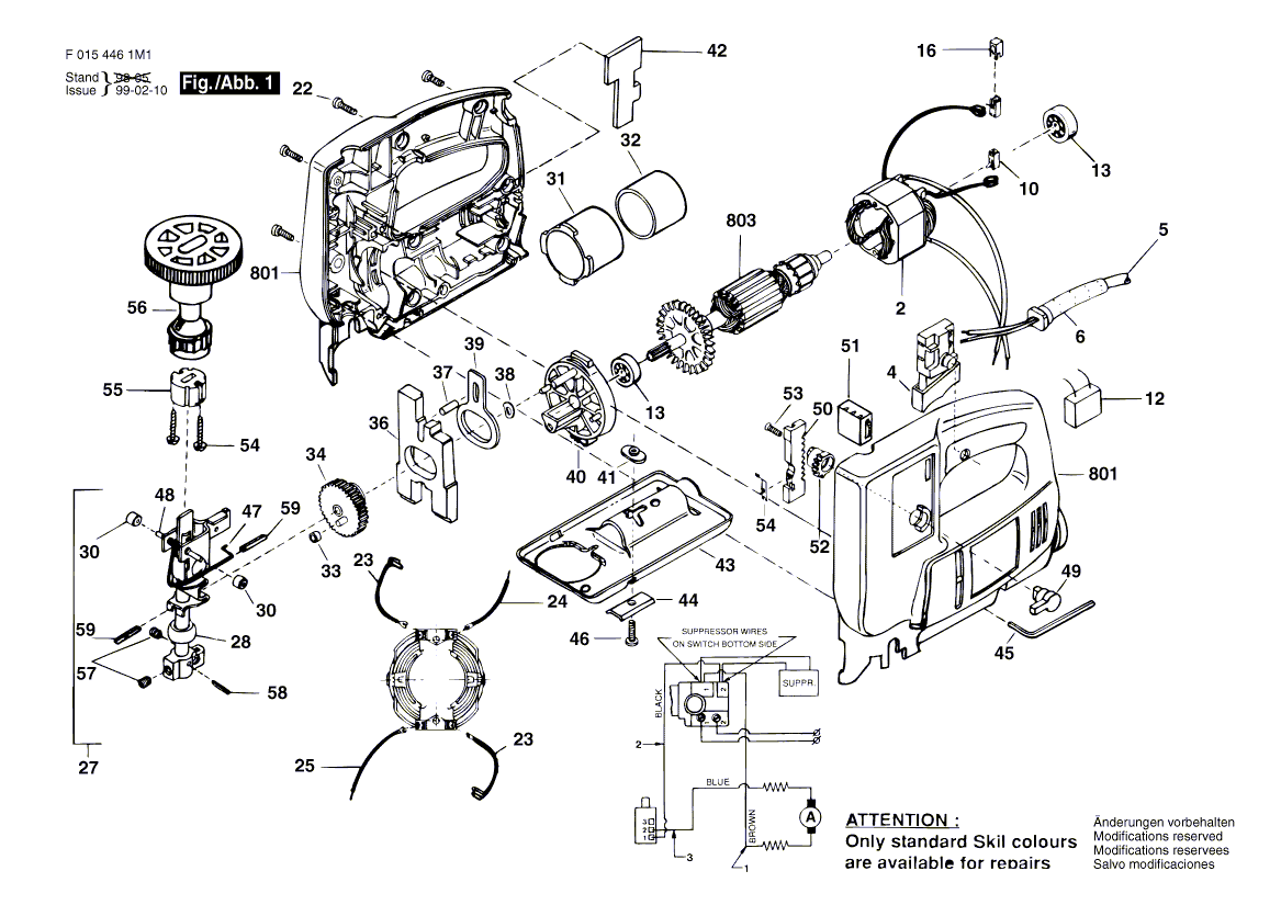
Bitte prüfen Sie ebenfalls detailliert die Explosionszeichnung mit Ihrem Artikelwunsch und der jeweiligen Pos-Nummer.

Alle Elemente, welche vom schwarzen Strich der Pos-Nummer ausgehend berührt / erfasst werden, gehören zu dieser Pos-Nummer und somit zu diesem Artikel. Jede Pos-Nummer ist ein eigenständiger Artikel, welchen Sie in der Auflistung finden.

Sie erhalten stets die aktuellste, neueste Produktversion zu der gewählten Pos-Nummer seitens des Herstellers. Es kann daher je nach Gerätealter vorkommen, dass Sie ggf. weitere, zugehörige Elemente, welche an diese Pos-Nummer grenzen, ebenfalls mittauschen müssen.

Nähere Informationen finden Sie unter dem Link
Hinweise zu Ihrer BOSCH Ersatzteilsuche

Preisübersicht

Einzelpreis: 3,94 €* (Brutto: 4,69 €)
Gesamtpreis: 3,94 €* 
Position:

Lieferzeit: 5 Werktage


Beschreibung

  • Platte
  • Original Bosch Zubehör / BOSCH Ersatzteil (2610346351)
  • im Gerät verbaut: 1
Dieses BOSCH Ersatzteil ist mit folgendem Gerät und Modell kompatibel:
  • BOSCH Gerätename: 4461 H1
  • BOSCH Explosionszeichnung: Position 44
  • BOSCH Typennummer: F0154461R1
  • BOSCH Typennummer alternative Schreibweisen: F 015 446 1R1, F015 446 1R1, F.015.446.1R1, F-015-446-1R1
    Bitte prüfen Sie diese Typennummer auf Ihrem Gerät um die Kompatibilität des BOSCH Ersatzteils zu gewährleisten.
Weitere BOSCH Ersatzteile des Gerätes 4461 H1 (Stichsäge) mit der Typennummer F0154461R1 finden Sie in der nachfolgenden Darstellung und im Dropdown zu Ihrer Auswahl:

Pos.
2
BOSCH Polschuh 230V | Ersatzteile für 4461 H1 | 2610384916
Hersteller: BOSCH
Artikelnummer: EB-F0154461R1-2610384916
nur Informationsartikel
Nie mehr lieferbar
keine Alternativen
Pos.
4
BOSCH Schalter | Ersatzteile für 4461 H1 | 2610385866
Hersteller: BOSCH
Artikelnummer: EB-F0154461R1-2610385866
nur Informationsartikel
Nie mehr lieferbar
keine Alternativen
Pos.
5
BOSCH Netzanschlussleitung CH 2,75m 2 x 1,0mm H05 VV-F | Ersatzteile für 4461 H1 | 2610371799
Hersteller: BOSCH
Artikelnummer: EB-F0154461R1-2610371799
nur Informationsartikel
Nie mehr lieferbar
keine Alternativen
Pos.
6
BOSCH Tülle | Ersatzteile für 4461 H1 | 2610360176
Hersteller: BOSCH
Artikelnummer: EB-F0154461R1-2610360176
Netto: 3,94 € zzgl. MwSt.
zzgl. 6,90 € Versand (brutto)
einmalig pro Bestellung

Lieferzeit: 5 Werktage

Pos.
10
BOSCH Bürstenhalter | Ersatzteile für 4461 H1 | 2610376874
Hersteller: BOSCH
Artikelnummer: EB-F0154461R1-2610376874
nur Informationsartikel
Nie mehr lieferbar
keine Alternativen
Pos.
12
BOSCH Störunterdrückung | Ersatzteile für 4461 H1 | 2610385352
Hersteller: BOSCH
Artikelnummer: EB-F0154461R1-2610385352
nur Informationsartikel
Nie mehr lieferbar
keine Alternativen
Pos.
13
BOSCH Rillenkugellager 8x22x7 | Ersatzteile für 4461 H1 | 2600905052
Hersteller: BOSCH
Artikelnummer: EB-F0154461R1-2600905052
Netto: 7,76 € zzgl. MwSt.
zzgl. 6,90 € Versand (brutto)
einmalig pro Bestellung

Lieferzeit: 5 Werktage

Pos.
16
BOSCH Buchse | Ersatzteile für 4461 H1 | 2610373315
Hersteller: BOSCH
Artikelnummer: EB-F0154461R1-2610373315
nur Informationsartikel
Nie mehr lieferbar
keine Alternativen
Pos.
22
BOSCH Torx-Linsenschraube T20-8x19 MM | Ersatzteile für 4461 H1 | 2610374919
Hersteller: BOSCH
Artikelnummer: EB-F0154461R1-2610374919
Netto: 3,63 € zzgl. MwSt.
zzgl. 6,90 € Versand (brutto)
einmalig pro Bestellung

Lieferzeit: 5 Werktage

Pos.
23
BOSCH Drossel GRUEN | Ersatzteile für 4461 H1 | 2610376580
Hersteller: BOSCH
Artikelnummer: EB-F0154461R1-2610376580
nur Informationsartikel
Nie mehr lieferbar
keine Alternativen
Pos.
24
BOSCH Draht BLAU | Ersatzteile für 4461 H1 | 2610385053
Hersteller: BOSCH
Artikelnummer: EB-F0154461R1-2610385053
nur Informationsartikel
Nie mehr lieferbar
keine Alternativen
Pos.
25
BOSCH Draht BRAUN | Ersatzteile für 4461 H1 | 2610384413
Hersteller: BOSCH
Artikelnummer: EB-F0154461R1-2610384413
nur Informationsartikel
Nie mehr lieferbar
keine Alternativen
Pos.
27
BOSCH Achse | Ersatzteile für 4461 H1 | 2610374975
Hersteller: BOSCH
Artikelnummer: EB-F0154461R1-2610374975
nur Informationsartikel
Nie mehr lieferbar
keine Alternativen
Pos.
28
BOSCH Lager | Ersatzteile für 4461 H1 | 2610347566
Hersteller: BOSCH
Artikelnummer: EB-F0154461R1-2610347566
nur Informationsartikel
Nie mehr lieferbar
keine Alternativen
Pos.
30
BOSCH Lager | Ersatzteile für 4461 H1 | 2610346373
Hersteller: BOSCH
Artikelnummer: EB-F0154461R1-2610346373
nur Informationsartikel
Nie mehr lieferbar
keine Alternativen
Pos.
31
BOSCH Staubabsaugung | Ersatzteile für 4461 H1 | 2610384418
Hersteller: BOSCH
Artikelnummer: EB-F0154461R1-2610384418
nur Informationsartikel
Nie mehr lieferbar
keine Alternativen
Pos.
32
BOSCH Distanzscheibe | Ersatzteile für 4461 H1 | 2610355596
Hersteller: BOSCH
Artikelnummer: EB-F0154461R1-2610355596
nur Informationsartikel
Nie mehr lieferbar
keine Alternativen
Pos.
33
BOSCH Hülse | Ersatzteile für 4461 H1 | 2610326529
Hersteller: BOSCH
Artikelnummer: EB-F0154461R1-2610326529
nur Informationsartikel
Nie mehr lieferbar
keine Alternativen
Pos.
34
BOSCH Zahnrad | Ersatzteile für 4461 H1 | 2610374000
Hersteller: BOSCH
Artikelnummer: EB-F0154461R1-2610374000
nur Informationsartikel
Nie mehr lieferbar
keine Alternativen
Pos.
36
BOSCH Gegengewicht | Ersatzteile für 4461 H1 | 2610346330
Hersteller: BOSCH
Artikelnummer: EB-F0154461R1-2610346330
Netto: 5,67 € zzgl. MwSt.
zzgl. 6,90 € Versand (brutto)
einmalig pro Bestellung

Lieferzeit: 5 Werktage

Pos.
37
BOSCH Passstift | Ersatzteile für 4461 H1 | 2610072554
Hersteller: BOSCH
Artikelnummer: EB-F0154461R1-2610072554
nur Informationsartikel
Nie mehr lieferbar
keine Alternativen
Pos.
38
BOSCH Scheibe | Ersatzteile für 4461 H1 | 2610346386
Hersteller: BOSCH
Artikelnummer: EB-F0154461R1-2610346386
nur Informationsartikel
Nie mehr lieferbar
keine Alternativen
Pos.
39
BOSCH Stössel | Ersatzteile für 4461 H1 | 2610386053
Hersteller: BOSCH
Artikelnummer: EB-F0154461R1-2610386053
nur Informationsartikel
Nie mehr lieferbar
keine Alternativen
Pos.
40
BOSCH Lagerdeckel | Ersatzteile für 4461 H1 | 2610384412
Hersteller: BOSCH
Artikelnummer: EB-F0154461R1-2610384412
nur Informationsartikel
Nie mehr lieferbar
keine Alternativen
Pos.
41
BOSCH Mutter | Ersatzteile für 4461 H1 | 2610346381
Hersteller: BOSCH
Artikelnummer: EB-F0154461R1-2610346381
nur Informationsartikel
Nie mehr lieferbar
keine Alternativen
Pos.
42
BOSCH Filzdichtung | Ersatzteile für 4461 H1 | 2610373995
Hersteller: BOSCH
Artikelnummer: EB-F0154461R1-2610373995
nur Informationsartikel
Nie mehr lieferbar
keine Alternativen
Pos.
43
BOSCH Fuss | Ersatzteile für 4461 H1 | 2610385611
Hersteller: BOSCH
Artikelnummer: EB-F0154461R1-2610385611
nur Informationsartikel
Nie mehr lieferbar
keine Alternativen
Pos.
44
BOSCH Platte | Ersatzteile für 4461 H1 | 2610346351
Hersteller: BOSCH
Artikelnummer: EB-F0154461R1-2610346351
Netto: 3,94 € zzgl. MwSt.
zzgl. 6,90 € Versand (brutto)
einmalig pro Bestellung

Lieferzeit: 5 Werktage

Pos.
45
BOSCH Innensechskantschlüssel 1/8" | Ersatzteile für 4461 H1 | 2610001643
Hersteller: BOSCH
Artikelnummer: EB-F0154461R1-2610001643
nur Informationsartikel
Nie mehr lieferbar
keine Alternativen
Pos.
46
BOSCH Schraube | Ersatzteile für 4461 H1 | 2610356029
Hersteller: BOSCH
Artikelnummer: EB-F0154461R1-2610356029
nur Informationsartikel
Nie mehr lieferbar
keine Alternativen
Pos.
47
BOSCH Feder | Ersatzteile für 4461 H1 | 2610385991
Hersteller: BOSCH
Artikelnummer: EB-F0154461R1-2610385991
nur Informationsartikel
Nie mehr lieferbar
keine Alternativen
Pos.
48
BOSCH Stift | Ersatzteile für 4461 H1 | 2610346796
Hersteller: BOSCH
Artikelnummer: EB-F0154461R1-2610346796
nur Informationsartikel
Nie mehr lieferbar
keine Alternativen
Pos.
49
BOSCH Schalthebel ROT | Ersatzteile für 4461 H1 | 2610390710
Hersteller: BOSCH
Artikelnummer: EB-F0154461R1-2610390710
nur Informationsartikel
Nie mehr lieferbar
keine Alternativen
Pos.
50
BOSCH Schutzkappe | Ersatzteile für 4461 H1 | 2610388779
Hersteller: BOSCH
Artikelnummer: EB-F0154461R1-2610388779
nur Informationsartikel
Nie mehr lieferbar
keine Alternativen
Pos.
51
BOSCH Drehzahlregler | Ersatzteile für 4461 H1 | 2610385867
Hersteller: BOSCH
Artikelnummer: EB-F0154461R1-2610385867
nur Informationsartikel
Nie mehr lieferbar
keine Alternativen
Pos.
52
BOSCH Nocken | Ersatzteile für 4461 H1 | 2610346317
Hersteller: BOSCH
Artikelnummer: EB-F0154461R1-2610346317
nur Informationsartikel
Nie mehr lieferbar
keine Alternativen
Pos.
53
BOSCH Schraube | Ersatzteile für 4461 H1 | 2610327772
Hersteller: BOSCH
Artikelnummer: EB-F0154461R1-2610327772
nur Informationsartikel
Nie mehr lieferbar
keine Alternativen
Pos.
54
BOSCH Feder | Ersatzteile für 4461 H1 | 2610346793
Hersteller: BOSCH
Artikelnummer: EB-F0154461R1-2610346793
Netto: 3,94 € zzgl. MwSt.
zzgl. 6,90 € Versand (brutto)
einmalig pro Bestellung

Lieferzeit: 5 Werktage

Pos.
55
BOSCH Lager | Ersatzteile für 4461 H1 | 2610346357
Hersteller: BOSCH
Artikelnummer: EB-F0154461R1-2610346357
nur Informationsartikel
Nie mehr lieferbar
keine Alternativen
Pos.
56
BOSCH Knopfsatz | Ersatzteile für 4461 H1 | 2610387532
Hersteller: BOSCH
Artikelnummer: EB-F0154461R1-2610387532
nur Informationsartikel
Nie mehr lieferbar
keine Alternativen
Pos.
57
BOSCH Kombi-Schraube | Ersatzteile für 4461 H1 | 2610901970
Hersteller: BOSCH
Artikelnummer: EB-F0154461R1-2610901970
nur Informationsartikel
Nie mehr lieferbar
keine Alternativen
Pos.
59
BOSCH Zylinderstift | Ersatzteile für 4461 H1 | 2610020387
Hersteller: BOSCH
Artikelnummer: EB-F0154461R1-2610020387
nur Informationsartikel
Nie mehr lieferbar
keine Alternativen
Pos.
801
BOSCH Gehäuse | Ersatzteile für 4461 H1 | 2610384444
Hersteller: BOSCH
Artikelnummer: EB-F0154461R1-2610384444
nur Informationsartikel
Nie mehr lieferbar
keine Alternativen
Pos.
803
BOSCH Anker 240V | Ersatzteile für 4461 H1 | 2610385194
Hersteller: BOSCH
Artikelnummer: EB-F0154461R1-2610385194
nur Informationsartikel
Nie mehr lieferbar
keine Alternativen

Angaben zur Produktsicherheit

Hersteller:
Robert Bosch Power Tools GmbH
Postfach 30 02 20
70442 Stuttgart

E-Mail:
kontakt@bosch.de