BOSCH Knopffeder | Ersatzteile für 4580 | 1619X01041

Artikelnummer: EB-F012458001-1619X01041

Position: 68

Marke: BOSCH


Bitte Kompatibilität prüfen!

Bitte prüfen Sie unbedingt die 10-stellige Typennummer Ihrer Maschine / Ihres Gerätes. Das Ersatzteil ist nur kompatibel, wenn Sie die Typennummer Ihrer Maschine in der unten stehenden Produktbeschreibung finden.

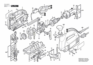
Bitte prüfen Sie ebenfalls detailliert die Explosionszeichnung mit Ihrem Artikelwunsch und der jeweiligen Pos-Nummer.

Alle Elemente, welche vom schwarzen Strich der Pos-Nummer ausgehend berührt / erfasst werden, gehören zu dieser Pos-Nummer und somit zu diesem Artikel. Jede Pos-Nummer ist ein eigenständiger Artikel, welchen Sie in der Auflistung finden.

Sie erhalten stets die aktuellste, neueste Produktversion zu der gewählten Pos-Nummer seitens des Herstellers. Es kann daher je nach Gerätealter vorkommen, dass Sie ggf. weitere, zugehörige Elemente, welche an diese Pos-Nummer grenzen, ebenfalls mittauschen müssen.

Nähere Informationen finden Sie unter dem Link
Hinweise zu Ihrer BOSCH Ersatzteilsuche

Preisübersicht

Einzelpreis: 0,62 €* (Brutto: 0,74 €)
Gesamtpreis: 0,62 €* 
Position:

Lieferzeit: 5 Werktage


Beschreibung

  • Knopffeder
  • Original Bosch Zubehör / BOSCH Ersatzteil (1619X01041)
  • im Gerät verbaut: 1
Dieses BOSCH Ersatzteil ist mit folgendem Gerät und Modell kompatibel:
  • BOSCH Gerätename: 4580
  • BOSCH Explosionszeichnung: Position 68
  • BOSCH Typennummer: F012458001
  • BOSCH Typennummer alternative Schreibweisen: F 012 458 001, F012 458 001, F.012.458.001, F-012-458-001
    Bitte prüfen Sie diese Typennummer auf Ihrem Gerät um die Kompatibilität des BOSCH Ersatzteils zu gewährleisten.
Weitere BOSCH Ersatzteile des Gerätes 4580 (Stichsäge) mit der Typennummer F012458001 finden Sie in der nachfolgenden Darstellung und im Dropdown zu Ihrer Auswahl:

Pos.
1
BOSCH Gehäusesatz | Ersatzteile für 4580 | 2610913987
Hersteller: BOSCH
Artikelnummer: EB-F012458001-2610913987
nur Informationsartikel
Nie mehr lieferbar
keine Alternativen
Pos.
2
BOSCH Polschuh 120V | Ersatzteile für 4580 | 1619P00990
Hersteller: BOSCH
Artikelnummer: EB-F012458001-1619P00990
Netto: 11,08 € zzgl. MwSt.
zzgl. 6,90 € Versand (brutto)
einmalig pro Bestellung

Lieferzeit: 5 Werktage

Pos.
3
BOSCH Anker 120V | Ersatzteile für 4580 | 1619P00986
Hersteller: BOSCH
Artikelnummer: EB-F012458001-1619P00986
Netto: 18,23 € zzgl. MwSt.
zzgl. 6,90 € Versand (brutto)
einmalig pro Bestellung

Lieferzeit: 5 Werktage

Pos.
4
BOSCH Ein/Aus-Schalter | Ersatzteile für 4580 | 2610923968
Hersteller: BOSCH
Artikelnummer: EB-F012458001-2610923968
Netto: 6,70 € zzgl. MwSt.
zzgl. 6,90 € Versand (brutto)
einmalig pro Bestellung

Lieferzeit: 5 Werktage

Pos.
8
BOSCH Typschild | Ersatzteile für 4580 | 1619X00414
Hersteller: BOSCH
Artikelnummer: EB-F012458001-1619X00414
nur Informationsartikel
Nie mehr lieferbar
keine Alternativen
Pos.
9
BOSCH Firmenschild | Ersatzteile für 4580 | 2610915224
Hersteller: BOSCH
Artikelnummer: EB-F012458001-2610915224
nur Informationsartikel
Nie mehr lieferbar
keine Alternativen
Pos.
13
BOSCH Lagerbuchse | Ersatzteile für 4580 | 2610967219
Hersteller: BOSCH
Artikelnummer: EB-F012458001-2610967219
nur Informationsartikel
Nie mehr lieferbar
keine Alternativen
Pos.
14
BOSCH Kugellager | Ersatzteile für 4580 | 2610917489
Hersteller: BOSCH
Artikelnummer: EB-F012458001-2610917489
Netto: 9,18 € zzgl. MwSt.
zzgl. 6,90 € Versand (brutto)
einmalig pro Bestellung

Lieferzeit: 5 Werktage

Pos.
15
BOSCH Haltering | Ersatzteile für 4580 | 2610931268
Hersteller: BOSCH
Artikelnummer: EB-F012458001-2610931268
nur Informationsartikel
Nie mehr lieferbar
keine Alternativen
Pos.
16
BOSCH Bürstenhalter | Ersatzteile für 4580 | 2610320548
Hersteller: BOSCH
Artikelnummer: EB-F012458001-2610320548
Netto: 4,53 € zzgl. MwSt.
zzgl. 6,90 € Versand (brutto)
einmalig pro Bestellung

Lieferzeit: 5 Werktage

Pos.
19
BOSCH Schraube 4x16 | Ersatzteile für 4580 | 2603490022
Hersteller: BOSCH
Artikelnummer: EB-F012458001-2603490022
Netto: 3,63 € zzgl. MwSt.
zzgl. 6,90 € Versand (brutto)
einmalig pro Bestellung

Lieferzeit: 5 Werktage

Pos.
21
BOSCH Streifenbürste | Ersatzteile für 4580 | 2610329898
Hersteller: BOSCH
Artikelnummer: EB-F012458001-2610329898
nur Informationsartikel
Nie mehr lieferbar
keine Alternativen
Pos.
22
BOSCH Elektr Leitung 40 MM | Ersatzteile für 4580 | 2610968496
Hersteller: BOSCH
Artikelnummer: EB-F012458001-2610968496
nur Informationsartikel
Nie mehr lieferbar
keine Alternativen
Pos.
23
BOSCH Anschlussklemme | Ersatzteile für 4580 | 2610329896
Hersteller: BOSCH
Artikelnummer: EB-F012458001-2610329896
Netto: 3,94 € zzgl. MwSt.
zzgl. 6,90 € Versand (brutto)
einmalig pro Bestellung

Lieferzeit: 5 Werktage

Pos.
28
BOSCH Schieber | Ersatzteile für 4580 | 2610914014
Hersteller: BOSCH
Artikelnummer: EB-F012458001-2610914014
Netto: 4,53 € zzgl. MwSt.
zzgl. 6,90 € Versand (brutto)
einmalig pro Bestellung

Lieferzeit: 5 Werktage

Pos.
29
BOSCH Gegengewicht | Ersatzteile für 4580 | 2610913999
Hersteller: BOSCH
Artikelnummer: EB-F012458001-2610913999
nur Informationsartikel
Nie mehr lieferbar
keine Alternativen
Pos.
30
BOSCH Fingerwelle | Ersatzteile für 4580 | 2610914016
Hersteller: BOSCH
Artikelnummer: EB-F012458001-2610914016
Netto: 3,94 € zzgl. MwSt.
zzgl. 6,90 € Versand (brutto)
einmalig pro Bestellung

Lieferzeit: 5 Werktage

Pos.
34
BOSCH Sinterbuchse | Ersatzteile für 4580 | 2610914010
Hersteller: BOSCH
Artikelnummer: EB-F012458001-2610914010
Netto: 0,62 € zzgl. MwSt.
zzgl. 6,90 € Versand (brutto)
einmalig pro Bestellung

Lieferzeit: 5 Werktage

Pos.
35
BOSCH Sinterbuchse | Ersatzteile für 4580 | 2610914007
Hersteller: BOSCH
Artikelnummer: EB-F012458001-2610914007
nur Informationsartikel
Nie mehr lieferbar
keine Alternativen
Pos.
42
BOSCH Federclip | Ersatzteile für 4580 | 2610914011
Hersteller: BOSCH
Artikelnummer: EB-F012458001-2610914011
Netto: 0,62 € zzgl. MwSt.
zzgl. 6,90 € Versand (brutto)
einmalig pro Bestellung

Lieferzeit: 5 Werktage

Pos.
52
BOSCH Hebelarm | Ersatzteile für 4580 | 2610914015
Hersteller: BOSCH
Artikelnummer: EB-F012458001-2610914015
nur Informationsartikel
Nie mehr lieferbar
keine Alternativen
Pos.
54
BOSCH Stativfuss | Ersatzteile für 4580 | 2610916603
Hersteller: BOSCH
Artikelnummer: EB-F012458001-2610916603
Netto: 9,72 € zzgl. MwSt.
zzgl. 6,90 € Versand (brutto)
einmalig pro Bestellung

Lieferzeit: 5 Werktage

Pos.
55
BOSCH Stützwinkel | Ersatzteile für 4580 | 2610914018
Hersteller: BOSCH
Artikelnummer: EB-F012458001-2610914018
nur Informationsartikel
Nie mehr lieferbar
keine Alternativen
Pos.
56
BOSCH Leitrolle | Ersatzteile für 4580 | 2610914884
Hersteller: BOSCH
Artikelnummer: EB-F012458001-2610914884
nur Informationsartikel
Nie mehr lieferbar
keine Alternativen
Pos.
57
BOSCH Spiralspannstift | Ersatzteile für 4580 | 2610913996
Hersteller: BOSCH
Artikelnummer: EB-F012458001-2610913996
nur Informationsartikel
Nie mehr lieferbar
keine Alternativen
Pos.
58
BOSCH Blattfeder | Ersatzteile für 4580 | 2610914020
Hersteller: BOSCH
Artikelnummer: EB-F012458001-2610914020
Netto: 3,60 € zzgl. MwSt.
zzgl. 6,90 € Versand (brutto)
einmalig pro Bestellung

Lieferzeit: 5 Werktage

Pos.
59
BOSCH Halterplatte | Ersatzteile für 4580 | 2610914019
Hersteller: BOSCH
Artikelnummer: EB-F012458001-2610914019
nur Informationsartikel
Nie mehr lieferbar
keine Alternativen
Pos.
60
BOSCH Spannstift | Ersatzteile für 4580 | 2610914022
Hersteller: BOSCH
Artikelnummer: EB-F012458001-2610914022
nur Informationsartikel
Nie mehr lieferbar
keine Alternativen
Pos.
61
BOSCH Lagerzapfen | Ersatzteile für 4580 | 2610913993
Hersteller: BOSCH
Artikelnummer: EB-F012458001-2610913993
nur Informationsartikel
Nie mehr lieferbar
keine Alternativen
Pos.
62
BOSCH Bolzen | Ersatzteile für 4580 | 2610913994
Hersteller: BOSCH
Artikelnummer: EB-F012458001-2610913994
nur Informationsartikel
Nie mehr lieferbar
keine Alternativen
Pos.
63
BOSCH Annietmutter | Ersatzteile für 4580 | 2610913995
Hersteller: BOSCH
Artikelnummer: EB-F012458001-2610913995
nur Informationsartikel
Nie mehr lieferbar
keine Alternativen
Pos.
64
BOSCH Hebel | Ersatzteile für 4580 | 2610913992
Hersteller: BOSCH
Artikelnummer: EB-F012458001-2610913992
nur Informationsartikel
Nie mehr lieferbar
keine Alternativen
Pos.
65
BOSCH Verschlussstück | Ersatzteile für 4580 | 2610917358
Hersteller: BOSCH
Artikelnummer: EB-F012458001-2610917358
nur Informationsartikel
Nie mehr lieferbar
keine Alternativen
Pos.
66
BOSCH Leiterplatte Bestückt | Ersatzteile für 4580 | 2610909061
Hersteller: BOSCH
Artikelnummer: EB-F012458001-2610909061
Netto: 18,10 € zzgl. MwSt.
zzgl. 6,90 € Versand (brutto)
einmalig pro Bestellung

Lieferzeit: 5 Werktage

Pos.
67
BOSCH Riegelschaltschloss | Ersatzteile für 4580 | 2610913986
Hersteller: BOSCH
Artikelnummer: EB-F012458001-2610913986
nur Informationsartikel
Nie mehr lieferbar
keine Alternativen
Pos.
68
BOSCH Knopffeder | Ersatzteile für 4580 | 1619X01041
Hersteller: BOSCH
Artikelnummer: EB-F012458001-1619X01041
Netto: 0,62 € zzgl. MwSt.
zzgl. 6,90 € Versand (brutto)
einmalig pro Bestellung

Lieferzeit: 5 Werktage

Pos.
69
BOSCH Schutz | Ersatzteile für 4580 | 2610912487
Hersteller: BOSCH
Artikelnummer: EB-F012458001-2610912487
Netto: 3,94 € zzgl. MwSt.
zzgl. 6,90 € Versand (brutto)
einmalig pro Bestellung

Lieferzeit: 5 Werktage

Pos.
70
BOSCH Hebel | Ersatzteile für 4580 | 2610914017
Hersteller: BOSCH
Artikelnummer: EB-F012458001-2610914017
nur Informationsartikel
Nie mehr lieferbar
keine Alternativen
Pos.
71
BOSCH Torx-Linsenschraube 3x30 | Ersatzteile für 4580 | 2603490019
Hersteller: BOSCH
Artikelnummer: EB-F012458001-2603490019
Netto: 3,63 € zzgl. MwSt.
zzgl. 6,90 € Versand (brutto)
einmalig pro Bestellung

Lieferzeit: 5 Werktage

Pos.
72
BOSCH Etikett | Ersatzteile für 4580 | 2610915225
Hersteller: BOSCH
Artikelnummer: EB-F012458001-2610915225
nur Informationsartikel
Nie mehr lieferbar
keine Alternativen
Pos.
73
BOSCH Objektiv | Ersatzteile für 4580 | 2610913990
Hersteller: BOSCH
Artikelnummer: EB-F012458001-2610913990
nur Informationsartikel
Nie mehr lieferbar
keine Alternativen
Pos.
74
BOSCH Zierkappe | Ersatzteile für 4580 | 2610913989
Hersteller: BOSCH
Artikelnummer: EB-F012458001-2610913989
nur Informationsartikel
Nie mehr lieferbar
keine Alternativen
Pos.
75
BOSCH Torx-Linsenschraube 3x10 | Ersatzteile für 4580 | 2603490017
Hersteller: BOSCH
Artikelnummer: EB-F012458001-2603490017
Netto: 4,32 € zzgl. MwSt.
zzgl. 6,90 € Versand (brutto)
einmalig pro Bestellung

Lieferzeit: 5 Werktage

Pos.
76
BOSCH Wahlschalter | Ersatzteile für 4580 | 2610913988
Hersteller: BOSCH
Artikelnummer: EB-F012458001-2610913988
nur Informationsartikel
Nie mehr lieferbar
keine Alternativen
Pos.
80
BOSCH Hülle | Ersatzteile für 4580 | 2610915110
Hersteller: BOSCH
Artikelnummer: EB-F012458001-2610915110
nur Informationsartikel
Nie mehr lieferbar
keine Alternativen
Pos.
81
BOSCH Schutzkappe | Ersatzteile für 4580 | 2610917102
Hersteller: BOSCH
Artikelnummer: EB-F012458001-2610917102
nur Informationsartikel
Nie mehr lieferbar
keine Alternativen
Pos.
805
BOSCH Netzanschlussleitung | Ersatzteile für 4580 | 1619X00506
Hersteller: BOSCH
Artikelnummer: EB-F012458001-1619X00506
nur Informationsartikel
Nie mehr lieferbar
keine Alternativen
Pos.
810
BOSCH Kohlebürstensatz | Ersatzteile für 4580 | 2610917266
Hersteller: BOSCH
Artikelnummer: EB-F012458001-2610917266
nur Informationsartikel
Nie mehr lieferbar
keine Alternativen
Pos.
826
BOSCH Tragplatte | Ersatzteile für 4580 | 2610917218
Hersteller: BOSCH
Artikelnummer: EB-F012458001-2610917218
nur Informationsartikel
Nie mehr lieferbar
keine Alternativen
Pos.
832
BOSCH Getriebe | Ersatzteile für 4580 | 2610917219
Hersteller: BOSCH
Artikelnummer: EB-F012458001-2610917219
nur Informationsartikel
Nie mehr lieferbar
keine Alternativen
Pos.
836
BOSCH Stösselstange | Ersatzteile für 4580 | 2610917220
Hersteller: BOSCH
Artikelnummer: EB-F012458001-2610917220
Netto: 12,50 € zzgl. MwSt.
zzgl. 6,90 € Versand (brutto)
einmalig pro Bestellung

Lieferzeit: 5 Werktage

Pos.
844
BOSCH Messerhalter | Ersatzteile für 4580 | 2610917221
Hersteller: BOSCH
Artikelnummer: EB-F012458001-2610917221
nur Informationsartikel
Nie mehr lieferbar
keine Alternativen
Pos.
850
BOSCH Knopf | Ersatzteile für 4580 | 2610917222
Hersteller: BOSCH
Artikelnummer: EB-F012458001-2610917222
nur Informationsartikel
Nie mehr lieferbar
keine Alternativen

Angaben zur Produktsicherheit

Hersteller:
Robert Bosch Power Tools GmbH
Postfach 30 02 20
70442 Stuttgart

E-Mail:
kontakt@bosch.de