BOSCH Winkelschraubendreher DIN 911-4 | Ersatzteile für 4900 AB | 2607950004

Artikelnummer: EB-F012490001-2607950004

Position: 650

Marke: BOSCH


Bitte Kompatibilität prüfen!

Bitte prüfen Sie unbedingt die 10-stellige Typennummer Ihrer Maschine / Ihres Gerätes. Das Ersatzteil ist nur kompatibel, wenn Sie die Typennummer Ihrer Maschine in der unten stehenden Produktbeschreibung finden.

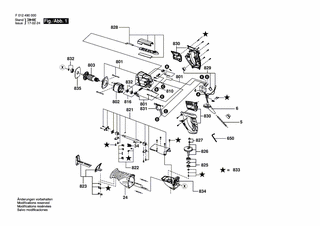
Bitte prüfen Sie ebenfalls detailliert die Explosionszeichnung mit Ihrem Artikelwunsch und der jeweiligen Pos-Nummer.

Alle Elemente, welche vom schwarzen Strich der Pos-Nummer ausgehend berührt / erfasst werden, gehören zu dieser Pos-Nummer und somit zu diesem Artikel. Jede Pos-Nummer ist ein eigenständiger Artikel, welchen Sie in der Auflistung finden.

Sie erhalten stets die aktuellste, neueste Produktversion zu der gewählten Pos-Nummer seitens des Herstellers. Es kann daher je nach Gerätealter vorkommen, dass Sie ggf. weitere, zugehörige Elemente, welche an diese Pos-Nummer grenzen, ebenfalls mittauschen müssen.

Nähere Informationen finden Sie unter dem Link
Hinweise zu Ihrer BOSCH Ersatzteilsuche

Preisübersicht

Einzelpreis: 3,94 €* (Brutto: 4,69 €)
Gesamtpreis: 3,94 €* 
Position:

Lieferzeit: 5 Werktage


Beschreibung

  • Winkelschraubendreher DIN 911-4
  • Original Bosch Zubehör / BOSCH Ersatzteil (2607950004)
  • im Gerät verbaut: 1
Dieses BOSCH Ersatzteil ist mit folgendem Gerät und Modell kompatibel:
  • BOSCH Gerätename: 4900 AB
  • BOSCH Explosionszeichnung: Position 650
  • BOSCH Typennummer: F012490001
  • BOSCH Typennummer alternative Schreibweisen: F 012 490 001, F012 490 001, F.012.490.001, F-012-490-001
    Bitte prüfen Sie diese Typennummer auf Ihrem Gerät um die Kompatibilität des BOSCH Ersatzteils zu gewährleisten.
Weitere BOSCH Ersatzteile des Gerätes 4900 AB (.) mit der Typennummer F012490001 finden Sie in der nachfolgenden Darstellung und im Dropdown zu Ihrer Auswahl:

Pos.
4
BOSCH Schalter | Ersatzteile für 4900 AB | F000608324
Hersteller: BOSCH
Artikelnummer: EB-F012490001-F000608324
nur Informationsartikel
Nie mehr lieferbar
keine Alternativen
Pos.
5
BOSCH Netzanschlussleitung BR 2,00m 2 x 1,00mm H05 VVF | Ersatzteile für 4900 AB | F000609274
Hersteller: BOSCH
Artikelnummer: EB-F012490001-F000609274
Netto: 9,75 € zzgl. MwSt.
zzgl. 6,90 € Versand (brutto)
einmalig pro Bestellung

Lieferzeit: 5 Werktage

Pos.
6
BOSCH Tülle | Ersatzteile für 4900 AB | 2610397124
Hersteller: BOSCH
Artikelnummer: EB-F012490001-2610397124
nur Informationsartikel
Nie mehr lieferbar
keine Alternativen
Pos.
24
BOSCH Gummi | Ersatzteile für 4900 AB | 2610938737
Hersteller: BOSCH
Artikelnummer: EB-F012490001-2610938737
nur Informationsartikel
Nie mehr lieferbar
keine Alternativen
Pos.
34
BOSCH Klemmlasche | Ersatzteile für 4900 AB | 2610398522
Hersteller: BOSCH
Artikelnummer: EB-F012490001-2610398522
nur Informationsartikel
Nie mehr lieferbar
keine Alternativen
Pos.
650
BOSCH Winkelschraubendreher DIN 911-4 | Ersatzteile für 4900 AB | 2607950004
Hersteller: BOSCH
Artikelnummer: EB-F012490001-2607950004
Netto: 3,94 € zzgl. MwSt.
zzgl. 6,90 € Versand (brutto)
einmalig pro Bestellung

Lieferzeit: 5 Werktage

Pos.
801
BOSCH Motorgehäuse | Ersatzteile für 4900 AB | F000601288
Hersteller: BOSCH
Artikelnummer: EB-F012490001-F000601288
nur Informationsartikel
Nie mehr lieferbar
keine Alternativen
Pos.
802
BOSCH Polschuh 127V | Ersatzteile für 4900 AB | F000607089
Hersteller: BOSCH
Artikelnummer: EB-F012490001-F000607089
nur Informationsartikel
Nie mehr lieferbar
keine Alternativen
Pos.
803
BOSCH Anker Mit Lüfter 127V | Ersatzteile für 4900 AB | F000605132
Hersteller: BOSCH
Artikelnummer: EB-F012490001-F000605132
nur Informationsartikel
Nie mehr lieferbar
keine Alternativen
Pos.
810
BOSCH Kohlebürstensatz | Ersatzteile für 4900 AB | F000611062
Hersteller: BOSCH
Artikelnummer: EB-F012490001-F000611062
nur Informationsartikel
Nie mehr lieferbar
keine Alternativen
Pos.
816
BOSCH Bürstenhalter | Ersatzteile für 4900 AB | F000612056
Hersteller: BOSCH
Artikelnummer: EB-F012490001-F000612056
nur Informationsartikel
Nie mehr lieferbar
keine Alternativen
Pos.
821
BOSCH Getriebegehäuse | Ersatzteile für 4900 AB | 2610397058
Hersteller: BOSCH
Artikelnummer: EB-F012490001-2610397058
nur Informationsartikel
Nie mehr lieferbar
keine Alternativen
Pos.
822
BOSCH Messerhalter | Ersatzteile für 4900 AB | 2610397056
Hersteller: BOSCH
Artikelnummer: EB-F012490001-2610397056
nur Informationsartikel
Nie mehr lieferbar
keine Alternativen
Pos.
823
BOSCH Lagerplatte | Ersatzteile für 4900 AB | 2610397057
Hersteller: BOSCH
Artikelnummer: EB-F012490001-2610397057
nur Informationsartikel
Nie mehr lieferbar
keine Alternativen
Pos.
825
BOSCH Rillenkugellager | Ersatzteile für 4900 AB | F000615050
Hersteller: BOSCH
Artikelnummer: EB-F012490001-F000615050
nur Informationsartikel
Nie mehr lieferbar
keine Alternativen
Pos.
826
BOSCH Welle Mit Zahnrad | Ersatzteile für 4900 AB | 2610Z02475
Hersteller: BOSCH
Artikelnummer: EB-F012490001-2610Z02475
nur Informationsartikel
Nie mehr lieferbar
keine Alternativen
Pos.
827
BOSCH Nadellager | Ersatzteile für 4900 AB | 2610397061
Hersteller: BOSCH
Artikelnummer: EB-F012490001-2610397061
Netto: 4,54 € zzgl. MwSt.
zzgl. 6,90 € Versand (brutto)
einmalig pro Bestellung

Lieferzeit: 5 Werktage

Pos.
828
BOSCH Abstellbehaelter | Ersatzteile für 4900 AB | 2610397069
Hersteller: BOSCH
Artikelnummer: EB-F012490001-2610397069
nur Informationsartikel
Nie mehr lieferbar
keine Alternativen
Pos.
829
BOSCH Anzeigegerät | Ersatzteile für 4900 AB | F000608326
Hersteller: BOSCH
Artikelnummer: EB-F012490001-F000608326
nur Informationsartikel
Nie mehr lieferbar
keine Alternativen
Pos.
830
BOSCH Verteilerkappe | Ersatzteile für 4900 AB | F000603059
Hersteller: BOSCH
Artikelnummer: EB-F012490001-F000603059
nur Informationsartikel
Nie mehr lieferbar
keine Alternativen
Pos.
831
BOSCH Schrittrelais | Ersatzteile für 4900 AB | F000608327
Hersteller: BOSCH
Artikelnummer: EB-F012490001-F000608327
nur Informationsartikel
Nie mehr lieferbar
keine Alternativen
Pos.
832
BOSCH Rillenkugellager | Ersatzteile für 4900 AB | F000615051
Hersteller: BOSCH
Artikelnummer: EB-F012490001-F000615051
nur Informationsartikel
Nie mehr lieferbar
keine Alternativen
Pos.
833
BOSCH Schraube | Ersatzteile für 4900 AB | 2610397059
Hersteller: BOSCH
Artikelnummer: EB-F012490001-2610397059
nur Informationsartikel
Nie mehr lieferbar
keine Alternativen
Pos.
834
BOSCH Getriebegehäuse | Ersatzteile für 4900 AB | F000613059
Hersteller: BOSCH
Artikelnummer: EB-F012490001-F000613059
nur Informationsartikel
Nie mehr lieferbar
keine Alternativen
Pos.
835
BOSCH Luftleitring | Ersatzteile für 4900 AB | F000604011
Hersteller: BOSCH
Artikelnummer: EB-F012490001-F000604011
nur Informationsartikel
Nie mehr lieferbar
keine Alternativen

Angaben zur Produktsicherheit

Hersteller:
Robert Bosch Power Tools GmbH
Postfach 30 02 20
70442 Stuttgart

E-Mail:
kontakt@bosch.de