BOSCH Innensechskantschraube DIN 912-M6x20-8.8 | Ersatzteile für 50 WATT-SERIE | 2910141201

Artikelnummer: EB-0607250186-2910141201

Position: 67

Marke: BOSCH


Bitte Kompatibilität prüfen!

Bitte prüfen Sie unbedingt die 10-stellige Typennummer Ihrer Maschine / Ihres Gerätes. Das Ersatzteil ist nur kompatibel, wenn Sie die Typennummer Ihrer Maschine in der unten stehenden Produktbeschreibung finden.

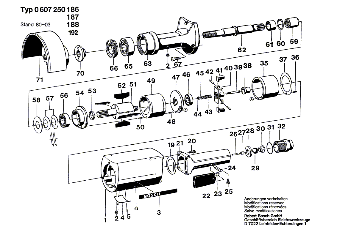
Bitte prüfen Sie ebenfalls detailliert die Explosionszeichnung mit Ihrem Artikelwunsch und der jeweiligen Pos-Nummer.

Alle Elemente, welche vom schwarzen Strich der Pos-Nummer ausgehend berührt / erfasst werden, gehören zu dieser Pos-Nummer und somit zu diesem Artikel. Jede Pos-Nummer ist ein eigenständiger Artikel, welchen Sie in der Auflistung finden.

Sie erhalten stets die aktuellste, neueste Produktversion zu der gewählten Pos-Nummer seitens des Herstellers. Es kann daher je nach Gerätealter vorkommen, dass Sie ggf. weitere, zugehörige Elemente, welche an diese Pos-Nummer grenzen, ebenfalls mittauschen müssen.

Nähere Informationen finden Sie unter dem Link
Hinweise zu Ihrer BOSCH Ersatzteilsuche

Preisübersicht

Einzelpreis: 4,56 €* (Brutto: 5,43 €)
Gesamtpreis: 4,56 €* 
Position:

Lieferzeit: 5 Werktage


Beschreibung

  • Innensechskantschraube DIN 912-M6x20-8.8
  • Original Bosch Zubehör / BOSCH Ersatzteil (2910141201)
  • im Gerät verbaut: 1
Dieses BOSCH Ersatzteil ist mit folgendem Gerät und Modell kompatibel:
  • BOSCH Gerätename: 50 WATT-SERIE
  • BOSCH Explosionszeichnung: Position 67
  • BOSCH Typennummer: 0607250186
  • BOSCH Typennummer alternative Schreibweisen: 0 607 250 186, 0607 250 186, 0.607.250.186, 0-607-250-186
    Bitte prüfen Sie diese Typennummer auf Ihrem Gerät um die Kompatibilität des BOSCH Ersatzteils zu gewährleisten.
Weitere BOSCH Ersatzteile des Gerätes 50 WATT-SERIE (Geradschleifer) mit der Typennummer 0607250186 finden Sie in der nachfolgenden Darstellung und im Dropdown zu Ihrer Auswahl:

Pos.
1
BOSCH Motorgehäuse | Ersatzteile für 50 WATT-SERIE | 1609310257
Hersteller: BOSCH
Artikelnummer: EB-0607250186-1609310257
nur Informationsartikel
Nie mehr lieferbar
keine Alternativen
Pos.
2
BOSCH Schmiernippel | Ersatzteile für 50 WATT-SERIE | 1609310104
Hersteller: BOSCH
Artikelnummer: EB-0607250186-1609310104
nur Informationsartikel
Nie mehr lieferbar
keine Alternativen
Pos.
3
BOSCH Firmenschild | Ersatzteile für 50 WATT-SERIE | 1601110005
Hersteller: BOSCH
Artikelnummer: EB-0607250186-1601110005
nur Informationsartikel
Nie mehr lieferbar
keine Alternativen
Pos.
4
BOSCH Typschild | Ersatzteile für 50 WATT-SERIE | 1601104577
Hersteller: BOSCH
Artikelnummer: EB-0607250186-1601104577
nur Informationsartikel
Nie mehr lieferbar
keine Alternativen
Pos.
5
BOSCH Senkkerbnagel | Ersatzteile für 50 WATT-SERIE | 1609310136
Hersteller: BOSCH
Artikelnummer: EB-0607250186-1609310136
nur Informationsartikel
Nie mehr lieferbar
keine Alternativen
Pos.
19
BOSCH Dichtplatte | Ersatzteile für 50 WATT-SERIE | 1609310153
Hersteller: BOSCH
Artikelnummer: EB-0607250186-1609310153
nur Informationsartikel
Nie mehr lieferbar
keine Alternativen
Pos.
20
BOSCH Innensechskantschraube DIN 912-M5x12-8.8 | Ersatzteile für 50 WATT-SERIE | 2910141154
Hersteller: BOSCH
Artikelnummer: EB-0607250186-2910141154
nur Informationsartikel
Nie mehr lieferbar
keine Alternativen
Pos.
21
BOSCH Gewindebuchse | Ersatzteile für 50 WATT-SERIE | 1609310344
Hersteller: BOSCH
Artikelnummer: EB-0607250186-1609310344
nur Informationsartikel
Nie mehr lieferbar
keine Alternativen
Pos.
21
BOSCH Handgriff | Ersatzteile für 50 WATT-SERIE | 1609310263
Hersteller: BOSCH
Artikelnummer: EB-0607250186-1609310263
nur Informationsartikel
Nie mehr lieferbar
keine Alternativen
Pos.
22
BOSCH Schalthebel | Ersatzteile für 50 WATT-SERIE | 1609310272
Hersteller: BOSCH
Artikelnummer: EB-0607250186-1609310272
nur Informationsartikel
Nie mehr lieferbar
keine Alternativen
Pos.
23
BOSCH Anschlagwinkel | Ersatzteile für 50 WATT-SERIE | 1609310267
Hersteller: BOSCH
Artikelnummer: EB-0607250186-1609310267
nur Informationsartikel
Nie mehr lieferbar
keine Alternativen
Pos.
25
BOSCH Zylinderschraube DIN 84-AM5x8-8.8 | Ersatzteile für 50 WATT-SERIE | 2910021150
Hersteller: BOSCH
Artikelnummer: EB-0607250186-2910021150
nur Informationsartikel
Nie mehr lieferbar
keine Alternativen
Pos.
26
BOSCH Nadelrolle | Ersatzteile für 50 WATT-SERIE | 1609310021
Hersteller: BOSCH
Artikelnummer: EB-0607250186-1609310021
nur Informationsartikel
Nie mehr lieferbar
keine Alternativen
Pos.
27
BOSCH Führungshülse | Ersatzteile für 50 WATT-SERIE | 1609310083
Hersteller: BOSCH
Artikelnummer: EB-0607250186-1609310083
nur Informationsartikel
Nie mehr lieferbar
keine Alternativen
Pos.
28
BOSCH Unterlegscheibe | Ersatzteile für 50 WATT-SERIE | 1609310177
Hersteller: BOSCH
Artikelnummer: EB-0607250186-1609310177
nur Informationsartikel
Nie mehr lieferbar
keine Alternativen
Pos.
29
BOSCH Kugel | Ersatzteile für 50 WATT-SERIE | 1609310099
Hersteller: BOSCH
Artikelnummer: EB-0607250186-1609310099
nur Informationsartikel
Nie mehr lieferbar
keine Alternativen
Pos.
30
BOSCH Druckfeder | Ersatzteile für 50 WATT-SERIE | 1609310186
Hersteller: BOSCH
Artikelnummer: EB-0607250186-1609310186
nur Informationsartikel
Nie mehr lieferbar
keine Alternativen
Pos.
31
BOSCH Dichtring | Ersatzteile für 50 WATT-SERIE | 1609310157
Hersteller: BOSCH
Artikelnummer: EB-0607250186-1609310157
nur Informationsartikel
Nie mehr lieferbar
keine Alternativen
Pos.
32
BOSCH Anschlussstutzen | Ersatzteile für 50 WATT-SERIE | 1609310148
Hersteller: BOSCH
Artikelnummer: EB-0607250186-1609310148
nur Informationsartikel
Nie mehr lieferbar
keine Alternativen
Pos.
35
BOSCH Anschlagbuchse | Ersatzteile für 50 WATT-SERIE | 1609310253
Hersteller: BOSCH
Artikelnummer: EB-0607250186-1609310253
nur Informationsartikel
Nie mehr lieferbar
keine Alternativen
Pos.
36
BOSCH Spannstift 3x8 DIN 1481 | Ersatzteile für 50 WATT-SERIE | 2917760075
Hersteller: BOSCH
Artikelnummer: EB-0607250186-2917760075
nur Informationsartikel
Nie mehr lieferbar
keine Alternativen
Pos.
37
BOSCH Dichtscheibe | Ersatzteile für 50 WATT-SERIE | 1609310151
Hersteller: BOSCH
Artikelnummer: EB-0607250186-1609310151
nur Informationsartikel
Nie mehr lieferbar
keine Alternativen
Pos.
38
BOSCH Führungsbuchse | Ersatzteile für 50 WATT-SERIE | 1609310247
Hersteller: BOSCH
Artikelnummer: EB-0607250186-1609310247
nur Informationsartikel
Nie mehr lieferbar
keine Alternativen
Pos.
39
BOSCH Gewindebolzen | Ersatzteile für 50 WATT-SERIE | 1609310144
Hersteller: BOSCH
Artikelnummer: EB-0607250186-1609310144
nur Informationsartikel
Nie mehr lieferbar
keine Alternativen
Pos.
40
BOSCH Regleranker | Ersatzteile für 50 WATT-SERIE | 1609310245
Hersteller: BOSCH
Artikelnummer: EB-0607250186-1609310245
nur Informationsartikel
Nie mehr lieferbar
keine Alternativen
Pos.
41
BOSCH Fliehgewicht | Ersatzteile für 50 WATT-SERIE | 1609310250
Hersteller: BOSCH
Artikelnummer: EB-0607250186-1609310250
nur Informationsartikel
Nie mehr lieferbar
keine Alternativen
Pos.
42
BOSCH Nadelrolle A 4x19,8 G2 DIN 5402 | Ersatzteile für 50 WATT-SERIE | 1903201056
Hersteller: BOSCH
Artikelnummer: EB-0607250186-1903201056
nur Informationsartikel
Nie mehr lieferbar
keine Alternativen
Pos.
43
BOSCH Druckfeder | Ersatzteile für 50 WATT-SERIE | 1609310191
Hersteller: BOSCH
Artikelnummer: EB-0607250186-1609310191
nur Informationsartikel
Nie mehr lieferbar
keine Alternativen
Pos.
44
BOSCH Sechskantmutter DIN 934 -M4-m-8 | Ersatzteile für 50 WATT-SERIE | 2915011005
Hersteller: BOSCH
Artikelnummer: EB-0607250186-2915011005
Netto: 3,60 € zzgl. MwSt.
zzgl. 6,90 € Versand (brutto)
einmalig pro Bestellung

Lieferzeit: 5 Werktage

Pos.
45
BOSCH Sechskantmutter | Ersatzteile für 50 WATT-SERIE | 1609310345
Hersteller: BOSCH
Artikelnummer: EB-0607250186-1609310345
nur Informationsartikel
Nie mehr lieferbar
keine Alternativen
Pos.
46
BOSCH Rillenkugellager 6002-Z DIN 625 | Ersatzteile für 50 WATT-SERIE | 1900905102
Hersteller: BOSCH
Artikelnummer: EB-0607250186-1900905102
nur Informationsartikel
Nie mehr lieferbar
keine Alternativen
Pos.
47
BOSCH Lagerflansch | Ersatzteile für 50 WATT-SERIE | 1609310242
Hersteller: BOSCH
Artikelnummer: EB-0607250186-1609310242
nur Informationsartikel
Nie mehr lieferbar
keine Alternativen
Pos.
48
BOSCH Spannstift 3x14 DIN 1481 | Ersatzteile für 50 WATT-SERIE | 2917760078
Hersteller: BOSCH
Artikelnummer: EB-0607250186-2917760078
nur Informationsartikel
Nie mehr lieferbar
keine Alternativen
Pos.
49
BOSCH Stator | Ersatzteile für 50 WATT-SERIE | 1609310226
Hersteller: BOSCH
Artikelnummer: EB-0607250186-1609310226
nur Informationsartikel
Nie mehr lieferbar
keine Alternativen
Pos.
50
BOSCH Spannhülse 3x10 DIN 1481 | Ersatzteile für 50 WATT-SERIE | 2917761076
Hersteller: BOSCH
Artikelnummer: EB-0607250186-2917761076
nur Informationsartikel
Nie mehr lieferbar
keine Alternativen
Pos.
51
BOSCH Rotor | Ersatzteile für 50 WATT-SERIE | 1609310219
Hersteller: BOSCH
Artikelnummer: EB-0607250186-1609310219
nur Informationsartikel
Nie mehr lieferbar
keine Alternativen
Pos.
52
BOSCH Rotorlamelle | Ersatzteile für 50 WATT-SERIE | 1609310231
Hersteller: BOSCH
Artikelnummer: EB-0607250186-1609310231
nur Informationsartikel
Nie mehr lieferbar
keine Alternativen
Pos.
53
BOSCH O-Ring | Ersatzteile für 50 WATT-SERIE | 1609310281
Hersteller: BOSCH
Artikelnummer: EB-0607250186-1609310281
nur Informationsartikel
Nie mehr lieferbar
keine Alternativen
Pos.
54
BOSCH Lagerflansch | Ersatzteile für 50 WATT-SERIE | 1609310237
Hersteller: BOSCH
Artikelnummer: EB-0607250186-1609310237
nur Informationsartikel
Nie mehr lieferbar
keine Alternativen
Pos.
56
BOSCH Schrägkugellager 3204 DIN 628 | Ersatzteile für 50 WATT-SERIE | 1900900658
Hersteller: BOSCH
Artikelnummer: EB-0607250186-1900900658
nur Informationsartikel
Nie mehr lieferbar
keine Alternativen
Pos.
57
BOSCH Tellerfeder | Ersatzteile für 50 WATT-SERIE | 1609310194
Hersteller: BOSCH
Artikelnummer: EB-0607250186-1609310194
nur Informationsartikel
Nie mehr lieferbar
keine Alternativen
Pos.
58
BOSCH Ausgleichscheibe | Ersatzteile für 50 WATT-SERIE | 1609310180
Hersteller: BOSCH
Artikelnummer: EB-0607250186-1609310180
nur Informationsartikel
Nie mehr lieferbar
keine Alternativen
Pos.
59
BOSCH Mitnehmer | Ersatzteile für 50 WATT-SERIE | 1609310216
Hersteller: BOSCH
Artikelnummer: EB-0607250186-1609310216
nur Informationsartikel
Nie mehr lieferbar
keine Alternativen
Pos.
60
BOSCH Sicherungsring | Ersatzteile für 50 WATT-SERIE | 1609310169
Hersteller: BOSCH
Artikelnummer: EB-0607250186-1609310169
nur Informationsartikel
Nie mehr lieferbar
keine Alternativen
Pos.
61
BOSCH Nadellager | Ersatzteile für 50 WATT-SERIE | 1609310207
Hersteller: BOSCH
Artikelnummer: EB-0607250186-1609310207
nur Informationsartikel
Nie mehr lieferbar
keine Alternativen
Pos.
62
BOSCH Antriebswelle | Ersatzteile für 50 WATT-SERIE | 1609310268
Hersteller: BOSCH
Artikelnummer: EB-0607250186-1609310268
nur Informationsartikel
Nie mehr lieferbar
keine Alternativen
Pos.
63
BOSCH Spindellager | Ersatzteile für 50 WATT-SERIE | 1609310261
Hersteller: BOSCH
Artikelnummer: EB-0607250186-1609310261
nur Informationsartikel
Nie mehr lieferbar
keine Alternativen
Pos.
65
BOSCH Schrägkugellager 3203 DIN 628 | Ersatzteile für 50 WATT-SERIE | 1900900653
Hersteller: BOSCH
Artikelnummer: EB-0607250186-1900900653
nur Informationsartikel
Nie mehr lieferbar
keine Alternativen
Pos.
66
BOSCH Gewindering | Ersatzteile für 50 WATT-SERIE | 1609310273
Hersteller: BOSCH
Artikelnummer: EB-0607250186-1609310273
nur Informationsartikel
Nie mehr lieferbar
keine Alternativen
Pos.
67
BOSCH Innensechskantschraube DIN 912-M6x20-8.8 | Ersatzteile für 50 WATT-SERIE | 2910141201
Hersteller: BOSCH
Artikelnummer: EB-0607250186-2910141201
Netto: 4,54 € zzgl. MwSt.
zzgl. 6,90 € Versand (brutto)
einmalig pro Bestellung

Lieferzeit: 5 Werktage

Pos.
70
BOSCH Rundmutter | Ersatzteile für 50 WATT-SERIE | 1609310278
Hersteller: BOSCH
Artikelnummer: EB-0607250186-1609310278
nur Informationsartikel
Nie mehr lieferbar
keine Alternativen
Pos.
99
BOSCH Hinweisschild | Ersatzteile für 50 WATT-SERIE | 3601119236
Hersteller: BOSCH
Artikelnummer: EB-0607250186-3601119236
Netto: 5,13 € zzgl. MwSt.
zzgl. 6,90 € Versand (brutto)
einmalig pro Bestellung

Lieferzeit: 5 Werktage

Pos.
650
BOSCH Winkelschraubendreher DIN 911-4 | Ersatzteile für 50 WATT-SERIE | 2607950004
Hersteller: BOSCH
Artikelnummer: EB-0607250186-2607950004
Netto: 0,92 € zzgl. MwSt.
zzgl. 6,90 € Versand (brutto)
einmalig pro Bestellung

Lieferzeit: 5 Werktage

Pos.
651
BOSCH Winkelschraubendreher SW8 | Ersatzteile für 50 WATT-SERIE | 1607950009
Hersteller: BOSCH
Artikelnummer: EB-0607250186-1607950009
nur Informationsartikel
Nie mehr lieferbar
keine Alternativen
Pos.
657
BOSCH Winkelschraubendreher DIN 911 SW6 | Ersatzteile für 50 WATT-SERIE | 1907950007
Hersteller: BOSCH
Artikelnummer: EB-0607250186-1907950007
Netto: 3,21 € zzgl. MwSt.
zzgl. 6,90 € Versand (brutto)
einmalig pro Bestellung

Lieferzeit: 5 Werktage

Angaben zur Produktsicherheit

Hersteller:
Robert Bosch Power Tools GmbH
Postfach 30 02 20
70442 Stuttgart

E-Mail:
kontakt@bosch.de