BOSCH Netzanschlussleitung CH 230V 4,15m 2 x 1,0mm H05 RN-F | Ersatzteile für 5055 | 1604460403

Artikelnummer: EB-F015505512-1604460403

Position: 5

Marke: BOSCH


Bitte Kompatibilität prüfen!

Bitte prüfen Sie unbedingt die 10-stellige Typennummer Ihrer Maschine / Ihres Gerätes. Das Ersatzteil ist nur kompatibel, wenn Sie die Typennummer Ihrer Maschine in der unten stehenden Produktbeschreibung finden.

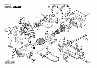
Bitte prüfen Sie ebenfalls detailliert die Explosionszeichnung mit Ihrem Artikelwunsch und der jeweiligen Pos-Nummer.

Alle Elemente, welche vom schwarzen Strich der Pos-Nummer ausgehend berührt / erfasst werden, gehören zu dieser Pos-Nummer und somit zu diesem Artikel. Jede Pos-Nummer ist ein eigenständiger Artikel, welchen Sie in der Auflistung finden.

Sie erhalten stets die aktuellste, neueste Produktversion zu der gewählten Pos-Nummer seitens des Herstellers. Es kann daher je nach Gerätealter vorkommen, dass Sie ggf. weitere, zugehörige Elemente, welche an diese Pos-Nummer grenzen, ebenfalls mittauschen müssen.

Nähere Informationen finden Sie unter dem Link
Hinweise zu Ihrer BOSCH Ersatzteilsuche

Preisübersicht

Einzelpreis: 14,36 €* (Brutto: 17,09 €)
Gesamtpreis: 14,36 €* 
Position:

Lieferzeit: 5 Werktage


Beschreibung

  • Netzanschlussleitung CH 230V 4,15m 2 x 1,0mm H05 RN-F
  • Original Bosch Zubehör / BOSCH Ersatzteil (1604460403)
  • im Gerät verbaut: 1
Dieses BOSCH Ersatzteil ist mit folgendem Gerät und Modell kompatibel:
  • BOSCH Gerätename: 5055
  • BOSCH Explosionszeichnung: Position 5
  • BOSCH Typennummer: F015505512
  • BOSCH Typennummer alternative Schreibweisen: F 015 505 512, F015 505 512, F.015.505.512, F-015-505-512
    Bitte prüfen Sie diese Typennummer auf Ihrem Gerät um die Kompatibilität des BOSCH Ersatzteils zu gewährleisten.
Weitere BOSCH Ersatzteile des Gerätes 5055 (Handkreissäge) mit der Typennummer F015505512 finden Sie in der nachfolgenden Darstellung und im Dropdown zu Ihrer Auswahl:

Pos.
1
BOSCH Gehäusesatz | Ersatzteile für 5055 | 2610394713
Hersteller: BOSCH
Artikelnummer: EB-F015505512-2610394713
nur Informationsartikel
Nie mehr lieferbar
keine Alternativen
Pos.
3
BOSCH Anker 230V | Ersatzteile für 5055 | 2610394714
Hersteller: BOSCH
Artikelnummer: EB-F015505512-2610394714
nur Informationsartikel
Nie mehr lieferbar
keine Alternativen
Pos.
4
BOSCH Ein/Aus-Schalter | Ersatzteile für 5055 | 2610394715
Hersteller: BOSCH
Artikelnummer: EB-F015505512-2610394715
nur Informationsartikel
Nie mehr lieferbar
keine Alternativen
Pos.
5
BOSCH Netzanschlussleitung CH 230V 4,15m 2 x 1,0mm H05 RN-F | Ersatzteile für 5055 | 1604460403
Hersteller: BOSCH
Artikelnummer: EB-F015505512-1604460403
Netto: 13,61 € zzgl. MwSt.
zzgl. 6,90 € Versand (brutto)
einmalig pro Bestellung

Lieferzeit: 5 Werktage

Pos.
6
BOSCH Tülle | Ersatzteile für 5055 | 2610394716
Hersteller: BOSCH
Artikelnummer: EB-F015505512-2610394716
nur Informationsartikel
Nie mehr lieferbar
keine Alternativen
Pos.
7
BOSCH Leitungshalter | Ersatzteile für 5055 | 2610394718
Hersteller: BOSCH
Artikelnummer: EB-F015505512-2610394718
nur Informationsartikel
Nie mehr lieferbar
keine Alternativen
Pos.
12
BOSCH Störunterdrückung | Ersatzteile für 5055 | 2610394717
Hersteller: BOSCH
Artikelnummer: EB-F015505512-2610394717
nur Informationsartikel
Nie mehr lieferbar
keine Alternativen
Pos.
16
BOSCH Kohlebürstensatz | Ersatzteile für 5055 | 2610394719
Hersteller: BOSCH
Artikelnummer: EB-F015505512-2610394719
nur Informationsartikel
Nie mehr lieferbar
keine Alternativen
Pos.
20
BOSCH Schraube | Ersatzteile für 5055 | 2610394741
Hersteller: BOSCH
Artikelnummer: EB-F015505512-2610394741
nur Informationsartikel
Nie mehr lieferbar
keine Alternativen
Pos.
21
BOSCH Handgriff-Set | Ersatzteile für 5055 | 2610394720
Hersteller: BOSCH
Artikelnummer: EB-F015505512-2610394720
nur Informationsartikel
Nie mehr lieferbar
keine Alternativen
Pos.
22
BOSCH Luftleitring | Ersatzteile für 5055 | 2610394721
Hersteller: BOSCH
Artikelnummer: EB-F015505512-2610394721
nur Informationsartikel
Nie mehr lieferbar
keine Alternativen
Pos.
23
BOSCH Teilesatz | Ersatzteile für 5055 | 2610394722
Hersteller: BOSCH
Artikelnummer: EB-F015505512-2610394722
nur Informationsartikel
Nie mehr lieferbar
keine Alternativen
Pos.
24
BOSCH Sperrhebel | Ersatzteile für 5055 | 2610394723
Hersteller: BOSCH
Artikelnummer: EB-F015505512-2610394723
nur Informationsartikel
Nie mehr lieferbar
keine Alternativen
Pos.
25
BOSCH Arretierung | Ersatzteile für 5055 | 2610394724
Hersteller: BOSCH
Artikelnummer: EB-F015505512-2610394724
nur Informationsartikel
Nie mehr lieferbar
keine Alternativen
Pos.
26
BOSCH Schutz | Ersatzteile für 5055 | 2610396366
Hersteller: BOSCH
Artikelnummer: EB-F015505512-2610396366
nur Informationsartikel
Nie mehr lieferbar
keine Alternativen
Pos.
27
BOSCH Stopper | Ersatzteile für 5055 | 2610394726
Hersteller: BOSCH
Artikelnummer: EB-F015505512-2610394726
nur Informationsartikel
Nie mehr lieferbar
keine Alternativen
Pos.
30
BOSCH Schraubensatz | Ersatzteile für 5055 | 2610394729
Hersteller: BOSCH
Artikelnummer: EB-F015505512-2610394729
nur Informationsartikel
Nie mehr lieferbar
keine Alternativen
Pos.
31
BOSCH Getriebekasten | Ersatzteile für 5055 | 2610Z00281
Hersteller: BOSCH
Artikelnummer: EB-F015505512-2610Z00281
nur Informationsartikel
Nie mehr lieferbar
keine Alternativen
Pos.
32
BOSCH Pendelschutzhaube | Ersatzteile für 5055 | 2610396368
Hersteller: BOSCH
Artikelnummer: EB-F015505512-2610396368
nur Informationsartikel
Nie mehr lieferbar
keine Alternativen
Pos.
33
BOSCH Griff | Ersatzteile für 5055 | 2610394732
Hersteller: BOSCH
Artikelnummer: EB-F015505512-2610394732
nur Informationsartikel
Nie mehr lieferbar
keine Alternativen
Pos.
34
BOSCH Sicherungsbügel | Ersatzteile für 5055 | 2610394733
Hersteller: BOSCH
Artikelnummer: EB-F015505512-2610394733
nur Informationsartikel
Nie mehr lieferbar
keine Alternativen
Pos.
35
BOSCH Aufspannflansch | Ersatzteile für 5055 | 2610Z00249
Hersteller: BOSCH
Artikelnummer: EB-F015505512-2610Z00249
nur Informationsartikel
Nie mehr lieferbar
keine Alternativen
Pos.
36
BOSCH Flügelschraube | Ersatzteile für 5055 | 2610394735
Hersteller: BOSCH
Artikelnummer: EB-F015505512-2610394735
nur Informationsartikel
Nie mehr lieferbar
keine Alternativen
Pos.
37
BOSCH Teilesatz | Ersatzteile für 5055 | 2610394736
Hersteller: BOSCH
Artikelnummer: EB-F015505512-2610394736
nur Informationsartikel
Nie mehr lieferbar
keine Alternativen
Pos.
38
BOSCH Fussplatte | Ersatzteile für 5055 | 2610396369
Hersteller: BOSCH
Artikelnummer: EB-F015505512-2610396369
nur Informationsartikel
Nie mehr lieferbar
keine Alternativen
Pos.
39
BOSCH Montierschlüssel | Ersatzteile für 5055 | 2610394738
Hersteller: BOSCH
Artikelnummer: EB-F015505512-2610394738
nur Informationsartikel
Nie mehr lieferbar
keine Alternativen
Pos.
40
BOSCH Flügelschraube | Ersatzteile für 5055 | 2610394739
Hersteller: BOSCH
Artikelnummer: EB-F015505512-2610394739
nur Informationsartikel
Nie mehr lieferbar
keine Alternativen
Pos.
41
BOSCH O-Ring | Ersatzteile für 5055 | 2610394740
Hersteller: BOSCH
Artikelnummer: EB-F015505512-2610394740
nur Informationsartikel
Nie mehr lieferbar
keine Alternativen

Angaben zur Produktsicherheit

Hersteller:
Robert Bosch Power Tools GmbH
Postfach 30 02 20
70442 Stuttgart

E-Mail:
kontakt@bosch.de