BOSCH Anker 220V | Ersatzteile für 5150-20 | 2610341307

Artikelnummer: EB-F012515009-2610341307

Position: 3

Marke: BOSCH


Bitte Kompatibilität prüfen!

Bitte prüfen Sie unbedingt die 10-stellige Typennummer Ihrer Maschine / Ihres Gerätes. Das Ersatzteil ist nur kompatibel, wenn Sie die Typennummer Ihrer Maschine in der unten stehenden Produktbeschreibung finden.

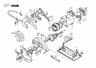
Bitte prüfen Sie ebenfalls detailliert die Explosionszeichnung mit Ihrem Artikelwunsch und der jeweiligen Pos-Nummer.

Alle Elemente, welche vom schwarzen Strich der Pos-Nummer ausgehend berührt / erfasst werden, gehören zu dieser Pos-Nummer und somit zu diesem Artikel. Jede Pos-Nummer ist ein eigenständiger Artikel, welchen Sie in der Auflistung finden.

Sie erhalten stets die aktuellste, neueste Produktversion zu der gewählten Pos-Nummer seitens des Herstellers. Es kann daher je nach Gerätealter vorkommen, dass Sie ggf. weitere, zugehörige Elemente, welche an diese Pos-Nummer grenzen, ebenfalls mittauschen müssen.

Nähere Informationen finden Sie unter dem Link
Hinweise zu Ihrer BOSCH Ersatzteilsuche

Preisübersicht

Einzelpreis: 45,41 €* (Brutto: 54,04 €)
Gesamtpreis: 45,41 €* 
Position:

Lieferzeit: 5 Werktage


Beschreibung

  • Anker 220V
  • Original Bosch Zubehör / BOSCH Ersatzteil (2610341307)
  • im Gerät verbaut: 1
Dieses BOSCH Ersatzteil ist mit folgendem Gerät und Modell kompatibel:
  • BOSCH Gerätename: 5150-20
  • BOSCH Explosionszeichnung: Position 3
  • BOSCH Typennummer: F012515009
  • BOSCH Typennummer alternative Schreibweisen: F 012 515 009, F012 515 009, F.012.515.009, F-012-515-009
    Bitte prüfen Sie diese Typennummer auf Ihrem Gerät um die Kompatibilität des BOSCH Ersatzteils zu gewährleisten.
Weitere BOSCH Ersatzteile des Gerätes 5150-20 (Gw-Handkreissäge) mit der Typennummer F012515009 finden Sie in der nachfolgenden Darstellung und im Dropdown zu Ihrer Auswahl:

Pos.
1
BOSCH Motorgehäuse | Ersatzteile für 5150-20 | 2610904250
Hersteller: BOSCH
Artikelnummer: EB-F012515009-2610904250
Netto: 9,05 € zzgl. MwSt.
zzgl. 6,90 € Versand (brutto)
einmalig pro Bestellung

Lieferzeit: 5 Werktage

Pos.
2
BOSCH Polschuh 230V | Ersatzteile für 5150-20 | 2610341405
Hersteller: BOSCH
Artikelnummer: EB-F012515009-2610341405
nur Informationsartikel
Nie mehr lieferbar
keine Alternativen
Pos.
3
BOSCH Anker 220V | Ersatzteile für 5150-20 | 2610341307
Hersteller: BOSCH
Artikelnummer: EB-F012515009-2610341307
Netto: 45,41 € zzgl. MwSt.
zzgl. 6,90 € Versand (brutto)
einmalig pro Bestellung

Lieferzeit: 5 Werktage

Pos.
4
BOSCH Ein/Aus-Schalter | Ersatzteile für 5150-20 | 2610348355
Hersteller: BOSCH
Artikelnummer: EB-F012515009-2610348355
nur Informationsartikel
Nie mehr lieferbar
keine Alternativen
Pos.
5
BOSCH Netzanschlussleitung EU 2,75m 2 x 1,8mm H05 VV-F | Ersatzteile für 5150-20 | 2610347105
Hersteller: BOSCH
Artikelnummer: EB-F012515009-2610347105
nur Informationsartikel
Nie mehr lieferbar
keine Alternativen
Pos.
6
BOSCH Tülle | Ersatzteile für 5150-20 | 2610360176
Hersteller: BOSCH
Artikelnummer: EB-F012515009-2610360176
Netto: 3,94 € zzgl. MwSt.
zzgl. 6,90 € Versand (brutto)
einmalig pro Bestellung

Lieferzeit: 5 Werktage

Pos.
7
BOSCH Leitungshalter | Ersatzteile für 5150-20 | 2610364033
Hersteller: BOSCH
Artikelnummer: EB-F012515009-2610364033
Netto: 4,56 € zzgl. MwSt.
zzgl. 6,90 € Versand (brutto)
einmalig pro Bestellung

Lieferzeit: 5 Werktage

Pos.
12
BOSCH Kondensator | Ersatzteile für 5150-20 | 2610346988
Hersteller: BOSCH
Artikelnummer: EB-F012515009-2610346988
nur Informationsartikel
Nie mehr lieferbar
keine Alternativen
Pos.
13
BOSCH Ersatzteil | Ersatzteile für 5150-20 | 2610921176
Hersteller: BOSCH
Artikelnummer: EB-F012515009-2610921176
Netto: 7,66 € zzgl. MwSt.
zzgl. 6,90 € Versand (brutto)
einmalig pro Bestellung

Lieferzeit: 5 Werktage

Pos.
18
BOSCH Gehäusevorderteil | Ersatzteile für 5150-20 | 2610997772
Hersteller: BOSCH
Artikelnummer: EB-F012515009-2610997772
nur Informationsartikel
Nie mehr lieferbar
keine Alternativen
Pos.
19
BOSCH Führungsklotz | Ersatzteile für 5150-20 | 2610347126
Hersteller: BOSCH
Artikelnummer: EB-F012515009-2610347126
nur Informationsartikel
Nie mehr lieferbar
keine Alternativen
Pos.
21
BOSCH Zahnradwelle | Ersatzteile für 5150-20 | 2610997776
Hersteller: BOSCH
Artikelnummer: EB-F012515009-2610997776
Netto: 9,63 € zzgl. MwSt.
zzgl. 6,90 € Versand (brutto)
einmalig pro Bestellung

Lieferzeit: 5 Werktage

Pos.
23
BOSCH Stützscheibe | Ersatzteile für 5150-20 | 2610903184
Hersteller: BOSCH
Artikelnummer: EB-F012515009-2610903184
nur Informationsartikel
Nie mehr lieferbar
keine Alternativen
Pos.
24
BOSCH Spannscheibe | Ersatzteile für 5150-20 | 2610903186
Hersteller: BOSCH
Artikelnummer: EB-F012515009-2610903186
Netto: 5,17 € zzgl. MwSt.
zzgl. 6,90 € Versand (brutto)
einmalig pro Bestellung

Lieferzeit: 5 Werktage

Pos.
25
BOSCH Verschlussdeckel | Ersatzteile für 5150-20 | 2610341255
Hersteller: BOSCH
Artikelnummer: EB-F012515009-2610341255
nur Informationsartikel
Nie mehr lieferbar
keine Alternativen
Pos.
27
BOSCH Anschlusskabel 385 MM | Ersatzteile für 5150-20 | 2610341377
Hersteller: BOSCH
Artikelnummer: EB-F012515009-2610341377
nur Informationsartikel
Nie mehr lieferbar
keine Alternativen
Pos.
28
BOSCH Anschlusskabel 270 MM | Ersatzteile für 5150-20 | 2610341378
Hersteller: BOSCH
Artikelnummer: EB-F012515009-2610341378
nur Informationsartikel
Nie mehr lieferbar
keine Alternativen
Pos.
36
BOSCH Tragplatte | Ersatzteile für 5150-20 | 1619X01554
Hersteller: BOSCH
Artikelnummer: EB-F012515009-1619X01554
nur Informationsartikel
Nie mehr lieferbar
keine Alternativen
Pos.
37
BOSCH Sicherungsring | Ersatzteile für 5150-20 | 2610341359
Hersteller: BOSCH
Artikelnummer: EB-F012515009-2610341359
nur Informationsartikel
Nie mehr lieferbar
keine Alternativen
Pos.
38
BOSCH Abstandshalter | Ersatzteile für 5150-20 | 2610341366
Hersteller: BOSCH
Artikelnummer: EB-F012515009-2610341366
nur Informationsartikel
Nie mehr lieferbar
keine Alternativen
Pos.
39
BOSCH Anschlag | Ersatzteile für 5150-20 | 2610341394
Hersteller: BOSCH
Artikelnummer: EB-F012515009-2610341394
nur Informationsartikel
Nie mehr lieferbar
keine Alternativen
Pos.
40
BOSCH Vorlegscheibe | Ersatzteile für 5150-20 | 2610341465
Hersteller: BOSCH
Artikelnummer: EB-F012515009-2610341465
Netto: 4,36 € zzgl. MwSt.
zzgl. 6,90 € Versand (brutto)
einmalig pro Bestellung

Lieferzeit: 5 Werktage

Pos.
41
BOSCH Zugfeder | Ersatzteile für 5150-20 | 2610347486
Hersteller: BOSCH
Artikelnummer: EB-F012515009-2610347486
Netto: 4,80 € zzgl. MwSt.
zzgl. 6,90 € Versand (brutto)
einmalig pro Bestellung

Lieferzeit: 5 Werktage

Pos.
42
BOSCH Distanzstück | Ersatzteile für 5150-20 | 2610347892
Hersteller: BOSCH
Artikelnummer: EB-F012515009-2610347892
Netto: 5,17 € zzgl. MwSt.
zzgl. 6,90 € Versand (brutto)
einmalig pro Bestellung

Lieferzeit: 5 Werktage

Pos.
43
BOSCH Gummipuffer | Ersatzteile für 5150-20 | 2610350655
Hersteller: BOSCH
Artikelnummer: EB-F012515009-2610350655
Netto: 3,94 € zzgl. MwSt.
zzgl. 6,90 € Versand (brutto)
einmalig pro Bestellung

Lieferzeit: 5 Werktage

Pos.
44
BOSCH Hebel | Ersatzteile für 5150-20 | 2610351898
Hersteller: BOSCH
Artikelnummer: EB-F012515009-2610351898
nur Informationsartikel
Nie mehr lieferbar
keine Alternativen
Pos.
60
BOSCH Flachrundschraube | Ersatzteile für 5150-20 | 2610017262
Hersteller: BOSCH
Artikelnummer: EB-F012515009-2610017262
nur Informationsartikel
Nie mehr lieferbar
keine Alternativen
Pos.
61
BOSCH Schraube | Ersatzteile für 5150-20 | 2610328924
Hersteller: BOSCH
Artikelnummer: EB-F012515009-2610328924
nur Informationsartikel
Nie mehr lieferbar
keine Alternativen
Pos.
62
BOSCH Schraube | Ersatzteile für 5150-20 | 2610341335
Hersteller: BOSCH
Artikelnummer: EB-F012515009-2610341335
Netto: 4,36 € zzgl. MwSt.
zzgl. 6,90 € Versand (brutto)
einmalig pro Bestellung

Lieferzeit: 5 Werktage

Pos.
63
BOSCH Schraube | Ersatzteile für 5150-20 | 1619P01505
Hersteller: BOSCH
Artikelnummer: EB-F012515009-1619P01505
nur Informationsartikel
Nie mehr lieferbar
keine Alternativen
Pos.
64
BOSCH Kontaktschraube | Ersatzteile für 5150-20 | 1619X01786
Hersteller: BOSCH
Artikelnummer: EB-F012515009-1619X01786
nur Informationsartikel
Nie mehr lieferbar
keine Alternativen
Pos.
65
BOSCH Sechskantschraube | Ersatzteile für 5150-20 | 1619X00935
Hersteller: BOSCH
Artikelnummer: EB-F012515009-1619X00935
nur Informationsartikel
Nie mehr lieferbar
keine Alternativen
Pos.
66
BOSCH Schraube | Ersatzteile für 5150-20 | 2610347100
Hersteller: BOSCH
Artikelnummer: EB-F012515009-2610347100
nur Informationsartikel
Nie mehr lieferbar
keine Alternativen
Pos.
67
BOSCH Schraube | Ersatzteile für 5150-20 | 2610347103
Hersteller: BOSCH
Artikelnummer: EB-F012515009-2610347103
nur Informationsartikel
Nie mehr lieferbar
keine Alternativen
Pos.
69
BOSCH Unterlegscheibe | Ersatzteile für 5150-20 | 2610313808
Hersteller: BOSCH
Artikelnummer: EB-F012515009-2610313808
nur Informationsartikel
Nie mehr lieferbar
keine Alternativen
Pos.
71
BOSCH Flügelmutter | Ersatzteile für 5150-20 | 2610029562
Hersteller: BOSCH
Artikelnummer: EB-F012515009-2610029562
Netto: 4,36 € zzgl. MwSt.
zzgl. 6,90 € Versand (brutto)
einmalig pro Bestellung

Lieferzeit: 5 Werktage

Pos.
73
BOSCH Sicherungsring | Ersatzteile für 5150-20 | 2610341354
Hersteller: BOSCH
Artikelnummer: EB-F012515009-2610341354
Netto: 4,36 € zzgl. MwSt.
zzgl. 6,90 € Versand (brutto)
einmalig pro Bestellung

Lieferzeit: 5 Werktage

Pos.
74
BOSCH Hebel | Ersatzteile für 5150-20 | 2610901987
Hersteller: BOSCH
Artikelnummer: EB-F012515009-2610901987
Netto: 4,56 € zzgl. MwSt.
zzgl. 6,90 € Versand (brutto)
einmalig pro Bestellung

Lieferzeit: 5 Werktage

Pos.
75
BOSCH Rundmutter | Ersatzteile für 5150-20 | 2610901988
Hersteller: BOSCH
Artikelnummer: EB-F012515009-2610901988
Netto: 4,56 € zzgl. MwSt.
zzgl. 6,90 € Versand (brutto)
einmalig pro Bestellung

Lieferzeit: 5 Werktage

Pos.
76
BOSCH Vorlegscheibe | Ersatzteile für 5150-20 | 1619P01535
Hersteller: BOSCH
Artikelnummer: EB-F012515009-1619P01535
Netto: 3,60 € zzgl. MwSt.
zzgl. 6,90 € Versand (brutto)
einmalig pro Bestellung

Lieferzeit: 5 Werktage

Pos.
79
BOSCH Federscheibe | Ersatzteile für 5150-20 | 2610069183
Hersteller: BOSCH
Artikelnummer: EB-F012515009-2610069183
Netto: 3,60 € zzgl. MwSt.
zzgl. 6,90 € Versand (brutto)
einmalig pro Bestellung

Lieferzeit: 5 Werktage

Pos.
81
BOSCH Schraube | Ersatzteile für 5150-20 | 2610990024
Hersteller: BOSCH
Artikelnummer: EB-F012515009-2610990024
nur Informationsartikel
Nie mehr lieferbar
keine Alternativen
Pos.
650
BOSCH Ringschlüssel | Ersatzteile für 5150-20 | 2610341299
Hersteller: BOSCH
Artikelnummer: EB-F012515009-2610341299
Netto: 9,05 € zzgl. MwSt.
zzgl. 6,90 € Versand (brutto)
einmalig pro Bestellung

Lieferzeit: 5 Werktage

Pos.
810
BOSCH Kohlebürstensatz | Ersatzteile für 5150-20 | 2610993157
Hersteller: BOSCH
Artikelnummer: EB-F012515009-2610993157
Netto: 12,50 € zzgl. MwSt.
zzgl. 6,90 € Versand (brutto)
einmalig pro Bestellung

Lieferzeit: 5 Werktage

Pos.
814
BOSCH Lagerhülse | Ersatzteile für 5150-20 | 2610356680
Hersteller: BOSCH
Artikelnummer: EB-F012515009-2610356680
nur Informationsartikel
Nie mehr lieferbar
keine Alternativen
Pos.
818
BOSCH Lager | Ersatzteile für 5150-20 | 2610997773
Hersteller: BOSCH
Artikelnummer: EB-F012515009-2610997773
nur Informationsartikel
Nie mehr lieferbar
keine Alternativen
Pos.
829
BOSCH Pendelschutzhaube | Ersatzteile für 5150-20 | 2610341268
Hersteller: BOSCH
Artikelnummer: EB-F012515009-2610341268
nur Informationsartikel
Nie mehr lieferbar
keine Alternativen
Pos.
832
BOSCH Handgriff | Ersatzteile für 5150-20 | 2610904887
Hersteller: BOSCH
Artikelnummer: EB-F012515009-2610904887
Netto: 8,13 € zzgl. MwSt.
zzgl. 6,90 € Versand (brutto)
einmalig pro Bestellung

Lieferzeit: 5 Werktage

Angaben zur Produktsicherheit

Hersteller:
Robert Bosch Power Tools GmbH
Postfach 30 02 20
70442 Stuttgart

E-Mail:
kontakt@bosch.de