BOSCH Drehfeder | Ersatzteile für 52314 | 2604651011

Artikelnummer: EB-0601598460-2604651011

Position: 74

Marke: BOSCH


Bitte Kompatibilität prüfen!

Bitte prüfen Sie unbedingt die 10-stellige Typennummer Ihrer Maschine / Ihres Gerätes. Das Ersatzteil ist nur kompatibel, wenn Sie die Typennummer Ihrer Maschine in der unten stehenden Produktbeschreibung finden.

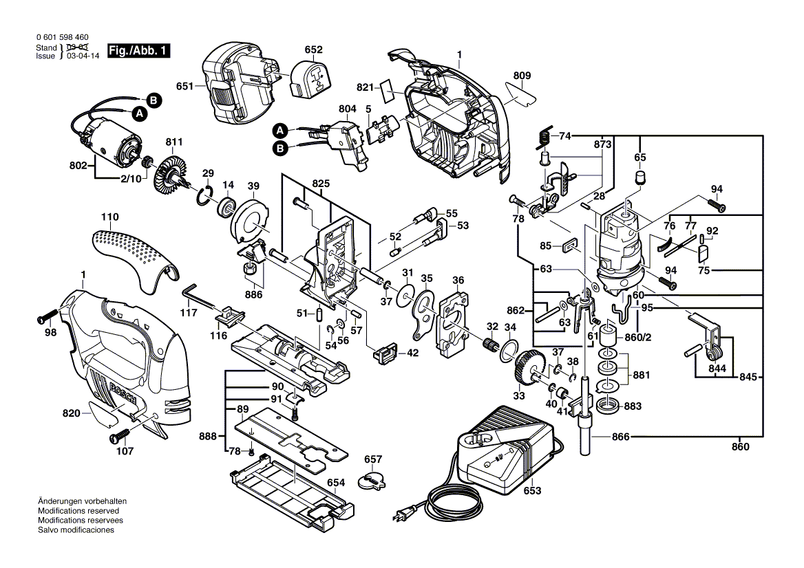
Bitte prüfen Sie ebenfalls detailliert die Explosionszeichnung mit Ihrem Artikelwunsch und der jeweiligen Pos-Nummer.

Alle Elemente, welche vom schwarzen Strich der Pos-Nummer ausgehend berührt / erfasst werden, gehören zu dieser Pos-Nummer und somit zu diesem Artikel. Jede Pos-Nummer ist ein eigenständiger Artikel, welchen Sie in der Auflistung finden.

Sie erhalten stets die aktuellste, neueste Produktversion zu der gewählten Pos-Nummer seitens des Herstellers. Es kann daher je nach Gerätealter vorkommen, dass Sie ggf. weitere, zugehörige Elemente, welche an diese Pos-Nummer grenzen, ebenfalls mittauschen müssen.

Nähere Informationen finden Sie unter dem Link
Hinweise zu Ihrer BOSCH Ersatzteilsuche

Preisübersicht

Einzelpreis: 4,82 €* (Brutto: 5,74 €)
Gesamtpreis: 4,82 €* 
Position:

Lieferzeit: 5 Werktage


Beschreibung

  • Drehfeder
  • Original Bosch Zubehör / BOSCH Ersatzteil (2604651011)
  • im Gerät verbaut: 1
Dieses BOSCH Ersatzteil ist mit folgendem Gerät und Modell kompatibel:
  • BOSCH Gerätename: 52314
  • BOSCH Explosionszeichnung: Position 74
  • BOSCH Typennummer: 0601598460
  • BOSCH Typennummer alternative Schreibweisen: 0 601 598 460, 0601 598 460, 0.601.598.460, 0-601-598-460
    Bitte prüfen Sie diese Typennummer auf Ihrem Gerät um die Kompatibilität des BOSCH Ersatzteils zu gewährleisten.
Weitere BOSCH Ersatzteile des Gerätes 52314 (Akku-Stichsäge) mit der Typennummer 0601598460 finden Sie in der nachfolgenden Darstellung und im Dropdown zu Ihrer Auswahl:

Pos.
1
BOSCH Gehäuseschale | Ersatzteile für 52314 | 2605105016
Hersteller: BOSCH
Artikelnummer: EB-0601598460-2605105016
nur Informationsartikel
Nie mehr lieferbar
keine Alternativen
Pos.
2/10
BOSCH Kupplungsteil | Ersatzteile für 52314 | 2606490088
Hersteller: BOSCH
Artikelnummer: EB-0601598460-2606490088
Netto: 6,15 € zzgl. MwSt.
zzgl. 6,90 € Versand (brutto)
einmalig pro Bestellung

Lieferzeit: 5 Werktage

Pos.
860/2
BOSCH Lagerbuchse | Ersatzteile für 52314 | 2600301037
Hersteller: BOSCH
Artikelnummer: EB-0601598460-2600301037
Netto: 3,94 € zzgl. MwSt.
zzgl. 6,90 € Versand (brutto)
einmalig pro Bestellung

Lieferzeit: 5 Werktage

Pos.
5
BOSCH Sperrhebel | Ersatzteile für 52314 | 2601099120
Hersteller: BOSCH
Artikelnummer: EB-0601598460-2601099120
Netto: 4,36 € zzgl. MwSt.
zzgl. 6,90 € Versand (brutto)
einmalig pro Bestellung

Lieferzeit: 5 Werktage

Pos.
14
BOSCH Kugellager 9x24x7 | Ersatzteile für 52314 | 2600905095
Hersteller: BOSCH
Artikelnummer: EB-0601598460-2600905095
Netto: 10,92 € zzgl. MwSt.
zzgl. 6,90 € Versand (brutto)
einmalig pro Bestellung

Lieferzeit: 5 Werktage

Pos.
28
BOSCH Nadelrolle DIN 5402-A3x11,8-G2 | Ersatzteile für 52314 | 1903201042
Hersteller: BOSCH
Artikelnummer: EB-0601598460-1903201042
Netto: 4,32 € zzgl. MwSt.
zzgl. 6,90 € Versand (brutto)
einmalig pro Bestellung

Lieferzeit: 5 Werktage

Pos.
29
BOSCH Sicherungsring DIN 472-24x1,2 MM | Ersatzteile für 52314 | 2916660008
Hersteller: BOSCH
Artikelnummer: EB-0601598460-2916660008
Netto: 4,32 € zzgl. MwSt.
zzgl. 6,90 € Versand (brutto)
einmalig pro Bestellung

Lieferzeit: 5 Werktage

Pos.
31
BOSCH Ausgleichscheibe 0,5 MM | Ersatzteile für 52314 | 2600101048
Hersteller: BOSCH
Artikelnummer: EB-0601598460-2600101048
Netto: 3,94 € zzgl. MwSt.
zzgl. 6,90 € Versand (brutto)
einmalig pro Bestellung

Lieferzeit: 5 Werktage

Pos.
32
BOSCH Nadelkranz | Ersatzteile für 52314 | 2600913040
Hersteller: BOSCH
Artikelnummer: EB-0601598460-2600913040
Netto: 6,70 € zzgl. MwSt.
zzgl. 6,90 € Versand (brutto)
einmalig pro Bestellung

Lieferzeit: 5 Werktage

Pos.
33
BOSCH Exzenterzahnrad | Ersatzteile für 52314 | 2606320088
Hersteller: BOSCH
Artikelnummer: EB-0601598460-2606320088
nur Informationsartikel
Nie mehr lieferbar
keine Alternativen
Pos.
34
BOSCH Ausgleichscheibe 0,5 MM | Ersatzteile für 52314 | 2600102614
Hersteller: BOSCH
Artikelnummer: EB-0601598460-2600102614
nur Informationsartikel
Nie mehr lieferbar
keine Alternativen
Pos.
35
BOSCH Gabelhebel | Ersatzteile für 52314 | 2601923010
Hersteller: BOSCH
Artikelnummer: EB-0601598460-2601923010
nur Informationsartikel
Nie mehr lieferbar
keine Alternativen
Pos.
36
BOSCH Ausgleichgewicht | Ersatzteile für 52314 | 2601098032
Hersteller: BOSCH
Artikelnummer: EB-0601598460-2601098032
Netto: 12,98 € zzgl. MwSt.
zzgl. 6,90 € Versand (brutto)
einmalig pro Bestellung

Lieferzeit: 5 Werktage

Pos.
37
BOSCH Ausgleichscheibe 0,3 MM | Ersatzteile für 52314 | 2600101047
Hersteller: BOSCH
Artikelnummer: EB-0601598460-2600101047
Netto: 3,94 € zzgl. MwSt.
zzgl. 6,90 € Versand (brutto)
einmalig pro Bestellung

Lieferzeit: 5 Werktage

Pos.
38
BOSCH Sicherungsscheibe DIN 6799-6-FST | Ersatzteile für 52314 | 2916080909
Hersteller: BOSCH
Artikelnummer: EB-0601598460-2916080909
Netto: 3,63 € zzgl. MwSt.
zzgl. 6,90 € Versand (brutto)
einmalig pro Bestellung

Lieferzeit: 5 Werktage

Pos.
39
BOSCH Luftleitring | Ersatzteile für 52314 | 2600290051
Hersteller: BOSCH
Artikelnummer: EB-0601598460-2600290051
nur Informationsartikel
Nie mehr lieferbar
keine Alternativen
Pos.
40
BOSCH Zwischenring | Ersatzteile für 52314 | 2600200038
Hersteller: BOSCH
Artikelnummer: EB-0601598460-2600200038
nur Informationsartikel
Nie mehr lieferbar
keine Alternativen
Pos.
41
BOSCH Nadelhülse | Ersatzteile für 52314 | 2600917900
Hersteller: BOSCH
Artikelnummer: EB-0601598460-2600917900
nur Informationsartikel
Nie mehr lieferbar
keine Alternativen
Pos.
42
BOSCH Luftabscheider | Ersatzteile für 52314 | 2602305050
Hersteller: BOSCH
Artikelnummer: EB-0601598460-2602305050
Netto: 4,53 € zzgl. MwSt.
zzgl. 6,90 € Versand (brutto)
einmalig pro Bestellung

Lieferzeit: 5 Werktage

Pos.
51
BOSCH Lagerbolzen | Ersatzteile für 52314 | 2603105053
Hersteller: BOSCH
Artikelnummer: EB-0601598460-2603105053
Netto: 3,63 € zzgl. MwSt.
zzgl. 6,90 € Versand (brutto)
einmalig pro Bestellung

Lieferzeit: 5 Werktage

Pos.
52
BOSCH Rastkappe | Ersatzteile für 52314 | 2600590006
Hersteller: BOSCH
Artikelnummer: EB-0601598460-2600590006
Netto: 3,94 € zzgl. MwSt.
zzgl. 6,90 € Versand (brutto)
einmalig pro Bestellung

Lieferzeit: 5 Werktage

Pos.
53
BOSCH Drehknopf SCHWARZ | Ersatzteile für 52314 | 2602026063
Hersteller: BOSCH
Artikelnummer: EB-0601598460-2602026063
Netto: 4,53 € zzgl. MwSt.
zzgl. 6,90 € Versand (brutto)
einmalig pro Bestellung

Lieferzeit: 5 Werktage

Pos.
54
BOSCH Sicherungsscheibe 5 DIN 6799 | Ersatzteile für 52314 | 2916080908
Hersteller: BOSCH
Artikelnummer: EB-0601598460-2916080908
Netto: 3,63 € zzgl. MwSt.
zzgl. 6,90 € Versand (brutto)
einmalig pro Bestellung

Lieferzeit: 5 Werktage

Pos.
55
BOSCH Drehknopf SCHWARZ | Ersatzteile für 52314 | 2602026065
Hersteller: BOSCH
Artikelnummer: EB-0601598460-2602026065
Netto: 4,32 € zzgl. MwSt.
zzgl. 6,90 € Versand (brutto)
einmalig pro Bestellung

Lieferzeit: 5 Werktage

Pos.
56
BOSCH Ausgleichscheibe 0,3 MM | Ersatzteile für 52314 | 2600100607
Hersteller: BOSCH
Artikelnummer: EB-0601598460-2600100607
Netto: 3,94 € zzgl. MwSt.
zzgl. 6,90 € Versand (brutto)
einmalig pro Bestellung

Lieferzeit: 5 Werktage

Pos.
57
BOSCH Zylinderstift 17,35+0,1 MM | Ersatzteile für 52314 | 2603100069
Hersteller: BOSCH
Artikelnummer: EB-0601598460-2603100069
Netto: 3,94 € zzgl. MwSt.
zzgl. 6,90 € Versand (brutto)
einmalig pro Bestellung

Lieferzeit: 5 Werktage

Pos.
60
BOSCH Getriebedeckel | Ersatzteile für 52314 | 2605808081
Hersteller: BOSCH
Artikelnummer: EB-0601598460-2605808081
nur Informationsartikel
Nie mehr lieferbar
keine Alternativen
Pos.
61
BOSCH Druckfeder | Ersatzteile für 52314 | 2604610042
Hersteller: BOSCH
Artikelnummer: EB-0601598460-2604610042
Netto: 3,94 € zzgl. MwSt.
zzgl. 6,90 € Versand (brutto)
einmalig pro Bestellung

Lieferzeit: 5 Werktage

Pos.
63
BOSCH Ausgleichscheibe | Ersatzteile für 52314 | 2600101095
Hersteller: BOSCH
Artikelnummer: EB-0601598460-2600101095
Netto: 3,94 € zzgl. MwSt.
zzgl. 6,90 € Versand (brutto)
einmalig pro Bestellung

Lieferzeit: 5 Werktage

Pos.
65
BOSCH Dichtung | Ersatzteile für 52314 | 2601015064
Hersteller: BOSCH
Artikelnummer: EB-0601598460-2601015064
Netto: 3,94 € zzgl. MwSt.
zzgl. 6,90 € Versand (brutto)
einmalig pro Bestellung

Lieferzeit: 5 Werktage

Pos.
74
BOSCH Drehfeder | Ersatzteile für 52314 | 2604651011
Hersteller: BOSCH
Artikelnummer: EB-0601598460-2604651011
Netto: 4,82 € zzgl. MwSt.
zzgl. 6,90 € Versand (brutto)
einmalig pro Bestellung

Lieferzeit: 5 Werktage

Pos.
75
BOSCH Griffkappe SCHWARZ | Ersatzteile für 52314 | 2600591010
Hersteller: BOSCH
Artikelnummer: EB-0601598460-2600591010
Netto: 4,53 € zzgl. MwSt.
zzgl. 6,90 € Versand (brutto)
einmalig pro Bestellung

Lieferzeit: 5 Werktage

Pos.
76
BOSCH Dichtung | Ersatzteile für 52314 | 2601015065
Hersteller: BOSCH
Artikelnummer: EB-0601598460-2601015065
Netto: 3,94 € zzgl. MwSt.
zzgl. 6,90 € Versand (brutto)
einmalig pro Bestellung

Lieferzeit: 5 Werktage

Pos.
77
BOSCH Abdeckplatte | Ersatzteile für 52314 | 2601016079
Hersteller: BOSCH
Artikelnummer: EB-0601598460-2601016079
Netto: 6,15 € zzgl. MwSt.
zzgl. 6,90 € Versand (brutto)
einmalig pro Bestellung

Lieferzeit: 5 Werktage

Pos.
78
BOSCH Gewindefurchschraube | Ersatzteile für 52314 | 2603421014
Hersteller: BOSCH
Artikelnummer: EB-0601598460-2603421014
nur Informationsartikel
Nie mehr lieferbar
keine Alternativen
Pos.
85
BOSCH Abdichtplatte | Ersatzteile für 52314 | 2601015057
Hersteller: BOSCH
Artikelnummer: EB-0601598460-2601015057
nur Informationsartikel
Nie mehr lieferbar
keine Alternativen
Pos.
89
BOSCH Arbeitsplatte | Ersatzteile für 52314 | 2601098082
Hersteller: BOSCH
Artikelnummer: EB-0601598460-2601098082
nur Informationsartikel
Nie mehr lieferbar
keine Alternativen
Pos.
90
BOSCH Profilleiste | Ersatzteile für 52314 | 2601030022
Hersteller: BOSCH
Artikelnummer: EB-0601598460-2601030022
Netto: 4,53 € zzgl. MwSt.
zzgl. 6,90 € Versand (brutto)
einmalig pro Bestellung

Lieferzeit: 5 Werktage

Pos.
91
BOSCH Innensechskantschraube DIN 912-M6x16-8.8 | Ersatzteile für 52314 | 2910141197
Hersteller: BOSCH
Artikelnummer: EB-0601598460-2910141197
Netto: 3,63 € zzgl. MwSt.
zzgl. 6,90 € Versand (brutto)
einmalig pro Bestellung

Lieferzeit: 5 Werktage

Pos.
92
BOSCH Spannstift 2x6 DIN 1481 | Ersatzteile für 52314 | 2917760034
Hersteller: BOSCH
Artikelnummer: EB-0601598460-2917760034
Netto: 3,63 € zzgl. MwSt.
zzgl. 6,90 € Versand (brutto)
einmalig pro Bestellung

Lieferzeit: 5 Werktage

Pos.
94
BOSCH Gewindefurchschraube M4x12 MM | Ersatzteile für 52314 | 2603410049
Hersteller: BOSCH
Artikelnummer: EB-0601598460-2603410049
Netto: 3,94 € zzgl. MwSt.
zzgl. 6,90 € Versand (brutto)
einmalig pro Bestellung

Lieferzeit: 5 Werktage

Pos.
95
BOSCH Schutzbügel SCHWARZ | Ersatzteile für 52314 | 2603101046
Hersteller: BOSCH
Artikelnummer: EB-0601598460-2603101046
nur Informationsartikel
Nie mehr lieferbar
keine Alternativen
Pos.
98
BOSCH Torx-Linsenschraube 3x18 | Ersatzteile für 52314 | 2603490018
Hersteller: BOSCH
Artikelnummer: EB-0601598460-2603490018
nur Informationsartikel
Nie mehr lieferbar
keine Alternativen
Pos.
107
BOSCH Torx-Linsenschraube 4x20 | Ersatzteile für 52314 | 2603490023
Hersteller: BOSCH
Artikelnummer: EB-0601598460-2603490023
Netto: 3,63 € zzgl. MwSt.
zzgl. 6,90 € Versand (brutto)
einmalig pro Bestellung

Lieferzeit: 5 Werktage

Pos.
110
BOSCH Griffschale | Ersatzteile für 52314 | 2608040204
Hersteller: BOSCH
Artikelnummer: EB-0601598460-2608040204
Netto: 10,92 € zzgl. MwSt.
zzgl. 6,90 € Versand (brutto)
einmalig pro Bestellung

Lieferzeit: 5 Werktage

Pos.
116
BOSCH Schlüsselhalter | Ersatzteile für 52314 | 2608000313
Hersteller: BOSCH
Artikelnummer: EB-0601598460-2608000313
nur Informationsartikel
Nie mehr lieferbar
keine Alternativen
Pos.
117
BOSCH Innensechskantschlüssel 5 MM | Ersatzteile für 52314 | 2610364015
Hersteller: BOSCH
Artikelnummer: EB-0601598460-2610364015
Netto: 5,19 € zzgl. MwSt.
zzgl. 6,90 € Versand (brutto)
einmalig pro Bestellung

Lieferzeit: 5 Werktage

Pos.
651
BOSCH Akku-Paket 14,4V,2.0Ah,NiCd | Ersatzteile für 52314 | 2607335669
Hersteller: BOSCH
Artikelnummer: EB-0601598460-2607335669
nur Informationsartikel
Nie mehr lieferbar
keine Alternativen
Pos.
652
BOSCH Schutzkappe | Ersatzteile für 52314 | 2609100101
Hersteller: BOSCH
Artikelnummer: EB-0601598460-2609100101
Netto: 5,67 € zzgl. MwSt.
zzgl. 6,90 € Versand (brutto)
einmalig pro Bestellung

Lieferzeit: 5 Werktage

Pos.
653
BOSCH Schnell-Lader USA 120/7,2-24V, 30 MIN. | Ersatzteile für 52314 | 2607225033
Hersteller: BOSCH
Artikelnummer: EB-0601598460-2607225033
nur Informationsartikel
Nie mehr lieferbar
keine Alternativen
Pos.
654
BOSCH Gleitschuh | Ersatzteile für 52314 | 2608000184
Hersteller: BOSCH
Artikelnummer: EB-0601598460-2608000184
nur Informationsartikel
Nie mehr lieferbar
keine Alternativen
Pos.
657
BOSCH Spanreissschutz | Ersatzteile für 52314 | 2601016065
Hersteller: BOSCH
Artikelnummer: EB-0601598460-2601016065
nur Informationsartikel
Nie mehr lieferbar
keine Alternativen
Pos.
802
BOSCH Gleichstrommotor 14,4V | Ersatzteile für 52314 | 2607022881
Hersteller: BOSCH
Artikelnummer: EB-0601598460-2607022881
Netto: 57,47 € zzgl. MwSt.
zzgl. 6,90 € Versand (brutto)
einmalig pro Bestellung

Lieferzeit: 5 Werktage

Pos.
804
BOSCH Ein/Aus-Schalter | Ersatzteile für 52314 | 2607200421
Hersteller: BOSCH
Artikelnummer: EB-0601598460-2607200421
nur Informationsartikel
Nie mehr lieferbar
keine Alternativen
Pos.
809
BOSCH Firmenschild | Ersatzteile für 52314 | 2601116173
Hersteller: BOSCH
Artikelnummer: EB-0601598460-2601116173
nur Informationsartikel
Nie mehr lieferbar
keine Alternativen
Pos.
811
BOSCH Kupplungshälfte | Ersatzteile für 52314 | 2606445901
Hersteller: BOSCH
Artikelnummer: EB-0601598460-2606445901
nur Informationsartikel
Nie mehr lieferbar
keine Alternativen
Pos.
820
BOSCH Warnschild | Ersatzteile für 52314 | 2601116130
Hersteller: BOSCH
Artikelnummer: EB-0601598460-2601116130
nur Informationsartikel
Nie mehr lieferbar
keine Alternativen
Pos.
821
BOSCH Typenschild | Ersatzteile für 52314 | 2601116170
Hersteller: BOSCH
Artikelnummer: EB-0601598460-2601116170
nur Informationsartikel
Nie mehr lieferbar
keine Alternativen
Pos.
825
BOSCH Getriebegehäuse | Ersatzteile für 52314 | 2605806896
Hersteller: BOSCH
Artikelnummer: EB-0601598460-2605806896
Netto: 39,11 € zzgl. MwSt.
zzgl. 6,90 € Versand (brutto)
einmalig pro Bestellung

Lieferzeit: 5 Werktage

Pos.
844
BOSCH Rollensatz | Ersatzteile für 52314 | 2600326904
Hersteller: BOSCH
Artikelnummer: EB-0601598460-2600326904
nur Informationsartikel
Nie mehr lieferbar
keine Alternativen
Pos.
845
BOSCH Rollenhebel | Ersatzteile für 52314 | 2601321904
Hersteller: BOSCH
Artikelnummer: EB-0601598460-2601321904
nur Informationsartikel
Nie mehr lieferbar
keine Alternativen
Pos.
860
BOSCH Getriebedeckel | Ersatzteile für 52314 | 2605808927
Hersteller: BOSCH
Artikelnummer: EB-0601598460-2605808927
nur Informationsartikel
Nie mehr lieferbar
keine Alternativen
Pos.
862
BOSCH Führungsbügel | Ersatzteile für 52314 | 2601322900
Hersteller: BOSCH
Artikelnummer: EB-0601598460-2601322900
Netto: 11,78 € zzgl. MwSt.
zzgl. 6,90 € Versand (brutto)
einmalig pro Bestellung

Lieferzeit: 5 Werktage

Pos.
866
BOSCH Hubstange | Ersatzteile für 52314 | 2600780911
Hersteller: BOSCH
Artikelnummer: EB-0601598460-2600780911
nur Informationsartikel
Nie mehr lieferbar
keine Alternativen
Pos.
873
BOSCH Halteblech | Ersatzteile für 52314 | 2601990906
Hersteller: BOSCH
Artikelnummer: EB-0601598460-2601990906
nur Informationsartikel
Nie mehr lieferbar
keine Alternativen
Pos.
881
BOSCH Dichtungssatz | Ersatzteile für 52314 | 2600290902
Hersteller: BOSCH
Artikelnummer: EB-0601598460-2600290902
nur Informationsartikel
Nie mehr lieferbar
keine Alternativen
Pos.
883
BOSCH Haltering | Ersatzteile für 52314 | 2600202037
Hersteller: BOSCH
Artikelnummer: EB-0601598460-2600202037
Netto: 4,32 € zzgl. MwSt.
zzgl. 6,90 € Versand (brutto)
einmalig pro Bestellung

Lieferzeit: 5 Werktage

Pos.
886
BOSCH Lüfterdeckel | Ersatzteile für 52314 | 2605500911
Hersteller: BOSCH
Artikelnummer: EB-0601598460-2605500911
nur Informationsartikel
Nie mehr lieferbar
keine Alternativen
Pos.
888
BOSCH Grundplatte | Ersatzteile für 52314 | 2608000920
Hersteller: BOSCH
Artikelnummer: EB-0601598460-2608000920
nur Informationsartikel
Nie mehr lieferbar
keine Alternativen

Angaben zur Produktsicherheit

Hersteller:
Robert Bosch Power Tools GmbH
Postfach 30 02 20
70442 Stuttgart

E-Mail:
kontakt@bosch.de