BOSCH Lager | Ersatzteile für 5240 | 2610386569

Artikelnummer: EB-F0155240J1-2610386569

Position: 25

Marke: BOSCH


Bitte Kompatibilität prüfen!

Bitte prüfen Sie unbedingt die 10-stellige Typennummer Ihrer Maschine / Ihres Gerätes. Das Ersatzteil ist nur kompatibel, wenn Sie die Typennummer Ihrer Maschine in der unten stehenden Produktbeschreibung finden.

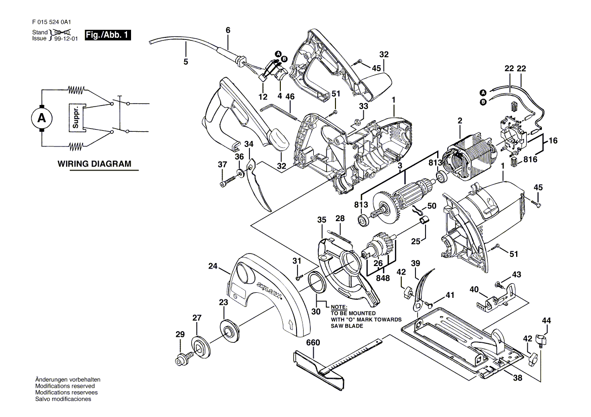
Bitte prüfen Sie ebenfalls detailliert die Explosionszeichnung mit Ihrem Artikelwunsch und der jeweiligen Pos-Nummer.

Alle Elemente, welche vom schwarzen Strich der Pos-Nummer ausgehend berührt / erfasst werden, gehören zu dieser Pos-Nummer und somit zu diesem Artikel. Jede Pos-Nummer ist ein eigenständiger Artikel, welchen Sie in der Auflistung finden.

Sie erhalten stets die aktuellste, neueste Produktversion zu der gewählten Pos-Nummer seitens des Herstellers. Es kann daher je nach Gerätealter vorkommen, dass Sie ggf. weitere, zugehörige Elemente, welche an diese Pos-Nummer grenzen, ebenfalls mittauschen müssen.

Nähere Informationen finden Sie unter dem Link
Hinweise zu Ihrer BOSCH Ersatzteilsuche

Preisübersicht

Einzelpreis: 4,56 €* (Brutto: 5,43 €)
Gesamtpreis: 4,56 €* 
Position:

Lieferzeit: 5 Werktage


Beschreibung

  • Lager
  • Original Bosch Zubehör / BOSCH Ersatzteil (2610386569)
  • im Gerät verbaut: 1
Dieses BOSCH Ersatzteil ist mit folgendem Gerät und Modell kompatibel:
  • BOSCH Gerätename: 5240
  • BOSCH Explosionszeichnung: Position 25
  • BOSCH Typennummer: F0155240J1
  • BOSCH Typennummer alternative Schreibweisen: F 015 524 0J1, F015 524 0J1, F.015.524.0J1, F-015-524-0J1
    Bitte prüfen Sie diese Typennummer auf Ihrem Gerät um die Kompatibilität des BOSCH Ersatzteils zu gewährleisten.
Weitere BOSCH Ersatzteile des Gerätes 5240 (Handkreissäge) mit der Typennummer F0155240J1 finden Sie in der nachfolgenden Darstellung und im Dropdown zu Ihrer Auswahl:

Pos.
1
BOSCH Gehäusesatz | Ersatzteile für 5240 | 2610386557
Hersteller: BOSCH
Artikelnummer: EB-F0155240J1-2610386557
nur Informationsartikel
Nie mehr lieferbar
keine Alternativen
Pos.
2
BOSCH Polschuh 230V | Ersatzteile für 5240 | 2610387123
Hersteller: BOSCH
Artikelnummer: EB-F0155240J1-2610387123
Netto: 9,05 € zzgl. MwSt.
zzgl. 6,90 € Versand (brutto)
einmalig pro Bestellung

Lieferzeit: 5 Werktage

Pos.
3
BOSCH Anker 230V | Ersatzteile für 5240 | 2610386657
Hersteller: BOSCH
Artikelnummer: EB-F0155240J1-2610386657
nur Informationsartikel
Nie mehr lieferbar
keine Alternativen
Pos.
4
BOSCH Schalter ROT | Ersatzteile für 5240 | 2610389737
Hersteller: BOSCH
Artikelnummer: EB-F0155240J1-2610389737
Netto: 6,27 € zzgl. MwSt.
zzgl. 6,90 € Versand (brutto)
einmalig pro Bestellung

Lieferzeit: 5 Werktage

Pos.
5
BOSCH Netzanschlussleitung CH 2,75m 2 x 1,0mm H05 VV-F | Ersatzteile für 5240 | 2610371799
Hersteller: BOSCH
Artikelnummer: EB-F0155240J1-2610371799
nur Informationsartikel
Nie mehr lieferbar
keine Alternativen
Pos.
5
BOSCH Netzanschlussleitung EU 230V 2,7m 2 x 0,75mm H05 VV-F | Ersatzteile für 5240 | 2604460259
Hersteller: BOSCH
Artikelnummer: EB-F0155240J1-2604460259
Netto: 11,58 € zzgl. MwSt.
zzgl. 6,90 € Versand (brutto)
einmalig pro Bestellung

Lieferzeit: 5 Werktage

Pos.
5
BOSCH Netzanschlussleitung GB 230V 2,75m 2 x 1,0mm H05 VV-F | Ersatzteile für 5240 | 2610385014
Hersteller: BOSCH
Artikelnummer: EB-F0155240J1-2610385014
nur Informationsartikel
Nie mehr lieferbar
keine Alternativen
Pos.
6
BOSCH Tülle | Ersatzteile für 5240 | 2610360176
Hersteller: BOSCH
Artikelnummer: EB-F0155240J1-2610360176
Netto: 3,94 € zzgl. MwSt.
zzgl. 6,90 € Versand (brutto)
einmalig pro Bestellung

Lieferzeit: 5 Werktage

Pos.
12
BOSCH Entstörkondensator | Ersatzteile für 5240 | 2609004538
Hersteller: BOSCH
Artikelnummer: EB-F0155240J1-2609004538
Netto: 5,17 € zzgl. MwSt.
zzgl. 6,90 € Versand (brutto)
einmalig pro Bestellung

Lieferzeit: 5 Werktage

Pos.
16
BOSCH Bürstenplatte | Ersatzteile für 5240 | 2610391898
Hersteller: BOSCH
Artikelnummer: EB-F0155240J1-2610391898
nur Informationsartikel
Nie mehr lieferbar
keine Alternativen
Pos.
22
BOSCH Verbindungsleitung | Ersatzteile für 5240 | 2610391908
Hersteller: BOSCH
Artikelnummer: EB-F0155240J1-2610391908
nur Informationsartikel
Nie mehr lieferbar
keine Alternativen
Pos.
23
BOSCH Scheibe | Ersatzteile für 5240 | 2610386555
Hersteller: BOSCH
Artikelnummer: EB-F0155240J1-2610386555
Netto: 4,80 € zzgl. MwSt.
zzgl. 6,90 € Versand (brutto)
einmalig pro Bestellung

Lieferzeit: 5 Werktage

Pos.
24
BOSCH Schutzhaube | Ersatzteile für 5240 | 2610386559
Hersteller: BOSCH
Artikelnummer: EB-F0155240J1-2610386559
nur Informationsartikel
Nie mehr lieferbar
keine Alternativen
Pos.
25
BOSCH Lager | Ersatzteile für 5240 | 2610386569
Hersteller: BOSCH
Artikelnummer: EB-F0155240J1-2610386569
Netto: 4,56 € zzgl. MwSt.
zzgl. 6,90 € Versand (brutto)
einmalig pro Bestellung

Lieferzeit: 5 Werktage

Pos.
26
BOSCH Kugellager | Ersatzteile für 5240 | 2610366402
Hersteller: BOSCH
Artikelnummer: EB-F0155240J1-2610366402
Netto: 7,66 € zzgl. MwSt.
zzgl. 6,90 € Versand (brutto)
einmalig pro Bestellung

Lieferzeit: 5 Werktage

Pos.
27
BOSCH Spannscheibe | Ersatzteile für 5240 | 1605703108
Hersteller: BOSCH
Artikelnummer: EB-F0155240J1-1605703108
Netto: 4,80 € zzgl. MwSt.
zzgl. 6,90 € Versand (brutto)
einmalig pro Bestellung

Lieferzeit: 5 Werktage

Pos.
28
BOSCH Zugfeder | Ersatzteile für 5240 | 2610386609
Hersteller: BOSCH
Artikelnummer: EB-F0155240J1-2610386609
Netto: 4,56 € zzgl. MwSt.
zzgl. 6,90 € Versand (brutto)
einmalig pro Bestellung

Lieferzeit: 5 Werktage

Pos.
29
BOSCH Innensechskantschraube M6x14 MM | Ersatzteile für 5240 | 1603414007
Hersteller: BOSCH
Artikelnummer: EB-F0155240J1-1603414007
Netto: 3,94 € zzgl. MwSt.
zzgl. 6,90 € Versand (brutto)
einmalig pro Bestellung

Lieferzeit: 5 Werktage

Pos.
30
BOSCH Scheibe | Ersatzteile für 5240 | 2610386556
Hersteller: BOSCH
Artikelnummer: EB-F0155240J1-2610386556
Netto: 3,93 € zzgl. MwSt.
zzgl. 6,90 € Versand (brutto)
einmalig pro Bestellung

Lieferzeit: 5 Werktage

Pos.
31
BOSCH Torx-Linsenschraube 8x13 | Ersatzteile für 5240 | 2610374913
Hersteller: BOSCH
Artikelnummer: EB-F0155240J1-2610374913
Netto: 3,94 € zzgl. MwSt.
zzgl. 6,90 € Versand (brutto)
einmalig pro Bestellung

Lieferzeit: 5 Werktage

Pos.
32
BOSCH Handgriff-Set | Ersatzteile für 5240 | 2610386558
Hersteller: BOSCH
Artikelnummer: EB-F0155240J1-2610386558
nur Informationsartikel
Nie mehr lieferbar
keine Alternativen
Pos.
33
BOSCH Mutter M6 | Ersatzteile für 5240 | 2610061550
Hersteller: BOSCH
Artikelnummer: EB-F0155240J1-2610061550
Netto: 3,95 € zzgl. MwSt.
zzgl. 6,90 € Versand (brutto)
einmalig pro Bestellung

Lieferzeit: 5 Werktage

Pos.
34
BOSCH Spaltkeil | Ersatzteile für 5240 | 2610386554
Hersteller: BOSCH
Artikelnummer: EB-F0155240J1-2610386554
nur Informationsartikel
Nie mehr lieferbar
keine Alternativen
Pos.
35
BOSCH Schutzverkleidung | Ersatzteile für 5240 | 2610386551
Hersteller: BOSCH
Artikelnummer: EB-F0155240J1-2610386551
Netto: 9,05 € zzgl. MwSt.
zzgl. 6,90 € Versand (brutto)
einmalig pro Bestellung

Lieferzeit: 5 Werktage

Pos.
36
BOSCH Scheibe DIN 9021-6,4x18x1,6 | Ersatzteile für 5240 | 2610386712
Hersteller: BOSCH
Artikelnummer: EB-F0155240J1-2610386712
Netto: 4,56 € zzgl. MwSt.
zzgl. 6,90 € Versand (brutto)
einmalig pro Bestellung

Lieferzeit: 5 Werktage

Pos.
37
BOSCH Schraube M6x22 MM | Ersatzteile für 5240 | 2610386933
Hersteller: BOSCH
Artikelnummer: EB-F0155240J1-2610386933
Netto: 3,94 € zzgl. MwSt.
zzgl. 6,90 € Versand (brutto)
einmalig pro Bestellung

Lieferzeit: 5 Werktage

Pos.
38
BOSCH Sockel | Ersatzteile für 5240 | 2610386840
Hersteller: BOSCH
Artikelnummer: EB-F0155240J1-2610386840
Netto: 11,58 € zzgl. MwSt.
zzgl. 6,90 € Versand (brutto)
einmalig pro Bestellung

Lieferzeit: 5 Werktage

Pos.
39
BOSCH Halter | Ersatzteile für 5240 | 2610386841
Hersteller: BOSCH
Artikelnummer: EB-F0155240J1-2610386841
Netto: 4,36 € zzgl. MwSt.
zzgl. 6,90 € Versand (brutto)
einmalig pro Bestellung

Lieferzeit: 5 Werktage

Pos.
40
BOSCH Scharnier | Ersatzteile für 5240 | 2610386842
Hersteller: BOSCH
Artikelnummer: EB-F0155240J1-2610386842
Netto: 4,56 € zzgl. MwSt.
zzgl. 6,90 € Versand (brutto)
einmalig pro Bestellung

Lieferzeit: 5 Werktage

Pos.
41
BOSCH Stützschraube M6x20 MM | Ersatzteile für 5240 | 2610386847
Hersteller: BOSCH
Artikelnummer: EB-F0155240J1-2610386847
Netto: 3,94 € zzgl. MwSt.
zzgl. 6,90 € Versand (brutto)
einmalig pro Bestellung

Lieferzeit: 5 Werktage

Pos.
42
BOSCH Sechskantmutter | Ersatzteile für 5240 | 2610387875
Hersteller: BOSCH
Artikelnummer: EB-F0155240J1-2610387875
nur Informationsartikel
Nie mehr lieferbar
keine Alternativen
Pos.
43
BOSCH Stützschraube | Ersatzteile für 5240 | 2609003647
Hersteller: BOSCH
Artikelnummer: EB-F0155240J1-2609003647
Netto: 3,94 € zzgl. MwSt.
zzgl. 6,90 € Versand (brutto)
einmalig pro Bestellung

Lieferzeit: 5 Werktage

Pos.
44
BOSCH Flügelschraube | Ersatzteile für 5240 | 2610387876
Hersteller: BOSCH
Artikelnummer: EB-F0155240J1-2610387876
nur Informationsartikel
Nie mehr lieferbar
keine Alternativen
Pos.
45
BOSCH Torx-Linsenschraube T20-8x19 MM | Ersatzteile für 5240 | 2610374919
Hersteller: BOSCH
Artikelnummer: EB-F0155240J1-2610374919
Netto: 3,60 € zzgl. MwSt.
zzgl. 6,90 € Versand (brutto)
einmalig pro Bestellung

Lieferzeit: 5 Werktage

Pos.
46
BOSCH Innensechskantschlüssel 5 MM | Ersatzteile für 5240 | 2610364015
Hersteller: BOSCH
Artikelnummer: EB-F0155240J1-2610364015
Netto: 5,17 € zzgl. MwSt.
zzgl. 6,90 € Versand (brutto)
einmalig pro Bestellung

Lieferzeit: 5 Werktage

Pos.
50
BOSCH Leitkörper | Ersatzteile für 5240 | 2610387524
Hersteller: BOSCH
Artikelnummer: EB-F0155240J1-2610387524
nur Informationsartikel
Nie mehr lieferbar
keine Alternativen
Pos.
813
BOSCH Rillenkugellager 8x22x7 | Ersatzteile für 5240 | 2600905052
Hersteller: BOSCH
Artikelnummer: EB-F0155240J1-2600905052
Netto: 7,66 € zzgl. MwSt.
zzgl. 6,90 € Versand (brutto)
einmalig pro Bestellung

Lieferzeit: 5 Werktage

Pos.
816
BOSCH Kohlebürstensatz | Ersatzteile für 5240 | 2610386546
Hersteller: BOSCH
Artikelnummer: EB-F0155240J1-2610386546
nur Informationsartikel
Nie mehr lieferbar
keine Alternativen
Pos.
848
BOSCH Getriebewelle | Ersatzteile für 5240 | 2610387048
Hersteller: BOSCH
Artikelnummer: EB-F0155240J1-2610387048
Netto: 18,86 € zzgl. MwSt.
zzgl. 6,90 € Versand (brutto)
einmalig pro Bestellung

Lieferzeit: 5 Werktage

Angaben zur Produktsicherheit

Hersteller:
Robert Bosch Power Tools GmbH
Postfach 30 02 20
70442 Stuttgart

E-Mail:
kontakt@bosch.de