BOSCH Verbindungsleitung L = 375 MM | Ersatzteile für 5266 | 2610990839

Artikelnummer: EB-F0155266J1-2610990839

Position: 27

Marke: BOSCH


Bitte Kompatibilität prüfen!

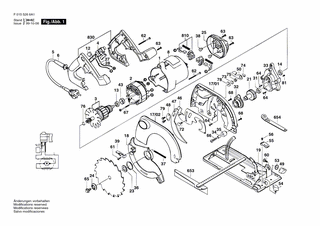
Bitte prüfen Sie unbedingt die 10-stellige Typennummer Ihrer Maschine / Ihres Gerätes. Das Ersatzteil ist nur kompatibel, wenn Sie die Typennummer Ihrer Maschine in der unten stehenden Produktbeschreibung finden.

Bitte prüfen Sie ebenfalls detailliert die Explosionszeichnung mit Ihrem Artikelwunsch und der jeweiligen Pos-Nummer.

Alle Elemente, welche vom schwarzen Strich der Pos-Nummer ausgehend berührt / erfasst werden, gehören zu dieser Pos-Nummer und somit zu diesem Artikel. Jede Pos-Nummer ist ein eigenständiger Artikel, welchen Sie in der Auflistung finden.

Sie erhalten stets die aktuellste, neueste Produktversion zu der gewählten Pos-Nummer seitens des Herstellers. Es kann daher je nach Gerätealter vorkommen, dass Sie ggf. weitere, zugehörige Elemente, welche an diese Pos-Nummer grenzen, ebenfalls mittauschen müssen.

Nähere Informationen finden Sie unter dem Link
Hinweise zu Ihrer BOSCH Ersatzteilsuche

Preisübersicht

Einzelpreis: 3,94 €* (Brutto: 4,69 €)
Gesamtpreis: 3,94 €* 
Position:

Lieferzeit: 5 Werktage


Beschreibung

  • Verbindungsleitung L = 375 MM
  • Original Bosch Zubehör / BOSCH Ersatzteil (2610990839)
  • im Gerät verbaut: 1
Dieses BOSCH Ersatzteil ist mit folgendem Gerät und Modell kompatibel:
  • BOSCH Gerätename: 5266
  • BOSCH Explosionszeichnung: Position 27
  • BOSCH Typennummer: F0155266J1
  • BOSCH Typennummer alternative Schreibweisen: F 015 526 6J1, F015 526 6J1, F.015.526.6J1, F-015-526-6J1
    Bitte prüfen Sie diese Typennummer auf Ihrem Gerät um die Kompatibilität des BOSCH Ersatzteils zu gewährleisten.
Weitere BOSCH Ersatzteile des Gerätes 5266 (Handkreissäge) mit der Typennummer F0155266J1 finden Sie in der nachfolgenden Darstellung und im Dropdown zu Ihrer Auswahl:

Pos.
1
BOSCH Motorgehäuse | Ersatzteile für 5266 | 2610968308
Hersteller: BOSCH
Artikelnummer: EB-F0155266J1-2610968308
nur Informationsartikel
Nie mehr lieferbar
keine Alternativen
Pos.
17/01
BOSCH Gehäuseschale | Ersatzteile für 5266 | 2610990160
Hersteller: BOSCH
Artikelnummer: EB-F0155266J1-2610990160
nur Informationsartikel
Nie mehr lieferbar
keine Alternativen
Pos.
17/02
BOSCH Gehäuseschale | Ersatzteile für 5266 | 2610990166
Hersteller: BOSCH
Artikelnummer: EB-F0155266J1-2610990166
nur Informationsartikel
Nie mehr lieferbar
keine Alternativen
Pos.
2
BOSCH Polschuh 230V | Ersatzteile für 5266 | 2610341405
Hersteller: BOSCH
Artikelnummer: EB-F0155266J1-2610341405
nur Informationsartikel
Nie mehr lieferbar
keine Alternativen
Pos.
3
BOSCH Anker 230V | Ersatzteile für 5266 | 2610990176
Hersteller: BOSCH
Artikelnummer: EB-F0155266J1-2610990176
nur Informationsartikel
Nie mehr lieferbar
keine Alternativen
Pos.
4
BOSCH Ein/Aus-Schalter | Ersatzteile für 5266 | 2610348355
Hersteller: BOSCH
Artikelnummer: EB-F0155266J1-2610348355
nur Informationsartikel
Nie mehr lieferbar
keine Alternativen
Pos.
5
BOSCH Netzanschlussleitung GB 4m 2 x 1mm H05VV-F | Ersatzteile für 5266 | 2610992583
Hersteller: BOSCH
Artikelnummer: EB-F0155266J1-2610992583
nur Informationsartikel
Nie mehr lieferbar
keine Alternativen
Pos.
6
BOSCH Tülle | Ersatzteile für 5266 | 2610360176
Hersteller: BOSCH
Artikelnummer: EB-F0155266J1-2610360176
Netto: 3,94 € zzgl. MwSt.
zzgl. 6,90 € Versand (brutto)
einmalig pro Bestellung

Lieferzeit: 5 Werktage

Pos.
8
BOSCH Firmenschild | Ersatzteile für 5266 | 2610990588
Hersteller: BOSCH
Artikelnummer: EB-F0155266J1-2610990588
nur Informationsartikel
Nie mehr lieferbar
keine Alternativen
Pos.
12
BOSCH Kondensator | Ersatzteile für 5266 | 2610346988
Hersteller: BOSCH
Artikelnummer: EB-F0155266J1-2610346988
nur Informationsartikel
Nie mehr lieferbar
keine Alternativen
Pos.
14
BOSCH Rillenkugellager | Ersatzteile für 5266 | 2610350311
Hersteller: BOSCH
Artikelnummer: EB-F0155266J1-2610350311
Netto: 10,62 € zzgl. MwSt.
zzgl. 6,90 € Versand (brutto)
einmalig pro Bestellung

Lieferzeit: 5 Werktage

Pos.
18
BOSCH Schutzblech | Ersatzteile für 5266 | 2610990169
Hersteller: BOSCH
Artikelnummer: EB-F0155266J1-2610990169
nur Informationsartikel
Nie mehr lieferbar
keine Alternativen
Pos.
19
BOSCH Grundplatte | Ersatzteile für 5266 | 2610990186
Hersteller: BOSCH
Artikelnummer: EB-F0155266J1-2610990186
Netto: 20,80 € zzgl. MwSt.
zzgl. 6,90 € Versand (brutto)
einmalig pro Bestellung

Lieferzeit: 5 Werktage

Pos.
21
BOSCH Welle Mit Zahnrad | Ersatzteile für 5266 | 2610992588
Hersteller: BOSCH
Artikelnummer: EB-F0155266J1-2610992588
nur Informationsartikel
Nie mehr lieferbar
keine Alternativen
Pos.
23
BOSCH Unterlegscheibe | Ersatzteile für 5266 | 2610968319
Hersteller: BOSCH
Artikelnummer: EB-F0155266J1-2610968319
Netto: 4,36 € zzgl. MwSt.
zzgl. 6,90 € Versand (brutto)
einmalig pro Bestellung

Lieferzeit: 5 Werktage

Pos.
24
BOSCH Unterlegscheibe | Ersatzteile für 5266 | 2610990193
Hersteller: BOSCH
Artikelnummer: EB-F0155266J1-2610990193
nur Informationsartikel
Nie mehr lieferbar
keine Alternativen
Pos.
25
BOSCH Verschlussdeckel | Ersatzteile für 5266 | 2610968309
Hersteller: BOSCH
Artikelnummer: EB-F0155266J1-2610968309
nur Informationsartikel
Nie mehr lieferbar
keine Alternativen
Pos.
27
BOSCH Verbindungsleitung L = 375 MM | Ersatzteile für 5266 | 2610990839
Hersteller: BOSCH
Artikelnummer: EB-F0155266J1-2610990839
Netto: 3,94 € zzgl. MwSt.
zzgl. 6,90 € Versand (brutto)
einmalig pro Bestellung

Lieferzeit: 5 Werktage

Pos.
28
BOSCH Verbindungsleitung L = 250 MM | Ersatzteile für 5266 | 2610990840
Hersteller: BOSCH
Artikelnummer: EB-F0155266J1-2610990840
Netto: 3,94 € zzgl. MwSt.
zzgl. 6,90 € Versand (brutto)
einmalig pro Bestellung

Lieferzeit: 5 Werktage

Pos.
31
BOSCH Kugellager | Ersatzteile für 5266 | 1619P01511
Hersteller: BOSCH
Artikelnummer: EB-F0155266J1-1619P01511
Netto: 7,26 € zzgl. MwSt.
zzgl. 6,90 € Versand (brutto)
einmalig pro Bestellung

Lieferzeit: 5 Werktage

Pos.
32
BOSCH Lagerflansch | Ersatzteile für 5266 | 2610968650
Hersteller: BOSCH
Artikelnummer: EB-F0155266J1-2610968650
Netto: 8,94 € zzgl. MwSt.
zzgl. 6,90 € Versand (brutto)
einmalig pro Bestellung

Lieferzeit: 5 Werktage

Pos.
33
BOSCH Getriebegehäuse | Ersatzteile für 5266 | 2610992580
Hersteller: BOSCH
Artikelnummer: EB-F0155266J1-2610992580
nur Informationsartikel
Nie mehr lieferbar
keine Alternativen
Pos.
34
BOSCH Abstandshalter | Ersatzteile für 5266 | 2610341366
Hersteller: BOSCH
Artikelnummer: EB-F0155266J1-2610341366
nur Informationsartikel
Nie mehr lieferbar
keine Alternativen
Pos.
35
BOSCH Anschlag | Ersatzteile für 5266 | 2610341394
Hersteller: BOSCH
Artikelnummer: EB-F0155266J1-2610341394
nur Informationsartikel
Nie mehr lieferbar
keine Alternativen
Pos.
36
BOSCH Sicherungsring | Ersatzteile für 5266 | 2610341359
Hersteller: BOSCH
Artikelnummer: EB-F0155266J1-2610341359
nur Informationsartikel
Nie mehr lieferbar
keine Alternativen
Pos.
37
BOSCH Zugfeder | Ersatzteile für 5266 | 2610347486
Hersteller: BOSCH
Artikelnummer: EB-F0155266J1-2610347486
Netto: 4,80 € zzgl. MwSt.
zzgl. 6,90 € Versand (brutto)
einmalig pro Bestellung

Lieferzeit: 5 Werktage

Pos.
38
BOSCH Gummipuffer | Ersatzteile für 5266 | 2610350655
Hersteller: BOSCH
Artikelnummer: EB-F0155266J1-2610350655
Netto: 3,94 € zzgl. MwSt.
zzgl. 6,90 € Versand (brutto)
einmalig pro Bestellung

Lieferzeit: 5 Werktage

Pos.
39
BOSCH Hebel | Ersatzteile für 5266 | 2610901997
Hersteller: BOSCH
Artikelnummer: EB-F0155266J1-2610901997
Netto: 3,60 € zzgl. MwSt.
zzgl. 6,90 € Versand (brutto)
einmalig pro Bestellung

Lieferzeit: 5 Werktage

Pos.
43
BOSCH Unterlegscheibe | Ersatzteile für 5266 | 2610990845
Hersteller: BOSCH
Artikelnummer: EB-F0155266J1-2610990845
Netto: 3,94 € zzgl. MwSt.
zzgl. 6,90 € Versand (brutto)
einmalig pro Bestellung

Lieferzeit: 5 Werktage

Pos.
46
BOSCH Haltewinkel | Ersatzteile für 5266 | 2610990157
Hersteller: BOSCH
Artikelnummer: EB-F0155266J1-2610990157
nur Informationsartikel
Nie mehr lieferbar
keine Alternativen
Pos.
47
BOSCH Spaltkeil | Ersatzteile für 5266 | 2610354871
Hersteller: BOSCH
Artikelnummer: EB-F0155266J1-2610354871
nur Informationsartikel
Nie mehr lieferbar
keine Alternativen
Pos.
48
BOSCH Platte | Ersatzteile für 5266 | 2610341341
Hersteller: BOSCH
Artikelnummer: EB-F0155266J1-2610341341
nur Informationsartikel
Nie mehr lieferbar
keine Alternativen
Pos.
49
BOSCH Knopfgriff | Ersatzteile für 5266 | 2610917567
Hersteller: BOSCH
Artikelnummer: EB-F0155266J1-2610917567
Netto: 7,66 € zzgl. MwSt.
zzgl. 6,90 € Versand (brutto)
einmalig pro Bestellung

Lieferzeit: 5 Werktage

Pos.
50
BOSCH Hebel | Ersatzteile für 5266 | 2610901987
Hersteller: BOSCH
Artikelnummer: EB-F0155266J1-2610901987
Netto: 4,56 € zzgl. MwSt.
zzgl. 6,90 € Versand (brutto)
einmalig pro Bestellung

Lieferzeit: 5 Werktage

Pos.
53
BOSCH Vorlegscheibe | Ersatzteile für 5266 | 1619P01535
Hersteller: BOSCH
Artikelnummer: EB-F0155266J1-1619P01535
Netto: 3,60 € zzgl. MwSt.
zzgl. 6,90 € Versand (brutto)
einmalig pro Bestellung

Lieferzeit: 5 Werktage

Pos.
54
BOSCH Stellknopf | Ersatzteile für 5266 | 2610990806
Hersteller: BOSCH
Artikelnummer: EB-F0155266J1-2610990806
Netto: 4,36 € zzgl. MwSt.
zzgl. 6,90 € Versand (brutto)
einmalig pro Bestellung

Lieferzeit: 5 Werktage

Pos.
55
BOSCH Skalenplatte | Ersatzteile für 5266 | 2610990816
Hersteller: BOSCH
Artikelnummer: EB-F0155266J1-2610990816
nur Informationsartikel
Nie mehr lieferbar
keine Alternativen
Pos.
56
BOSCH Linsenschraube DIN 7985-M4x8-8.8-H | Ersatzteile für 5266 | 2910951118
Hersteller: BOSCH
Artikelnummer: EB-F0155266J1-2910951118
nur Informationsartikel
Nie mehr lieferbar
keine Alternativen
Pos.
60
BOSCH Flachrundschraube | Ersatzteile für 5266 | 2610017262
Hersteller: BOSCH
Artikelnummer: EB-F0155266J1-2610017262
nur Informationsartikel
Nie mehr lieferbar
keine Alternativen
Pos.
61
BOSCH Schraube | Ersatzteile für 5266 | 2610328924
Hersteller: BOSCH
Artikelnummer: EB-F0155266J1-2610328924
nur Informationsartikel
Nie mehr lieferbar
keine Alternativen
Pos.
62
BOSCH Schraube | Ersatzteile für 5266 | 2610968438
Hersteller: BOSCH
Artikelnummer: EB-F0155266J1-2610968438
Netto: 3,94 € zzgl. MwSt.
zzgl. 6,90 € Versand (brutto)
einmalig pro Bestellung

Lieferzeit: 5 Werktage

Pos.
63
BOSCH Schraube | Ersatzteile für 5266 | 1619P01505
Hersteller: BOSCH
Artikelnummer: EB-F0155266J1-1619P01505
nur Informationsartikel
Nie mehr lieferbar
keine Alternativen
Pos.
64
BOSCH Sechskantschraube | Ersatzteile für 5266 | 2610990818
Hersteller: BOSCH
Artikelnummer: EB-F0155266J1-2610990818
Netto: 3,94 € zzgl. MwSt.
zzgl. 6,90 € Versand (brutto)
einmalig pro Bestellung

Lieferzeit: 5 Werktage

Pos.
65
BOSCH Sechskantschraube | Ersatzteile für 5266 | 1619X00935
Hersteller: BOSCH
Artikelnummer: EB-F0155266J1-1619X00935
nur Informationsartikel
Nie mehr lieferbar
keine Alternativen
Pos.
66
BOSCH Schraube | Ersatzteile für 5266 | 2610347100
Hersteller: BOSCH
Artikelnummer: EB-F0155266J1-2610347100
nur Informationsartikel
Nie mehr lieferbar
keine Alternativen
Pos.
67
BOSCH Schraube | Ersatzteile für 5266 | 2610347103
Hersteller: BOSCH
Artikelnummer: EB-F0155266J1-2610347103
nur Informationsartikel
Nie mehr lieferbar
keine Alternativen
Pos.
68
BOSCH Blechschraube | Ersatzteile für 5266 | 2610992551
Hersteller: BOSCH
Artikelnummer: EB-F0155266J1-2610992551
nur Informationsartikel
Nie mehr lieferbar
keine Alternativen
Pos.
72
BOSCH Verstellbolzen | Ersatzteile für 5266 | 2610992568
Hersteller: BOSCH
Artikelnummer: EB-F0155266J1-2610992568
Netto: 4,36 € zzgl. MwSt.
zzgl. 6,90 € Versand (brutto)
einmalig pro Bestellung

Lieferzeit: 5 Werktage

Pos.
73
BOSCH Federscheibe | Ersatzteile für 5266 | 2610069183
Hersteller: BOSCH
Artikelnummer: EB-F0155266J1-2610069183
Netto: 3,60 € zzgl. MwSt.
zzgl. 6,90 € Versand (brutto)
einmalig pro Bestellung

Lieferzeit: 5 Werktage

Pos.
74
BOSCH Sicherungsring | Ersatzteile für 5266 | 2610341354
Hersteller: BOSCH
Artikelnummer: EB-F0155266J1-2610341354
Netto: 4,36 € zzgl. MwSt.
zzgl. 6,90 € Versand (brutto)
einmalig pro Bestellung

Lieferzeit: 5 Werktage

Pos.
75
BOSCH Mutter | Ersatzteile für 5266 | 2610992567
Hersteller: BOSCH
Artikelnummer: EB-F0155266J1-2610992567
nur Informationsartikel
Nie mehr lieferbar
keine Alternativen
Pos.
76
BOSCH Sprengring | Ersatzteile für 5266 | 2610025684
Hersteller: BOSCH
Artikelnummer: EB-F0155266J1-2610025684
Netto: 3,94 € zzgl. MwSt.
zzgl. 6,90 € Versand (brutto)
einmalig pro Bestellung

Lieferzeit: 5 Werktage

Pos.
78
BOSCH Scheibe | Ersatzteile für 5266 | 1619X00942
Hersteller: BOSCH
Artikelnummer: EB-F0155266J1-1619X00942
Netto: 3,60 € zzgl. MwSt.
zzgl. 6,90 € Versand (brutto)
einmalig pro Bestellung

Lieferzeit: 5 Werktage

Pos.
79
BOSCH Schraube | Ersatzteile für 5266 | 2610353948
Hersteller: BOSCH
Artikelnummer: EB-F0155266J1-2610353948
Netto: 3,94 € zzgl. MwSt.
zzgl. 6,90 € Versand (brutto)
einmalig pro Bestellung

Lieferzeit: 5 Werktage

Pos.
81
BOSCH Stopfen | Ersatzteile für 5266 | 2610028780
Hersteller: BOSCH
Artikelnummer: EB-F0155266J1-2610028780
Netto: 3,94 € zzgl. MwSt.
zzgl. 6,90 € Versand (brutto)
einmalig pro Bestellung

Lieferzeit: 5 Werktage

Pos.
653
BOSCH Längsanschlag | Ersatzteile für 5266 | 2608190002
Hersteller: BOSCH
Artikelnummer: EB-F0155266J1-2608190002
nur Informationsartikel
Nie mehr lieferbar
keine Alternativen
Pos.
654
BOSCH Steckschlüssel | Ersatzteile für 5266 | 2610990815
Hersteller: BOSCH
Artikelnummer: EB-F0155266J1-2610990815
nur Informationsartikel
Nie mehr lieferbar
keine Alternativen
Pos.
810
BOSCH Kohlebürstensatz | Ersatzteile für 5266 | 2610994001
Hersteller: BOSCH
Artikelnummer: EB-F0155266J1-2610994001
nur Informationsartikel
Nie mehr lieferbar
keine Alternativen
Pos.
830
BOSCH Handgriff | Ersatzteile für 5266 | 2610993238
Hersteller: BOSCH
Artikelnummer: EB-F0155266J1-2610993238
Netto: 6,75 € zzgl. MwSt.
zzgl. 6,90 € Versand (brutto)
einmalig pro Bestellung

Lieferzeit: 5 Werktage

Angaben zur Produktsicherheit

Hersteller:
Robert Bosch Power Tools GmbH
Postfach 30 02 20
70442 Stuttgart

E-Mail:
kontakt@bosch.de