BOSCH Sechskantschraube | Ersatzteile für 5275 | 2610990818

Artikelnummer: EB-F012527501-2610990818

Position: 64

Marke: BOSCH


Bitte Kompatibilität prüfen!

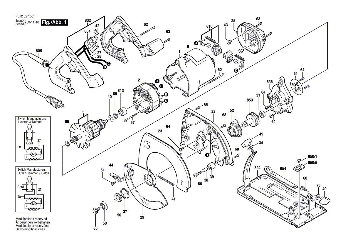
Bitte prüfen Sie unbedingt die 10-stellige Typennummer Ihrer Maschine / Ihres Gerätes. Das Ersatzteil ist nur kompatibel, wenn Sie die Typennummer Ihrer Maschine in der unten stehenden Produktbeschreibung finden.

Bitte prüfen Sie ebenfalls detailliert die Explosionszeichnung mit Ihrem Artikelwunsch und der jeweiligen Pos-Nummer.

Alle Elemente, welche vom schwarzen Strich der Pos-Nummer ausgehend berührt / erfasst werden, gehören zu dieser Pos-Nummer und somit zu diesem Artikel. Jede Pos-Nummer ist ein eigenständiger Artikel, welchen Sie in der Auflistung finden.

Sie erhalten stets die aktuellste, neueste Produktversion zu der gewählten Pos-Nummer seitens des Herstellers. Es kann daher je nach Gerätealter vorkommen, dass Sie ggf. weitere, zugehörige Elemente, welche an diese Pos-Nummer grenzen, ebenfalls mittauschen müssen.

Nähere Informationen finden Sie unter dem Link
Hinweise zu Ihrer BOSCH Ersatzteilsuche

Preisübersicht

Einzelpreis: 3,94 €* (Brutto: 4,69 €)
Gesamtpreis: 3,94 €* 
Position:

Lieferzeit: 5 Werktage


Beschreibung

  • Sechskantschraube
  • Original Bosch Zubehör / BOSCH Ersatzteil (2610990818)
  • im Gerät verbaut: 1
Dieses BOSCH Ersatzteil ist mit folgendem Gerät und Modell kompatibel:
  • BOSCH Gerätename: 5275
  • BOSCH Explosionszeichnung: Position 64
  • BOSCH Typennummer: F012527501
  • BOSCH Typennummer alternative Schreibweisen: F 012 527 501, F012 527 501, F.012.527.501, F-012-527-501
    Bitte prüfen Sie diese Typennummer auf Ihrem Gerät um die Kompatibilität des BOSCH Ersatzteils zu gewährleisten.
Weitere BOSCH Ersatzteile des Gerätes 5275 (Handkreissäge) mit der Typennummer F012527501 finden Sie in der nachfolgenden Darstellung und im Dropdown zu Ihrer Auswahl:

Pos.
1
BOSCH Motorgehäuse | Ersatzteile für 5275 | 2610996647
Hersteller: BOSCH
Artikelnummer: EB-F012527501-2610996647
nur Informationsartikel
Nie mehr lieferbar
keine Alternativen
Pos.
650/1
BOSCH Schraube | Ersatzteile für 5275 | 2610347488
Hersteller: BOSCH
Artikelnummer: EB-F012527501-2610347488
Netto: 3,94 € zzgl. MwSt.
zzgl. 6,90 € Versand (brutto)
einmalig pro Bestellung

Lieferzeit: 5 Werktage

Pos.
650/5
BOSCH Anzeigegerät | Ersatzteile für 5275 | 2610993155
Hersteller: BOSCH
Artikelnummer: EB-F012527501-2610993155
nur Informationsartikel
Nie mehr lieferbar
keine Alternativen
Pos.
2
BOSCH Polschuh 120V | Ersatzteile für 5275 | 2610341367
Hersteller: BOSCH
Artikelnummer: EB-F012527501-2610341367
Netto: 17,38 € zzgl. MwSt.
zzgl. 6,90 € Versand (brutto)
einmalig pro Bestellung

Lieferzeit: 5 Werktage

Pos.
3
BOSCH Anker 120V | Ersatzteile für 5275 | 2610968412
Hersteller: BOSCH
Artikelnummer: EB-F012527501-2610968412
nur Informationsartikel
Nie mehr lieferbar
keine Alternativen
Pos.
9
BOSCH Typschild | Ersatzteile für 5275 | 2610909014
Hersteller: BOSCH
Artikelnummer: EB-F012527501-2610909014
nur Informationsartikel
Nie mehr lieferbar
keine Alternativen
Pos.
22
BOSCH Gehäuseoberteil | Ersatzteile für 5275 | 2610997761
Hersteller: BOSCH
Artikelnummer: EB-F012527501-2610997761
nur Informationsartikel
Nie mehr lieferbar
keine Alternativen
Pos.
23
BOSCH Gehäusevorderteil | Ersatzteile für 5275 | 2610997762
Hersteller: BOSCH
Artikelnummer: EB-F012527501-2610997762
nur Informationsartikel
Nie mehr lieferbar
keine Alternativen
Pos.
25
BOSCH Verschlussdeckel | Ersatzteile für 5275 | 2610997752
Hersteller: BOSCH
Artikelnummer: EB-F012527501-2610997752
nur Informationsartikel
Nie mehr lieferbar
keine Alternativen
Pos.
27
BOSCH Verbindungsleitung L = 375 MM | Ersatzteile für 5275 | 2610990839
Hersteller: BOSCH
Artikelnummer: EB-F012527501-2610990839
Netto: 3,94 € zzgl. MwSt.
zzgl. 6,90 € Versand (brutto)
einmalig pro Bestellung

Lieferzeit: 5 Werktage

Pos.
28
BOSCH Verbindungsleitung L = 250 MM | Ersatzteile für 5275 | 2610990840
Hersteller: BOSCH
Artikelnummer: EB-F012527501-2610990840
Netto: 3,94 € zzgl. MwSt.
zzgl. 6,90 € Versand (brutto)
einmalig pro Bestellung

Lieferzeit: 5 Werktage

Pos.
29
BOSCH Pendelschutzhaube | Ersatzteile für 5275 | 2610968880
Hersteller: BOSCH
Artikelnummer: EB-F012527501-2610968880
nur Informationsartikel
Nie mehr lieferbar
keine Alternativen
Pos.
31
BOSCH Kugellager | Ersatzteile für 5275 | 1619P01511
Hersteller: BOSCH
Artikelnummer: EB-F012527501-1619P01511
Netto: 7,30 € zzgl. MwSt.
zzgl. 6,90 € Versand (brutto)
einmalig pro Bestellung

Lieferzeit: 5 Werktage

Pos.
34
BOSCH Zeiger | Ersatzteile für 5275 | 2610993171
Hersteller: BOSCH
Artikelnummer: EB-F012527501-2610993171
nur Informationsartikel
Nie mehr lieferbar
keine Alternativen
Pos.
37
BOSCH Sicherungsring | Ersatzteile für 5275 | 2610341359
Hersteller: BOSCH
Artikelnummer: EB-F012527501-2610341359
nur Informationsartikel
Nie mehr lieferbar
keine Alternativen
Pos.
38
BOSCH Abstandshalter | Ersatzteile für 5275 | 2610341366
Hersteller: BOSCH
Artikelnummer: EB-F012527501-2610341366
nur Informationsartikel
Nie mehr lieferbar
keine Alternativen
Pos.
39
BOSCH Anschlag | Ersatzteile für 5275 | 2610341394
Hersteller: BOSCH
Artikelnummer: EB-F012527501-2610341394
nur Informationsartikel
Nie mehr lieferbar
keine Alternativen
Pos.
40
BOSCH Vorlegscheibe | Ersatzteile für 5275 | 2610341465
Hersteller: BOSCH
Artikelnummer: EB-F012527501-2610341465
Netto: 4,32 € zzgl. MwSt.
zzgl. 6,90 € Versand (brutto)
einmalig pro Bestellung

Lieferzeit: 5 Werktage

Pos.
41
BOSCH Zugfeder | Ersatzteile für 5275 | 2610968416
Hersteller: BOSCH
Artikelnummer: EB-F012527501-2610968416
Netto: 3,94 € zzgl. MwSt.
zzgl. 6,90 € Versand (brutto)
einmalig pro Bestellung

Lieferzeit: 5 Werktage

Pos.
42
BOSCH Distanzstück | Ersatzteile für 5275 | 2610347892
Hersteller: BOSCH
Artikelnummer: EB-F012527501-2610347892
Netto: 5,19 € zzgl. MwSt.
zzgl. 6,90 € Versand (brutto)
einmalig pro Bestellung

Lieferzeit: 5 Werktage

Pos.
43
BOSCH Gummipuffer | Ersatzteile für 5275 | 2610350655
Hersteller: BOSCH
Artikelnummer: EB-F012527501-2610350655
Netto: 3,94 € zzgl. MwSt.
zzgl. 6,90 € Versand (brutto)
einmalig pro Bestellung

Lieferzeit: 5 Werktage

Pos.
44
BOSCH Hebel | Ersatzteile für 5275 | 2610968855
Hersteller: BOSCH
Artikelnummer: EB-F012527501-2610968855
nur Informationsartikel
Nie mehr lieferbar
keine Alternativen
Pos.
49
BOSCH Knopfgriff | Ersatzteile für 5275 | 2610917567
Hersteller: BOSCH
Artikelnummer: EB-F012527501-2610917567
Netto: 7,76 € zzgl. MwSt.
zzgl. 6,90 € Versand (brutto)
einmalig pro Bestellung

Lieferzeit: 5 Werktage

Pos.
50
BOSCH Stützscheibe | Ersatzteile für 5275 | 2610341361
Hersteller: BOSCH
Artikelnummer: EB-F012527501-2610341361
nur Informationsartikel
Nie mehr lieferbar
keine Alternativen
Pos.
51
BOSCH Kühlkörper | Ersatzteile für 5275 | 2610990808
Hersteller: BOSCH
Artikelnummer: EB-F012527501-2610990808
nur Informationsartikel
Nie mehr lieferbar
keine Alternativen
Pos.
52
BOSCH Lagerflansch | Ersatzteile für 5275 | 2610968650
Hersteller: BOSCH
Artikelnummer: EB-F012527501-2610968650
Netto: 8,94 € zzgl. MwSt.
zzgl. 6,90 € Versand (brutto)
einmalig pro Bestellung

Lieferzeit: 5 Werktage

Pos.
60
BOSCH Flachrundschraube | Ersatzteile für 5275 | 2610017262
Hersteller: BOSCH
Artikelnummer: EB-F012527501-2610017262
nur Informationsartikel
Nie mehr lieferbar
keine Alternativen
Pos.
61
BOSCH Schraube | Ersatzteile für 5275 | 2610328924
Hersteller: BOSCH
Artikelnummer: EB-F012527501-2610328924
nur Informationsartikel
Nie mehr lieferbar
keine Alternativen
Pos.
62
BOSCH Schraube | Ersatzteile für 5275 | 2610968438
Hersteller: BOSCH
Artikelnummer: EB-F012527501-2610968438
Netto: 3,94 € zzgl. MwSt.
zzgl. 6,90 € Versand (brutto)
einmalig pro Bestellung

Lieferzeit: 5 Werktage

Pos.
63
BOSCH Schraube | Ersatzteile für 5275 | 1619P01505
Hersteller: BOSCH
Artikelnummer: EB-F012527501-1619P01505
nur Informationsartikel
Nie mehr lieferbar
keine Alternativen
Pos.
64
BOSCH Sechskantschraube | Ersatzteile für 5275 | 2610990818
Hersteller: BOSCH
Artikelnummer: EB-F012527501-2610990818
Netto: 3,94 € zzgl. MwSt.
zzgl. 6,90 € Versand (brutto)
einmalig pro Bestellung

Lieferzeit: 5 Werktage

Pos.
65
BOSCH Sechskantschraube | Ersatzteile für 5275 | 1619X00935
Hersteller: BOSCH
Artikelnummer: EB-F012527501-1619X00935
nur Informationsartikel
Nie mehr lieferbar
keine Alternativen
Pos.
66
BOSCH Schraube | Ersatzteile für 5275 | 2610347100
Hersteller: BOSCH
Artikelnummer: EB-F012527501-2610347100
nur Informationsartikel
Nie mehr lieferbar
keine Alternativen
Pos.
67
BOSCH Schraube | Ersatzteile für 5275 | 2610347103
Hersteller: BOSCH
Artikelnummer: EB-F012527501-2610347103
nur Informationsartikel
Nie mehr lieferbar
keine Alternativen
Pos.
68
BOSCH Blechschraube | Ersatzteile für 5275 | 2610992551
Hersteller: BOSCH
Artikelnummer: EB-F012527501-2610992551
nur Informationsartikel
Nie mehr lieferbar
keine Alternativen
Pos.
69
BOSCH Unterlegscheibe | Ersatzteile für 5275 | 2610313808
Hersteller: BOSCH
Artikelnummer: EB-F012527501-2610313808
nur Informationsartikel
Nie mehr lieferbar
keine Alternativen
Pos.
75
BOSCH Vorlegscheibe | Ersatzteile für 5275 | 1619P01535
Hersteller: BOSCH
Artikelnummer: EB-F012527501-1619P01535
Netto: 3,63 € zzgl. MwSt.
zzgl. 6,90 € Versand (brutto)
einmalig pro Bestellung

Lieferzeit: 5 Werktage

Pos.
654
BOSCH Ringschlüssel | Ersatzteile für 5275 | 2610968670
Hersteller: BOSCH
Artikelnummer: EB-F012527501-2610968670
nur Informationsartikel
Nie mehr lieferbar
keine Alternativen
Pos.
804
BOSCH Ein/Aus-Schalter | Ersatzteile für 5275 | 2610347481
Hersteller: BOSCH
Artikelnummer: EB-F012527501-2610347481
nur Informationsartikel
Nie mehr lieferbar
keine Alternativen
Pos.
805
BOSCH Netzanschlussleitung | Ersatzteile für 5275 | 2610313328
Hersteller: BOSCH
Artikelnummer: EB-F012527501-2610313328
nur Informationsartikel
Nie mehr lieferbar
keine Alternativen
Pos.
813
BOSCH Ersatzteil | Ersatzteile für 5275 | 2610921176
Hersteller: BOSCH
Artikelnummer: EB-F012527501-2610921176
Netto: 7,76 € zzgl. MwSt.
zzgl. 6,90 € Versand (brutto)
einmalig pro Bestellung

Lieferzeit: 5 Werktage

Pos.
816
BOSCH Kohlebürstensatz | Ersatzteile für 5275 | 2610993156
Hersteller: BOSCH
Artikelnummer: EB-F012527501-2610993156
Netto: 8,33 € zzgl. MwSt.
zzgl. 6,90 € Versand (brutto)
einmalig pro Bestellung

Lieferzeit: 5 Werktage

Pos.
824
BOSCH Gelenkfuss | Ersatzteile für 5275 | 2610993167
Hersteller: BOSCH
Artikelnummer: EB-F012527501-2610993167
nur Informationsartikel
Nie mehr lieferbar
keine Alternativen
Pos.
832
BOSCH Handgriff | Ersatzteile für 5275 | 2610993238
Hersteller: BOSCH
Artikelnummer: EB-F012527501-2610993238
Netto: 6,70 € zzgl. MwSt.
zzgl. 6,90 € Versand (brutto)
einmalig pro Bestellung

Lieferzeit: 5 Werktage

Pos.
836
BOSCH Getriebegehäuse | Ersatzteile für 5275 | 2610968683
Hersteller: BOSCH
Artikelnummer: EB-F012527501-2610968683
nur Informationsartikel
Nie mehr lieferbar
keine Alternativen
Pos.
853
BOSCH Getriebewelle | Ersatzteile für 5275 | 2610997756
Hersteller: BOSCH
Artikelnummer: EB-F012527501-2610997756
Netto: 11,41 € zzgl. MwSt.
zzgl. 6,90 € Versand (brutto)
einmalig pro Bestellung

Lieferzeit: 5 Werktage

Angaben zur Produktsicherheit

Hersteller:
Robert Bosch Power Tools GmbH
Postfach 30 02 20
70442 Stuttgart

E-Mail:
kontakt@bosch.de