BOSCH Ausgleichscheibe | Ersatzteile für 5300 | F000616030

Artikelnummer: EB-F0125300JA-F000616030

Position: 22

Marke: BOSCH


Bitte Kompatibilität prüfen!

Bitte prüfen Sie unbedingt die 10-stellige Typennummer Ihrer Maschine / Ihres Gerätes. Das Ersatzteil ist nur kompatibel, wenn Sie die Typennummer Ihrer Maschine in der unten stehenden Produktbeschreibung finden.

Bitte prüfen Sie ebenfalls detailliert die Explosionszeichnung mit Ihrem Artikelwunsch und der jeweiligen Pos-Nummer.

Alle Elemente, welche vom schwarzen Strich der Pos-Nummer ausgehend berührt / erfasst werden, gehören zu dieser Pos-Nummer und somit zu diesem Artikel. Jede Pos-Nummer ist ein eigenständiger Artikel, welchen Sie in der Auflistung finden.

Sie erhalten stets die aktuellste, neueste Produktversion zu der gewählten Pos-Nummer seitens des Herstellers. Es kann daher je nach Gerätealter vorkommen, dass Sie ggf. weitere, zugehörige Elemente, welche an diese Pos-Nummer grenzen, ebenfalls mittauschen müssen.

Nähere Informationen finden Sie unter dem Link
Hinweise zu Ihrer BOSCH Ersatzteilsuche

Preisübersicht

Einzelpreis: 3,63 €* (Brutto: 4,32 €)
Gesamtpreis: 3,63 €* 
Position:

Lieferzeit: 5 Werktage


Beschreibung

  • Ausgleichscheibe
  • Original Bosch Zubehör / BOSCH Ersatzteil (F000616030)
  • im Gerät verbaut: 1
Dieses BOSCH Ersatzteil ist mit folgendem Gerät und Modell kompatibel:
  • BOSCH Gerätename: 5300
  • BOSCH Explosionszeichnung: Position 22
  • BOSCH Typennummer: F0125300JA
  • BOSCH Typennummer alternative Schreibweisen: F 012 530 0JA, F012 530 0JA, F.012.530.0JA, F-012-530-0JA
    Bitte prüfen Sie diese Typennummer auf Ihrem Gerät um die Kompatibilität des BOSCH Ersatzteils zu gewährleisten.
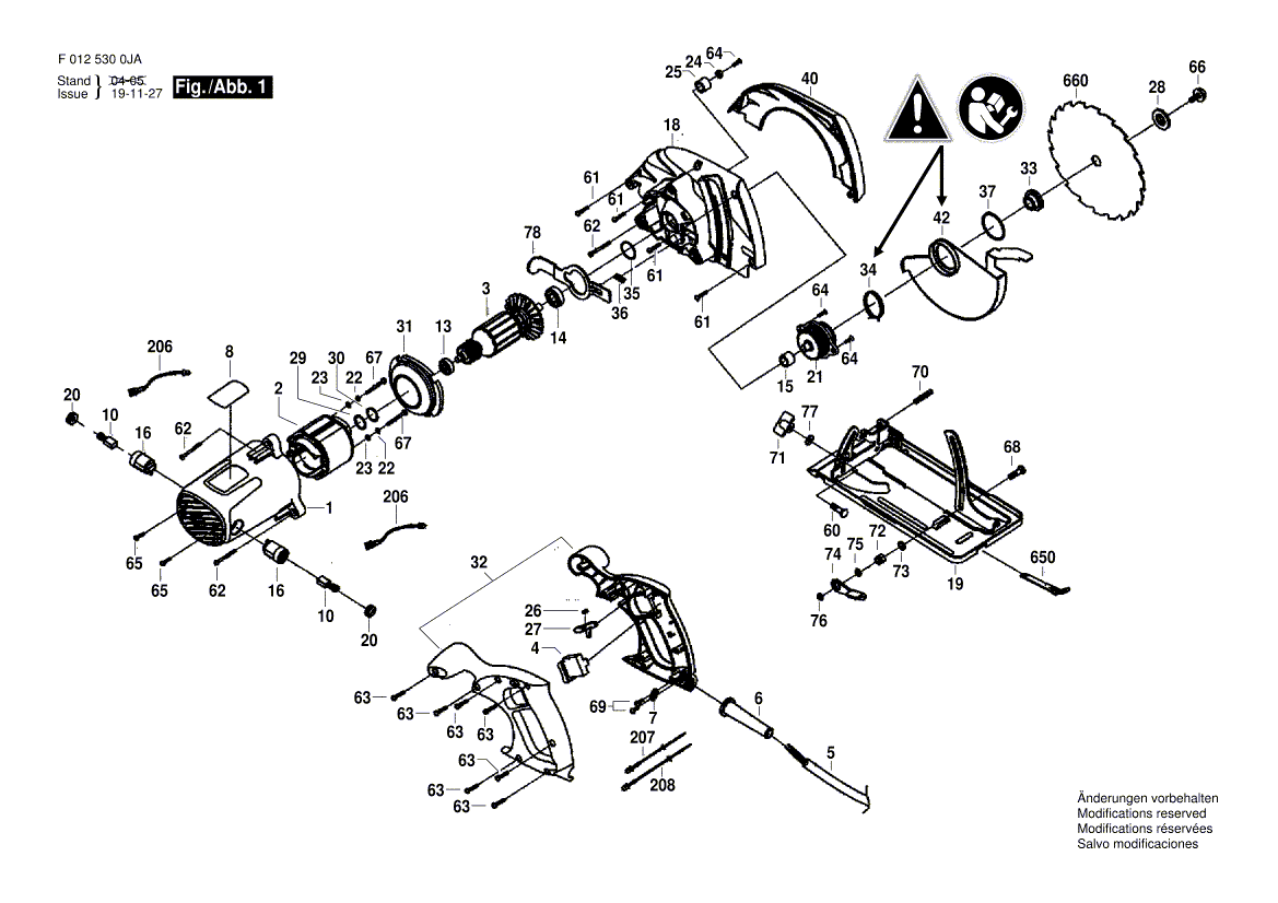
Weitere BOSCH Ersatzteile des Gerätes 5300 (Handkreissäge) mit der Typennummer F0125300JA finden Sie in der nachfolgenden Darstellung und im Dropdown zu Ihrer Auswahl:

Pos.
1
BOSCH Motorgehäuse | Ersatzteile für 5300 | F000601109
Hersteller: BOSCH
Artikelnummer: EB-F0125300JA-F000601109
Netto: 12,42 € zzgl. MwSt.
zzgl. 6,90 € Versand (brutto)
einmalig pro Bestellung

Lieferzeit: 5 Werktage

Pos.
2
BOSCH Polschuh 220V | Ersatzteile für 5300 | F000607026
Hersteller: BOSCH
Artikelnummer: EB-F0125300JA-F000607026
Netto: 12,50 € zzgl. MwSt.
zzgl. 6,90 € Versand (brutto)
einmalig pro Bestellung

Lieferzeit: 5 Werktage

Pos.
3
BOSCH Anker Mit Lüfter 220V | Ersatzteile für 5300 | F000605041
Hersteller: BOSCH
Artikelnummer: EB-F0125300JA-F000605041
Netto: 29,45 € zzgl. MwSt.
zzgl. 6,90 € Versand (brutto)
einmalig pro Bestellung

Lieferzeit: 5 Werktage

Pos.
4
BOSCH Ein/Aus-Schalter | Ersatzteile für 5300 | F000608029
Hersteller: BOSCH
Artikelnummer: EB-F0125300JA-F000608029
nur Informationsartikel
Nie mehr lieferbar
keine Alternativen
Pos.
5
BOSCH Netzanschlussleitung | Ersatzteile für 5300 | F000609141
Hersteller: BOSCH
Artikelnummer: EB-F0125300JA-F000609141
nur Informationsartikel
Nie mehr lieferbar
keine Alternativen
Pos.
6
BOSCH Tülle | Ersatzteile für 5300 | F000603020
Hersteller: BOSCH
Artikelnummer: EB-F0125300JA-F000603020
nur Informationsartikel
Nie mehr lieferbar
keine Alternativen
Pos.
7
BOSCH Krallenbügel | Ersatzteile für 5300 | F000603018
Hersteller: BOSCH
Artikelnummer: EB-F0125300JA-F000603018
Netto: 3,63 € zzgl. MwSt.
zzgl. 6,90 € Versand (brutto)
einmalig pro Bestellung

Lieferzeit: 5 Werktage

Pos.
8
BOSCH Klebeschild | Ersatzteile für 5300 | F000621229
Hersteller: BOSCH
Artikelnummer: EB-F0125300JA-F000621229
nur Informationsartikel
Nie mehr lieferbar
keine Alternativen
Pos.
10
BOSCH Kohlebürste | Ersatzteile für 5300 | F000611021
Hersteller: BOSCH
Artikelnummer: EB-F0125300JA-F000611021
Netto: 4,36 € zzgl. MwSt.
zzgl. 6,90 € Versand (brutto)
einmalig pro Bestellung

Lieferzeit: 5 Werktage

Pos.
13
BOSCH Rillenkugellager | Ersatzteile für 5300 | F000615006
Hersteller: BOSCH
Artikelnummer: EB-F0125300JA-F000615006
Netto: 4,53 € zzgl. MwSt.
zzgl. 6,90 € Versand (brutto)
einmalig pro Bestellung

Lieferzeit: 5 Werktage

Pos.
14
BOSCH Rillenkugellager | Ersatzteile für 5300 | F000615005
Hersteller: BOSCH
Artikelnummer: EB-F0125300JA-F000615005
Netto: 4,53 € zzgl. MwSt.
zzgl. 6,90 € Versand (brutto)
einmalig pro Bestellung

Lieferzeit: 5 Werktage

Pos.
15
BOSCH Nadellager | Ersatzteile für 5300 | F000615008
Hersteller: BOSCH
Artikelnummer: EB-F0125300JA-F000615008
Netto: 3,63 € zzgl. MwSt.
zzgl. 6,90 € Versand (brutto)
einmalig pro Bestellung

Lieferzeit: 5 Werktage

Pos.
16
BOSCH Bürstenhalter | Ersatzteile für 5300 | F000612020
Hersteller: BOSCH
Artikelnummer: EB-F0125300JA-F000612020
Netto: 4,32 € zzgl. MwSt.
zzgl. 6,90 € Versand (brutto)
einmalig pro Bestellung

Lieferzeit: 5 Werktage

Pos.
18
BOSCH Gehäuseoberteil | Ersatzteile für 5300 | F000601108
Hersteller: BOSCH
Artikelnummer: EB-F0125300JA-F000601108
nur Informationsartikel
Nie mehr lieferbar
keine Alternativen
Pos.
19
BOSCH Grundplatte | Ersatzteile für 5300 | F000633012
Hersteller: BOSCH
Artikelnummer: EB-F0125300JA-F000633012
Netto: 17,38 € zzgl. MwSt.
zzgl. 6,90 € Versand (brutto)
einmalig pro Bestellung

Lieferzeit: 5 Werktage

Pos.
20
BOSCH Verschlussstopfen | Ersatzteile für 5300 | F000616028
Hersteller: BOSCH
Artikelnummer: EB-F0125300JA-F000616028
nur Informationsartikel
Nie mehr lieferbar
keine Alternativen
Pos.
21
BOSCH Antriebslager | Ersatzteile für 5300 | F000617019
Hersteller: BOSCH
Artikelnummer: EB-F0125300JA-F000617019
Netto: 14,36 € zzgl. MwSt.
zzgl. 6,90 € Versand (brutto)
einmalig pro Bestellung

Lieferzeit: 5 Werktage

Pos.
22
BOSCH Ausgleichscheibe | Ersatzteile für 5300 | F000616030
Hersteller: BOSCH
Artikelnummer: EB-F0125300JA-F000616030
Netto: 3,63 € zzgl. MwSt.
zzgl. 6,90 € Versand (brutto)
einmalig pro Bestellung

Lieferzeit: 5 Werktage

Pos.
23
BOSCH Spannscheibe | Ersatzteile für 5300 | F000616031
Hersteller: BOSCH
Artikelnummer: EB-F0125300JA-F000616031
Netto: 0,62 € zzgl. MwSt.
zzgl. 6,90 € Versand (brutto)
einmalig pro Bestellung

Lieferzeit: 5 Werktage

Pos.
24
BOSCH Stützscheibe | Ersatzteile für 5300 | F000615009
Hersteller: BOSCH
Artikelnummer: EB-F0125300JA-F000615009
Netto: 3,60 € zzgl. MwSt.
zzgl. 6,90 € Versand (brutto)
einmalig pro Bestellung

Lieferzeit: 5 Werktage

Pos.
25
BOSCH Anschlag | Ersatzteile für 5300 | F000615010
Hersteller: BOSCH
Artikelnummer: EB-F0125300JA-F000615010
Netto: 3,63 € zzgl. MwSt.
zzgl. 6,90 € Versand (brutto)
einmalig pro Bestellung

Lieferzeit: 5 Werktage

Pos.
26
BOSCH Druckfeder | Ersatzteile für 5300 | F000620002
Hersteller: BOSCH
Artikelnummer: EB-F0125300JA-F000620002
Netto: 3,63 € zzgl. MwSt.
zzgl. 6,90 € Versand (brutto)
einmalig pro Bestellung

Lieferzeit: 5 Werktage

Pos.
27
BOSCH Einstellknopf | Ersatzteile für 5300 | F000603019
Hersteller: BOSCH
Artikelnummer: EB-F0125300JA-F000603019
nur Informationsartikel
Nie mehr lieferbar
keine Alternativen
Pos.
28
BOSCH Ausgleichscheibe | Ersatzteile für 5300 | F000616042
Hersteller: BOSCH
Artikelnummer: EB-F0125300JA-F000616042
nur Informationsartikel
Nie mehr lieferbar
keine Alternativen
Pos.
29
BOSCH Scheibe | Ersatzteile für 5300 | F000616027
Hersteller: BOSCH
Artikelnummer: EB-F0125300JA-F000616027
nur Informationsartikel
Nie mehr lieferbar
keine Alternativen
Pos.
30
BOSCH Scheibe | Ersatzteile für 5300 | F000616026
Hersteller: BOSCH
Artikelnummer: EB-F0125300JA-F000616026
Netto: 3,63 € zzgl. MwSt.
zzgl. 6,90 € Versand (brutto)
einmalig pro Bestellung

Lieferzeit: 5 Werktage

Pos.
31
BOSCH Luftleitring | Ersatzteile für 5300 | F000604000
Hersteller: BOSCH
Artikelnummer: EB-F0125300JA-F000604000
Netto: 3,63 € zzgl. MwSt.
zzgl. 6,90 € Versand (brutto)
einmalig pro Bestellung

Lieferzeit: 5 Werktage

Pos.
32
BOSCH Handgriff | Ersatzteile für 5300 | F000603017
Hersteller: BOSCH
Artikelnummer: EB-F0125300JA-F000603017
nur Informationsartikel
Nie mehr lieferbar
keine Alternativen
Pos.
33
BOSCH Führungsbuchse | Ersatzteile für 5300 | F000616041
Hersteller: BOSCH
Artikelnummer: EB-F0125300JA-F000616041
Netto: 6,15 € zzgl. MwSt.
zzgl. 6,90 € Versand (brutto)
einmalig pro Bestellung

Lieferzeit: 5 Werktage

Pos.
34
BOSCH Druckfeder | Ersatzteile für 5300 | F000620003
Hersteller: BOSCH
Artikelnummer: EB-F0125300JA-F000620003
Netto: 3,94 € zzgl. MwSt.
zzgl. 6,90 € Versand (brutto)
einmalig pro Bestellung

Lieferzeit: 5 Werktage

Pos.
35
BOSCH O-Ring | Ersatzteile für 5300 | F000616022
Hersteller: BOSCH
Artikelnummer: EB-F0125300JA-F000616022
Netto: 3,63 € zzgl. MwSt.
zzgl. 6,90 € Versand (brutto)
einmalig pro Bestellung

Lieferzeit: 5 Werktage

Pos.
36
BOSCH Druckfeder | Ersatzteile für 5300 | F000620001
Hersteller: BOSCH
Artikelnummer: EB-F0125300JA-F000620001
Netto: 3,63 € zzgl. MwSt.
zzgl. 6,90 € Versand (brutto)
einmalig pro Bestellung

Lieferzeit: 5 Werktage

Pos.
37
BOSCH Sicherungsring | Ersatzteile für 5300 | F000616040
Hersteller: BOSCH
Artikelnummer: EB-F0125300JA-F000616040
Netto: 3,93 € zzgl. MwSt.
zzgl. 6,90 € Versand (brutto)
einmalig pro Bestellung

Lieferzeit: 5 Werktage

Pos.
40
BOSCH Motorgehäuse | Ersatzteile für 5300 | F000601107
Hersteller: BOSCH
Artikelnummer: EB-F0125300JA-F000601107
Netto: 7,26 € zzgl. MwSt.
zzgl. 6,90 € Versand (brutto)
einmalig pro Bestellung

Lieferzeit: 5 Werktage

Pos.
42
BOSCH Schutzhaube | Ersatzteile für 5300 | F000603021
Hersteller: BOSCH
Artikelnummer: EB-F0125300JA-F000603021
Netto: 12,98 € zzgl. MwSt.
zzgl. 6,90 € Versand (brutto)
einmalig pro Bestellung

Lieferzeit: 5 Werktage

Pos.
59
BOSCH Lagerbuchse | Ersatzteile für 5300 | F000616049
Hersteller: BOSCH
Artikelnummer: EB-F0125300JA-F000616049
Netto: 3,63 € zzgl. MwSt.
zzgl. 6,90 € Versand (brutto)
einmalig pro Bestellung

Lieferzeit: 5 Werktage

Pos.
60
BOSCH Kreuzschlitzschraube | Ersatzteile für 5300 | F000616037
Hersteller: BOSCH
Artikelnummer: EB-F0125300JA-F000616037
nur Informationsartikel
Nie mehr lieferbar
keine Alternativen
Pos.
61
BOSCH Kreuzschlitzschraube | Ersatzteile für 5300 | F000616015
Hersteller: BOSCH
Artikelnummer: EB-F0125300JA-F000616015
Netto: 3,63 € zzgl. MwSt.
zzgl. 6,90 € Versand (brutto)
einmalig pro Bestellung

Lieferzeit: 5 Werktage

Pos.
62
BOSCH Kreuzschlitzschraube | Ersatzteile für 5300 | F000616016
Hersteller: BOSCH
Artikelnummer: EB-F0125300JA-F000616016
nur Informationsartikel
Nie mehr lieferbar
keine Alternativen
Pos.
63
BOSCH Kreuzschlitzschraube | Ersatzteile für 5300 | F000616019
Hersteller: BOSCH
Artikelnummer: EB-F0125300JA-F000616019
Netto: 3,63 € zzgl. MwSt.
zzgl. 6,90 € Versand (brutto)
einmalig pro Bestellung

Lieferzeit: 5 Werktage

Pos.
64
BOSCH Kreuzschlitzschraube | Ersatzteile für 5300 | F000616021
Hersteller: BOSCH
Artikelnummer: EB-F0125300JA-F000616021
nur Informationsartikel
Nie mehr lieferbar
keine Alternativen
Pos.
65
BOSCH Kreuzschlitzschraube | Ersatzteile für 5300 | F000616018
Hersteller: BOSCH
Artikelnummer: EB-F0125300JA-F000616018
Netto: 3,63 € zzgl. MwSt.
zzgl. 6,90 € Versand (brutto)
einmalig pro Bestellung

Lieferzeit: 5 Werktage

Pos.
66
BOSCH Bundschraube | Ersatzteile für 5300 | F000616043
Hersteller: BOSCH
Artikelnummer: EB-F0125300JA-F000616043
Netto: 4,53 € zzgl. MwSt.
zzgl. 6,90 € Versand (brutto)
einmalig pro Bestellung

Lieferzeit: 5 Werktage

Pos.
67
BOSCH Kreuzschlitzschraube | Ersatzteile für 5300 | F000616017
Hersteller: BOSCH
Artikelnummer: EB-F0125300JA-F000616017
Netto: 3,95 € zzgl. MwSt.
zzgl. 6,90 € Versand (brutto)
einmalig pro Bestellung

Lieferzeit: 5 Werktage

Pos.
68
BOSCH Kreuzschlitzschraube | Ersatzteile für 5300 | F000616035
Hersteller: BOSCH
Artikelnummer: EB-F0125300JA-F000616035
Netto: 3,63 € zzgl. MwSt.
zzgl. 6,90 € Versand (brutto)
einmalig pro Bestellung

Lieferzeit: 5 Werktage

Pos.
69
BOSCH Kreuzschlitzschraube | Ersatzteile für 5300 | F000616020
Hersteller: BOSCH
Artikelnummer: EB-F0125300JA-F000616020
Netto: 3,63 € zzgl. MwSt.
zzgl. 6,90 € Versand (brutto)
einmalig pro Bestellung

Lieferzeit: 5 Werktage

Pos.
70
BOSCH Führungsstift | Ersatzteile für 5300 | F000616039
Hersteller: BOSCH
Artikelnummer: EB-F0125300JA-F000616039
Netto: 3,63 € zzgl. MwSt.
zzgl. 6,90 € Versand (brutto)
einmalig pro Bestellung

Lieferzeit: 5 Werktage

Pos.
71
BOSCH Halsmutter | Ersatzteile für 5300 | F000616038
Hersteller: BOSCH
Artikelnummer: EB-F0125300JA-F000616038
Netto: 3,94 € zzgl. MwSt.
zzgl. 6,90 € Versand (brutto)
einmalig pro Bestellung

Lieferzeit: 5 Werktage

Pos.
72
BOSCH Rundmutter | Ersatzteile für 5300 | F000616029
Hersteller: BOSCH
Artikelnummer: EB-F0125300JA-F000616029
nur Informationsartikel
Nie mehr lieferbar
keine Alternativen
Pos.
73
BOSCH Ausgleichscheibe | Ersatzteile für 5300 | F000616025
Hersteller: BOSCH
Artikelnummer: EB-F0125300JA-F000616025
Netto: 3,63 € zzgl. MwSt.
zzgl. 6,90 € Versand (brutto)
einmalig pro Bestellung

Lieferzeit: 5 Werktage

Pos.
74
BOSCH Werkzeuggriff | Ersatzteile für 5300 | F000616032
Hersteller: BOSCH
Artikelnummer: EB-F0125300JA-F000616032
Netto: 3,94 € zzgl. MwSt.
zzgl. 6,90 € Versand (brutto)
einmalig pro Bestellung

Lieferzeit: 5 Werktage

Pos.
75
BOSCH Wellenscheibe | Ersatzteile für 5300 | F000616024
Hersteller: BOSCH
Artikelnummer: EB-F0125300JA-F000616024
Netto: 3,63 € zzgl. MwSt.
zzgl. 6,90 € Versand (brutto)
einmalig pro Bestellung

Lieferzeit: 5 Werktage

Pos.
76
BOSCH Kreuzschlitzschraube | Ersatzteile für 5300 | F000616023
Hersteller: BOSCH
Artikelnummer: EB-F0125300JA-F000616023
Netto: 3,63 € zzgl. MwSt.
zzgl. 6,90 € Versand (brutto)
einmalig pro Bestellung

Lieferzeit: 5 Werktage

Pos.
77
BOSCH Kreuzschlitzschraube | Ersatzteile für 5300 | F000616036
Hersteller: BOSCH
Artikelnummer: EB-F0125300JA-F000616036
Netto: 3,60 € zzgl. MwSt.
zzgl. 6,90 € Versand (brutto)
einmalig pro Bestellung

Lieferzeit: 5 Werktage

Pos.
78
BOSCH Sperr-Riegel | Ersatzteile für 5300 | F000616033
Hersteller: BOSCH
Artikelnummer: EB-F0125300JA-F000616033
Netto: 5,19 € zzgl. MwSt.
zzgl. 6,90 € Versand (brutto)
einmalig pro Bestellung

Lieferzeit: 5 Werktage

Pos.
206
BOSCH Schaltlitze | Ersatzteile für 5300 | F000610010
Hersteller: BOSCH
Artikelnummer: EB-F0125300JA-F000610010
Netto: 3,94 € zzgl. MwSt.
zzgl. 6,90 € Versand (brutto)
einmalig pro Bestellung

Lieferzeit: 5 Werktage

Pos.
207
BOSCH Schaltlitze | Ersatzteile für 5300 | F000610011
Hersteller: BOSCH
Artikelnummer: EB-F0125300JA-F000610011
Netto: 3,63 € zzgl. MwSt.
zzgl. 6,90 € Versand (brutto)
einmalig pro Bestellung

Lieferzeit: 5 Werktage

Pos.
208
BOSCH Schaltlitze | Ersatzteile für 5300 | F000610012
Hersteller: BOSCH
Artikelnummer: EB-F0125300JA-F000610012
Netto: 3,60 € zzgl. MwSt.
zzgl. 6,90 € Versand (brutto)
einmalig pro Bestellung

Lieferzeit: 5 Werktage

Pos.
650
BOSCH Schaltschlüssel | Ersatzteile für 5300 | F000616034
Hersteller: BOSCH
Artikelnummer: EB-F0125300JA-F000616034
nur Informationsartikel
Nie mehr lieferbar
keine Alternativen

Angaben zur Produktsicherheit

Hersteller:
Robert Bosch Power Tools GmbH
Postfach 30 02 20
70442 Stuttgart

E-Mail:
kontakt@bosch.de