BOSCH Schraube | Ersatzteile für 5301 | 1619PA5111

Artikelnummer: EB-F015530122-1619PA5111

Position: 33

Marke: BOSCH


Bitte Kompatibilität prüfen!

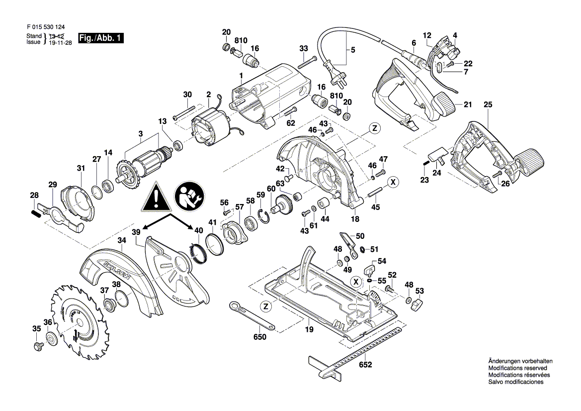
Bitte prüfen Sie unbedingt die 10-stellige Typennummer Ihrer Maschine / Ihres Gerätes. Das Ersatzteil ist nur kompatibel, wenn Sie die Typennummer Ihrer Maschine in der unten stehenden Produktbeschreibung finden.

Bitte prüfen Sie ebenfalls detailliert die Explosionszeichnung mit Ihrem Artikelwunsch und der jeweiligen Pos-Nummer.

Alle Elemente, welche vom schwarzen Strich der Pos-Nummer ausgehend berührt / erfasst werden, gehören zu dieser Pos-Nummer und somit zu diesem Artikel. Jede Pos-Nummer ist ein eigenständiger Artikel, welchen Sie in der Auflistung finden.

Sie erhalten stets die aktuellste, neueste Produktversion zu der gewählten Pos-Nummer seitens des Herstellers. Es kann daher je nach Gerätealter vorkommen, dass Sie ggf. weitere, zugehörige Elemente, welche an diese Pos-Nummer grenzen, ebenfalls mittauschen müssen.

Nähere Informationen finden Sie unter dem Link
Hinweise zu Ihrer BOSCH Ersatzteilsuche

Preisübersicht

Einzelpreis: 3,59 €* (Brutto: 4,27 €)
Gesamtpreis: 3,59 €* 
Position:

Lieferzeit: 5 Werktage


Beschreibung

  • Schraube
  • Original Bosch Zubehör / BOSCH Ersatzteil (1619PA5111)
  • im Gerät verbaut: 1
Dieses BOSCH Ersatzteil ist mit folgendem Gerät und Modell kompatibel:
  • BOSCH Gerätename: 5301
  • BOSCH Explosionszeichnung: Position 33
  • BOSCH Typennummer: F015530122
  • BOSCH Typennummer alternative Schreibweisen: F 015 530 122, F015 530 122, F.015.530.122, F-015-530-122
    Bitte prüfen Sie diese Typennummer auf Ihrem Gerät um die Kompatibilität des BOSCH Ersatzteils zu gewährleisten.
Weitere BOSCH Ersatzteile des Gerätes 5301 (Kreissäge) mit der Typennummer F015530122 finden Sie in der nachfolgenden Darstellung und im Dropdown zu Ihrer Auswahl:

Pos.
1
BOSCH Motorgehäuse | Ersatzteile für 5301 | 1619PA5083
Hersteller: BOSCH
Artikelnummer: EB-F015530122-1619PA5083
Netto: 10,47 € zzgl. MwSt.
zzgl. 6,90 € Versand (brutto)
einmalig pro Bestellung

Lieferzeit: 5 Werktage

Pos.
2
BOSCH Ständer | Ersatzteile für 5301 | 1619PA5084
Hersteller: BOSCH
Artikelnummer: EB-F015530122-1619PA5084
Netto: 16,44 € zzgl. MwSt.
zzgl. 6,90 € Versand (brutto)
einmalig pro Bestellung

Lieferzeit: 5 Werktage

Pos.
3
BOSCH Ankerbaugruppe | Ersatzteile für 5301 | 1619PA5085
Hersteller: BOSCH
Artikelnummer: EB-F015530122-1619PA5085
Netto: 18,57 € zzgl. MwSt.
zzgl. 6,90 € Versand (brutto)
einmalig pro Bestellung

Lieferzeit: 5 Werktage

Pos.
4
BOSCH Ein/Aus-Schalter | Ersatzteile für 5301 | 1619PA5087
Hersteller: BOSCH
Artikelnummer: EB-F015530122-1619PA5087
nur Informationsartikel
Nie mehr lieferbar
keine Alternativen
Pos.
5
BOSCH Netzanschlussleitung | Ersatzteile für 5301 | 1619PA5078
Hersteller: BOSCH
Artikelnummer: EB-F015530122-1619PA5078
nur Informationsartikel
Nie mehr lieferbar
keine Alternativen
Pos.
6
BOSCH Tülle | Ersatzteile für 5301 | 1619PA5088
Hersteller: BOSCH
Artikelnummer: EB-F015530122-1619PA5088
nur Informationsartikel
Nie mehr lieferbar
keine Alternativen
Pos.
7
BOSCH Krallenbügel | Ersatzteile für 5301 | 1619PA5089
Hersteller: BOSCH
Artikelnummer: EB-F015530122-1619PA5089
nur Informationsartikel
Nie mehr lieferbar
keine Alternativen
Pos.
12
BOSCH Entstörfilter | Ersatzteile für 5301 | 1619PA5092
Hersteller: BOSCH
Artikelnummer: EB-F015530122-1619PA5092
Netto: 3,59 € zzgl. MwSt.
zzgl. 6,90 € Versand (brutto)
einmalig pro Bestellung

Lieferzeit: 5 Werktage

Pos.
13
BOSCH Rillenkugellager | Ersatzteile für 5301 | 1619PA5093
Hersteller: BOSCH
Artikelnummer: EB-F015530122-1619PA5093
nur Informationsartikel
Nie mehr lieferbar
keine Alternativen
Pos.
14
BOSCH Rillenkugellager | Ersatzteile für 5301 | 1619PA5094
Hersteller: BOSCH
Artikelnummer: EB-F015530122-1619PA5094
Netto: 4,33 € zzgl. MwSt.
zzgl. 6,90 € Versand (brutto)
einmalig pro Bestellung

Lieferzeit: 5 Werktage

Pos.
16
BOSCH Bürstenhalter | Ersatzteile für 5301 | 1619PA5095
Hersteller: BOSCH
Artikelnummer: EB-F015530122-1619PA5095
Netto: 5,60 € zzgl. MwSt.
zzgl. 6,90 € Versand (brutto)
einmalig pro Bestellung

Lieferzeit: 5 Werktage

Pos.
18
BOSCH Gehäuseoberteil | Ersatzteile für 5301 | 1619PA5096
Hersteller: BOSCH
Artikelnummer: EB-F015530122-1619PA5096
Netto: 16,44 € zzgl. MwSt.
zzgl. 6,90 € Versand (brutto)
einmalig pro Bestellung

Lieferzeit: 5 Werktage

Pos.
19
BOSCH Grundplatte | Ersatzteile für 5301 | 1619PA5097
Hersteller: BOSCH
Artikelnummer: EB-F015530122-1619PA5097
Netto: 12,32 € zzgl. MwSt.
zzgl. 6,90 € Versand (brutto)
einmalig pro Bestellung

Lieferzeit: 5 Werktage

Pos.
20
BOSCH Verschlussstopfen | Ersatzteile für 5301 | 1619PA5098
Hersteller: BOSCH
Artikelnummer: EB-F015530122-1619PA5098
Netto: 3,59 € zzgl. MwSt.
zzgl. 6,90 € Versand (brutto)
einmalig pro Bestellung

Lieferzeit: 5 Werktage

Pos.
21
BOSCH Handgriff | Ersatzteile für 5301 | 1619PA5099
Hersteller: BOSCH
Artikelnummer: EB-F015530122-1619PA5099
Netto: 4,76 € zzgl. MwSt.
zzgl. 6,90 € Versand (brutto)
einmalig pro Bestellung

Lieferzeit: 5 Werktage

Pos.
22
BOSCH Schraube | Ersatzteile für 5301 | 1619PA5100
Hersteller: BOSCH
Artikelnummer: EB-F015530122-1619PA5100
nur Informationsartikel
Nie mehr lieferbar
keine Alternativen
Pos.
23
BOSCH Druckfeder | Ersatzteile für 5301 | 1619PA5101
Hersteller: BOSCH
Artikelnummer: EB-F015530122-1619PA5101
Netto: 0,59 € zzgl. MwSt.
zzgl. 6,90 € Versand (brutto)
einmalig pro Bestellung

Lieferzeit: 5 Werktage

Pos.
24
BOSCH Einstellknopf | Ersatzteile für 5301 | 1619PA5102
Hersteller: BOSCH
Artikelnummer: EB-F015530122-1619PA5102
Netto: 3,59 € zzgl. MwSt.
zzgl. 6,90 € Versand (brutto)
einmalig pro Bestellung

Lieferzeit: 5 Werktage

Pos.
25
BOSCH Handgriff | Ersatzteile für 5301 | 1619PA5103
Hersteller: BOSCH
Artikelnummer: EB-F015530122-1619PA5103
Netto: 1,76 € zzgl. MwSt.
zzgl. 6,90 € Versand (brutto)
einmalig pro Bestellung

Lieferzeit: 5 Werktage

Pos.
26
BOSCH Schraube | Ersatzteile für 5301 | 1619PA5104
Hersteller: BOSCH
Artikelnummer: EB-F015530122-1619PA5104
Netto: 3,59 € zzgl. MwSt.
zzgl. 6,90 € Versand (brutto)
einmalig pro Bestellung

Lieferzeit: 5 Werktage

Pos.
27
BOSCH O-Ring | Ersatzteile für 5301 | 1619PA5105
Hersteller: BOSCH
Artikelnummer: EB-F015530122-1619PA5105
Netto: 3,59 € zzgl. MwSt.
zzgl. 6,90 € Versand (brutto)
einmalig pro Bestellung

Lieferzeit: 5 Werktage

Pos.
28
BOSCH Druckfeder | Ersatzteile für 5301 | 1619PA5106
Hersteller: BOSCH
Artikelnummer: EB-F015530122-1619PA5106
Netto: 3,59 € zzgl. MwSt.
zzgl. 6,90 € Versand (brutto)
einmalig pro Bestellung

Lieferzeit: 5 Werktage

Pos.
29
BOSCH Sperr-Riegel | Ersatzteile für 5301 | 1619PA5107
Hersteller: BOSCH
Artikelnummer: EB-F015530122-1619PA5107
Netto: 3,59 € zzgl. MwSt.
zzgl. 6,90 € Versand (brutto)
einmalig pro Bestellung

Lieferzeit: 5 Werktage

Pos.
30
BOSCH Schraube | Ersatzteile für 5301 | 1619PA5108
Hersteller: BOSCH
Artikelnummer: EB-F015530122-1619PA5108
Netto: 3,59 € zzgl. MwSt.
zzgl. 6,90 € Versand (brutto)
einmalig pro Bestellung

Lieferzeit: 5 Werktage

Pos.
31
BOSCH Luftleitring | Ersatzteile für 5301 | 1619PA5109
Hersteller: BOSCH
Artikelnummer: EB-F015530122-1619PA5109
Netto: 3,59 € zzgl. MwSt.
zzgl. 6,90 € Versand (brutto)
einmalig pro Bestellung

Lieferzeit: 5 Werktage

Pos.
33
BOSCH Schraube | Ersatzteile für 5301 | 1619PA5111
Hersteller: BOSCH
Artikelnummer: EB-F015530122-1619PA5111
Netto: 3,59 € zzgl. MwSt.
zzgl. 6,90 € Versand (brutto)
einmalig pro Bestellung

Lieferzeit: 5 Werktage

Pos.
34
BOSCH Gehäusedeckel | Ersatzteile für 5301 | 1619PA5112
Hersteller: BOSCH
Artikelnummer: EB-F015530122-1619PA5112
Netto: 7,18 € zzgl. MwSt.
zzgl. 6,90 € Versand (brutto)
einmalig pro Bestellung

Lieferzeit: 5 Werktage

Pos.
35
BOSCH Bundschraube | Ersatzteile für 5301 | 1619PA5113
Hersteller: BOSCH
Artikelnummer: EB-F015530122-1619PA5113
Netto: 3,59 € zzgl. MwSt.
zzgl. 6,90 € Versand (brutto)
einmalig pro Bestellung

Lieferzeit: 5 Werktage

Pos.
36
BOSCH Ausgleichscheibe | Ersatzteile für 5301 | 1619PA5114
Hersteller: BOSCH
Artikelnummer: EB-F015530122-1619PA5114
Netto: 3,59 € zzgl. MwSt.
zzgl. 6,90 € Versand (brutto)
einmalig pro Bestellung

Lieferzeit: 5 Werktage

Pos.
37
BOSCH Führungsbuchse | Ersatzteile für 5301 | 1619PA5579
Hersteller: BOSCH
Artikelnummer: EB-F015530122-1619PA5579
nur Informationsartikel
Nie mehr lieferbar
keine Alternativen
Pos.
38
BOSCH Rückhaltering | Ersatzteile für 5301 | 1619PA5116
Hersteller: BOSCH
Artikelnummer: EB-F015530122-1619PA5116
Netto: 3,59 € zzgl. MwSt.
zzgl. 6,90 € Versand (brutto)
einmalig pro Bestellung

Lieferzeit: 5 Werktage

Pos.
39
BOSCH Schutzhaube | Ersatzteile für 5301 | 1619PA5117
Hersteller: BOSCH
Artikelnummer: EB-F015530122-1619PA5117
Netto: 4,18 € zzgl. MwSt.
zzgl. 6,90 € Versand (brutto)
einmalig pro Bestellung

Lieferzeit: 5 Werktage

Pos.
40
BOSCH Feder | Ersatzteile für 5301 | 1619PA5118
Hersteller: BOSCH
Artikelnummer: EB-F015530122-1619PA5118
Netto: 0,59 € zzgl. MwSt.
zzgl. 6,90 € Versand (brutto)
einmalig pro Bestellung

Lieferzeit: 5 Werktage

Pos.
41
BOSCH Auskleidung | Ersatzteile für 5301 | 1619PA5119
Hersteller: BOSCH
Artikelnummer: EB-F015530122-1619PA5119
Netto: 3,59 € zzgl. MwSt.
zzgl. 6,90 € Versand (brutto)
einmalig pro Bestellung

Lieferzeit: 5 Werktage

Pos.
42
BOSCH Laufbolzen | Ersatzteile für 5301 | 1619PA5129
Hersteller: BOSCH
Artikelnummer: EB-F015530122-1619PA5129
Netto: 3,59 € zzgl. MwSt.
zzgl. 6,90 € Versand (brutto)
einmalig pro Bestellung

Lieferzeit: 5 Werktage

Pos.
43
BOSCH Schraube | Ersatzteile für 5301 | 1619PA5130
Hersteller: BOSCH
Artikelnummer: EB-F015530122-1619PA5130
Netto: 3,59 € zzgl. MwSt.
zzgl. 6,90 € Versand (brutto)
einmalig pro Bestellung

Lieferzeit: 5 Werktage

Pos.
44
BOSCH Anschlag | Ersatzteile für 5301 | 1619PA5131
Hersteller: BOSCH
Artikelnummer: EB-F015530122-1619PA5131
nur Informationsartikel
Nie mehr lieferbar
keine Alternativen
Pos.
45
BOSCH Führungsstift | Ersatzteile für 5301 | 1619PA5132
Hersteller: BOSCH
Artikelnummer: EB-F015530122-1619PA5132
nur Informationsartikel
Nie mehr lieferbar
keine Alternativen
Pos.
46
BOSCH Federscheibe | Ersatzteile für 5301 | 1619PA5134
Hersteller: BOSCH
Artikelnummer: EB-F015530122-1619PA5134
nur Informationsartikel
Nie mehr lieferbar
keine Alternativen
Pos.
47
BOSCH Schraube | Ersatzteile für 5301 | 1619PA5135
Hersteller: BOSCH
Artikelnummer: EB-F015530122-1619PA5135
nur Informationsartikel
Nie mehr lieferbar
keine Alternativen
Pos.
48
BOSCH Scheibe | Ersatzteile für 5301 | 1619PA5136
Hersteller: BOSCH
Artikelnummer: EB-F015530122-1619PA5136
nur Informationsartikel
Nie mehr lieferbar
keine Alternativen
Pos.
49
BOSCH Rundmutter | Ersatzteile für 5301 | 1619PA5137
Hersteller: BOSCH
Artikelnummer: EB-F015530122-1619PA5137
nur Informationsartikel
Nie mehr lieferbar
keine Alternativen
Pos.
50
BOSCH Werkzeuggriff | Ersatzteile für 5301 | 1619PA5138
Hersteller: BOSCH
Artikelnummer: EB-F015530122-1619PA5138
nur Informationsartikel
Nie mehr lieferbar
keine Alternativen
Pos.
51
BOSCH Sprengring | Ersatzteile für 5301 | 1619PA5139
Hersteller: BOSCH
Artikelnummer: EB-F015530122-1619PA5139
nur Informationsartikel
Nie mehr lieferbar
keine Alternativen
Pos.
52
BOSCH Laufbolzen | Ersatzteile für 5301 | 1619PA5140
Hersteller: BOSCH
Artikelnummer: EB-F015530122-1619PA5140
nur Informationsartikel
Nie mehr lieferbar
keine Alternativen
Pos.
53
BOSCH Halsmutter | Ersatzteile für 5301 | 1619PA5141
Hersteller: BOSCH
Artikelnummer: EB-F015530122-1619PA5141
nur Informationsartikel
Nie mehr lieferbar
keine Alternativen
Pos.
54
BOSCH Halsmutter | Ersatzteile für 5301 | 1619PA5142
Hersteller: BOSCH
Artikelnummer: EB-F015530122-1619PA5142
nur Informationsartikel
Nie mehr lieferbar
keine Alternativen
Pos.
55
BOSCH Feder | Ersatzteile für 5301 | 1619PA5143
Hersteller: BOSCH
Artikelnummer: EB-F015530122-1619PA5143
nur Informationsartikel
Nie mehr lieferbar
keine Alternativen
Pos.
56
BOSCH Schraube | Ersatzteile für 5301 | 1619PA5120
Hersteller: BOSCH
Artikelnummer: EB-F015530122-1619PA5120
Netto: 3,59 € zzgl. MwSt.
zzgl. 6,90 € Versand (brutto)
einmalig pro Bestellung

Lieferzeit: 5 Werktage

Pos.
57
BOSCH Getriebedeckel | Ersatzteile für 5301 | 1619PA5121
Hersteller: BOSCH
Artikelnummer: EB-F015530122-1619PA5121
Netto: 3,59 € zzgl. MwSt.
zzgl. 6,90 € Versand (brutto)
einmalig pro Bestellung

Lieferzeit: 5 Werktage

Pos.
58
BOSCH Lager | Ersatzteile für 5301 | 1619PA5122
Hersteller: BOSCH
Artikelnummer: EB-F015530122-1619PA5122
Netto: 1,33 € zzgl. MwSt.
zzgl. 6,90 € Versand (brutto)
einmalig pro Bestellung

Lieferzeit: 5 Werktage

Pos.
59
BOSCH Spannring | Ersatzteile für 5301 | 1619PA5123
Hersteller: BOSCH
Artikelnummer: EB-F015530122-1619PA5123
Netto: 3,59 € zzgl. MwSt.
zzgl. 6,90 € Versand (brutto)
einmalig pro Bestellung

Lieferzeit: 5 Werktage

Pos.
60
BOSCH Zahnstange | Ersatzteile für 5301 | 1619PA5124
Hersteller: BOSCH
Artikelnummer: EB-F015530122-1619PA5124
Netto: 7,58 € zzgl. MwSt.
zzgl. 6,90 € Versand (brutto)
einmalig pro Bestellung

Lieferzeit: 5 Werktage

Pos.
61
BOSCH Scheibe | Ersatzteile für 5301 | 1619PA5125
Hersteller: BOSCH
Artikelnummer: EB-F015530122-1619PA5125
Netto: 0,59 € zzgl. MwSt.
zzgl. 6,90 € Versand (brutto)
einmalig pro Bestellung

Lieferzeit: 5 Werktage

Pos.
62
BOSCH Schraube | Ersatzteile für 5301 | 1619PA5126
Hersteller: BOSCH
Artikelnummer: EB-F015530122-1619PA5126
nur Informationsartikel
Nie mehr lieferbar
keine Alternativen
Pos.
63
BOSCH Nadellager | Ersatzteile für 5301 | 1619PA5127
Hersteller: BOSCH
Artikelnummer: EB-F015530122-1619PA5127
Netto: 3,59 € zzgl. MwSt.
zzgl. 6,90 € Versand (brutto)
einmalig pro Bestellung

Lieferzeit: 5 Werktage

Pos.
650
BOSCH Schaltschlüssel | Ersatzteile für 5301 | 1619PA5144
Hersteller: BOSCH
Artikelnummer: EB-F015530122-1619PA5144
nur Informationsartikel
Nie mehr lieferbar
keine Alternativen
Pos.
652
BOSCH Parallelanschlag | Ersatzteile für 5301 | 1619PA5146
Hersteller: BOSCH
Artikelnummer: EB-F015530122-1619PA5146
nur Informationsartikel
Nie mehr lieferbar
keine Alternativen
Pos.
810
BOSCH Kohlebürste | Ersatzteile für 5301 | 1619PA5091
Hersteller: BOSCH
Artikelnummer: EB-F015530122-1619PA5091
Netto: 5,13 € zzgl. MwSt.
zzgl. 6,90 € Versand (brutto)
einmalig pro Bestellung

Lieferzeit: 5 Werktage

Angaben zur Produktsicherheit

Hersteller:
Robert Bosch Power Tools GmbH
Postfach 30 02 20
70442 Stuttgart

E-Mail:
kontakt@bosch.de