BOSCH Gleichstrommotor 14,4V | Ersatzteile für 53514 | 2607022251

Artikelnummer: EB-0601595460-2607022251

Position: 802

Marke: BOSCH


Bitte Kompatibilität prüfen!

Bitte prüfen Sie unbedingt die 10-stellige Typennummer Ihrer Maschine / Ihres Gerätes. Das Ersatzteil ist nur kompatibel, wenn Sie die Typennummer Ihrer Maschine in der unten stehenden Produktbeschreibung finden.

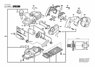
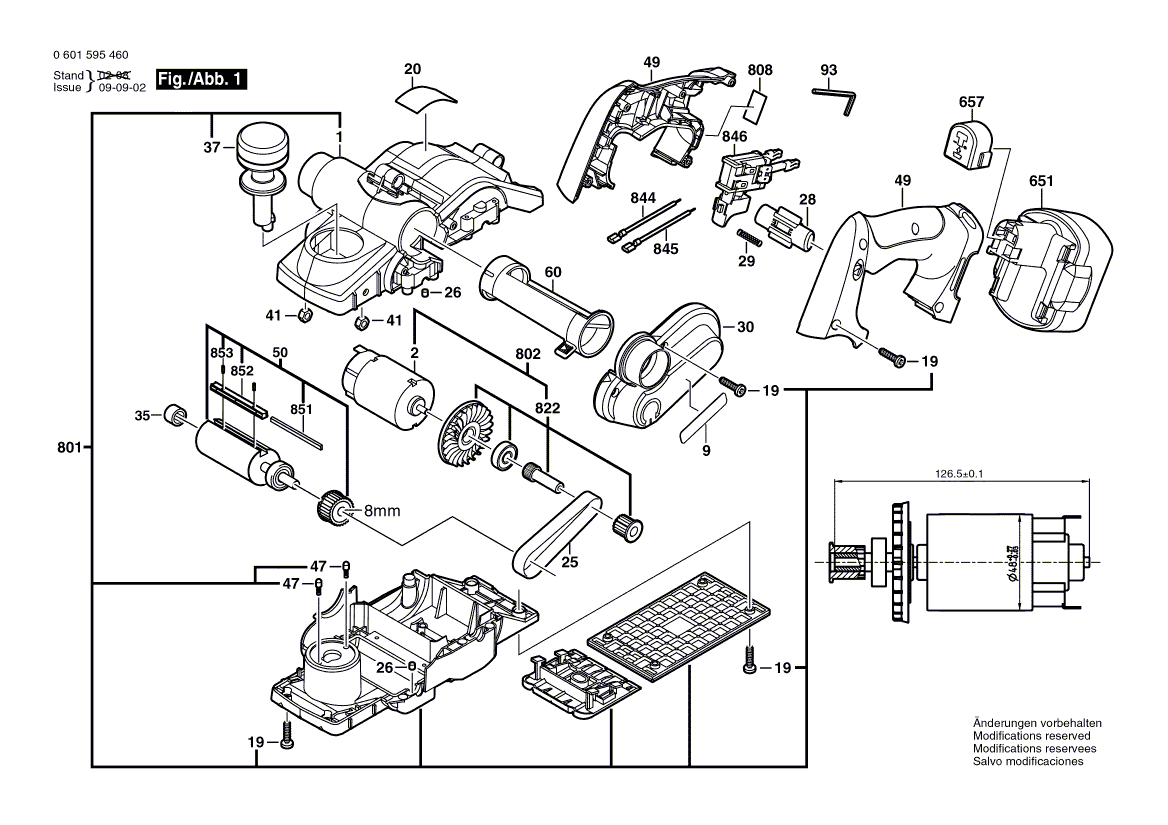
Bitte prüfen Sie ebenfalls detailliert die Explosionszeichnung mit Ihrem Artikelwunsch und der jeweiligen Pos-Nummer.

Alle Elemente, welche vom schwarzen Strich der Pos-Nummer ausgehend berührt / erfasst werden, gehören zu dieser Pos-Nummer und somit zu diesem Artikel. Jede Pos-Nummer ist ein eigenständiger Artikel, welchen Sie in der Auflistung finden.

Sie erhalten stets die aktuellste, neueste Produktversion zu der gewählten Pos-Nummer seitens des Herstellers. Es kann daher je nach Gerätealter vorkommen, dass Sie ggf. weitere, zugehörige Elemente, welche an diese Pos-Nummer grenzen, ebenfalls mittauschen müssen.

Nähere Informationen finden Sie unter dem Link
Hinweise zu Ihrer BOSCH Ersatzteilsuche

Preisübersicht

Einzelpreis: 57,47 €* (Brutto: 68,39 €)
Gesamtpreis: 57,47 €* 
Position:

Lieferzeit: 5 Werktage


Beschreibung

  • Gleichstrommotor 14,4V
  • Original Bosch Zubehör / BOSCH Ersatzteil (2607022251)
  • im Gerät verbaut: 1
Dieses BOSCH Ersatzteil ist mit folgendem Gerät und Modell kompatibel:
  • BOSCH Gerätename: 53514
  • BOSCH Explosionszeichnung: Position 802
  • BOSCH Typennummer: 0601595460
  • BOSCH Typennummer alternative Schreibweisen: 0 601 595 460, 0601 595 460, 0.601.595.460, 0-601-595-460
    Bitte prüfen Sie diese Typennummer auf Ihrem Gerät um die Kompatibilität des BOSCH Ersatzteils zu gewährleisten.
Weitere BOSCH Ersatzteile des Gerätes 53514 (Handhobel) mit der Typennummer 0601595460 finden Sie in der nachfolgenden Darstellung und im Dropdown zu Ihrer Auswahl:

Pos.
1
BOSCH Gehäuse DUNKELBLAU | Ersatzteile für 53514 | 2605104773
Hersteller: BOSCH
Artikelnummer: EB-0601595460-2605104773
Netto: 24,13 € zzgl. MwSt.
zzgl. 6,90 € Versand (brutto)
einmalig pro Bestellung

Lieferzeit: 5 Werktage

Pos.
2
BOSCH Gleichstrommotor 12V | Ersatzteile für 53514 | 2607022083
Hersteller: BOSCH
Artikelnummer: EB-0601595460-2607022083
Netto: 52,14 € zzgl. MwSt.
zzgl. 6,90 € Versand (brutto)
einmalig pro Bestellung

Lieferzeit: 5 Werktage

Pos.
9
BOSCH Firmenschild | Ersatzteile für 53514 | 2601117987
Hersteller: BOSCH
Artikelnummer: EB-0601595460-2601117987
nur Informationsartikel
Nie mehr lieferbar
keine Alternativen
Pos.
19
BOSCH Schraube 4x16 | Ersatzteile für 53514 | 2603490022
Hersteller: BOSCH
Artikelnummer: EB-0601595460-2603490022
Netto: 3,63 € zzgl. MwSt.
zzgl. 6,90 € Versand (brutto)
einmalig pro Bestellung

Lieferzeit: 5 Werktage

Pos.
20
BOSCH Hinweisschild | Ersatzteile für 53514 | 2601117986
Hersteller: BOSCH
Artikelnummer: EB-0601595460-2601117986
nur Informationsartikel
Nie mehr lieferbar
keine Alternativen
Pos.
25
BOSCH Zahnriemen | Ersatzteile für 53514 | 2604736001
Hersteller: BOSCH
Artikelnummer: EB-0601595460-2604736001
nur Informationsartikel
Nie mehr lieferbar
keine Alternativen
Pos.
26
BOSCH Dämpfungsgummi | Ersatzteile für 53514 | 2603100056
Hersteller: BOSCH
Artikelnummer: EB-0601595460-2603100056
Netto: 3,94 € zzgl. MwSt.
zzgl. 6,90 € Versand (brutto)
einmalig pro Bestellung

Lieferzeit: 5 Werktage

Pos.
28
BOSCH Sperrhebel | Ersatzteile für 53514 | 2602051002
Hersteller: BOSCH
Artikelnummer: EB-0601595460-2602051002
nur Informationsartikel
Nie mehr lieferbar
keine Alternativen
Pos.
29
BOSCH Druckfeder | Ersatzteile für 53514 | 2604651017
Hersteller: BOSCH
Artikelnummer: EB-0601595460-2604651017
nur Informationsartikel
Nie mehr lieferbar
keine Alternativen
Pos.
30
BOSCH Getriebedeckel | Ersatzteile für 53514 | 2605500174
Hersteller: BOSCH
Artikelnummer: EB-0601595460-2605500174
Netto: 6,75 € zzgl. MwSt.
zzgl. 6,90 € Versand (brutto)
einmalig pro Bestellung

Lieferzeit: 5 Werktage

Pos.
35
BOSCH Nadelhülse Ø8xØ12x10 MM | Ersatzteile für 53514 | 1610910057
Hersteller: BOSCH
Artikelnummer: EB-0601595460-1610910057
nur Informationsartikel
Nie mehr lieferbar
keine Alternativen
Pos.
37
BOSCH Handgriff SCHWARZ | Ersatzteile für 53514 | 2602026094
Hersteller: BOSCH
Artikelnummer: EB-0601595460-2602026094
nur Informationsartikel
Nie mehr lieferbar
keine Alternativen
Pos.
41
BOSCH Sechskantmutter DIN 934-M6-8-A | Ersatzteile für 53514 | 2915011007
Hersteller: BOSCH
Artikelnummer: EB-0601595460-2915011007
Netto: 3,63 € zzgl. MwSt.
zzgl. 6,90 € Versand (brutto)
einmalig pro Bestellung

Lieferzeit: 5 Werktage

Pos.
47
BOSCH Rastkappe | Ersatzteile für 53514 | 2600590006
Hersteller: BOSCH
Artikelnummer: EB-0601595460-2600590006
Netto: 3,94 € zzgl. MwSt.
zzgl. 6,90 € Versand (brutto)
einmalig pro Bestellung

Lieferzeit: 5 Werktage

Pos.
49
BOSCH Griffschale | Ersatzteile für 53514 | 2605133022
Hersteller: BOSCH
Artikelnummer: EB-0601595460-2605133022
Netto: 9,18 € zzgl. MwSt.
zzgl. 6,90 € Versand (brutto)
einmalig pro Bestellung

Lieferzeit: 5 Werktage

Pos.
50
BOSCH Hobelkopf | Ersatzteile für 53514 | 2608584003
Hersteller: BOSCH
Artikelnummer: EB-0601595460-2608584003
nur Informationsartikel
Nie mehr lieferbar
keine Alternativen
Pos.
60
BOSCH Umlenkrohr | Ersatzteile für 53514 | 2600409026
Hersteller: BOSCH
Artikelnummer: EB-0601595460-2600409026
Netto: 7,76 € zzgl. MwSt.
zzgl. 6,90 € Versand (brutto)
einmalig pro Bestellung

Lieferzeit: 5 Werktage

Pos.
93
BOSCH Winkelschraubendreher DIN 911 SW2,5 | Ersatzteile für 53514 | 1907950003
Hersteller: BOSCH
Artikelnummer: EB-0601595460-1907950003
Netto: 4,53 € zzgl. MwSt.
zzgl. 6,90 € Versand (brutto)
einmalig pro Bestellung

Lieferzeit: 5 Werktage

Pos.
651
BOSCH Akku-Paket 14,4V,2.0Ah,NiCd | Ersatzteile für 53514 | 2607335669
Hersteller: BOSCH
Artikelnummer: EB-0601595460-2607335669
nur Informationsartikel
Nie mehr lieferbar
keine Alternativen
Pos.
652
BOSCH Saugstutzen | Ersatzteile für 53514 | 2605702023
Hersteller: BOSCH
Artikelnummer: EB-0601595460-2605702023
nur Informationsartikel
Nie mehr lieferbar
keine Alternativen
Pos.
653
BOSCH Schnell-Lader USA 120/7,2-24V, 30 MIN. | Ersatzteile für 53514 | 2607225033
Hersteller: BOSCH
Artikelnummer: EB-0601595460-2607225033
nur Informationsartikel
Nie mehr lieferbar
keine Alternativen
Pos.
654
BOSCH Staubbeutel | Ersatzteile für 53514 | 2609170013
Hersteller: BOSCH
Artikelnummer: EB-0601595460-2609170013
Netto: 24,13 € zzgl. MwSt.
zzgl. 6,90 € Versand (brutto)
einmalig pro Bestellung

Lieferzeit: 5 Werktage

Pos.
656
BOSCH Parallelanschlag | Ersatzteile für 53514 | 2610906264
Hersteller: BOSCH
Artikelnummer: EB-0601595460-2610906264
nur Informationsartikel
Nie mehr lieferbar
keine Alternativen
Pos.
657
BOSCH Schutzkappe | Ersatzteile für 53514 | 2609100101
Hersteller: BOSCH
Artikelnummer: EB-0601595460-2609100101
Netto: 5,67 € zzgl. MwSt.
zzgl. 6,90 € Versand (brutto)
einmalig pro Bestellung

Lieferzeit: 5 Werktage

Pos.
801
BOSCH Gehäuse DUNKELBLAU | Ersatzteile für 53514 | 2605105921
Hersteller: BOSCH
Artikelnummer: EB-0601595460-2605105921
Netto: 54,89 € zzgl. MwSt.
zzgl. 6,90 € Versand (brutto)
einmalig pro Bestellung

Lieferzeit: 5 Werktage

Pos.
802
BOSCH Gleichstrommotor 14,4V | Ersatzteile für 53514 | 2607022251
Hersteller: BOSCH
Artikelnummer: EB-0601595460-2607022251
Netto: 57,47 € zzgl. MwSt.
zzgl. 6,90 € Versand (brutto)
einmalig pro Bestellung

Lieferzeit: 5 Werktage

Pos.
808
BOSCH Typenschild | Ersatzteile für 53514 | 2601117984
Hersteller: BOSCH
Artikelnummer: EB-0601595460-2601117984
nur Informationsartikel
Nie mehr lieferbar
keine Alternativen
Pos.
822
BOSCH Zahnriemenrad | Ersatzteile für 53514 | 2606625909
Hersteller: BOSCH
Artikelnummer: EB-0601595460-2606625909
Netto: 16,70 € zzgl. MwSt.
zzgl. 6,90 € Versand (brutto)
einmalig pro Bestellung

Lieferzeit: 5 Werktage

Pos.
844
BOSCH Verbindungsleitung | Ersatzteile für 53514 | 2604448255
Hersteller: BOSCH
Artikelnummer: EB-0601595460-2604448255
Netto: 4,80 € zzgl. MwSt.
zzgl. 6,90 € Versand (brutto)
einmalig pro Bestellung

Lieferzeit: 5 Werktage

Pos.
845
BOSCH Verbindungsleitung | Ersatzteile für 53514 | 2604448256
Hersteller: BOSCH
Artikelnummer: EB-0601595460-2604448256
nur Informationsartikel
Nie mehr lieferbar
keine Alternativen
Pos.
846
BOSCH Ein/Aus-Schalter | Ersatzteile für 53514 | 2607200451
Hersteller: BOSCH
Artikelnummer: EB-0601595460-2607200451
Netto: 26,88 € zzgl. MwSt.
zzgl. 6,90 € Versand (brutto)
einmalig pro Bestellung

Lieferzeit: 5 Werktage

Pos.
851
BOSCH Hobelmesser | Ersatzteile für 53514 | 2608635341
Hersteller: BOSCH
Artikelnummer: EB-0601595460-2608635341
nur Informationsartikel
Nie mehr lieferbar
keine Alternativen
Pos.
852
BOSCH Spannkeil | Ersatzteile für 53514 | 2603111001
Hersteller: BOSCH
Artikelnummer: EB-0601595460-2603111001
Netto: 11,92 € zzgl. MwSt.
zzgl. 6,90 € Versand (brutto)
einmalig pro Bestellung

Lieferzeit: 5 Werktage

Pos.
853
BOSCH Gewindestift | Ersatzteile für 53514 | 2603400016
Hersteller: BOSCH
Artikelnummer: EB-0601595460-2603400016
nur Informationsartikel
Nie mehr lieferbar
keine Alternativen

Angaben zur Produktsicherheit

Hersteller:
Robert Bosch Power Tools GmbH
Postfach 30 02 20
70442 Stuttgart

E-Mail:
kontakt@bosch.de