BOSCH Handgriff | Ersatzteile für 5365 | 2610904887

Artikelnummer: EB-F012536506-2610904887

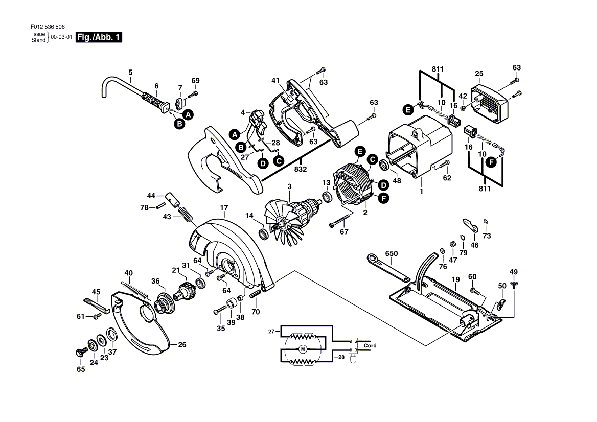
Position: 832

Marke: BOSCH


Bitte Kompatibilität prüfen!

Bitte prüfen Sie unbedingt die 10-stellige Typennummer Ihrer Maschine / Ihres Gerätes. Das Ersatzteil ist nur kompatibel, wenn Sie die Typennummer Ihrer Maschine in der unten stehenden Produktbeschreibung finden.

Bitte prüfen Sie ebenfalls detailliert die Explosionszeichnung mit Ihrem Artikelwunsch und der jeweiligen Pos-Nummer.

Alle Elemente, welche vom schwarzen Strich der Pos-Nummer ausgehend berührt / erfasst werden, gehören zu dieser Pos-Nummer und somit zu diesem Artikel. Jede Pos-Nummer ist ein eigenständiger Artikel, welchen Sie in der Auflistung finden.

Sie erhalten stets die aktuellste, neueste Produktversion zu der gewählten Pos-Nummer seitens des Herstellers. Es kann daher je nach Gerätealter vorkommen, dass Sie ggf. weitere, zugehörige Elemente, welche an diese Pos-Nummer grenzen, ebenfalls mittauschen müssen.

Nähere Informationen finden Sie unter dem Link
Hinweise zu Ihrer BOSCH Ersatzteilsuche

Preisübersicht

Einzelpreis: 8,13 €* (Brutto: 9,67 €)
Gesamtpreis: 8,13 €* 
Position:

Lieferzeit: 5 Werktage


Beschreibung

  • Handgriff
  • Original Bosch Zubehör / BOSCH Ersatzteil (2610904887)
  • im Gerät verbaut: 1
Dieses BOSCH Ersatzteil ist mit folgendem Gerät und Modell kompatibel:
  • BOSCH Gerätename: 5365
  • BOSCH Explosionszeichnung: Position 832
  • BOSCH Typennummer: F012536506
  • BOSCH Typennummer alternative Schreibweisen: F 012 536 506, F012 536 506, F.012.536.506, F-012-536-506
    Bitte prüfen Sie diese Typennummer auf Ihrem Gerät um die Kompatibilität des BOSCH Ersatzteils zu gewährleisten.
Weitere BOSCH Ersatzteile des Gerätes 5365 (Gw-Handkreissäge) mit der Typennummer F012536506 finden Sie in der nachfolgenden Darstellung und im Dropdown zu Ihrer Auswahl:

Pos.
1
BOSCH Motorgehäuse | Ersatzteile für 5365 | 2610904250
Hersteller: BOSCH
Artikelnummer: EB-F012536506-2610904250
Netto: 9,05 € zzgl. MwSt.
zzgl. 6,90 € Versand (brutto)
einmalig pro Bestellung

Lieferzeit: 5 Werktage

Pos.
2
BOSCH Polschuh 220V | Ersatzteile für 5365 | 2610910185
Hersteller: BOSCH
Artikelnummer: EB-F012536506-2610910185
nur Informationsartikel
Nie mehr lieferbar
keine Alternativen
Pos.
3
BOSCH Anker 220V | Ersatzteile für 5365 | 2610908382
Hersteller: BOSCH
Artikelnummer: EB-F012536506-2610908382
nur Informationsartikel
Nie mehr lieferbar
keine Alternativen
Pos.
4
BOSCH Schalter | Ersatzteile für 5365 | 2610916005
Hersteller: BOSCH
Artikelnummer: EB-F012536506-2610916005
Netto: 8,23 € zzgl. MwSt.
zzgl. 6,90 € Versand (brutto)
einmalig pro Bestellung

Lieferzeit: 5 Werktage

Pos.
5
BOSCH Netzanschlussleitung | Ersatzteile für 5365 | 2610990820
Hersteller: BOSCH
Artikelnummer: EB-F012536506-2610990820
nur Informationsartikel
Nie mehr lieferbar
keine Alternativen
Pos.
6
BOSCH Tülle | Ersatzteile für 5365 | 2610360176
Hersteller: BOSCH
Artikelnummer: EB-F012536506-2610360176
Netto: 3,94 € zzgl. MwSt.
zzgl. 6,90 € Versand (brutto)
einmalig pro Bestellung

Lieferzeit: 5 Werktage

Pos.
7
BOSCH Leitungshalter | Ersatzteile für 5365 | 2610364033
Hersteller: BOSCH
Artikelnummer: EB-F012536506-2610364033
Netto: 4,56 € zzgl. MwSt.
zzgl. 6,90 € Versand (brutto)
einmalig pro Bestellung

Lieferzeit: 5 Werktage

Pos.
10
BOSCH Feder | Ersatzteile für 5365 | 2610320418
Hersteller: BOSCH
Artikelnummer: EB-F012536506-2610320418
nur Informationsartikel
Nie mehr lieferbar
keine Alternativen
Pos.
13
BOSCH Rillenkugellager | Ersatzteile für 5365 | 2610017348
Hersteller: BOSCH
Artikelnummer: EB-F012536506-2610017348
nur Informationsartikel
Nie mehr lieferbar
keine Alternativen
Pos.
14
BOSCH Rillenkugellager | Ersatzteile für 5365 | 2610350311
Hersteller: BOSCH
Artikelnummer: EB-F012536506-2610350311
Netto: 10,92 € zzgl. MwSt.
zzgl. 6,90 € Versand (brutto)
einmalig pro Bestellung

Lieferzeit: 5 Werktage

Pos.
16
BOSCH Bürstenhalter | Ersatzteile für 5365 | 2610341257
Hersteller: BOSCH
Artikelnummer: EB-F012536506-2610341257
nur Informationsartikel
Nie mehr lieferbar
keine Alternativen
Pos.
17
BOSCH Abdeckhaube | Ersatzteile für 5365 | 2610355592
Hersteller: BOSCH
Artikelnummer: EB-F012536506-2610355592
nur Informationsartikel
Nie mehr lieferbar
keine Alternativen
Pos.
19
BOSCH Grundplatte | Ersatzteile für 5365 | 2610904202
Hersteller: BOSCH
Artikelnummer: EB-F012536506-2610904202
nur Informationsartikel
Nie mehr lieferbar
keine Alternativen
Pos.
21
BOSCH Getriebewelle | Ersatzteile für 5365 | 2610902896
Hersteller: BOSCH
Artikelnummer: EB-F012536506-2610902896
Netto: 26,41 € zzgl. MwSt.
zzgl. 6,90 € Versand (brutto)
einmalig pro Bestellung

Lieferzeit: 5 Werktage

Pos.
23
BOSCH Stützscheibe | Ersatzteile für 5365 | 2610903184
Hersteller: BOSCH
Artikelnummer: EB-F012536506-2610903184
nur Informationsartikel
Nie mehr lieferbar
keine Alternativen
Pos.
24
BOSCH Spannscheibe | Ersatzteile für 5365 | 2610903186
Hersteller: BOSCH
Artikelnummer: EB-F012536506-2610903186
Netto: 5,19 € zzgl. MwSt.
zzgl. 6,90 € Versand (brutto)
einmalig pro Bestellung

Lieferzeit: 5 Werktage

Pos.
25
BOSCH Verschlussdeckel | Ersatzteile für 5365 | 2610341255
Hersteller: BOSCH
Artikelnummer: EB-F012536506-2610341255
nur Informationsartikel
Nie mehr lieferbar
keine Alternativen
Pos.
26
BOSCH Pendelschutzhaube | Ersatzteile für 5365 | 2610341268
Hersteller: BOSCH
Artikelnummer: EB-F012536506-2610341268
nur Informationsartikel
Nie mehr lieferbar
keine Alternativen
Pos.
27
BOSCH Anschlusskabel 385 MM | Ersatzteile für 5365 | 2610341377
Hersteller: BOSCH
Artikelnummer: EB-F012536506-2610341377
nur Informationsartikel
Nie mehr lieferbar
keine Alternativen
Pos.
28
BOSCH Anschlusskabel 270 MM | Ersatzteile für 5365 | 2610341378
Hersteller: BOSCH
Artikelnummer: EB-F012536506-2610341378
nur Informationsartikel
Nie mehr lieferbar
keine Alternativen
Pos.
31
BOSCH Kugellager | Ersatzteile für 5365 | 1619P01511
Hersteller: BOSCH
Artikelnummer: EB-F012536506-1619P01511
Netto: 7,30 € zzgl. MwSt.
zzgl. 6,90 € Versand (brutto)
einmalig pro Bestellung

Lieferzeit: 5 Werktage

Pos.
35
BOSCH Schraube | Ersatzteile für 5365 | 2610347100
Hersteller: BOSCH
Artikelnummer: EB-F012536506-2610347100
nur Informationsartikel
Nie mehr lieferbar
keine Alternativen
Pos.
36
BOSCH Tragplatte | Ersatzteile für 5365 | 1619X01554
Hersteller: BOSCH
Artikelnummer: EB-F012536506-1619X01554
nur Informationsartikel
Nie mehr lieferbar
keine Alternativen
Pos.
37
BOSCH Sicherungsring | Ersatzteile für 5365 | 2610341359
Hersteller: BOSCH
Artikelnummer: EB-F012536506-2610341359
nur Informationsartikel
Nie mehr lieferbar
keine Alternativen
Pos.
38
BOSCH Abstandshalter | Ersatzteile für 5365 | 2610341366
Hersteller: BOSCH
Artikelnummer: EB-F012536506-2610341366
nur Informationsartikel
Nie mehr lieferbar
keine Alternativen
Pos.
39
BOSCH Anschlag | Ersatzteile für 5365 | 2610341394
Hersteller: BOSCH
Artikelnummer: EB-F012536506-2610341394
nur Informationsartikel
Nie mehr lieferbar
keine Alternativen
Pos.
40
BOSCH Zugfeder | Ersatzteile für 5365 | 2610347486
Hersteller: BOSCH
Artikelnummer: EB-F012536506-2610347486
Netto: 4,80 € zzgl. MwSt.
zzgl. 6,90 € Versand (brutto)
einmalig pro Bestellung

Lieferzeit: 5 Werktage

Pos.
41
BOSCH Distanzstück | Ersatzteile für 5365 | 2610347892
Hersteller: BOSCH
Artikelnummer: EB-F012536506-2610347892
Netto: 5,19 € zzgl. MwSt.
zzgl. 6,90 € Versand (brutto)
einmalig pro Bestellung

Lieferzeit: 5 Werktage

Pos.
42
BOSCH Gummipuffer | Ersatzteile für 5365 | 2610350655
Hersteller: BOSCH
Artikelnummer: EB-F012536506-2610350655
Netto: 3,94 € zzgl. MwSt.
zzgl. 6,90 € Versand (brutto)
einmalig pro Bestellung

Lieferzeit: 5 Werktage

Pos.
43
BOSCH Feder | Ersatzteile für 5365 | 2610350667
Hersteller: BOSCH
Artikelnummer: EB-F012536506-2610350667
Netto: 4,32 € zzgl. MwSt.
zzgl. 6,90 € Versand (brutto)
einmalig pro Bestellung

Lieferzeit: 5 Werktage

Pos.
44
BOSCH Verschlussbolzen | Ersatzteile für 5365 | 2610351295
Hersteller: BOSCH
Artikelnummer: EB-F012536506-2610351295
Netto: 9,18 € zzgl. MwSt.
zzgl. 6,90 € Versand (brutto)
einmalig pro Bestellung

Lieferzeit: 5 Werktage

Pos.
45
BOSCH Hebel | Ersatzteile für 5365 | 2610351898
Hersteller: BOSCH
Artikelnummer: EB-F012536506-2610351898
nur Informationsartikel
Nie mehr lieferbar
keine Alternativen
Pos.
46
BOSCH Hebel | Ersatzteile für 5365 | 2610901987
Hersteller: BOSCH
Artikelnummer: EB-F012536506-2610901987
Netto: 4,53 € zzgl. MwSt.
zzgl. 6,90 € Versand (brutto)
einmalig pro Bestellung

Lieferzeit: 5 Werktage

Pos.
47
BOSCH Rundmutter | Ersatzteile für 5365 | 2610901988
Hersteller: BOSCH
Artikelnummer: EB-F012536506-2610901988
Netto: 4,56 € zzgl. MwSt.
zzgl. 6,90 € Versand (brutto)
einmalig pro Bestellung

Lieferzeit: 5 Werktage

Pos.
48
BOSCH Gummiring | Ersatzteile für 5365 | 1619P01127
Hersteller: BOSCH
Artikelnummer: EB-F012536506-1619P01127
Netto: 3,63 € zzgl. MwSt.
zzgl. 6,90 € Versand (brutto)
einmalig pro Bestellung

Lieferzeit: 5 Werktage

Pos.
49
BOSCH Schraube | Ersatzteile für 5365 | 2610018222
Hersteller: BOSCH
Artikelnummer: EB-F012536506-2610018222
nur Informationsartikel
Nie mehr lieferbar
keine Alternativen
Pos.
50
BOSCH Flügelmutter | Ersatzteile für 5365 | 2610029562
Hersteller: BOSCH
Artikelnummer: EB-F012536506-2610029562
Netto: 4,32 € zzgl. MwSt.
zzgl. 6,90 € Versand (brutto)
einmalig pro Bestellung

Lieferzeit: 5 Werktage

Pos.
60
BOSCH Flachrundschraube | Ersatzteile für 5365 | 2610017262
Hersteller: BOSCH
Artikelnummer: EB-F012536506-2610017262
nur Informationsartikel
Nie mehr lieferbar
keine Alternativen
Pos.
61
BOSCH Schraube | Ersatzteile für 5365 | 2610328924
Hersteller: BOSCH
Artikelnummer: EB-F012536506-2610328924
nur Informationsartikel
Nie mehr lieferbar
keine Alternativen
Pos.
62
BOSCH Schraube | Ersatzteile für 5365 | 2610341335
Hersteller: BOSCH
Artikelnummer: EB-F012536506-2610341335
Netto: 4,32 € zzgl. MwSt.
zzgl. 6,90 € Versand (brutto)
einmalig pro Bestellung

Lieferzeit: 5 Werktage

Pos.
63
BOSCH Schraube | Ersatzteile für 5365 | 1619P01505
Hersteller: BOSCH
Artikelnummer: EB-F012536506-1619P01505
nur Informationsartikel
Nie mehr lieferbar
keine Alternativen
Pos.
64
BOSCH Kontaktschraube | Ersatzteile für 5365 | 1619X01786
Hersteller: BOSCH
Artikelnummer: EB-F012536506-1619X01786
nur Informationsartikel
Nie mehr lieferbar
keine Alternativen
Pos.
65
BOSCH Sechskantschraube | Ersatzteile für 5365 | 1619X00935
Hersteller: BOSCH
Artikelnummer: EB-F012536506-1619X00935
nur Informationsartikel
Nie mehr lieferbar
keine Alternativen
Pos.
67
BOSCH Schraube | Ersatzteile für 5365 | 2610931997
Hersteller: BOSCH
Artikelnummer: EB-F012536506-2610931997
Netto: 4,56 € zzgl. MwSt.
zzgl. 6,90 € Versand (brutto)
einmalig pro Bestellung

Lieferzeit: 5 Werktage

Pos.
69
BOSCH Schraube | Ersatzteile für 5365 | 2610990024
Hersteller: BOSCH
Artikelnummer: EB-F012536506-2610990024
nur Informationsartikel
Nie mehr lieferbar
keine Alternativen
Pos.
70
BOSCH Spiralspannstift | Ersatzteile für 5365 | 2610341332
Hersteller: BOSCH
Artikelnummer: EB-F012536506-2610341332
Netto: 4,36 € zzgl. MwSt.
zzgl. 6,90 € Versand (brutto)
einmalig pro Bestellung

Lieferzeit: 5 Werktage

Pos.
73
BOSCH Sicherungsring | Ersatzteile für 5365 | 2610341354
Hersteller: BOSCH
Artikelnummer: EB-F012536506-2610341354
Netto: 4,36 € zzgl. MwSt.
zzgl. 6,90 € Versand (brutto)
einmalig pro Bestellung

Lieferzeit: 5 Werktage

Pos.
76
BOSCH Vorlegscheibe | Ersatzteile für 5365 | 1619P01535
Hersteller: BOSCH
Artikelnummer: EB-F012536506-1619P01535
Netto: 3,60 € zzgl. MwSt.
zzgl. 6,90 € Versand (brutto)
einmalig pro Bestellung

Lieferzeit: 5 Werktage

Pos.
78
BOSCH Spannstift | Ersatzteile für 5365 | 2610020656
Hersteller: BOSCH
Artikelnummer: EB-F012536506-2610020656
Netto: 4,36 € zzgl. MwSt.
zzgl. 6,90 € Versand (brutto)
einmalig pro Bestellung

Lieferzeit: 5 Werktage

Pos.
79
BOSCH Federscheibe | Ersatzteile für 5365 | 2610069183
Hersteller: BOSCH
Artikelnummer: EB-F012536506-2610069183
Netto: 3,60 € zzgl. MwSt.
zzgl. 6,90 € Versand (brutto)
einmalig pro Bestellung

Lieferzeit: 5 Werktage

Pos.
650
BOSCH Ringschlüssel | Ersatzteile für 5365 | 2610341299
Hersteller: BOSCH
Artikelnummer: EB-F012536506-2610341299
Netto: 9,18 € zzgl. MwSt.
zzgl. 6,90 € Versand (brutto)
einmalig pro Bestellung

Lieferzeit: 5 Werktage

Pos.
811
BOSCH Kohlebürstensatz | Ersatzteile für 5365 | 2610993157
Hersteller: BOSCH
Artikelnummer: EB-F012536506-2610993157
Netto: 12,98 € zzgl. MwSt.
zzgl. 6,90 € Versand (brutto)
einmalig pro Bestellung

Lieferzeit: 5 Werktage

Pos.
832
BOSCH Handgriff | Ersatzteile für 5365 | 2610904887
Hersteller: BOSCH
Artikelnummer: EB-F012536506-2610904887
Netto: 8,13 € zzgl. MwSt.
zzgl. 6,90 € Versand (brutto)
einmalig pro Bestellung

Lieferzeit: 5 Werktage

Angaben zur Produktsicherheit

Hersteller:
Robert Bosch Power Tools GmbH
Postfach 30 02 20
70442 Stuttgart

E-Mail:
kontakt@bosch.de