BOSCH Federscheibe | Ersatzteile für 5385 | 1619X01014

Artikelnummer: EB-F012538500-1619X01014

Position: 47

Marke: BOSCH


Bitte Kompatibilität prüfen!

Bitte prüfen Sie unbedingt die 10-stellige Typennummer Ihrer Maschine / Ihres Gerätes. Das Ersatzteil ist nur kompatibel, wenn Sie die Typennummer Ihrer Maschine in der unten stehenden Produktbeschreibung finden.

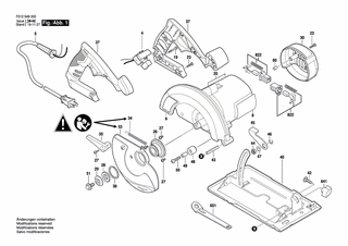
Bitte prüfen Sie ebenfalls detailliert die Explosionszeichnung mit Ihrem Artikelwunsch und der jeweiligen Pos-Nummer.

Alle Elemente, welche vom schwarzen Strich der Pos-Nummer ausgehend berührt / erfasst werden, gehören zu dieser Pos-Nummer und somit zu diesem Artikel. Jede Pos-Nummer ist ein eigenständiger Artikel, welchen Sie in der Auflistung finden.

Sie erhalten stets die aktuellste, neueste Produktversion zu der gewählten Pos-Nummer seitens des Herstellers. Es kann daher je nach Gerätealter vorkommen, dass Sie ggf. weitere, zugehörige Elemente, welche an diese Pos-Nummer grenzen, ebenfalls mittauschen müssen.

Nähere Informationen finden Sie unter dem Link
Hinweise zu Ihrer BOSCH Ersatzteilsuche

Preisübersicht

Einzelpreis: 3,63 €* (Brutto: 4,32 €)
Gesamtpreis: 3,63 €* 
Position:

Lieferzeit: 5 Werktage


Beschreibung

  • Federscheibe
  • Original Bosch Zubehör / BOSCH Ersatzteil (1619X01014)
  • im Gerät verbaut: 1
Dieses BOSCH Ersatzteil ist mit folgendem Gerät und Modell kompatibel:
  • BOSCH Gerätename: 5385
  • BOSCH Explosionszeichnung: Position 47
  • BOSCH Typennummer: F012538500
  • BOSCH Typennummer alternative Schreibweisen: F 012 538 500, F012 538 500, F.012.538.500, F-012-538-500
    Bitte prüfen Sie diese Typennummer auf Ihrem Gerät um die Kompatibilität des BOSCH Ersatzteils zu gewährleisten.
Weitere BOSCH Ersatzteile des Gerätes 5385 (Handkreissäge) mit der Typennummer F012538500 finden Sie in der nachfolgenden Darstellung und im Dropdown zu Ihrer Auswahl:

Pos.
4
BOSCH Schalter | Ersatzteile für 5385 | 1619X00641
Hersteller: BOSCH
Artikelnummer: EB-F012538500-1619X00641
Netto: 3,34 € zzgl. MwSt.
zzgl. 6,90 € Versand (brutto)
einmalig pro Bestellung

Lieferzeit: 5 Werktage

Pos.
5
BOSCH Netzanschlussleitung | Ersatzteile für 5385 | 1619X04467
Hersteller: BOSCH
Artikelnummer: EB-F012538500-1619X04467
nur Informationsartikel
Nie mehr lieferbar
keine Alternativen
Pos.
8
BOSCH Typschild | Ersatzteile für 5385 | 1619X04729
Hersteller: BOSCH
Artikelnummer: EB-F012538500-1619X04729
nur Informationsartikel
Nie mehr lieferbar
keine Alternativen
Pos.
9
BOSCH Firmenschild | Ersatzteile für 5385 | 1619X03585
Hersteller: BOSCH
Artikelnummer: EB-F012538500-1619X03585
nur Informationsartikel
Nie mehr lieferbar
keine Alternativen
Pos.
19
BOSCH Schraube | Ersatzteile für 5385 | 1619X01012
Hersteller: BOSCH
Artikelnummer: EB-F012538500-1619X01012
Netto: 3,59 € zzgl. MwSt.
zzgl. 6,90 € Versand (brutto)
einmalig pro Bestellung

Lieferzeit: 5 Werktage

Pos.
20
BOSCH Warnzettel | Ersatzteile für 5385 | 1619X00649
Hersteller: BOSCH
Artikelnummer: EB-F012538500-1619X00649
nur Informationsartikel
Nie mehr lieferbar
keine Alternativen
Pos.
23
BOSCH Schraube | Ersatzteile für 5385 | 1619X01011
Hersteller: BOSCH
Artikelnummer: EB-F012538500-1619X01011
Netto: 3,59 € zzgl. MwSt.
zzgl. 6,90 € Versand (brutto)
einmalig pro Bestellung

Lieferzeit: 5 Werktage

Pos.
26
BOSCH Tragplatte | Ersatzteile für 5385 | 1619X00657
Hersteller: BOSCH
Artikelnummer: EB-F012538500-1619X00657
Netto: 7,58 € zzgl. MwSt.
zzgl. 6,90 € Versand (brutto)
einmalig pro Bestellung

Lieferzeit: 5 Werktage

Pos.
27
BOSCH Kontaktschraube | Ersatzteile für 5385 | 1619X01786
Hersteller: BOSCH
Artikelnummer: EB-F012538500-1619X01786
nur Informationsartikel
Nie mehr lieferbar
keine Alternativen
Pos.
28
BOSCH Scheibe | Ersatzteile für 5385 | 1619X00659
Hersteller: BOSCH
Artikelnummer: EB-F012538500-1619X00659
nur Informationsartikel
Nie mehr lieferbar
keine Alternativen
Pos.
29
BOSCH Scheibe | Ersatzteile für 5385 | 1619X00660
Hersteller: BOSCH
Artikelnummer: EB-F012538500-1619X00660
Netto: 4,53 € zzgl. MwSt.
zzgl. 6,90 € Versand (brutto)
einmalig pro Bestellung

Lieferzeit: 5 Werktage

Pos.
30
BOSCH Gehäusedeckel | Ersatzteile für 5385 | 1619X01098
Hersteller: BOSCH
Artikelnummer: EB-F012538500-1619X01098
nur Informationsartikel
Nie mehr lieferbar
keine Alternativen
Pos.
33
BOSCH Pendelschutzhaube | Ersatzteile für 5385 | 1619X03951
Hersteller: BOSCH
Artikelnummer: EB-F012538500-1619X03951
Netto: 10,47 € zzgl. MwSt.
zzgl. 6,90 € Versand (brutto)
einmalig pro Bestellung

Lieferzeit: 5 Werktage

Pos.
34
BOSCH Zugfeder | Ersatzteile für 5385 | 1619X04824
Hersteller: BOSCH
Artikelnummer: EB-F012538500-1619X04824
Netto: 0,59 € zzgl. MwSt.
zzgl. 6,90 € Versand (brutto)
einmalig pro Bestellung

Lieferzeit: 5 Werktage

Pos.
35
BOSCH Hebel | Ersatzteile für 5385 | 1619X04655
Hersteller: BOSCH
Artikelnummer: EB-F012538500-1619X04655
Netto: 3,92 € zzgl. MwSt.
zzgl. 6,90 € Versand (brutto)
einmalig pro Bestellung

Lieferzeit: 5 Werktage

Pos.
36
BOSCH Haltering | Ersatzteile für 5385 | 1619X00667
Hersteller: BOSCH
Artikelnummer: EB-F012538500-1619X00667
Netto: 1,76 € zzgl. MwSt.
zzgl. 6,90 € Versand (brutto)
einmalig pro Bestellung

Lieferzeit: 5 Werktage

Pos.
37
BOSCH Handgriff-Set | Ersatzteile für 5385 | 1619X01007
Hersteller: BOSCH
Artikelnummer: EB-F012538500-1619X01007
Netto: 6,34 € zzgl. MwSt.
zzgl. 6,90 € Versand (brutto)
einmalig pro Bestellung

Lieferzeit: 5 Werktage

Pos.
40
BOSCH Fussplatte | Ersatzteile für 5385 | 1619X08801
Hersteller: BOSCH
Artikelnummer: EB-F012538500-1619X08801
nur Informationsartikel
Nie mehr lieferbar
keine Alternativen
Pos.
42
BOSCH Bolzen | Ersatzteile für 5385 | 1619X00674
Hersteller: BOSCH
Artikelnummer: EB-F012538500-1619X00674
Netto: 0,59 € zzgl. MwSt.
zzgl. 6,90 € Versand (brutto)
einmalig pro Bestellung

Lieferzeit: 5 Werktage

Pos.
43
BOSCH Rollenbolzen | Ersatzteile für 5385 | 1619X00676
Hersteller: BOSCH
Artikelnummer: EB-F012538500-1619X00676
Netto: 3,92 € zzgl. MwSt.
zzgl. 6,90 € Versand (brutto)
einmalig pro Bestellung

Lieferzeit: 5 Werktage

Pos.
44
BOSCH Mutter | Ersatzteile für 5385 | 1619X00677
Hersteller: BOSCH
Artikelnummer: EB-F012538500-1619X00677
Netto: 3,59 € zzgl. MwSt.
zzgl. 6,90 € Versand (brutto)
einmalig pro Bestellung

Lieferzeit: 5 Werktage

Pos.
45
BOSCH Tiefenanschlag | Ersatzteile für 5385 | 1619X05358
Hersteller: BOSCH
Artikelnummer: EB-F012538500-1619X05358
nur Informationsartikel
Nie mehr lieferbar
keine Alternativen
Pos.
46
BOSCH Geräteclip | Ersatzteile für 5385 | 2610923854
Hersteller: BOSCH
Artikelnummer: EB-F012538500-2610923854
Netto: 3,60 € zzgl. MwSt.
zzgl. 6,90 € Versand (brutto)
einmalig pro Bestellung

Lieferzeit: 5 Werktage

Pos.
47
BOSCH Federscheibe | Ersatzteile für 5385 | 1619X01014
Hersteller: BOSCH
Artikelnummer: EB-F012538500-1619X01014
Netto: 3,59 € zzgl. MwSt.
zzgl. 6,90 € Versand (brutto)
einmalig pro Bestellung

Lieferzeit: 5 Werktage

Pos.
48
BOSCH Stopper | Ersatzteile für 5385 | 1619X00681
Hersteller: BOSCH
Artikelnummer: EB-F012538500-1619X00681
Netto: 0,95 € zzgl. MwSt.
zzgl. 6,90 € Versand (brutto)
einmalig pro Bestellung

Lieferzeit: 5 Werktage

Pos.
49
BOSCH Abstandshalter | Ersatzteile für 5385 | 1619X00682
Hersteller: BOSCH
Artikelnummer: EB-F012538500-1619X00682
Netto: 0,59 € zzgl. MwSt.
zzgl. 6,90 € Versand (brutto)
einmalig pro Bestellung

Lieferzeit: 5 Werktage

Pos.
50
BOSCH Schraube | Ersatzteile für 5385 | 1619X00683
Hersteller: BOSCH
Artikelnummer: EB-F012538500-1619X00683
Netto: 3,92 € zzgl. MwSt.
zzgl. 6,90 € Versand (brutto)
einmalig pro Bestellung

Lieferzeit: 5 Werktage

Pos.
51
BOSCH Sechskantschraube | Ersatzteile für 5385 | 1619X00935
Hersteller: BOSCH
Artikelnummer: EB-F012538500-1619X00935
nur Informationsartikel
Nie mehr lieferbar
keine Alternativen
Pos.
60
BOSCH Haltestift | Ersatzteile für 5385 | 1619X01409
Hersteller: BOSCH
Artikelnummer: EB-F012538500-1619X01409
Netto: 3,59 € zzgl. MwSt.
zzgl. 6,90 € Versand (brutto)
einmalig pro Bestellung

Lieferzeit: 5 Werktage

Pos.
651
BOSCH Ringschlüssel | Ersatzteile für 5385 | 1619X00685
Hersteller: BOSCH
Artikelnummer: EB-F012538500-1619X00685
Netto: 5,60 € zzgl. MwSt.
zzgl. 6,90 € Versand (brutto)
einmalig pro Bestellung

Lieferzeit: 5 Werktage

Pos.
822
BOSCH Kohlebürstensatz | Ersatzteile für 5385 | 1619X02851
Hersteller: BOSCH
Artikelnummer: EB-F012538500-1619X02851
Netto: 4,18 € zzgl. MwSt.
zzgl. 6,90 € Versand (brutto)
einmalig pro Bestellung

Lieferzeit: 5 Werktage

Pos.
841
BOSCH Knopfgriff | Ersatzteile für 5385 | 2610917567
Hersteller: BOSCH
Artikelnummer: EB-F012538500-2610917567
Netto: 7,58 € zzgl. MwSt.
zzgl. 6,90 € Versand (brutto)
einmalig pro Bestellung

Lieferzeit: 5 Werktage

Angaben zur Produktsicherheit

Hersteller:
Robert Bosch Power Tools GmbH
Postfach 30 02 20
70442 Stuttgart

E-Mail:
kontakt@bosch.de