BOSCH Zusatzhandgriff | Ersatzteile für 550 WATT-SERIE | 1619P16111

Artikelnummer: EB-0607352105-1619P16111

Position: 654/10

Marke: BOSCH


Bitte Kompatibilität prüfen!

Bitte prüfen Sie unbedingt die 10-stellige Typennummer Ihrer Maschine / Ihres Gerätes. Das Ersatzteil ist nur kompatibel, wenn Sie die Typennummer Ihrer Maschine in der unten stehenden Produktbeschreibung finden.

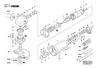
Bitte prüfen Sie ebenfalls detailliert die Explosionszeichnung mit Ihrem Artikelwunsch und der jeweiligen Pos-Nummer.

Alle Elemente, welche vom schwarzen Strich der Pos-Nummer ausgehend berührt / erfasst werden, gehören zu dieser Pos-Nummer und somit zu diesem Artikel. Jede Pos-Nummer ist ein eigenständiger Artikel, welchen Sie in der Auflistung finden.

Sie erhalten stets die aktuellste, neueste Produktversion zu der gewählten Pos-Nummer seitens des Herstellers. Es kann daher je nach Gerätealter vorkommen, dass Sie ggf. weitere, zugehörige Elemente, welche an diese Pos-Nummer grenzen, ebenfalls mittauschen müssen.

Nähere Informationen finden Sie unter dem Link
Hinweise zu Ihrer BOSCH Ersatzteilsuche

Preisübersicht

Einzelpreis: 4,82 €* (Brutto: 5,74 €)
Gesamtpreis: 4,82 €* 
Position:

Lieferzeit: 13 Werktage


Beschreibung

  • Zusatzhandgriff
  • Original Bosch Zubehör / BOSCH Ersatzteil (1619P16111)
  • alte Artikelnummer: 160202509T
  • im Gerät verbaut: 1
Dieses BOSCH Ersatzteil ist mit folgendem Gerät und Modell kompatibel:
  • BOSCH Gerätename: 550 WATT-SERIE
  • BOSCH Explosionszeichnung: Position 654/10
  • BOSCH Typennummer: 0607352105
  • BOSCH Typennummer alternative Schreibweisen: 0 607 352 105, 0607 352 105, 0.607.352.105, 0-607-352-105
    Bitte prüfen Sie diese Typennummer auf Ihrem Gerät um die Kompatibilität des BOSCH Ersatzteils zu gewährleisten.
Weitere BOSCH Ersatzteile des Gerätes 550 WATT-SERIE (Pw-Winkelschleifer) mit der Typennummer 0607352105 finden Sie in der nachfolgenden Darstellung und im Dropdown zu Ihrer Auswahl:

Pos.
1
BOSCH Motorgehäuse BLAU | Ersatzteile für 550 WATT-SERIE | 3605108059
Hersteller: BOSCH
Artikelnummer: EB-0607352105-3605108059
Netto: 24,13 € zzgl. MwSt.
zzgl. 6,90 € Versand (brutto)
einmalig pro Bestellung

Lieferzeit: 5 Werktage

Pos.
654/10
BOSCH Zusatzhandgriff | Ersatzteile für 550 WATT-SERIE | 1619P16111
Hersteller: BOSCH
Artikelnummer: EB-0607352105-1619P16111
Netto: 4,82 € zzgl. MwSt.
zzgl. 6,90 € Versand (brutto)
einmalig pro Bestellung

Lieferzeit: 14 Werktage

Pos.
2
BOSCH Stator 550W | Ersatzteile für 550 WATT-SERIE | 3604090049
Hersteller: BOSCH
Artikelnummer: EB-0607352105-3604090049
Netto: 86,83 € zzgl. MwSt.
zzgl. 6,90 € Versand (brutto)
einmalig pro Bestellung

Lieferzeit: 5 Werktage

Pos.
3
BOSCH Rotor | Ersatzteile für 550 WATT-SERIE | 3604220053
Hersteller: BOSCH
Artikelnummer: EB-0607352105-3604220053
nur Informationsartikel
Nie mehr lieferbar
keine Alternativen
Pos.
5
BOSCH Lagerflansch | Ersatzteile für 550 WATT-SERIE | 3605700074
Hersteller: BOSCH
Artikelnummer: EB-0607352105-3605700074
Netto: 24,13 € zzgl. MwSt.
zzgl. 6,90 € Versand (brutto)
einmalig pro Bestellung

Lieferzeit: 5 Werktage

Pos.
7
BOSCH Rillenkugellager | Ersatzteile für 550 WATT-SERIE | 3600905038
Hersteller: BOSCH
Artikelnummer: EB-0607352105-3600905038
Netto: 12,98 € zzgl. MwSt.
zzgl. 6,90 € Versand (brutto)
einmalig pro Bestellung

Lieferzeit: 5 Werktage

Pos.
8
BOSCH Rillenkugellager 7x19x6 | Ersatzteile für 550 WATT-SERIE | 2600905032
Hersteller: BOSCH
Artikelnummer: EB-0607352105-2600905032
Netto: 6,15 € zzgl. MwSt.
zzgl. 6,90 € Versand (brutto)
einmalig pro Bestellung

Lieferzeit: 9 Werktage

Pos.
10
BOSCH O-Ring 28x2 MM | Ersatzteile für 550 WATT-SERIE | 1900210127
Hersteller: BOSCH
Artikelnummer: EB-0607352105-1900210127
Netto: 6,15 € zzgl. MwSt.
zzgl. 6,90 € Versand (brutto)
einmalig pro Bestellung

Lieferzeit: 5 Werktage

Pos.
11
BOSCH O-Ring 20x2 MM | Ersatzteile für 550 WATT-SERIE | 1900210118
Hersteller: BOSCH
Artikelnummer: EB-0607352105-1900210118
Netto: 4,82 € zzgl. MwSt.
zzgl. 6,90 € Versand (brutto)
einmalig pro Bestellung

Lieferzeit: 5 Werktage

Pos.
12
BOSCH Sechskantschraube | Ersatzteile für 550 WATT-SERIE | 3603450006
Hersteller: BOSCH
Artikelnummer: EB-0607352105-3603450006
Netto: 6,15 € zzgl. MwSt.
zzgl. 6,90 € Versand (brutto)
einmalig pro Bestellung

Lieferzeit: 5 Werktage

Pos.
26
BOSCH Kegelrad Z=11 | Ersatzteile für 550 WATT-SERIE | 1606333242
Hersteller: BOSCH
Artikelnummer: EB-0607352105-1606333242
Netto: 42,86 € zzgl. MwSt.
zzgl. 6,90 € Versand (brutto)
einmalig pro Bestellung

Lieferzeit: 5 Werktage

Pos.
30
BOSCH Schleifspindel M14, SW17 | Ersatzteile für 550 WATT-SERIE | 1603523101
Hersteller: BOSCH
Artikelnummer: EB-0607352105-1603523101
Netto: 15,75 € zzgl. MwSt.
zzgl. 6,90 € Versand (brutto)
einmalig pro Bestellung

Lieferzeit: 5 Werktage

Pos.
31
BOSCH Sicherungsring DIN 472-25x1,2MM | Ersatzteile für 550 WATT-SERIE | 2916660009
Hersteller: BOSCH
Artikelnummer: EB-0607352105-2916660009
Netto: 4,32 € zzgl. MwSt.
zzgl. 6,90 € Versand (brutto)
einmalig pro Bestellung

Lieferzeit: 5 Werktage

Pos.
32
BOSCH Nadelhülse Ø8xØ12x8 MM | Ersatzteile für 550 WATT-SERIE | 1600910018
Hersteller: BOSCH
Artikelnummer: EB-0607352105-1600910018
Netto: 6,15 € zzgl. MwSt.
zzgl. 6,90 € Versand (brutto)
einmalig pro Bestellung

Lieferzeit: 5 Werktage

Pos.
33
BOSCH Zylinderschraube DIN 84-AM4x12-8.8 | Ersatzteile für 550 WATT-SERIE | 2910021122
Hersteller: BOSCH
Artikelnummer: EB-0607352105-2910021122
Netto: 4,32 € zzgl. MwSt.
zzgl. 6,90 € Versand (brutto)
einmalig pro Bestellung

Lieferzeit: 5 Werktage

Pos.
34
BOSCH Druckfeder | Ersatzteile für 550 WATT-SERIE | 3604619011
Hersteller: BOSCH
Artikelnummer: EB-0607352105-3604619011
nur Informationsartikel
Nie mehr lieferbar
keine Alternativen
Pos.
35
BOSCH Ausgleichscheibe 0,1 MM DICK | Ersatzteile für 550 WATT-SERIE | 1600136012
Hersteller: BOSCH
Artikelnummer: EB-0607352105-1600136012
Netto: 3,63 € zzgl. MwSt.
zzgl. 6,90 € Versand (brutto)
einmalig pro Bestellung

Lieferzeit: 5 Werktage

Pos.
35
BOSCH Ausgleichscheibe 0,2 MM DICK | Ersatzteile für 550 WATT-SERIE | 1600136010
Hersteller: BOSCH
Artikelnummer: EB-0607352105-1600136010
Netto: 4,53 € zzgl. MwSt.
zzgl. 6,90 € Versand (brutto)
einmalig pro Bestellung

Lieferzeit: 5 Werktage

Pos.
22
BOSCH Anschlagscheibe | Ersatzteile für 550 WATT-SERIE | 3600100022
Hersteller: BOSCH
Artikelnummer: EB-0607352105-3600100022
Netto: 4,32 € zzgl. MwSt.
zzgl. 6,90 € Versand (brutto)
einmalig pro Bestellung

Lieferzeit: 5 Werktage

Pos.
35
BOSCH Ausgleichscheibe 0,3 MM DICK | Ersatzteile für 550 WATT-SERIE | 1600136011
Hersteller: BOSCH
Artikelnummer: EB-0607352105-1600136011
Netto: 4,32 € zzgl. MwSt.
zzgl. 6,90 € Versand (brutto)
einmalig pro Bestellung

Lieferzeit: 5 Werktage

Pos.
23
BOSCH O-Ring 39,0x2,0 MM | Ersatzteile für 550 WATT-SERIE | 3600210022
Hersteller: BOSCH
Artikelnummer: EB-0607352105-3600210022
Netto: 5,19 € zzgl. MwSt.
zzgl. 6,90 € Versand (brutto)
einmalig pro Bestellung

Lieferzeit: 5 Werktage

Pos.
24
BOSCH Führungshülse | Ersatzteile für 550 WATT-SERIE | 3600327000
Hersteller: BOSCH
Artikelnummer: EB-0607352105-3600327000
Netto: 5,19 € zzgl. MwSt.
zzgl. 6,90 € Versand (brutto)
einmalig pro Bestellung

Lieferzeit: 5 Werktage

Pos.
36
BOSCH Ausgleichscheibe 0,2 MM DICK | Ersatzteile für 550 WATT-SERIE | 1610101603
Hersteller: BOSCH
Artikelnummer: EB-0607352105-1610101603
Netto: 3,94 € zzgl. MwSt.
zzgl. 6,90 € Versand (brutto)
einmalig pro Bestellung

Lieferzeit: 5 Werktage

Pos.
37
BOSCH Tellerrad Z=36 | Ersatzteile für 550 WATT-SERIE | 1606333601
Hersteller: BOSCH
Artikelnummer: EB-0607352105-1606333601
Netto: 7,76 € zzgl. MwSt.
zzgl. 6,90 € Versand (brutto)
einmalig pro Bestellung

Lieferzeit: 5 Werktage

Pos.
38
BOSCH O-Ring 46,0x1,1 MM ROT | Ersatzteile für 550 WATT-SERIE | 3600210124
Hersteller: BOSCH
Artikelnummer: EB-0607352105-3600210124
Netto: 4,82 € zzgl. MwSt.
zzgl. 6,90 € Versand (brutto)
einmalig pro Bestellung

Lieferzeit: 5 Werktage

Pos.
27
BOSCH Sechskantmutter | Ersatzteile für 550 WATT-SERIE | 3603300005
Hersteller: BOSCH
Artikelnummer: EB-0607352105-3603300005
Netto: 14,36 € zzgl. MwSt.
zzgl. 6,90 € Versand (brutto)
einmalig pro Bestellung

Lieferzeit: 5 Werktage

Pos.
39
BOSCH Rillenkugellager 12x32x10 | Ersatzteile für 550 WATT-SERIE | 1600905006
Hersteller: BOSCH
Artikelnummer: EB-0607352105-1600905006
Netto: 10,92 € zzgl. MwSt.
zzgl. 6,90 € Versand (brutto)
einmalig pro Bestellung

Lieferzeit: 5 Werktage

Pos.
40
BOSCH Sicherungsring DIN 472-32x1,2 MM | Ersatzteile für 550 WATT-SERIE | 2916660013
Hersteller: BOSCH
Artikelnummer: EB-0607352105-2916660013
Netto: 4,32 € zzgl. MwSt.
zzgl. 6,90 € Versand (brutto)
einmalig pro Bestellung

Lieferzeit: 5 Werktage

Pos.
41
BOSCH Rillenkugellager 8x22x7 | Ersatzteile für 550 WATT-SERIE | 1600905011
Hersteller: BOSCH
Artikelnummer: EB-0607352105-1600905011
Netto: 6,70 € zzgl. MwSt.
zzgl. 6,90 € Versand (brutto)
einmalig pro Bestellung

Lieferzeit: 5 Werktage

Pos.
43
BOSCH Gummiring | Ersatzteile für 550 WATT-SERIE | 1600206025
Hersteller: BOSCH
Artikelnummer: EB-0607352105-1600206025
Netto: 4,32 € zzgl. MwSt.
zzgl. 6,90 € Versand (brutto)
einmalig pro Bestellung

Lieferzeit: 5 Werktage

Pos.
55
BOSCH Blechschraube DIN 7971-ST3,9x22-F | Ersatzteile für 550 WATT-SERIE | 2910211021
Hersteller: BOSCH
Artikelnummer: EB-0607352105-2910211021
Netto: 3,94 € zzgl. MwSt.
zzgl. 6,90 € Versand (brutto)
einmalig pro Bestellung

Lieferzeit: 5 Werktage

Pos.
36
BOSCH Anschlagscheibe | Ersatzteile für 550 WATT-SERIE | 3600101008
Hersteller: BOSCH
Artikelnummer: EB-0607352105-3600101008
Netto: 3,94 € zzgl. MwSt.
zzgl. 6,90 € Versand (brutto)
einmalig pro Bestellung

Lieferzeit: 5 Werktage

Pos.
62
BOSCH Druckfeder | Ersatzteile für 550 WATT-SERIE | 2604611025
Hersteller: BOSCH
Artikelnummer: EB-0607352105-2604611025
Netto: 4,82 € zzgl. MwSt.
zzgl. 6,90 € Versand (brutto)
einmalig pro Bestellung

Lieferzeit: 5 Werktage

Pos.
66
BOSCH Kugel DIN 5401-3 MM-III-ST | Ersatzteile für 550 WATT-SERIE | 1903230004
Hersteller: BOSCH
Artikelnummer: EB-0607352105-1903230004
Netto: 4,32 € zzgl. MwSt.
zzgl. 6,90 € Versand (brutto)
einmalig pro Bestellung

Lieferzeit: 5 Werktage

Pos.
71
BOSCH O-Ring 15x2 MM | Ersatzteile für 550 WATT-SERIE | 1900210112
Hersteller: BOSCH
Artikelnummer: EB-0607352105-1900210112
Netto: 4,53 € zzgl. MwSt.
zzgl. 6,90 € Versand (brutto)
einmalig pro Bestellung

Lieferzeit: 5 Werktage

Pos.
95
BOSCH Typschild | Ersatzteile für 550 WATT-SERIE | 160111A3HF
Hersteller: BOSCH
Artikelnummer: EB-0607352105-160111A3HF
Netto: 5,19 € zzgl. MwSt.
zzgl. 6,90 € Versand (brutto)
einmalig pro Bestellung

Lieferzeit: 5 Werktage

Pos.
95
BOSCH Typschild 26x42 MM | Ersatzteile für 550 WATT-SERIE | 3601100001
Hersteller: BOSCH
Artikelnummer: EB-0607352105-3601100001
Netto: 4,32 € zzgl. MwSt.
zzgl. 6,90 € Versand (brutto)
einmalig pro Bestellung

Lieferzeit: 5 Werktage

Pos.
96
BOSCH Firmenschild | Ersatzteile für 550 WATT-SERIE | 3601119055
Hersteller: BOSCH
Artikelnummer: EB-0607352105-3601119055
Netto: 5,19 € zzgl. MwSt.
zzgl. 6,90 € Versand (brutto)
einmalig pro Bestellung

Lieferzeit: 5 Werktage

Pos.
99
BOSCH Hinweisschild | Ersatzteile für 550 WATT-SERIE | 3601119236
Hersteller: BOSCH
Artikelnummer: EB-0607352105-3601119236
Netto: 5,19 € zzgl. MwSt.
zzgl. 6,90 € Versand (brutto)
einmalig pro Bestellung

Lieferzeit: 5 Werktage

Pos.
650
BOSCH Schalldämpfer | Ersatzteile für 550 WATT-SERIE | 3607000073
Hersteller: BOSCH
Artikelnummer: EB-0607352105-3607000073
Netto: 15,75 € zzgl. MwSt.
zzgl. 6,90 € Versand (brutto)
einmalig pro Bestellung

Lieferzeit: 5 Werktage

Pos.
651
BOSCH Schutzhaube Ø 125 MM | Ersatzteile für 550 WATT-SERIE | 1605510155
Hersteller: BOSCH
Artikelnummer: EB-0607352105-1605510155
Netto: 42,86 € zzgl. MwSt.
zzgl. 6,90 € Versand (brutto)
einmalig pro Bestellung

Lieferzeit: 5 Werktage

Pos.
654/10
BOSCH Zusatzhandgriff M10, Ø32,5x105 MM | Ersatzteile für 550 WATT-SERIE | 2602025067
Hersteller: BOSCH
Artikelnummer: EB-0607352105-2602025067
nur Informationsartikel
Nie mehr lieferbar
keine Alternativen
Pos.
654/20
BOSCH Rundmutter M14 | Ersatzteile für 550 WATT-SERIE | 1603345043
Hersteller: BOSCH
Artikelnummer: EB-0607352105-1603345043
Netto: 8,33 € zzgl. MwSt.
zzgl. 6,90 € Versand (brutto)
einmalig pro Bestellung

Lieferzeit: 5 Werktage

Pos.
57
BOSCH Abdeckplatte | Ersatzteile für 550 WATT-SERIE | 3600591000
Hersteller: BOSCH
Artikelnummer: EB-0607352105-3600591000
nur Informationsartikel
Nie mehr lieferbar
keine Alternativen
Pos.
654/30
BOSCH Zweilochmutterndreher | Ersatzteile für 550 WATT-SERIE | 1607950052
Hersteller: BOSCH
Artikelnummer: EB-0607352105-1607950052
Netto: 5,19 € zzgl. MwSt.
zzgl. 6,90 € Versand (brutto)
einmalig pro Bestellung

Lieferzeit: 5 Werktage

Pos.
58
BOSCH Anschlussdeckel | Ersatzteile für 550 WATT-SERIE | 3605500032
Hersteller: BOSCH
Artikelnummer: EB-0607352105-3605500032
Netto: 8,33 € zzgl. MwSt.
zzgl. 6,90 € Versand (brutto)
einmalig pro Bestellung

Lieferzeit: 5 Werktage

Pos.
654/40
BOSCH Einmaulschlüssel SW17 | Ersatzteile für 550 WATT-SERIE | 2607950511
Hersteller: BOSCH
Artikelnummer: EB-0607352105-2607950511
Netto: 5,67 € zzgl. MwSt.
zzgl. 6,90 € Versand (brutto)
einmalig pro Bestellung

Lieferzeit: 12 Werktage

Pos.
59
BOSCH Anschlussstutzen | Ersatzteile für 550 WATT-SERIE | 3603462011
Hersteller: BOSCH
Artikelnummer: EB-0607352105-3603462011
Netto: 12,98 € zzgl. MwSt.
zzgl. 6,90 € Versand (brutto)
einmalig pro Bestellung

Lieferzeit: 5 Werktage

Pos.
654/50
BOSCH Aufnahmeflansch Ø22,3xØ42 MM | Ersatzteile für 550 WATT-SERIE | 2605703014
Hersteller: BOSCH
Artikelnummer: EB-0607352105-2605703014
nur Informationsartikel
Nie mehr lieferbar
keine Alternativen
Pos.
60
BOSCH Filtersieb | Ersatzteile für 550 WATT-SERIE | 3600002004
Hersteller: BOSCH
Artikelnummer: EB-0607352105-3600002004
Netto: 4,82 € zzgl. MwSt.
zzgl. 6,90 € Versand (brutto)
einmalig pro Bestellung

Lieferzeit: 5 Werktage

Pos.
654/50/20
BOSCH O-Ring 20,35x1,78 MM | Ersatzteile für 550 WATT-SERIE | 1600210039
Hersteller: BOSCH
Artikelnummer: EB-0607352105-1600210039
Netto: 4,32 € zzgl. MwSt.
zzgl. 6,90 € Versand (brutto)
einmalig pro Bestellung

Lieferzeit: 5 Werktage

Pos.
61
BOSCH O-Ring 6,0x2,0 MM | Ersatzteile für 550 WATT-SERIE | 3600210023
Hersteller: BOSCH
Artikelnummer: EB-0607352105-3600210023
Netto: 5,19 € zzgl. MwSt.
zzgl. 6,90 € Versand (brutto)
einmalig pro Bestellung

Lieferzeit: 5 Werktage

Pos.
804
BOSCH Ersatzteilgruppe 5 STUECK | Ersatzteile für 550 WATT-SERIE | 3607030260
Hersteller: BOSCH
Artikelnummer: EB-0607352105-3607030260
Netto: 19,18 € zzgl. MwSt.
zzgl. 6,90 € Versand (brutto)
einmalig pro Bestellung

Lieferzeit: 5 Werktage

Pos.
810
BOSCH Kolbenbaugruppe | Ersatzteile für 550 WATT-SERIE | 3607030494
Hersteller: BOSCH
Artikelnummer: EB-0607352105-3607030494
Netto: 12,98 € zzgl. MwSt.
zzgl. 6,90 € Versand (brutto)
einmalig pro Bestellung

Lieferzeit: 5 Werktage

Pos.
63
BOSCH Zylinderstift | Ersatzteile für 550 WATT-SERIE | 3604710054
Hersteller: BOSCH
Artikelnummer: EB-0607352105-3604710054
Netto: 4,82 € zzgl. MwSt.
zzgl. 6,90 € Versand (brutto)
einmalig pro Bestellung

Lieferzeit: 5 Werktage

Pos.
828
BOSCH Lagerflansch | Ersatzteile für 550 WATT-SERIE | 1607000936
Hersteller: BOSCH
Artikelnummer: EB-0607352105-1607000936
Netto: 24,13 € zzgl. MwSt.
zzgl. 6,90 € Versand (brutto)
einmalig pro Bestellung

Lieferzeit: 5 Werktage

Pos.
64
BOSCH O-Ring 5,94x3,53 MM | Ersatzteile für 550 WATT-SERIE | 3600210024
Hersteller: BOSCH
Artikelnummer: EB-0607352105-3600210024
Netto: 4,32 € zzgl. MwSt.
zzgl. 6,90 € Versand (brutto)
einmalig pro Bestellung

Lieferzeit: 5 Werktage

Pos.
65
BOSCH O-Ring 2,7x1,5 MM | Ersatzteile für 550 WATT-SERIE | 3600210025
Hersteller: BOSCH
Artikelnummer: EB-0607352105-3600210025
Netto: 4,32 € zzgl. MwSt.
zzgl. 6,90 € Versand (brutto)
einmalig pro Bestellung

Lieferzeit: 5 Werktage

Pos.
69
BOSCH Druckfeder | Ersatzteile für 550 WATT-SERIE | 3604610024
Hersteller: BOSCH
Artikelnummer: EB-0607352105-3604610024
Netto: 3,94 € zzgl. MwSt.
zzgl. 6,90 € Versand (brutto)
einmalig pro Bestellung

Lieferzeit: 5 Werktage

Pos.
76
BOSCH Blattfeder | Ersatzteile für 550 WATT-SERIE | 3604682002
Hersteller: BOSCH
Artikelnummer: EB-0607352105-3604682002
Netto: 9,18 € zzgl. MwSt.
zzgl. 6,90 € Versand (brutto)
einmalig pro Bestellung

Lieferzeit: 5 Werktage

Pos.
77
BOSCH Kippschalter | Ersatzteile für 550 WATT-SERIE | 3602033001
Hersteller: BOSCH
Artikelnummer: EB-0607352105-3602033001
Netto: 5,19 € zzgl. MwSt.
zzgl. 6,90 € Versand (brutto)
einmalig pro Bestellung

Lieferzeit: 5 Werktage

Pos.
91
BOSCH Schalldämpfer | Ersatzteile für 550 WATT-SERIE | 3601010001
Hersteller: BOSCH
Artikelnummer: EB-0607352105-3601010001
Netto: 4,32 € zzgl. MwSt.
zzgl. 6,90 € Versand (brutto)
einmalig pro Bestellung

Lieferzeit: 5 Werktage

Pos.
94
BOSCH Haltefeder | Ersatzteile für 550 WATT-SERIE | 3601250003
Hersteller: BOSCH
Artikelnummer: EB-0607352105-3601250003
Netto: 4,82 € zzgl. MwSt.
zzgl. 6,90 € Versand (brutto)
einmalig pro Bestellung

Lieferzeit: 5 Werktage

Pos.
652
BOSCH Schlauchstutzen | Ersatzteile für 550 WATT-SERIE | 3603386068
Hersteller: BOSCH
Artikelnummer: EB-0607352105-3603386068
Netto: 17,38 € zzgl. MwSt.
zzgl. 6,90 € Versand (brutto)
einmalig pro Bestellung

Lieferzeit: 5 Werktage

Pos.
842
BOSCH Getriebegehäuse | Ersatzteile für 550 WATT-SERIE | 3605806067
Hersteller: BOSCH
Artikelnummer: EB-0607352105-3605806067
Netto: 29,45 € zzgl. MwSt.
zzgl. 6,90 € Versand (brutto)
einmalig pro Bestellung

Lieferzeit: 5 Werktage

Angaben zur Produktsicherheit

Hersteller:
Robert Bosch Power Tools GmbH
Postfach 30 02 20
70442 Stuttgart

E-Mail:
kontakt@bosch.de