BOSCH Sichtfenster | Ersatzteile für 5650 | 2610920315

Artikelnummer: EB-F012565000-2610920315

Position: 56

Marke: BOSCH


Bitte Kompatibilität prüfen!

Bitte prüfen Sie unbedingt die 10-stellige Typennummer Ihrer Maschine / Ihres Gerätes. Das Ersatzteil ist nur kompatibel, wenn Sie die Typennummer Ihrer Maschine in der unten stehenden Produktbeschreibung finden.

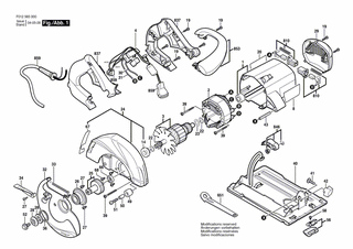
Bitte prüfen Sie ebenfalls detailliert die Explosionszeichnung mit Ihrem Artikelwunsch und der jeweiligen Pos-Nummer.

Alle Elemente, welche vom schwarzen Strich der Pos-Nummer ausgehend berührt / erfasst werden, gehören zu dieser Pos-Nummer und somit zu diesem Artikel. Jede Pos-Nummer ist ein eigenständiger Artikel, welchen Sie in der Auflistung finden.

Sie erhalten stets die aktuellste, neueste Produktversion zu der gewählten Pos-Nummer seitens des Herstellers. Es kann daher je nach Gerätealter vorkommen, dass Sie ggf. weitere, zugehörige Elemente, welche an diese Pos-Nummer grenzen, ebenfalls mittauschen müssen.

Nähere Informationen finden Sie unter dem Link
Hinweise zu Ihrer BOSCH Ersatzteilsuche

Preisübersicht

Einzelpreis: 1,83 €* (Brutto: 2,17 €)
Gesamtpreis: 1,83 €* 
Position:

Lieferzeit: 5 Werktage


Beschreibung

  • Sichtfenster
  • Original Bosch Zubehör / BOSCH Ersatzteil (2610920315)
  • im Gerät verbaut: 1
Dieses BOSCH Ersatzteil ist mit folgendem Gerät und Modell kompatibel:
  • BOSCH Gerätename: 5650
  • BOSCH Explosionszeichnung: Position 56
  • BOSCH Typennummer: F012565000
  • BOSCH Typennummer alternative Schreibweisen: F 012 565 000, F012 565 000, F.012.565.000, F-012-565-000
    Bitte prüfen Sie diese Typennummer auf Ihrem Gerät um die Kompatibilität des BOSCH Ersatzteils zu gewährleisten.
Weitere BOSCH Ersatzteile des Gerätes 5650 (Handkreissäge) mit der Typennummer F012565000 finden Sie in der nachfolgenden Darstellung und im Dropdown zu Ihrer Auswahl:

Pos.
1
BOSCH Gehäuse | Ersatzteile für 5650 | 2610912983
Hersteller: BOSCH
Artikelnummer: EB-F012565000-2610912983
Netto: 9,75 € zzgl. MwSt.
zzgl. 6,90 € Versand (brutto)
einmalig pro Bestellung

Lieferzeit: 5 Werktage

Pos.
2
BOSCH Polschuh 120V | Ersatzteile für 5650 | 2610341367
Hersteller: BOSCH
Artikelnummer: EB-F012565000-2610341367
Netto: 16,70 € zzgl. MwSt.
zzgl. 6,90 € Versand (brutto)
einmalig pro Bestellung

Lieferzeit: 5 Werktage

Pos.
3
BOSCH Anker 120V | Ersatzteile für 5650 | 2610341306
Hersteller: BOSCH
Artikelnummer: EB-F012565000-2610341306
nur Informationsartikel
Nie mehr lieferbar
keine Alternativen
Pos.
4
BOSCH Schalter | Ersatzteile für 5650 | 2610917325
Hersteller: BOSCH
Artikelnummer: EB-F012565000-2610917325
Netto: 10,62 € zzgl. MwSt.
zzgl. 6,90 € Versand (brutto)
einmalig pro Bestellung

Lieferzeit: 5 Werktage

Pos.
8
BOSCH Typschild | Ersatzteile für 5650 | 2610923964
Hersteller: BOSCH
Artikelnummer: EB-F012565000-2610923964
nur Informationsartikel
Nie mehr lieferbar
keine Alternativen
Pos.
14
BOSCH Lagerhülse | Ersatzteile für 5650 | 2610356680
Hersteller: BOSCH
Artikelnummer: EB-F012565000-2610356680
nur Informationsartikel
Nie mehr lieferbar
keine Alternativen
Pos.
19
BOSCH Schraube | Ersatzteile für 5650 | 1619P01505
Hersteller: BOSCH
Artikelnummer: EB-F012565000-1619P01505
nur Informationsartikel
Nie mehr lieferbar
keine Alternativen
Pos.
20
BOSCH Hinweisschild | Ersatzteile für 5650 | 2610913224
Hersteller: BOSCH
Artikelnummer: EB-F012565000-2610913224
nur Informationsartikel
Nie mehr lieferbar
keine Alternativen
Pos.
22
BOSCH Unterlegscheibe | Ersatzteile für 5650 | 2610313808
Hersteller: BOSCH
Artikelnummer: EB-F012565000-2610313808
nur Informationsartikel
Nie mehr lieferbar
keine Alternativen
Pos.
23
BOSCH Vorlegscheibe | Ersatzteile für 5650 | 2610341465
Hersteller: BOSCH
Artikelnummer: EB-F012565000-2610341465
Netto: 4,36 € zzgl. MwSt.
zzgl. 6,90 € Versand (brutto)
einmalig pro Bestellung

Lieferzeit: 5 Werktage

Pos.
24
BOSCH Schutzblech | Ersatzteile für 5650 | 2610921654
Hersteller: BOSCH
Artikelnummer: EB-F012565000-2610921654
nur Informationsartikel
Nie mehr lieferbar
keine Alternativen
Pos.
25
BOSCH Getriebewelle | Ersatzteile für 5650 | 2610903192
Hersteller: BOSCH
Artikelnummer: EB-F012565000-2610903192
nur Informationsartikel
Nie mehr lieferbar
keine Alternativen
Pos.
26
BOSCH Tragplatte | Ersatzteile für 5650 | 1619X01554
Hersteller: BOSCH
Artikelnummer: EB-F012565000-1619X01554
nur Informationsartikel
Nie mehr lieferbar
keine Alternativen
Pos.
27
BOSCH Kontaktschraube | Ersatzteile für 5650 | 1619X01786
Hersteller: BOSCH
Artikelnummer: EB-F012565000-1619X01786
nur Informationsartikel
Nie mehr lieferbar
keine Alternativen
Pos.
28
BOSCH Stützscheibe | Ersatzteile für 5650 | 2610341361
Hersteller: BOSCH
Artikelnummer: EB-F012565000-2610341361
nur Informationsartikel
Nie mehr lieferbar
keine Alternativen
Pos.
29
BOSCH Motorgehäuse | Ersatzteile für 5650 | 2610913232
Hersteller: BOSCH
Artikelnummer: EB-F012565000-2610913232
Netto: 3,60 € zzgl. MwSt.
zzgl. 6,90 € Versand (brutto)
einmalig pro Bestellung

Lieferzeit: 5 Werktage

Pos.
30
BOSCH Anschlusskabel 385 MM | Ersatzteile für 5650 | 2610341377
Hersteller: BOSCH
Artikelnummer: EB-F012565000-2610341377
nur Informationsartikel
Nie mehr lieferbar
keine Alternativen
Pos.
31
BOSCH Anschlusskabel | Ersatzteile für 5650 | 2610916885
Hersteller: BOSCH
Artikelnummer: EB-F012565000-2610916885
nur Informationsartikel
Nie mehr lieferbar
keine Alternativen
Pos.
32
BOSCH Schutzblech | Ersatzteile für 5650 | 2610916428
Hersteller: BOSCH
Artikelnummer: EB-F012565000-2610916428
nur Informationsartikel
Nie mehr lieferbar
keine Alternativen
Pos.
33
BOSCH Zugfeder | Ersatzteile für 5650 | 2610914057
Hersteller: BOSCH
Artikelnummer: EB-F012565000-2610914057
nur Informationsartikel
Nie mehr lieferbar
keine Alternativen
Pos.
34
BOSCH Hebel | Ersatzteile für 5650 | 2610924015
Hersteller: BOSCH
Artikelnummer: EB-F012565000-2610924015
nur Informationsartikel
Nie mehr lieferbar
keine Alternativen
Pos.
36
BOSCH Sicherungsring | Ersatzteile für 5650 | 2610341359
Hersteller: BOSCH
Artikelnummer: EB-F012565000-2610341359
nur Informationsartikel
Nie mehr lieferbar
keine Alternativen
Pos.
39
BOSCH Schraube | Ersatzteile für 5650 | 2610347103
Hersteller: BOSCH
Artikelnummer: EB-F012565000-2610347103
nur Informationsartikel
Nie mehr lieferbar
keine Alternativen
Pos.
40
BOSCH Fussplatte | Ersatzteile für 5650 | 1619X01143
Hersteller: BOSCH
Artikelnummer: EB-F012565000-1619X01143
nur Informationsartikel
Nie mehr lieferbar
keine Alternativen
Pos.
41
BOSCH Flachrundschraube | Ersatzteile für 5650 | 2610017262
Hersteller: BOSCH
Artikelnummer: EB-F012565000-2610017262
nur Informationsartikel
Nie mehr lieferbar
keine Alternativen
Pos.
42
BOSCH Knopfgriff | Ersatzteile für 5650 | 2610917567
Hersteller: BOSCH
Artikelnummer: EB-F012565000-2610917567
Netto: 7,66 € zzgl. MwSt.
zzgl. 6,90 € Versand (brutto)
einmalig pro Bestellung

Lieferzeit: 5 Werktage

Pos.
43
BOSCH Rollenbolzen | Ersatzteile für 5650 | 2610914058
Hersteller: BOSCH
Artikelnummer: EB-F012565000-2610914058
nur Informationsartikel
Nie mehr lieferbar
keine Alternativen
Pos.
49
BOSCH Anschlag | Ersatzteile für 5650 | 2610341394
Hersteller: BOSCH
Artikelnummer: EB-F012565000-2610341394
nur Informationsartikel
Nie mehr lieferbar
keine Alternativen
Pos.
50
BOSCH Abstandshalter | Ersatzteile für 5650 | 2610341366
Hersteller: BOSCH
Artikelnummer: EB-F012565000-2610341366
nur Informationsartikel
Nie mehr lieferbar
keine Alternativen
Pos.
51
BOSCH Schraube | Ersatzteile für 5650 | 2610347100
Hersteller: BOSCH
Artikelnummer: EB-F012565000-2610347100
nur Informationsartikel
Nie mehr lieferbar
keine Alternativen
Pos.
52
BOSCH Sechskantschraube | Ersatzteile für 5650 | 1619X00935
Hersteller: BOSCH
Artikelnummer: EB-F012565000-1619X00935
nur Informationsartikel
Nie mehr lieferbar
keine Alternativen
Pos.
56
BOSCH Sichtfenster | Ersatzteile für 5650 | 2610920315
Hersteller: BOSCH
Artikelnummer: EB-F012565000-2610920315
Netto: 1,83 € zzgl. MwSt.
zzgl. 6,90 € Versand (brutto)
einmalig pro Bestellung

Lieferzeit: 5 Werktage

Pos.
58
BOSCH Schraube | Ersatzteile für 5650 | 2610347488
Hersteller: BOSCH
Artikelnummer: EB-F012565000-2610347488
Netto: 3,94 € zzgl. MwSt.
zzgl. 6,90 € Versand (brutto)
einmalig pro Bestellung

Lieferzeit: 5 Werktage

Pos.
66
BOSCH Kugellager | Ersatzteile für 5650 | 1619P01511
Hersteller: BOSCH
Artikelnummer: EB-F012565000-1619P01511
Netto: 7,26 € zzgl. MwSt.
zzgl. 6,90 € Versand (brutto)
einmalig pro Bestellung

Lieferzeit: 5 Werktage

Pos.
67
BOSCH Etikett | Ersatzteile für 5650 | 2610913300
Hersteller: BOSCH
Artikelnummer: EB-F012565000-2610913300
nur Informationsartikel
Nie mehr lieferbar
keine Alternativen
Pos.
651
BOSCH Ringschlüssel | Ersatzteile für 5650 | 2610968670
Hersteller: BOSCH
Artikelnummer: EB-F012565000-2610968670
nur Informationsartikel
Nie mehr lieferbar
keine Alternativen
Pos.
810
BOSCH Kohlebürstensatz | Ersatzteile für 5650 | 2610993156
Hersteller: BOSCH
Artikelnummer: EB-F012565000-2610993156
Netto: 8,23 € zzgl. MwSt.
zzgl. 6,90 € Versand (brutto)
einmalig pro Bestellung

Lieferzeit: 5 Werktage

Pos.
837
BOSCH Handgriff-Set | Ersatzteile für 5650 | 2610914193
Hersteller: BOSCH
Artikelnummer: EB-F012565000-2610914193
nur Informationsartikel
Nie mehr lieferbar
keine Alternativen
Pos.
846
BOSCH Hebel | Ersatzteile für 5650 | 2610921181
Hersteller: BOSCH
Artikelnummer: EB-F012565000-2610921181
nur Informationsartikel
Nie mehr lieferbar
keine Alternativen
Pos.
853
BOSCH Handgriff | Ersatzteile für 5650 | 2610917578
Hersteller: BOSCH
Artikelnummer: EB-F012565000-2610917578
nur Informationsartikel
Nie mehr lieferbar
keine Alternativen
Pos.
859
BOSCH Ersatzteil | Ersatzteile für 5650 | 2610917062
Hersteller: BOSCH
Artikelnummer: EB-F012565000-2610917062
Netto: 14,03 € zzgl. MwSt.
zzgl. 6,90 € Versand (brutto)
einmalig pro Bestellung

Lieferzeit: 5 Werktage

Angaben zur Produktsicherheit

Hersteller:
Robert Bosch Power Tools GmbH
Postfach 30 02 20
70442 Stuttgart

E-Mail:
kontakt@bosch.de