BOSCH Spiralspannstift | Ersatzteile für 5660 TYPE 1 | 2610341332

Artikelnummer: EB-F012X66099-2610341332

Position: 52

Marke: BOSCH


Bitte Kompatibilität prüfen!

Bitte prüfen Sie unbedingt die 10-stellige Typennummer Ihrer Maschine / Ihres Gerätes. Das Ersatzteil ist nur kompatibel, wenn Sie die Typennummer Ihrer Maschine in der unten stehenden Produktbeschreibung finden.

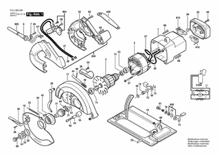
Bitte prüfen Sie ebenfalls detailliert die Explosionszeichnung mit Ihrem Artikelwunsch und der jeweiligen Pos-Nummer.

Alle Elemente, welche vom schwarzen Strich der Pos-Nummer ausgehend berührt / erfasst werden, gehören zu dieser Pos-Nummer und somit zu diesem Artikel. Jede Pos-Nummer ist ein eigenständiger Artikel, welchen Sie in der Auflistung finden.

Sie erhalten stets die aktuellste, neueste Produktversion zu der gewählten Pos-Nummer seitens des Herstellers. Es kann daher je nach Gerätealter vorkommen, dass Sie ggf. weitere, zugehörige Elemente, welche an diese Pos-Nummer grenzen, ebenfalls mittauschen müssen.

Nähere Informationen finden Sie unter dem Link
Hinweise zu Ihrer BOSCH Ersatzteilsuche

Preisübersicht

Einzelpreis: 4,32 €* (Brutto: 5,14 €)
Gesamtpreis: 4,32 €* 
Position:

Lieferzeit: 5 Werktage


Beschreibung

  • Spiralspannstift
  • Original Bosch Zubehör / BOSCH Ersatzteil (2610341332)
  • im Gerät verbaut: 1
Dieses BOSCH Ersatzteil ist mit folgendem Gerät und Modell kompatibel:
  • BOSCH Gerätename: 5660 TYPE 1
  • BOSCH Explosionszeichnung: Position 52
  • BOSCH Typennummer: F012X66099
  • BOSCH Typennummer alternative Schreibweisen: F 012 X66 099, F012 X66 099, F.012.X66.099, F-012-X66-099
    Bitte prüfen Sie diese Typennummer auf Ihrem Gerät um die Kompatibilität des BOSCH Ersatzteils zu gewährleisten.
Weitere BOSCH Ersatzteile des Gerätes 5660 TYPE 1 (Handkreissäge) mit der Typennummer F012X66099 finden Sie in der nachfolgenden Darstellung und im Dropdown zu Ihrer Auswahl:

Pos.
1
BOSCH Gehäuse | Ersatzteile für 5660 TYPE 1 | 2610905307
Hersteller: BOSCH
Artikelnummer: EB-F012X66099-2610905307
Netto: 11,92 € zzgl. MwSt.
zzgl. 6,90 € Versand (brutto)
einmalig pro Bestellung

Lieferzeit: 5 Werktage

Pos.
5/1
BOSCH Anschlussklemme | Ersatzteile für 5660 TYPE 1 | 2610316596
Hersteller: BOSCH
Artikelnummer: EB-F012X66099-2610316596
nur Informationsartikel
Nie mehr lieferbar
keine Alternativen
Pos.
2
BOSCH Polschuh 120V | Ersatzteile für 5660 TYPE 1 | 1619P01570
Hersteller: BOSCH
Artikelnummer: EB-F012X66099-1619P01570
Netto: 35,77 € zzgl. MwSt.
zzgl. 6,90 € Versand (brutto)
einmalig pro Bestellung

Lieferzeit: 5 Werktage

Pos.
3
BOSCH Anker 120V | Ersatzteile für 5660 TYPE 1 | 2610350734
Hersteller: BOSCH
Artikelnummer: EB-F012X66099-2610350734
nur Informationsartikel
Nie mehr lieferbar
keine Alternativen
Pos.
6
BOSCH Tülle | Ersatzteile für 5660 TYPE 1 | 2610313327
Hersteller: BOSCH
Artikelnummer: EB-F012X66099-2610313327
nur Informationsartikel
Nie mehr lieferbar
keine Alternativen
Pos.
7
BOSCH Leitungshalter | Ersatzteile für 5660 TYPE 1 | 2610364033
Hersteller: BOSCH
Artikelnummer: EB-F012X66099-2610364033
Netto: 4,53 € zzgl. MwSt.
zzgl. 6,90 € Versand (brutto)
einmalig pro Bestellung

Lieferzeit: 5 Werktage

Pos.
13
BOSCH Rillenkugellager | Ersatzteile für 5660 TYPE 1 | 2610017348
Hersteller: BOSCH
Artikelnummer: EB-F012X66099-2610017348
nur Informationsartikel
Nie mehr lieferbar
keine Alternativen
Pos.
14
BOSCH Rillenkugellager | Ersatzteile für 5660 TYPE 1 | 2610350311
Hersteller: BOSCH
Artikelnummer: EB-F012X66099-2610350311
Netto: 10,92 € zzgl. MwSt.
zzgl. 6,90 € Versand (brutto)
einmalig pro Bestellung

Lieferzeit: 5 Werktage

Pos.
17
BOSCH Abdeckhaube | Ersatzteile für 5660 TYPE 1 | 2610350720
Hersteller: BOSCH
Artikelnummer: EB-F012X66099-2610350720
nur Informationsartikel
Nie mehr lieferbar
keine Alternativen
Pos.
18
BOSCH Schutzhaube | Ersatzteile für 5660 TYPE 1 | 2610350729
Hersteller: BOSCH
Artikelnummer: EB-F012X66099-2610350729
Netto: 26,88 € zzgl. MwSt.
zzgl. 6,90 € Versand (brutto)
einmalig pro Bestellung

Lieferzeit: 5 Werktage

Pos.
19
BOSCH Montagesockel | Ersatzteile für 5660 TYPE 1 | 2610350691
Hersteller: BOSCH
Artikelnummer: EB-F012X66099-2610350691
nur Informationsartikel
Nie mehr lieferbar
keine Alternativen
Pos.
20
BOSCH Schwinge | Ersatzteile für 5660 TYPE 1 | 2610354607
Hersteller: BOSCH
Artikelnummer: EB-F012X66099-2610354607
nur Informationsartikel
Nie mehr lieferbar
keine Alternativen
Pos.
21
BOSCH Zahnradwelle | Ersatzteile für 5660 TYPE 1 | 2610355586
Hersteller: BOSCH
Artikelnummer: EB-F012X66099-2610355586
Netto: 24,13 € zzgl. MwSt.
zzgl. 6,90 € Versand (brutto)
einmalig pro Bestellung

Lieferzeit: 5 Werktage

Pos.
23
BOSCH Flansch 5/8" | Ersatzteile für 5660 TYPE 1 | 2610350668
Hersteller: BOSCH
Artikelnummer: EB-F012X66099-2610350668
Netto: 7,76 € zzgl. MwSt.
zzgl. 6,90 € Versand (brutto)
einmalig pro Bestellung

Lieferzeit: 5 Werktage

Pos.
24
BOSCH Scheibe | Ersatzteile für 5660 TYPE 1 | 1619X00934
Hersteller: BOSCH
Artikelnummer: EB-F012X66099-1619X00934
nur Informationsartikel
Nie mehr lieferbar
keine Alternativen
Pos.
25
BOSCH Verschlussdeckel | Ersatzteile für 5660 TYPE 1 | 2610905311
Hersteller: BOSCH
Artikelnummer: EB-F012X66099-2610905311
nur Informationsartikel
Nie mehr lieferbar
keine Alternativen
Pos.
26
BOSCH Hebel | Ersatzteile für 5660 TYPE 1 | 2610905334
Hersteller: BOSCH
Artikelnummer: EB-F012X66099-2610905334
nur Informationsartikel
Nie mehr lieferbar
keine Alternativen
Pos.
27
BOSCH Elektr Leitung | Ersatzteile für 5660 TYPE 1 | 2610038934
Hersteller: BOSCH
Artikelnummer: EB-F012X66099-2610038934
Netto: 4,53 € zzgl. MwSt.
zzgl. 6,90 € Versand (brutto)
einmalig pro Bestellung

Lieferzeit: 5 Werktage

Pos.
28
BOSCH Elektr Leitung | Ersatzteile für 5660 TYPE 1 | 2610038935
Hersteller: BOSCH
Artikelnummer: EB-F012X66099-2610038935
Netto: 4,53 € zzgl. MwSt.
zzgl. 6,90 € Versand (brutto)
einmalig pro Bestellung

Lieferzeit: 5 Werktage

Pos.
31
BOSCH Kugellager | Ersatzteile für 5660 TYPE 1 | 1619P01511
Hersteller: BOSCH
Artikelnummer: EB-F012X66099-1619P01511
Netto: 7,30 € zzgl. MwSt.
zzgl. 6,90 € Versand (brutto)
einmalig pro Bestellung

Lieferzeit: 5 Werktage

Pos.
32
BOSCH Schlüssel | Ersatzteile für 5660 TYPE 1 | 2610351201
Hersteller: BOSCH
Artikelnummer: EB-F012X66099-2610351201
Netto: 9,95 € zzgl. MwSt.
zzgl. 6,90 € Versand (brutto)
einmalig pro Bestellung

Lieferzeit: 5 Werktage

Pos.
33
BOSCH Zugfeder | Ersatzteile für 5660 TYPE 1 | 2610351246
Hersteller: BOSCH
Artikelnummer: EB-F012X66099-2610351246
nur Informationsartikel
Nie mehr lieferbar
keine Alternativen
Pos.
34
BOSCH Abstandshalter | Ersatzteile für 5660 TYPE 1 | 2610341366
Hersteller: BOSCH
Artikelnummer: EB-F012X66099-2610341366
nur Informationsartikel
Nie mehr lieferbar
keine Alternativen
Pos.
35
BOSCH Anschlag | Ersatzteile für 5660 TYPE 1 | 2610341394
Hersteller: BOSCH
Artikelnummer: EB-F012X66099-2610341394
nur Informationsartikel
Nie mehr lieferbar
keine Alternativen
Pos.
36
BOSCH Sicherungsring | Ersatzteile für 5660 TYPE 1 | 2610341359
Hersteller: BOSCH
Artikelnummer: EB-F012X66099-2610341359
nur Informationsartikel
Nie mehr lieferbar
keine Alternativen
Pos.
38
BOSCH Gummipuffer | Ersatzteile für 5660 TYPE 1 | 2610350655
Hersteller: BOSCH
Artikelnummer: EB-F012X66099-2610350655
Netto: 3,94 € zzgl. MwSt.
zzgl. 6,90 € Versand (brutto)
einmalig pro Bestellung

Lieferzeit: 5 Werktage

Pos.
39
BOSCH Hebel | Ersatzteile für 5660 TYPE 1 | 2610351898
Hersteller: BOSCH
Artikelnummer: EB-F012X66099-2610351898
nur Informationsartikel
Nie mehr lieferbar
keine Alternativen
Pos.
42
BOSCH Lagerdeckel | Ersatzteile für 5660 TYPE 1 | 2610350678
Hersteller: BOSCH
Artikelnummer: EB-F012X66099-2610350678
Netto: 16,70 € zzgl. MwSt.
zzgl. 6,90 € Versand (brutto)
einmalig pro Bestellung

Lieferzeit: 5 Werktage

Pos.
43
BOSCH Gummiring | Ersatzteile für 5660 TYPE 1 | 1619P01127
Hersteller: BOSCH
Artikelnummer: EB-F012X66099-1619P01127
Netto: 3,63 € zzgl. MwSt.
zzgl. 6,90 € Versand (brutto)
einmalig pro Bestellung

Lieferzeit: 5 Werktage

Pos.
44
BOSCH Verschlussbolzen | Ersatzteile für 5660 TYPE 1 | 2610351295
Hersteller: BOSCH
Artikelnummer: EB-F012X66099-2610351295
Netto: 9,18 € zzgl. MwSt.
zzgl. 6,90 € Versand (brutto)
einmalig pro Bestellung

Lieferzeit: 5 Werktage

Pos.
48
BOSCH Scheibe | Ersatzteile für 5660 TYPE 1 | 1619X00942
Hersteller: BOSCH
Artikelnummer: EB-F012X66099-1619X00942
Netto: 3,63 € zzgl. MwSt.
zzgl. 6,90 € Versand (brutto)
einmalig pro Bestellung

Lieferzeit: 5 Werktage

Pos.
49
BOSCH Feder | Ersatzteile für 5660 TYPE 1 | 2610350667
Hersteller: BOSCH
Artikelnummer: EB-F012X66099-2610350667
Netto: 4,32 € zzgl. MwSt.
zzgl. 6,90 € Versand (brutto)
einmalig pro Bestellung

Lieferzeit: 5 Werktage

Pos.
50
BOSCH Hebel | Ersatzteile für 5660 TYPE 1 | 2610350665
Hersteller: BOSCH
Artikelnummer: EB-F012X66099-2610350665
Netto: 4,76 € zzgl. MwSt.
zzgl. 6,90 € Versand (brutto)
einmalig pro Bestellung

Lieferzeit: 5 Werktage

Pos.
52
BOSCH Spiralspannstift | Ersatzteile für 5660 TYPE 1 | 2610341332
Hersteller: BOSCH
Artikelnummer: EB-F012X66099-2610341332
Netto: 4,32 € zzgl. MwSt.
zzgl. 6,90 € Versand (brutto)
einmalig pro Bestellung

Lieferzeit: 5 Werktage

Pos.
53
BOSCH Sicherungsring | Ersatzteile für 5660 TYPE 1 | 2610350683
Hersteller: BOSCH
Artikelnummer: EB-F012X66099-2610350683
Netto: 4,32 € zzgl. MwSt.
zzgl. 6,90 € Versand (brutto)
einmalig pro Bestellung

Lieferzeit: 5 Werktage

Pos.
55
BOSCH Schraube ROT | Ersatzteile für 5660 TYPE 1 | 2610354611
Hersteller: BOSCH
Artikelnummer: EB-F012X66099-2610354611
nur Informationsartikel
Nie mehr lieferbar
keine Alternativen
Pos.
56
BOSCH Schraube | Ersatzteile für 5660 TYPE 1 | 2610328924
Hersteller: BOSCH
Artikelnummer: EB-F012X66099-2610328924
nur Informationsartikel
Nie mehr lieferbar
keine Alternativen
Pos.
57
BOSCH Schraube | Ersatzteile für 5660 TYPE 1 | 1619P01508
Hersteller: BOSCH
Artikelnummer: EB-F012X66099-1619P01508
Netto: 3,63 € zzgl. MwSt.
zzgl. 6,90 € Versand (brutto)
einmalig pro Bestellung

Lieferzeit: 5 Werktage

Pos.
58
BOSCH Schraube | Ersatzteile für 5660 TYPE 1 | 2610901971
Hersteller: BOSCH
Artikelnummer: EB-F012X66099-2610901971
nur Informationsartikel
Nie mehr lieferbar
keine Alternativen
Pos.
59
BOSCH Schraube | Ersatzteile für 5660 TYPE 1 | 1619X00504
Hersteller: BOSCH
Artikelnummer: EB-F012X66099-1619X00504
Netto: 3,63 € zzgl. MwSt.
zzgl. 6,90 € Versand (brutto)
einmalig pro Bestellung

Lieferzeit: 5 Werktage

Pos.
60
BOSCH Brause | Ersatzteile für 5660 TYPE 1 | 2610353049
Hersteller: BOSCH
Artikelnummer: EB-F012X66099-2610353049
nur Informationsartikel
Nie mehr lieferbar
keine Alternativen
Pos.
61
BOSCH Flachrundschraube | Ersatzteile für 5660 TYPE 1 | 2610017262
Hersteller: BOSCH
Artikelnummer: EB-F012X66099-2610017262
nur Informationsartikel
Nie mehr lieferbar
keine Alternativen
Pos.
62
BOSCH Schraube | Ersatzteile für 5660 TYPE 1 | 2610347100
Hersteller: BOSCH
Artikelnummer: EB-F012X66099-2610347100
nur Informationsartikel
Nie mehr lieferbar
keine Alternativen
Pos.
63
BOSCH Schraube | Ersatzteile für 5660 TYPE 1 | 1619P01505
Hersteller: BOSCH
Artikelnummer: EB-F012X66099-1619P01505
nur Informationsartikel
Nie mehr lieferbar
keine Alternativen
Pos.
64
BOSCH Kontaktschraube | Ersatzteile für 5660 TYPE 1 | 1619X01786
Hersteller: BOSCH
Artikelnummer: EB-F012X66099-1619X01786
nur Informationsartikel
Nie mehr lieferbar
keine Alternativen
Pos.
66
BOSCH Spannstift | Ersatzteile für 5660 TYPE 1 | 2610020656
Hersteller: BOSCH
Artikelnummer: EB-F012X66099-2610020656
Netto: 4,32 € zzgl. MwSt.
zzgl. 6,90 € Versand (brutto)
einmalig pro Bestellung

Lieferzeit: 5 Werktage

Pos.
68
BOSCH Schraube | Ersatzteile für 5660 TYPE 1 | 2610341335
Hersteller: BOSCH
Artikelnummer: EB-F012X66099-2610341335
Netto: 4,32 € zzgl. MwSt.
zzgl. 6,90 € Versand (brutto)
einmalig pro Bestellung

Lieferzeit: 5 Werktage

Pos.
72
BOSCH Rundmutter | Ersatzteile für 5660 TYPE 1 | 2610901988
Hersteller: BOSCH
Artikelnummer: EB-F012X66099-2610901988
Netto: 4,53 € zzgl. MwSt.
zzgl. 6,90 € Versand (brutto)
einmalig pro Bestellung

Lieferzeit: 5 Werktage

Pos.
73
BOSCH Federscheibe | Ersatzteile für 5660 TYPE 1 | 2610069183
Hersteller: BOSCH
Artikelnummer: EB-F012X66099-2610069183
Netto: 3,60 € zzgl. MwSt.
zzgl. 6,90 € Versand (brutto)
einmalig pro Bestellung

Lieferzeit: 5 Werktage

Pos.
74
BOSCH Sicherungsring | Ersatzteile für 5660 TYPE 1 | 2610341354
Hersteller: BOSCH
Artikelnummer: EB-F012X66099-2610341354
Netto: 4,32 € zzgl. MwSt.
zzgl. 6,90 € Versand (brutto)
einmalig pro Bestellung

Lieferzeit: 5 Werktage

Pos.
78
BOSCH Vorlegscheibe | Ersatzteile für 5660 TYPE 1 | 1619P01535
Hersteller: BOSCH
Artikelnummer: EB-F012X66099-1619P01535
Netto: 3,63 € zzgl. MwSt.
zzgl. 6,90 € Versand (brutto)
einmalig pro Bestellung

Lieferzeit: 5 Werktage

Pos.
80
BOSCH Schraube | Ersatzteile für 5660 TYPE 1 | 2610350698
Hersteller: BOSCH
Artikelnummer: EB-F012X66099-2610350698
Netto: 3,63 € zzgl. MwSt.
zzgl. 6,90 € Versand (brutto)
einmalig pro Bestellung

Lieferzeit: 5 Werktage

Pos.
804
BOSCH Ein/Aus-Schalter | Ersatzteile für 5660 TYPE 1 | 2610321608
Hersteller: BOSCH
Artikelnummer: EB-F012X66099-2610321608
nur Informationsartikel
Nie mehr lieferbar
keine Alternativen
Pos.
805
BOSCH Netzanschlussleitung | Ersatzteile für 5660 TYPE 1 | 2610904118
Hersteller: BOSCH
Artikelnummer: EB-F012X66099-2610904118
nur Informationsartikel
Nie mehr lieferbar
keine Alternativen
Pos.
810
BOSCH Bürstenhalter | Ersatzteile für 5660 TYPE 1 | 2610355594
Hersteller: BOSCH
Artikelnummer: EB-F012X66099-2610355594
nur Informationsartikel
Nie mehr lieferbar
keine Alternativen
Pos.
829
BOSCH Handgriff | Ersatzteile für 5660 TYPE 1 | 2610902880
Hersteller: BOSCH
Artikelnummer: EB-F012X66099-2610902880
Netto: 14,36 € zzgl. MwSt.
zzgl. 6,90 € Versand (brutto)
einmalig pro Bestellung

Lieferzeit: 5 Werktage

Pos.
840
BOSCH Hebel | Ersatzteile für 5660 TYPE 1 | 2610901989
Hersteller: BOSCH
Artikelnummer: EB-F012X66099-2610901989
Netto: 4,82 € zzgl. MwSt.
zzgl. 6,90 € Versand (brutto)
einmalig pro Bestellung

Lieferzeit: 5 Werktage

Angaben zur Produktsicherheit

Hersteller:
Robert Bosch Power Tools GmbH
Postfach 30 02 20
70442 Stuttgart

E-Mail:
kontakt@bosch.de