BOSCH Schraube | Ersatzteile für 5666 U1 | 1619X00504

Artikelnummer: EB-F0155666C1-1619X00504

Position: 69

Marke: BOSCH


Bitte Kompatibilität prüfen!

Bitte prüfen Sie unbedingt die 10-stellige Typennummer Ihrer Maschine / Ihres Gerätes. Das Ersatzteil ist nur kompatibel, wenn Sie die Typennummer Ihrer Maschine in der unten stehenden Produktbeschreibung finden.

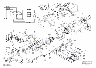
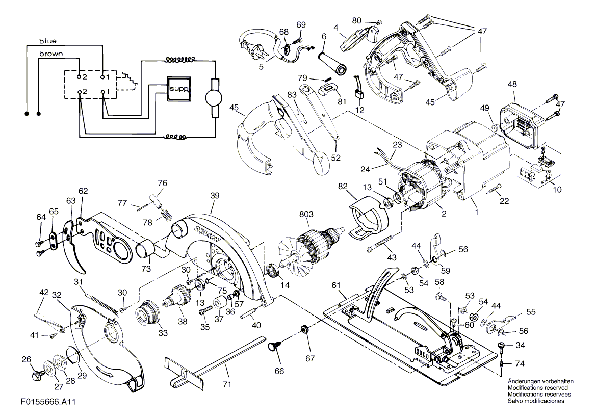
Bitte prüfen Sie ebenfalls detailliert die Explosionszeichnung mit Ihrem Artikelwunsch und der jeweiligen Pos-Nummer.

Alle Elemente, welche vom schwarzen Strich der Pos-Nummer ausgehend berührt / erfasst werden, gehören zu dieser Pos-Nummer und somit zu diesem Artikel. Jede Pos-Nummer ist ein eigenständiger Artikel, welchen Sie in der Auflistung finden.

Sie erhalten stets die aktuellste, neueste Produktversion zu der gewählten Pos-Nummer seitens des Herstellers. Es kann daher je nach Gerätealter vorkommen, dass Sie ggf. weitere, zugehörige Elemente, welche an diese Pos-Nummer grenzen, ebenfalls mittauschen müssen.

Nähere Informationen finden Sie unter dem Link
Hinweise zu Ihrer BOSCH Ersatzteilsuche

Preisübersicht

Einzelpreis: 3,63 €* (Brutto: 4,32 €)
Gesamtpreis: 3,63 €* 
Position:

Lieferzeit: 5 Werktage


Beschreibung

  • Schraube
  • Original Bosch Zubehör / BOSCH Ersatzteil (1619X00504)
  • im Gerät verbaut: 1
Dieses BOSCH Ersatzteil ist mit folgendem Gerät und Modell kompatibel:
  • BOSCH Gerätename: 5666 U1
  • BOSCH Explosionszeichnung: Position 69
  • BOSCH Typennummer: F0155666C1
  • BOSCH Typennummer alternative Schreibweisen: F 015 566 6C1, F015 566 6C1, F.015.566.6C1, F-015-566-6C1
    Bitte prüfen Sie diese Typennummer auf Ihrem Gerät um die Kompatibilität des BOSCH Ersatzteils zu gewährleisten.
Weitere BOSCH Ersatzteile des Gerätes 5666 U1 (Handkreissäge) mit der Typennummer F0155666C1 finden Sie in der nachfolgenden Darstellung und im Dropdown zu Ihrer Auswahl:

Pos.
1
BOSCH Gehäuse | Ersatzteile für 5666 U1 | 2610905307
Hersteller: BOSCH
Artikelnummer: EB-F0155666C1-2610905307
Netto: 11,92 € zzgl. MwSt.
zzgl. 6,90 € Versand (brutto)
einmalig pro Bestellung

Lieferzeit: 5 Werktage

Pos.
2
BOSCH Polschuh 230-240V | Ersatzteile für 5666 U1 | 2610910184
Hersteller: BOSCH
Artikelnummer: EB-F0155666C1-2610910184
nur Informationsartikel
Nie mehr lieferbar
keine Alternativen
Pos.
4
BOSCH Ein/Aus-Schalter | Ersatzteile für 5666 U1 | 2610321608
Hersteller: BOSCH
Artikelnummer: EB-F0155666C1-2610321608
nur Informationsartikel
Nie mehr lieferbar
keine Alternativen
Pos.
5
BOSCH Netzanschlussleitung CH 4,15m 2 x 1,0mm HO7 RN-F | Ersatzteile für 5666 U1 | 2610383569
Hersteller: BOSCH
Artikelnummer: EB-F0155666C1-2610383569
Netto: 14,08 € zzgl. MwSt.
zzgl. 6,90 € Versand (brutto)
einmalig pro Bestellung

Lieferzeit: 5 Werktage

Pos.
6
BOSCH Tülle | Ersatzteile für 5666 U1 | 2610062520
Hersteller: BOSCH
Artikelnummer: EB-F0155666C1-2610062520
Netto: 3,60 € zzgl. MwSt.
zzgl. 6,90 € Versand (brutto)
einmalig pro Bestellung

Lieferzeit: 5 Werktage

Pos.
10
BOSCH Kohlebürstensatz | Ersatzteile für 5666 U1 | 2610993249
Hersteller: BOSCH
Artikelnummer: EB-F0155666C1-2610993249
nur Informationsartikel
Nie mehr lieferbar
keine Alternativen
Pos.
12
BOSCH Schutz | Ersatzteile für 5666 U1 | 2610371301
Hersteller: BOSCH
Artikelnummer: EB-F0155666C1-2610371301
nur Informationsartikel
Nie mehr lieferbar
keine Alternativen
Pos.
13
BOSCH Rillenkugellager 8x22x7 | Ersatzteile für 5666 U1 | 2600905052
Hersteller: BOSCH
Artikelnummer: EB-F0155666C1-2600905052
Netto: 7,76 € zzgl. MwSt.
zzgl. 6,90 € Versand (brutto)
einmalig pro Bestellung

Lieferzeit: 5 Werktage

Pos.
14
BOSCH Rillenkugellager | Ersatzteile für 5666 U1 | 2610350311
Hersteller: BOSCH
Artikelnummer: EB-F0155666C1-2610350311
Netto: 10,92 € zzgl. MwSt.
zzgl. 6,90 € Versand (brutto)
einmalig pro Bestellung

Lieferzeit: 5 Werktage

Pos.
22
BOSCH Schraube | Ersatzteile für 5666 U1 | 2610341335
Hersteller: BOSCH
Artikelnummer: EB-F0155666C1-2610341335
Netto: 4,32 € zzgl. MwSt.
zzgl. 6,90 € Versand (brutto)
einmalig pro Bestellung

Lieferzeit: 5 Werktage

Pos.
23
BOSCH Elektr Leitung | Ersatzteile für 5666 U1 | 2610038934
Hersteller: BOSCH
Artikelnummer: EB-F0155666C1-2610038934
Netto: 4,53 € zzgl. MwSt.
zzgl. 6,90 € Versand (brutto)
einmalig pro Bestellung

Lieferzeit: 5 Werktage

Pos.
24
BOSCH Elektr Leitung | Ersatzteile für 5666 U1 | 2610038935
Hersteller: BOSCH
Artikelnummer: EB-F0155666C1-2610038935
Netto: 4,53 € zzgl. MwSt.
zzgl. 6,90 € Versand (brutto)
einmalig pro Bestellung

Lieferzeit: 5 Werktage

Pos.
26
BOSCH Sechskantschraube | Ersatzteile für 5666 U1 | 1619X00935
Hersteller: BOSCH
Artikelnummer: EB-F0155666C1-1619X00935
nur Informationsartikel
Nie mehr lieferbar
keine Alternativen
Pos.
27
BOSCH Flansch | Ersatzteile für 5666 U1 | 2610347672
Hersteller: BOSCH
Artikelnummer: EB-F0155666C1-2610347672
nur Informationsartikel
Nie mehr lieferbar
keine Alternativen
Pos.
28
BOSCH Stützscheibe | Ersatzteile für 5666 U1 | 2610341361
Hersteller: BOSCH
Artikelnummer: EB-F0155666C1-2610341361
nur Informationsartikel
Nie mehr lieferbar
keine Alternativen
Pos.
29
BOSCH Sicherungsring | Ersatzteile für 5666 U1 | 2610341359
Hersteller: BOSCH
Artikelnummer: EB-F0155666C1-2610341359
nur Informationsartikel
Nie mehr lieferbar
keine Alternativen
Pos.
30
BOSCH Kontaktschraube | Ersatzteile für 5666 U1 | 1619X01786
Hersteller: BOSCH
Artikelnummer: EB-F0155666C1-1619X01786
nur Informationsartikel
Nie mehr lieferbar
keine Alternativen
Pos.
31
BOSCH Feder | Ersatzteile für 5666 U1 | 2610350670
Hersteller: BOSCH
Artikelnummer: EB-F0155666C1-2610350670
nur Informationsartikel
Nie mehr lieferbar
keine Alternativen
Pos.
32
BOSCH Schutz | Ersatzteile für 5666 U1 | 2610990170
Hersteller: BOSCH
Artikelnummer: EB-F0155666C1-2610990170
nur Informationsartikel
Nie mehr lieferbar
keine Alternativen
Pos.
33
BOSCH Tragplatte | Ersatzteile für 5666 U1 | 1619X01554
Hersteller: BOSCH
Artikelnummer: EB-F0155666C1-1619X01554
nur Informationsartikel
Nie mehr lieferbar
keine Alternativen
Pos.
34
BOSCH Schraube | Ersatzteile für 5666 U1 | 2610018260
Hersteller: BOSCH
Artikelnummer: EB-F0155666C1-2610018260
nur Informationsartikel
Nie mehr lieferbar
keine Alternativen
Pos.
35
BOSCH Schraube | Ersatzteile für 5666 U1 | 2610347100
Hersteller: BOSCH
Artikelnummer: EB-F0155666C1-2610347100
nur Informationsartikel
Nie mehr lieferbar
keine Alternativen
Pos.
36
BOSCH Abstandshalter | Ersatzteile für 5666 U1 | 2610341366
Hersteller: BOSCH
Artikelnummer: EB-F0155666C1-2610341366
nur Informationsartikel
Nie mehr lieferbar
keine Alternativen
Pos.
37
BOSCH Anschlag | Ersatzteile für 5666 U1 | 2610341394
Hersteller: BOSCH
Artikelnummer: EB-F0155666C1-2610341394
nur Informationsartikel
Nie mehr lieferbar
keine Alternativen
Pos.
38
BOSCH Getriebewelle | Ersatzteile für 5666 U1 | 2610902896
Hersteller: BOSCH
Artikelnummer: EB-F0155666C1-2610902896
Netto: 26,88 € zzgl. MwSt.
zzgl. 6,90 € Versand (brutto)
einmalig pro Bestellung

Lieferzeit: 5 Werktage

Pos.
39
BOSCH Gehäuse | Ersatzteile für 5666 U1 | 2610902887
Hersteller: BOSCH
Artikelnummer: EB-F0155666C1-2610902887
nur Informationsartikel
Nie mehr lieferbar
keine Alternativen
Pos.
40
BOSCH Spiralspannstift | Ersatzteile für 5666 U1 | 2610341332
Hersteller: BOSCH
Artikelnummer: EB-F0155666C1-2610341332
Netto: 4,32 € zzgl. MwSt.
zzgl. 6,90 € Versand (brutto)
einmalig pro Bestellung

Lieferzeit: 5 Werktage

Pos.
41
BOSCH Schraube | Ersatzteile für 5666 U1 | 2610328924
Hersteller: BOSCH
Artikelnummer: EB-F0155666C1-2610328924
nur Informationsartikel
Nie mehr lieferbar
keine Alternativen
Pos.
42
BOSCH Hebel | Ersatzteile für 5666 U1 | 2610901997
Hersteller: BOSCH
Artikelnummer: EB-F0155666C1-2610901997
Netto: 3,60 € zzgl. MwSt.
zzgl. 6,90 € Versand (brutto)
einmalig pro Bestellung

Lieferzeit: 5 Werktage

Pos.
43
BOSCH Schraube | Ersatzteile für 5666 U1 | 1619P01508
Hersteller: BOSCH
Artikelnummer: EB-F0155666C1-1619P01508
Netto: 3,63 € zzgl. MwSt.
zzgl. 6,90 € Versand (brutto)
einmalig pro Bestellung

Lieferzeit: 5 Werktage

Pos.
44
BOSCH Federscheibe | Ersatzteile für 5666 U1 | 2610069183
Hersteller: BOSCH
Artikelnummer: EB-F0155666C1-2610069183
Netto: 3,60 € zzgl. MwSt.
zzgl. 6,90 € Versand (brutto)
einmalig pro Bestellung

Lieferzeit: 5 Werktage

Pos.
45
BOSCH Handgriff-Set | Ersatzteile für 5666 U1 | 2610968669
Hersteller: BOSCH
Artikelnummer: EB-F0155666C1-2610968669
nur Informationsartikel
Nie mehr lieferbar
keine Alternativen
Pos.
47
BOSCH Schraube | Ersatzteile für 5666 U1 | 1619P01505
Hersteller: BOSCH
Artikelnummer: EB-F0155666C1-1619P01505
nur Informationsartikel
Nie mehr lieferbar
keine Alternativen
Pos.
48
BOSCH Verschlussdeckel | Ersatzteile für 5666 U1 | 2610341255
Hersteller: BOSCH
Artikelnummer: EB-F0155666C1-2610341255
nur Informationsartikel
Nie mehr lieferbar
keine Alternativen
Pos.
49
BOSCH Stütze | Ersatzteile für 5666 U1 | 2610354653
Hersteller: BOSCH
Artikelnummer: EB-F0155666C1-2610354653
nur Informationsartikel
Nie mehr lieferbar
keine Alternativen
Pos.
51
BOSCH Gummiring | Ersatzteile für 5666 U1 | 1619P01127
Hersteller: BOSCH
Artikelnummer: EB-F0155666C1-1619P01127
Netto: 3,63 € zzgl. MwSt.
zzgl. 6,90 € Versand (brutto)
einmalig pro Bestellung

Lieferzeit: 5 Werktage

Pos.
52
BOSCH Schlüssel | Ersatzteile für 5666 U1 | 2610902879
Hersteller: BOSCH
Artikelnummer: EB-F0155666C1-2610902879
nur Informationsartikel
Nie mehr lieferbar
keine Alternativen
Pos.
53
BOSCH Scheibe | Ersatzteile für 5666 U1 | 1619X00942
Hersteller: BOSCH
Artikelnummer: EB-F0155666C1-1619X00942
Netto: 3,63 € zzgl. MwSt.
zzgl. 6,90 € Versand (brutto)
einmalig pro Bestellung

Lieferzeit: 5 Werktage

Pos.
54
BOSCH Rundmutter | Ersatzteile für 5666 U1 | 2610901988
Hersteller: BOSCH
Artikelnummer: EB-F0155666C1-2610901988
Netto: 4,53 € zzgl. MwSt.
zzgl. 6,90 € Versand (brutto)
einmalig pro Bestellung

Lieferzeit: 5 Werktage

Pos.
55
BOSCH Hebel | Ersatzteile für 5666 U1 | 2610901987
Hersteller: BOSCH
Artikelnummer: EB-F0155666C1-2610901987
Netto: 4,53 € zzgl. MwSt.
zzgl. 6,90 € Versand (brutto)
einmalig pro Bestellung

Lieferzeit: 5 Werktage

Pos.
56
BOSCH Sicherungsring | Ersatzteile für 5666 U1 | 2610341354
Hersteller: BOSCH
Artikelnummer: EB-F0155666C1-2610341354
Netto: 4,32 € zzgl. MwSt.
zzgl. 6,90 € Versand (brutto)
einmalig pro Bestellung

Lieferzeit: 5 Werktage

Pos.
57
BOSCH Vorlegscheibe | Ersatzteile für 5666 U1 | 1619P01535
Hersteller: BOSCH
Artikelnummer: EB-F0155666C1-1619P01535
Netto: 3,63 € zzgl. MwSt.
zzgl. 6,90 € Versand (brutto)
einmalig pro Bestellung

Lieferzeit: 5 Werktage

Pos.
58
BOSCH Laufbolzen | Ersatzteile für 5666 U1 | 1619P01539
Hersteller: BOSCH
Artikelnummer: EB-F0155666C1-1619P01539
Netto: 3,63 € zzgl. MwSt.
zzgl. 6,90 € Versand (brutto)
einmalig pro Bestellung

Lieferzeit: 5 Werktage

Pos.
59
BOSCH Hebel | Ersatzteile für 5666 U1 | 2610352097
Hersteller: BOSCH
Artikelnummer: EB-F0155666C1-2610352097
nur Informationsartikel
Nie mehr lieferbar
keine Alternativen
Pos.
60
BOSCH Schraube | Ersatzteile für 5666 U1 | 2610350698
Hersteller: BOSCH
Artikelnummer: EB-F0155666C1-2610350698
Netto: 3,63 € zzgl. MwSt.
zzgl. 6,90 € Versand (brutto)
einmalig pro Bestellung

Lieferzeit: 5 Werktage

Pos.
61
BOSCH Fuss | Ersatzteile für 5666 U1 | 2610902890
Hersteller: BOSCH
Artikelnummer: EB-F0155666C1-2610902890
nur Informationsartikel
Nie mehr lieferbar
keine Alternativen
Pos.
62
BOSCH Stütze | Ersatzteile für 5666 U1 | 2610341293
Hersteller: BOSCH
Artikelnummer: EB-F0155666C1-2610341293
nur Informationsartikel
Nie mehr lieferbar
keine Alternativen
Pos.
63
BOSCH Spaltkeil | Ersatzteile für 5666 U1 | 2610354871
Hersteller: BOSCH
Artikelnummer: EB-F0155666C1-2610354871
nur Informationsartikel
Nie mehr lieferbar
keine Alternativen
Pos.
64
BOSCH Schraube | Ersatzteile für 5666 U1 | 2610353948
Hersteller: BOSCH
Artikelnummer: EB-F0155666C1-2610353948
Netto: 3,94 € zzgl. MwSt.
zzgl. 6,90 € Versand (brutto)
einmalig pro Bestellung

Lieferzeit: 5 Werktage

Pos.
65
BOSCH Platte | Ersatzteile für 5666 U1 | 2610341341
Hersteller: BOSCH
Artikelnummer: EB-F0155666C1-2610341341
nur Informationsartikel
Nie mehr lieferbar
keine Alternativen
Pos.
66
BOSCH Bolzen | Ersatzteile für 5666 U1 | 2610357546
Hersteller: BOSCH
Artikelnummer: EB-F0155666C1-2610357546
Netto: 3,60 € zzgl. MwSt.
zzgl. 6,90 € Versand (brutto)
einmalig pro Bestellung

Lieferzeit: 5 Werktage

Pos.
67
BOSCH Scheibe | Ersatzteile für 5666 U1 | 2610341362
Hersteller: BOSCH
Artikelnummer: EB-F0155666C1-2610341362
Netto: 3,60 € zzgl. MwSt.
zzgl. 6,90 € Versand (brutto)
einmalig pro Bestellung

Lieferzeit: 5 Werktage

Pos.
68
BOSCH Leitungshalter | Ersatzteile für 5666 U1 | 2610364033
Hersteller: BOSCH
Artikelnummer: EB-F0155666C1-2610364033
Netto: 4,53 € zzgl. MwSt.
zzgl. 6,90 € Versand (brutto)
einmalig pro Bestellung

Lieferzeit: 5 Werktage

Pos.
69
BOSCH Schraube | Ersatzteile für 5666 U1 | 1619X00504
Hersteller: BOSCH
Artikelnummer: EB-F0155666C1-1619X00504
Netto: 3,63 € zzgl. MwSt.
zzgl. 6,90 € Versand (brutto)
einmalig pro Bestellung

Lieferzeit: 5 Werktage

Pos.
71
BOSCH Seitenführung | Ersatzteile für 5666 U1 | 2610025341
Hersteller: BOSCH
Artikelnummer: EB-F0155666C1-2610025341
Netto: 14,36 € zzgl. MwSt.
zzgl. 6,90 € Versand (brutto)
einmalig pro Bestellung

Lieferzeit: 5 Werktage

Pos.
73
BOSCH Distanzscheibe | Ersatzteile für 5666 U1 | 2610355596
Hersteller: BOSCH
Artikelnummer: EB-F0155666C1-2610355596
nur Informationsartikel
Nie mehr lieferbar
keine Alternativen
Pos.
74
BOSCH Feder | Ersatzteile für 5666 U1 | 2610018199
Hersteller: BOSCH
Artikelnummer: EB-F0155666C1-2610018199
nur Informationsartikel
Nie mehr lieferbar
keine Alternativen
Pos.
75
BOSCH Sicherungsring | Ersatzteile für 5666 U1 | 2610350683
Hersteller: BOSCH
Artikelnummer: EB-F0155666C1-2610350683
Netto: 4,32 € zzgl. MwSt.
zzgl. 6,90 € Versand (brutto)
einmalig pro Bestellung

Lieferzeit: 5 Werktage

Pos.
76
BOSCH Verschlussbolzen | Ersatzteile für 5666 U1 | 2610351295
Hersteller: BOSCH
Artikelnummer: EB-F0155666C1-2610351295
Netto: 9,18 € zzgl. MwSt.
zzgl. 6,90 € Versand (brutto)
einmalig pro Bestellung

Lieferzeit: 5 Werktage

Pos.
77
BOSCH Spannstift | Ersatzteile für 5666 U1 | 2610020656
Hersteller: BOSCH
Artikelnummer: EB-F0155666C1-2610020656
Netto: 4,32 € zzgl. MwSt.
zzgl. 6,90 € Versand (brutto)
einmalig pro Bestellung

Lieferzeit: 5 Werktage

Pos.
78
BOSCH Feder | Ersatzteile für 5666 U1 | 2610350667
Hersteller: BOSCH
Artikelnummer: EB-F0155666C1-2610350667
Netto: 4,32 € zzgl. MwSt.
zzgl. 6,90 € Versand (brutto)
einmalig pro Bestellung

Lieferzeit: 5 Werktage

Pos.
79
BOSCH Druckfeder | Ersatzteile für 5666 U1 | 1619P01530
Hersteller: BOSCH
Artikelnummer: EB-F0155666C1-1619P01530
Netto: 3,63 € zzgl. MwSt.
zzgl. 6,90 € Versand (brutto)
einmalig pro Bestellung

Lieferzeit: 5 Werktage

Pos.
80
BOSCH Schraube | Ersatzteile für 5666 U1 | 2610901971
Hersteller: BOSCH
Artikelnummer: EB-F0155666C1-2610901971
nur Informationsartikel
Nie mehr lieferbar
keine Alternativen
Pos.
81
BOSCH Knopf | Ersatzteile für 5666 U1 | 2610908352
Hersteller: BOSCH
Artikelnummer: EB-F0155666C1-2610908352
nur Informationsartikel
Nie mehr lieferbar
keine Alternativen
Pos.
82
BOSCH Deckel | Ersatzteile für 5666 U1 | 2610908358
Hersteller: BOSCH
Artikelnummer: EB-F0155666C1-2610908358
nur Informationsartikel
Nie mehr lieferbar
keine Alternativen
Pos.
83
BOSCH Klemme | Ersatzteile für 5666 U1 | 2610350663
Hersteller: BOSCH
Artikelnummer: EB-F0155666C1-2610350663
nur Informationsartikel
Nie mehr lieferbar
keine Alternativen
Pos.
803
BOSCH Anker 230-240V | Ersatzteile für 5666 U1 | 2610908375
Hersteller: BOSCH
Artikelnummer: EB-F0155666C1-2610908375
nur Informationsartikel
Nie mehr lieferbar
keine Alternativen

Angaben zur Produktsicherheit

Hersteller:
Robert Bosch Power Tools GmbH
Postfach 30 02 20
70442 Stuttgart

E-Mail:
kontakt@bosch.de