BOSCH Rillenkugellager 8x22x7 | Ersatzteile für 5751 | 2600905052

Artikelnummer: EB-F015575103-2600905052

Position: 13

Marke: BOSCH


Bitte Kompatibilität prüfen!

Bitte prüfen Sie unbedingt die 10-stellige Typennummer Ihrer Maschine / Ihres Gerätes. Das Ersatzteil ist nur kompatibel, wenn Sie die Typennummer Ihrer Maschine in der unten stehenden Produktbeschreibung finden.

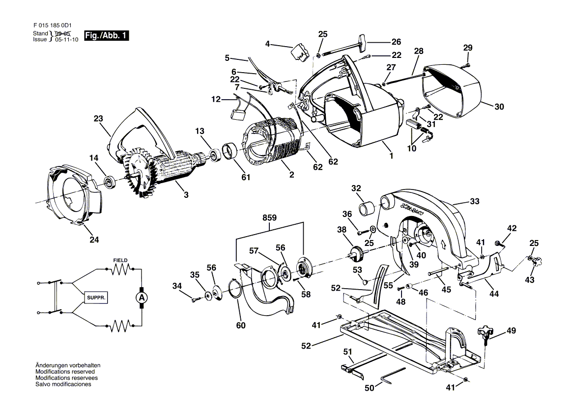
Bitte prüfen Sie ebenfalls detailliert die Explosionszeichnung mit Ihrem Artikelwunsch und der jeweiligen Pos-Nummer.

Alle Elemente, welche vom schwarzen Strich der Pos-Nummer ausgehend berührt / erfasst werden, gehören zu dieser Pos-Nummer und somit zu diesem Artikel. Jede Pos-Nummer ist ein eigenständiger Artikel, welchen Sie in der Auflistung finden.

Sie erhalten stets die aktuellste, neueste Produktversion zu der gewählten Pos-Nummer seitens des Herstellers. Es kann daher je nach Gerätealter vorkommen, dass Sie ggf. weitere, zugehörige Elemente, welche an diese Pos-Nummer grenzen, ebenfalls mittauschen müssen.

Nähere Informationen finden Sie unter dem Link
Hinweise zu Ihrer BOSCH Ersatzteilsuche

Preisübersicht

Einzelpreis: 7,76 €* (Brutto: 9,23 €)
Gesamtpreis: 7,76 €* 
Position:

Lieferzeit: 5 Werktage


Beschreibung

  • Rillenkugellager 8x22x7
  • Original Bosch Zubehör / BOSCH Ersatzteil (2600905052)
  • im Gerät verbaut: 1
Dieses BOSCH Ersatzteil ist mit folgendem Gerät und Modell kompatibel:
  • BOSCH Gerätename: 5751
  • BOSCH Explosionszeichnung: Position 13
  • BOSCH Typennummer: F015575103
  • BOSCH Typennummer alternative Schreibweisen: F 015 575 103, F015 575 103, F.015.575.103, F-015-575-103
    Bitte prüfen Sie diese Typennummer auf Ihrem Gerät um die Kompatibilität des BOSCH Ersatzteils zu gewährleisten.
Weitere BOSCH Ersatzteile des Gerätes 5751 (Handkreissäge) mit der Typennummer F015575103 finden Sie in der nachfolgenden Darstellung und im Dropdown zu Ihrer Auswahl:

Pos.
1
BOSCH Gehäuse | Ersatzteile für 5751 | 2610386881
Hersteller: BOSCH
Artikelnummer: EB-F015575103-2610386881
nur Informationsartikel
Nie mehr lieferbar
keine Alternativen
Pos.
2
BOSCH Polschuh 230V | Ersatzteile für 5751 | 2610386882
Hersteller: BOSCH
Artikelnummer: EB-F015575103-2610386882
nur Informationsartikel
Nie mehr lieferbar
keine Alternativen
Pos.
3
BOSCH Anker 230-240V | Ersatzteile für 5751 | 2610372834
Hersteller: BOSCH
Artikelnummer: EB-F015575103-2610372834
nur Informationsartikel
Nie mehr lieferbar
keine Alternativen
Pos.
4
BOSCH Schalter ROT | Ersatzteile für 5751 | 2610390838
Hersteller: BOSCH
Artikelnummer: EB-F015575103-2610390838
nur Informationsartikel
Nie mehr lieferbar
keine Alternativen
Pos.
5
BOSCH Netzanschlussleitung CH 2,75m 2 x 1,0mm H05 VV-F | Ersatzteile für 5751 | 2610371799
Hersteller: BOSCH
Artikelnummer: EB-F015575103-2610371799
nur Informationsartikel
Nie mehr lieferbar
keine Alternativen
Pos.
6
BOSCH Kabeltülle | Ersatzteile für 5751 | 2610372883
Hersteller: BOSCH
Artikelnummer: EB-F015575103-2610372883
nur Informationsartikel
Nie mehr lieferbar
keine Alternativen
Pos.
7
BOSCH Kabelschelle | Ersatzteile für 5751 | 2610372855
Hersteller: BOSCH
Artikelnummer: EB-F015575103-2610372855
nur Informationsartikel
Nie mehr lieferbar
keine Alternativen
Pos.
10
BOSCH Bürstenhalter | Ersatzteile für 5751 | 2610372853
Hersteller: BOSCH
Artikelnummer: EB-F015575103-2610372853
nur Informationsartikel
Nie mehr lieferbar
keine Alternativen
Pos.
12
BOSCH Entstörkondensator | Ersatzteile für 5751 | 2610386884
Hersteller: BOSCH
Artikelnummer: EB-F015575103-2610386884
nur Informationsartikel
Nie mehr lieferbar
keine Alternativen
Pos.
13
BOSCH Rillenkugellager 8x22x7 | Ersatzteile für 5751 | 2600905052
Hersteller: BOSCH
Artikelnummer: EB-F015575103-2600905052
Netto: 7,66 € zzgl. MwSt.
zzgl. 6,90 € Versand (brutto)
einmalig pro Bestellung

Lieferzeit: 5 Werktage

Pos.
14
BOSCH Kugellager | Ersatzteile für 5751 | 2610931244
Hersteller: BOSCH
Artikelnummer: EB-F015575103-2610931244
Netto: 8,23 € zzgl. MwSt.
zzgl. 6,90 € Versand (brutto)
einmalig pro Bestellung

Lieferzeit: 5 Werktage

Pos.
22
BOSCH Schraube | Ersatzteile für 5751 | 2610367909
Hersteller: BOSCH
Artikelnummer: EB-F015575103-2610367909
nur Informationsartikel
Nie mehr lieferbar
keine Alternativen
Pos.
23
BOSCH Deckel | Ersatzteile für 5751 | 2610372822
Hersteller: BOSCH
Artikelnummer: EB-F015575103-2610372822
nur Informationsartikel
Nie mehr lieferbar
keine Alternativen
Pos.
24
BOSCH Luftleitblech | Ersatzteile für 5751 | 2610372836
Hersteller: BOSCH
Artikelnummer: EB-F015575103-2610372836
nur Informationsartikel
Nie mehr lieferbar
keine Alternativen
Pos.
25
BOSCH Scheibe | Ersatzteile für 5751 | 2610060362
Hersteller: BOSCH
Artikelnummer: EB-F015575103-2610060362
nur Informationsartikel
Nie mehr lieferbar
keine Alternativen
Pos.
26
BOSCH Mutter ROT | Ersatzteile für 5751 | 2610390840
Hersteller: BOSCH
Artikelnummer: EB-F015575103-2610390840
nur Informationsartikel
Nie mehr lieferbar
keine Alternativen
Pos.
27
BOSCH Scheibe | Ersatzteile für 5751 | 2610371805
Hersteller: BOSCH
Artikelnummer: EB-F015575103-2610371805
Netto: 3,95 € zzgl. MwSt.
zzgl. 6,90 € Versand (brutto)
einmalig pro Bestellung

Lieferzeit: 5 Werktage

Pos.
28
BOSCH Schraube | Ersatzteile für 5751 | 2610362137
Hersteller: BOSCH
Artikelnummer: EB-F015575103-2610362137
nur Informationsartikel
Nie mehr lieferbar
keine Alternativen
Pos.
29
BOSCH Schraube | Ersatzteile für 5751 | 2610367838
Hersteller: BOSCH
Artikelnummer: EB-F015575103-2610367838
nur Informationsartikel
Nie mehr lieferbar
keine Alternativen
Pos.
30
BOSCH Deckel | Ersatzteile für 5751 | 2610372825
Hersteller: BOSCH
Artikelnummer: EB-F015575103-2610372825
nur Informationsartikel
Nie mehr lieferbar
keine Alternativen
Pos.
31
BOSCH Klemme | Ersatzteile für 5751 | 2610372854
Hersteller: BOSCH
Artikelnummer: EB-F015575103-2610372854
nur Informationsartikel
Nie mehr lieferbar
keine Alternativen
Pos.
32
BOSCH Distanzscheibe | Ersatzteile für 5751 | 2610355596
Hersteller: BOSCH
Artikelnummer: EB-F015575103-2610355596
nur Informationsartikel
Nie mehr lieferbar
keine Alternativen
Pos.
33
BOSCH Schutzkappe | Ersatzteile für 5751 | 2610385320
Hersteller: BOSCH
Artikelnummer: EB-F015575103-2610385320
nur Informationsartikel
Nie mehr lieferbar
keine Alternativen
Pos.
34
BOSCH Schraube | Ersatzteile für 5751 | 2610372850
Hersteller: BOSCH
Artikelnummer: EB-F015575103-2610372850
nur Informationsartikel
Nie mehr lieferbar
keine Alternativen
Pos.
35
BOSCH Scheibe | Ersatzteile für 5751 | 2610393051
Hersteller: BOSCH
Artikelnummer: EB-F015575103-2610393051
nur Informationsartikel
Nie mehr lieferbar
keine Alternativen
Pos.
36
BOSCH Schraube | Ersatzteile für 5751 | 2610372857
Hersteller: BOSCH
Artikelnummer: EB-F015575103-2610372857
nur Informationsartikel
Nie mehr lieferbar
keine Alternativen
Pos.
38
BOSCH Zahnradsatz | Ersatzteile für 5751 | 2610372842
Hersteller: BOSCH
Artikelnummer: EB-F015575103-2610372842
nur Informationsartikel
Nie mehr lieferbar
keine Alternativen
Pos.
39
BOSCH Lager | Ersatzteile für 5751 | 2610372851
Hersteller: BOSCH
Artikelnummer: EB-F015575103-2610372851
nur Informationsartikel
Nie mehr lieferbar
keine Alternativen
Pos.
40
BOSCH Stift | Ersatzteile für 5751 | 2610372860
Hersteller: BOSCH
Artikelnummer: EB-F015575103-2610372860
nur Informationsartikel
Nie mehr lieferbar
keine Alternativen
Pos.
41
BOSCH Ring | Ersatzteile für 5751 | 2610360823
Hersteller: BOSCH
Artikelnummer: EB-F015575103-2610360823
nur Informationsartikel
Nie mehr lieferbar
keine Alternativen
Pos.
42
BOSCH Stützschraube | Ersatzteile für 5751 | 2609003647
Hersteller: BOSCH
Artikelnummer: EB-F015575103-2609003647
Netto: 3,94 € zzgl. MwSt.
zzgl. 6,90 € Versand (brutto)
einmalig pro Bestellung

Lieferzeit: 5 Werktage

Pos.
43
BOSCH Knopf | Ersatzteile für 5751 | 2610364395
Hersteller: BOSCH
Artikelnummer: EB-F015575103-2610364395
nur Informationsartikel
Nie mehr lieferbar
keine Alternativen
Pos.
44
BOSCH Gelenkteil | Ersatzteile für 5751 | 2610372841
Hersteller: BOSCH
Artikelnummer: EB-F015575103-2610372841
nur Informationsartikel
Nie mehr lieferbar
keine Alternativen
Pos.
45
BOSCH Stift | Ersatzteile für 5751 | 2610372846
Hersteller: BOSCH
Artikelnummer: EB-F015575103-2610372846
nur Informationsartikel
Nie mehr lieferbar
keine Alternativen
Pos.
46
BOSCH Puffer | Ersatzteile für 5751 | 2610372859
Hersteller: BOSCH
Artikelnummer: EB-F015575103-2610372859
nur Informationsartikel
Nie mehr lieferbar
keine Alternativen
Pos.
48
BOSCH Schraube | Ersatzteile für 5751 | 2610062425
Hersteller: BOSCH
Artikelnummer: EB-F015575103-2610062425
nur Informationsartikel
Nie mehr lieferbar
keine Alternativen
Pos.
49
BOSCH Schraube | Ersatzteile für 5751 | 2610361135
Hersteller: BOSCH
Artikelnummer: EB-F015575103-2610361135
nur Informationsartikel
Nie mehr lieferbar
keine Alternativen
Pos.
50
BOSCH Innensechskantschlüssel 5 MM | Ersatzteile für 5751 | 2610364015
Hersteller: BOSCH
Artikelnummer: EB-F015575103-2610364015
Netto: 5,17 € zzgl. MwSt.
zzgl. 6,90 € Versand (brutto)
einmalig pro Bestellung

Lieferzeit: 5 Werktage

Pos.
51
BOSCH Anschlag | Ersatzteile für 5751 | 2610372826
Hersteller: BOSCH
Artikelnummer: EB-F015575103-2610372826
nur Informationsartikel
Nie mehr lieferbar
keine Alternativen
Pos.
52
BOSCH Fuss | Ersatzteile für 5751 | 2610372833
Hersteller: BOSCH
Artikelnummer: EB-F015575103-2610372833
nur Informationsartikel
Nie mehr lieferbar
keine Alternativen
Pos.
53
BOSCH Mutter | Ersatzteile für 5751 | 2610372847
Hersteller: BOSCH
Artikelnummer: EB-F015575103-2610372847
nur Informationsartikel
Nie mehr lieferbar
keine Alternativen
Pos.
55
BOSCH Spaltkeil | Ersatzteile für 5751 | 2610372827
Hersteller: BOSCH
Artikelnummer: EB-F015575103-2610372827
nur Informationsartikel
Nie mehr lieferbar
keine Alternativen
Pos.
56
BOSCH Scheibe | Ersatzteile für 5751 | 2610372839
Hersteller: BOSCH
Artikelnummer: EB-F015575103-2610372839
nur Informationsartikel
Nie mehr lieferbar
keine Alternativen
Pos.
57
BOSCH Federnsatz | Ersatzteile für 5751 | 2610395719
Hersteller: BOSCH
Artikelnummer: EB-F015575103-2610395719
nur Informationsartikel
Nie mehr lieferbar
keine Alternativen
Pos.
58
BOSCH Schraube | Ersatzteile für 5751 | 2610364799
Hersteller: BOSCH
Artikelnummer: EB-F015575103-2610364799
nur Informationsartikel
Nie mehr lieferbar
keine Alternativen
Pos.
60
BOSCH Ring | Ersatzteile für 5751 | 2610372849
Hersteller: BOSCH
Artikelnummer: EB-F015575103-2610372849
nur Informationsartikel
Nie mehr lieferbar
keine Alternativen
Pos.
61
BOSCH Gummipuffer | Ersatzteile für 5751 | 2610386883
Hersteller: BOSCH
Artikelnummer: EB-F015575103-2610386883
nur Informationsartikel
Nie mehr lieferbar
keine Alternativen
Pos.
62
BOSCH Draht | Ersatzteile für 5751 | 2610386885
Hersteller: BOSCH
Artikelnummer: EB-F015575103-2610386885
nur Informationsartikel
Nie mehr lieferbar
keine Alternativen
Pos.
859
BOSCH Schutzhaube | Ersatzteile für 5751 | 2610395718
Hersteller: BOSCH
Artikelnummer: EB-F015575103-2610395718
nur Informationsartikel
Nie mehr lieferbar
keine Alternativen

Angaben zur Produktsicherheit

Hersteller:
Robert Bosch Power Tools GmbH
Postfach 30 02 20
70442 Stuttgart

E-Mail:
kontakt@bosch.de