BOSCH Leitungshalter | Ersatzteile für 5766 | 2610364033

Artikelnummer: EB-F012576646-2610364033

Position: 7

Marke: BOSCH


Bitte Kompatibilität prüfen!

Bitte prüfen Sie unbedingt die 10-stellige Typennummer Ihrer Maschine / Ihres Gerätes. Das Ersatzteil ist nur kompatibel, wenn Sie die Typennummer Ihrer Maschine in der unten stehenden Produktbeschreibung finden.

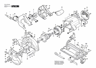
Bitte prüfen Sie ebenfalls detailliert die Explosionszeichnung mit Ihrem Artikelwunsch und der jeweiligen Pos-Nummer.

Alle Elemente, welche vom schwarzen Strich der Pos-Nummer ausgehend berührt / erfasst werden, gehören zu dieser Pos-Nummer und somit zu diesem Artikel. Jede Pos-Nummer ist ein eigenständiger Artikel, welchen Sie in der Auflistung finden.

Sie erhalten stets die aktuellste, neueste Produktversion zu der gewählten Pos-Nummer seitens des Herstellers. Es kann daher je nach Gerätealter vorkommen, dass Sie ggf. weitere, zugehörige Elemente, welche an diese Pos-Nummer grenzen, ebenfalls mittauschen müssen.

Nähere Informationen finden Sie unter dem Link
Hinweise zu Ihrer BOSCH Ersatzteilsuche

Preisübersicht

Einzelpreis: 4,56 €* (Brutto: 5,43 €)
Gesamtpreis: 4,56 €* 
Position:

Lieferzeit: 5 Werktage


Beschreibung

  • Leitungshalter
  • Original Bosch Zubehör / BOSCH Ersatzteil (2610364033)
  • im Gerät verbaut: 1
Dieses BOSCH Ersatzteil ist mit folgendem Gerät und Modell kompatibel:
  • BOSCH Gerätename: 5766
  • BOSCH Explosionszeichnung: Position 7
  • BOSCH Typennummer: F012576646
  • BOSCH Typennummer alternative Schreibweisen: F 012 576 646, F012 576 646, F.012.576.646, F-012-576-646
    Bitte prüfen Sie diese Typennummer auf Ihrem Gerät um die Kompatibilität des BOSCH Ersatzteils zu gewährleisten.
Weitere BOSCH Ersatzteile des Gerätes 5766 (Handkreissäge) mit der Typennummer F012576646 finden Sie in der nachfolgenden Darstellung und im Dropdown zu Ihrer Auswahl:

Pos.
1
BOSCH Gehäuse | Ersatzteile für 5766 | 2610914056
Hersteller: BOSCH
Artikelnummer: EB-F012576646-2610914056
Netto: 7,58 € zzgl. MwSt.
zzgl. 6,90 € Versand (brutto)
einmalig pro Bestellung

Lieferzeit: 5 Werktage

Pos.
2
BOSCH Polschuh 230V | Ersatzteile für 5766 | 2610917575
Hersteller: BOSCH
Artikelnummer: EB-F012576646-2610917575
nur Informationsartikel
Nie mehr lieferbar
keine Alternativen
Pos.
3
BOSCH Anker 230V | Ersatzteile für 5766 | 2610917576
Hersteller: BOSCH
Artikelnummer: EB-F012576646-2610917576
nur Informationsartikel
Nie mehr lieferbar
keine Alternativen
Pos.
4
BOSCH Ein/Aus-Schalter | Ersatzteile für 5766 | 2610920310
Hersteller: BOSCH
Artikelnummer: EB-F012576646-2610920310
nur Informationsartikel
Nie mehr lieferbar
keine Alternativen
Pos.
5
BOSCH Netzanschlussleitung GB 230V 2,65m 2 x 1,0mm H05 VV-F | Ersatzteile für 5766 | 2604460147
Hersteller: BOSCH
Artikelnummer: EB-F012576646-2604460147
Netto: 13,81 € zzgl. MwSt.
zzgl. 6,90 € Versand (brutto)
einmalig pro Bestellung

Lieferzeit: 5 Werktage

Pos.
6
BOSCH Tülle | Ersatzteile für 5766 | 2610907639
Hersteller: BOSCH
Artikelnummer: EB-F012576646-2610907639
nur Informationsartikel
Nie mehr lieferbar
keine Alternativen
Pos.
7
BOSCH Leitungshalter | Ersatzteile für 5766 | 2610364033
Hersteller: BOSCH
Artikelnummer: EB-F012576646-2610364033
Netto: 4,56 € zzgl. MwSt.
zzgl. 6,90 € Versand (brutto)
einmalig pro Bestellung

Lieferzeit: 5 Werktage

Pos.
8
BOSCH Typschild | Ersatzteile für 5766 | 2610917577
Hersteller: BOSCH
Artikelnummer: EB-F012576646-2610917577
nur Informationsartikel
Nie mehr lieferbar
keine Alternativen
Pos.
9
BOSCH Firmenschild | Ersatzteile für 5766 | 2610917588
Hersteller: BOSCH
Artikelnummer: EB-F012576646-2610917588
nur Informationsartikel
Nie mehr lieferbar
keine Alternativen
Pos.
12
BOSCH Entstörfilter | Ersatzteile für 5766 | 2610917620
Hersteller: BOSCH
Artikelnummer: EB-F012576646-2610917620
Netto: 5,17 € zzgl. MwSt.
zzgl. 6,90 € Versand (brutto)
einmalig pro Bestellung

Lieferzeit: 5 Werktage

Pos.
13
BOSCH Rillenkugellager | Ersatzteile für 5766 | 2610017348
Hersteller: BOSCH
Artikelnummer: EB-F012576646-2610017348
nur Informationsartikel
Nie mehr lieferbar
keine Alternativen
Pos.
14
BOSCH Rillenkugellager | Ersatzteile für 5766 | 2610350311
Hersteller: BOSCH
Artikelnummer: EB-F012576646-2610350311
Netto: 10,62 € zzgl. MwSt.
zzgl. 6,90 € Versand (brutto)
einmalig pro Bestellung

Lieferzeit: 5 Werktage

Pos.
19
BOSCH Schraube | Ersatzteile für 5766 | 1619P01505
Hersteller: BOSCH
Artikelnummer: EB-F012576646-1619P01505
nur Informationsartikel
Nie mehr lieferbar
keine Alternativen
Pos.
20
BOSCH Warnzettel | Ersatzteile für 5766 | 2610917589
Hersteller: BOSCH
Artikelnummer: EB-F012576646-2610917589
nur Informationsartikel
Nie mehr lieferbar
keine Alternativen
Pos.
26
BOSCH Tragplatte | Ersatzteile für 5766 | 1619X01554
Hersteller: BOSCH
Artikelnummer: EB-F012576646-1619X01554
nur Informationsartikel
Nie mehr lieferbar
keine Alternativen
Pos.
27
BOSCH Kontaktschraube | Ersatzteile für 5766 | 1619X01786
Hersteller: BOSCH
Artikelnummer: EB-F012576646-1619X01786
nur Informationsartikel
Nie mehr lieferbar
keine Alternativen
Pos.
28
BOSCH Stützscheibe | Ersatzteile für 5766 | 2610341361
Hersteller: BOSCH
Artikelnummer: EB-F012576646-2610341361
nur Informationsartikel
Nie mehr lieferbar
keine Alternativen
Pos.
29
BOSCH Gehäusedeckel | Ersatzteile für 5766 | 2610916204
Hersteller: BOSCH
Artikelnummer: EB-F012576646-2610916204
nur Informationsartikel
Nie mehr lieferbar
keine Alternativen
Pos.
30
BOSCH Anschlusskabel 385 MM | Ersatzteile für 5766 | 2610341377
Hersteller: BOSCH
Artikelnummer: EB-F012576646-2610341377
nur Informationsartikel
Nie mehr lieferbar
keine Alternativen
Pos.
31
BOSCH Anschlusskabel | Ersatzteile für 5766 | 2610916885
Hersteller: BOSCH
Artikelnummer: EB-F012576646-2610916885
nur Informationsartikel
Nie mehr lieferbar
keine Alternativen
Pos.
32
BOSCH Schutzunterteil | Ersatzteile für 5766 | 2610917562
Hersteller: BOSCH
Artikelnummer: EB-F012576646-2610917562
nur Informationsartikel
Nie mehr lieferbar
keine Alternativen
Pos.
33
BOSCH Zugfeder | Ersatzteile für 5766 | 2610914057
Hersteller: BOSCH
Artikelnummer: EB-F012576646-2610914057
nur Informationsartikel
Nie mehr lieferbar
keine Alternativen
Pos.
34
BOSCH Hebel | Ersatzteile für 5766 | 2610917563
Hersteller: BOSCH
Artikelnummer: EB-F012576646-2610917563
Netto: 5,17 € zzgl. MwSt.
zzgl. 6,90 € Versand (brutto)
einmalig pro Bestellung

Lieferzeit: 5 Werktage

Pos.
36
BOSCH Sicherungsring | Ersatzteile für 5766 | 2610341359
Hersteller: BOSCH
Artikelnummer: EB-F012576646-2610341359
nur Informationsartikel
Nie mehr lieferbar
keine Alternativen
Pos.
39
BOSCH Schraube | Ersatzteile für 5766 | 2610347103
Hersteller: BOSCH
Artikelnummer: EB-F012576646-2610347103
nur Informationsartikel
Nie mehr lieferbar
keine Alternativen
Pos.
41
BOSCH Flachrundschraube | Ersatzteile für 5766 | 2610017262
Hersteller: BOSCH
Artikelnummer: EB-F012576646-2610017262
nur Informationsartikel
Nie mehr lieferbar
keine Alternativen
Pos.
42
BOSCH Knopfgriff | Ersatzteile für 5766 | 2610917567
Hersteller: BOSCH
Artikelnummer: EB-F012576646-2610917567
Netto: 7,66 € zzgl. MwSt.
zzgl. 6,90 € Versand (brutto)
einmalig pro Bestellung

Lieferzeit: 5 Werktage

Pos.
43
BOSCH Rollenbolzen | Ersatzteile für 5766 | 2610914058
Hersteller: BOSCH
Artikelnummer: EB-F012576646-2610914058
nur Informationsartikel
Nie mehr lieferbar
keine Alternativen
Pos.
44
BOSCH Vorlegscheibe | Ersatzteile für 5766 | 1619P01535
Hersteller: BOSCH
Artikelnummer: EB-F012576646-1619P01535
Netto: 3,60 € zzgl. MwSt.
zzgl. 6,90 € Versand (brutto)
einmalig pro Bestellung

Lieferzeit: 5 Werktage

Pos.
48
BOSCH Flansch | Ersatzteile für 5766 | 2610347672
Hersteller: BOSCH
Artikelnummer: EB-F012576646-2610347672
nur Informationsartikel
Nie mehr lieferbar
keine Alternativen
Pos.
49
BOSCH Anschlag | Ersatzteile für 5766 | 2610341394
Hersteller: BOSCH
Artikelnummer: EB-F012576646-2610341394
nur Informationsartikel
Nie mehr lieferbar
keine Alternativen
Pos.
50
BOSCH Abstandshalter | Ersatzteile für 5766 | 2610341366
Hersteller: BOSCH
Artikelnummer: EB-F012576646-2610341366
nur Informationsartikel
Nie mehr lieferbar
keine Alternativen
Pos.
51
BOSCH Schraube | Ersatzteile für 5766 | 2610347100
Hersteller: BOSCH
Artikelnummer: EB-F012576646-2610347100
nur Informationsartikel
Nie mehr lieferbar
keine Alternativen
Pos.
52
BOSCH Sechskantschraube | Ersatzteile für 5766 | 1619X00935
Hersteller: BOSCH
Artikelnummer: EB-F012576646-1619X00935
nur Informationsartikel
Nie mehr lieferbar
keine Alternativen
Pos.
53
BOSCH Zusatzhandgriff | Ersatzteile für 5766 | 2610918674
Hersteller: BOSCH
Artikelnummer: EB-F012576646-2610918674
Netto: 12,50 € zzgl. MwSt.
zzgl. 6,90 € Versand (brutto)
einmalig pro Bestellung

Lieferzeit: 5 Werktage

Pos.
55
BOSCH Schraube | Ersatzteile für 5766 | 1619X00504
Hersteller: BOSCH
Artikelnummer: EB-F012576646-1619X00504
Netto: 3,60 € zzgl. MwSt.
zzgl. 6,90 € Versand (brutto)
einmalig pro Bestellung

Lieferzeit: 5 Werktage

Pos.
56
BOSCH Sichtfenster | Ersatzteile für 5766 | 2610920316
Hersteller: BOSCH
Artikelnummer: EB-F012576646-2610920316
nur Informationsartikel
Nie mehr lieferbar
keine Alternativen
Pos.
58
BOSCH Schraube | Ersatzteile für 5766 | 2610347488
Hersteller: BOSCH
Artikelnummer: EB-F012576646-2610347488
Netto: 3,94 € zzgl. MwSt.
zzgl. 6,90 € Versand (brutto)
einmalig pro Bestellung

Lieferzeit: 5 Werktage

Pos.
60
BOSCH Sperrstift | Ersatzteile für 5766 | 2610916860
Hersteller: BOSCH
Artikelnummer: EB-F012576646-2610916860
Netto: 3,94 € zzgl. MwSt.
zzgl. 6,90 € Versand (brutto)
einmalig pro Bestellung

Lieferzeit: 5 Werktage

Pos.
61
BOSCH Spannstift | Ersatzteile für 5766 | 2610020656
Hersteller: BOSCH
Artikelnummer: EB-F012576646-2610020656
Netto: 4,36 € zzgl. MwSt.
zzgl. 6,90 € Versand (brutto)
einmalig pro Bestellung

Lieferzeit: 5 Werktage

Pos.
62
BOSCH Feder | Ersatzteile für 5766 | 2610350667
Hersteller: BOSCH
Artikelnummer: EB-F012576646-2610350667
Netto: 4,36 € zzgl. MwSt.
zzgl. 6,90 € Versand (brutto)
einmalig pro Bestellung

Lieferzeit: 5 Werktage

Pos.
63
BOSCH Gummiring | Ersatzteile für 5766 | 1619P01127
Hersteller: BOSCH
Artikelnummer: EB-F012576646-1619P01127
Netto: 3,60 € zzgl. MwSt.
zzgl. 6,90 € Versand (brutto)
einmalig pro Bestellung

Lieferzeit: 5 Werktage

Pos.
64
BOSCH Sprengring | Ersatzteile für 5766 | 2610025684
Hersteller: BOSCH
Artikelnummer: EB-F012576646-2610025684
Netto: 3,94 € zzgl. MwSt.
zzgl. 6,90 € Versand (brutto)
einmalig pro Bestellung

Lieferzeit: 5 Werktage

Pos.
65
BOSCH Warnzettel | Ersatzteile für 5766 | 2610917611
Hersteller: BOSCH
Artikelnummer: EB-F012576646-2610917611
nur Informationsartikel
Nie mehr lieferbar
keine Alternativen
Pos.
66
BOSCH Kugellager | Ersatzteile für 5766 | 1619P01511
Hersteller: BOSCH
Artikelnummer: EB-F012576646-1619P01511
Netto: 7,26 € zzgl. MwSt.
zzgl. 6,90 € Versand (brutto)
einmalig pro Bestellung

Lieferzeit: 5 Werktage

Pos.
67
BOSCH Staubkasten | Ersatzteile für 5766 | 2610917598
Hersteller: BOSCH
Artikelnummer: EB-F012576646-2610917598
nur Informationsartikel
Nie mehr lieferbar
keine Alternativen
Pos.
68
BOSCH Staubkappe | Ersatzteile für 5766 | 2610917612
Hersteller: BOSCH
Artikelnummer: EB-F012576646-2610917612
nur Informationsartikel
Nie mehr lieferbar
keine Alternativen
Pos.
73
BOSCH Schraube | Ersatzteile für 5766 | 2610318720
Hersteller: BOSCH
Artikelnummer: EB-F012576646-2610318720
nur Informationsartikel
Nie mehr lieferbar
keine Alternativen
Pos.
74
BOSCH Ersatzteil | Ersatzteile für 5766 | 2610917557
Hersteller: BOSCH
Artikelnummer: EB-F012576646-2610917557
nur Informationsartikel
Nie mehr lieferbar
keine Alternativen
Pos.
651
BOSCH Ringschlüssel | Ersatzteile für 5766 | 2610341299
Hersteller: BOSCH
Artikelnummer: EB-F012576646-2610341299
Netto: 9,05 € zzgl. MwSt.
zzgl. 6,90 € Versand (brutto)
einmalig pro Bestellung

Lieferzeit: 5 Werktage

Pos.
653
BOSCH Längsanschlag | Ersatzteile für 5766 | 2608190002
Hersteller: BOSCH
Artikelnummer: EB-F012576646-2608190002
nur Informationsartikel
Nie mehr lieferbar
keine Alternativen
Pos.
654
BOSCH Knopfgriff | Ersatzteile für 5766 | 2610918689
Hersteller: BOSCH
Artikelnummer: EB-F012576646-2610918689
Netto: 7,26 € zzgl. MwSt.
zzgl. 6,90 € Versand (brutto)
einmalig pro Bestellung

Lieferzeit: 5 Werktage

Pos.
810
BOSCH Kohlebürstensatz | Ersatzteile für 5766 | 2610993157
Hersteller: BOSCH
Artikelnummer: EB-F012576646-2610993157
Netto: 12,50 € zzgl. MwSt.
zzgl. 6,90 € Versand (brutto)
einmalig pro Bestellung

Lieferzeit: 5 Werktage

Pos.
824
BOSCH Schutzhaube | Ersatzteile für 5766 | 2610918681
Hersteller: BOSCH
Artikelnummer: EB-F012576646-2610918681
nur Informationsartikel
Nie mehr lieferbar
keine Alternativen
Pos.
825
BOSCH Getriebewelle | Ersatzteile für 5766 | 2610918683
Hersteller: BOSCH
Artikelnummer: EB-F012576646-2610918683
nur Informationsartikel
Nie mehr lieferbar
keine Alternativen
Pos.
837
BOSCH Handgriff-Set | Ersatzteile für 5766 | 2610918677
Hersteller: BOSCH
Artikelnummer: EB-F012576646-2610918677
Netto: 12,50 € zzgl. MwSt.
zzgl. 6,90 € Versand (brutto)
einmalig pro Bestellung

Lieferzeit: 5 Werktage

Pos.
846
BOSCH Hebel | Ersatzteile für 5766 | 2610921182
Hersteller: BOSCH
Artikelnummer: EB-F012576646-2610921182
nur Informationsartikel
Nie mehr lieferbar
keine Alternativen
Pos.
869
BOSCH Fuss | Ersatzteile für 5766 | 2610918686
Hersteller: BOSCH
Artikelnummer: EB-F012576646-2610918686
nur Informationsartikel
Nie mehr lieferbar
keine Alternativen

Angaben zur Produktsicherheit

Hersteller:
Robert Bosch Power Tools GmbH
Postfach 30 02 20
70442 Stuttgart

E-Mail:
kontakt@bosch.de