BOSCH Innensechskantschlüssel 5 MM | Ersatzteile für 5855 | 2610364015

Artikelnummer: EB-F015585502-2610364015

Position: 50

Marke: BOSCH


Bitte Kompatibilität prüfen!

Bitte prüfen Sie unbedingt die 10-stellige Typennummer Ihrer Maschine / Ihres Gerätes. Das Ersatzteil ist nur kompatibel, wenn Sie die Typennummer Ihrer Maschine in der unten stehenden Produktbeschreibung finden.

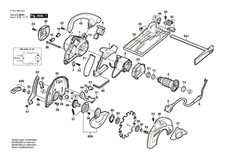
Bitte prüfen Sie ebenfalls detailliert die Explosionszeichnung mit Ihrem Artikelwunsch und der jeweiligen Pos-Nummer.

Alle Elemente, welche vom schwarzen Strich der Pos-Nummer ausgehend berührt / erfasst werden, gehören zu dieser Pos-Nummer und somit zu diesem Artikel. Jede Pos-Nummer ist ein eigenständiger Artikel, welchen Sie in der Auflistung finden.

Sie erhalten stets die aktuellste, neueste Produktversion zu der gewählten Pos-Nummer seitens des Herstellers. Es kann daher je nach Gerätealter vorkommen, dass Sie ggf. weitere, zugehörige Elemente, welche an diese Pos-Nummer grenzen, ebenfalls mittauschen müssen.

Nähere Informationen finden Sie unter dem Link
Hinweise zu Ihrer BOSCH Ersatzteilsuche

Preisübersicht

Einzelpreis: 5,19 €* (Brutto: 6,18 €)
Gesamtpreis: 5,19 €* 
Position:

Lieferzeit: 5 Werktage


Beschreibung

  • Innensechskantschlüssel 5 MM
  • Original Bosch Zubehör / BOSCH Ersatzteil (2610364015)
  • im Gerät verbaut: 1
Dieses BOSCH Ersatzteil ist mit folgendem Gerät und Modell kompatibel:
  • BOSCH Gerätename: 5855
  • BOSCH Explosionszeichnung: Position 50
  • BOSCH Typennummer: F015585502
  • BOSCH Typennummer alternative Schreibweisen: F 015 585 502, F015 585 502, F.015.585.502, F-015-585-502
    Bitte prüfen Sie diese Typennummer auf Ihrem Gerät um die Kompatibilität des BOSCH Ersatzteils zu gewährleisten.
Weitere BOSCH Ersatzteile des Gerätes 5855 (Handkreissäge) mit der Typennummer F015585502 finden Sie in der nachfolgenden Darstellung und im Dropdown zu Ihrer Auswahl:

Pos.
1
BOSCH Gehäusesatz | Ersatzteile für 5855 | 2610393039
Hersteller: BOSCH
Artikelnummer: EB-F015585502-2610393039
nur Informationsartikel
Nie mehr lieferbar
keine Alternativen
Pos.
2
BOSCH Polschuh 230-240V | Ersatzteile für 5855 | 2610393040
Hersteller: BOSCH
Artikelnummer: EB-F015585502-2610393040
nur Informationsartikel
Nie mehr lieferbar
keine Alternativen
Pos.
3
BOSCH Anker 230-240V | Ersatzteile für 5855 | 2610372834
Hersteller: BOSCH
Artikelnummer: EB-F015585502-2610372834
nur Informationsartikel
Nie mehr lieferbar
keine Alternativen
Pos.
4
BOSCH Netzschalter | Ersatzteile für 5855 | 2610393041
Hersteller: BOSCH
Artikelnummer: EB-F015585502-2610393041
nur Informationsartikel
Nie mehr lieferbar
keine Alternativen
Pos.
5
BOSCH Netzanschlussleitung CH 2,75m 2 x 1,0mm H05 VV-F | Ersatzteile für 5855 | 2610371799
Hersteller: BOSCH
Artikelnummer: EB-F015585502-2610371799
nur Informationsartikel
Nie mehr lieferbar
keine Alternativen
Pos.
6
BOSCH Kabeltülle | Ersatzteile für 5855 | 2610372883
Hersteller: BOSCH
Artikelnummer: EB-F015585502-2610372883
nur Informationsartikel
Nie mehr lieferbar
keine Alternativen
Pos.
7
BOSCH Kabelschelle | Ersatzteile für 5855 | 2610372882
Hersteller: BOSCH
Artikelnummer: EB-F015585502-2610372882
nur Informationsartikel
Nie mehr lieferbar
keine Alternativen
Pos.
12
BOSCH Entstörkondensator | Ersatzteile für 5855 | 2610393042
Hersteller: BOSCH
Artikelnummer: EB-F015585502-2610393042
nur Informationsartikel
Nie mehr lieferbar
keine Alternativen
Pos.
13
BOSCH Rillenkugellager 8x22x7 | Ersatzteile für 5855 | 2600905052
Hersteller: BOSCH
Artikelnummer: EB-F015585502-2600905052
Netto: 7,66 € zzgl. MwSt.
zzgl. 6,90 € Versand (brutto)
einmalig pro Bestellung

Lieferzeit: 5 Werktage

Pos.
14
BOSCH Rillenkugellager | Ersatzteile für 5855 | 2610388374
Hersteller: BOSCH
Artikelnummer: EB-F015585502-2610388374
nur Informationsartikel
Nie mehr lieferbar
keine Alternativen
Pos.
16
BOSCH Bürstenhalter | Ersatzteile für 5855 | 2610372853
Hersteller: BOSCH
Artikelnummer: EB-F015585502-2610372853
nur Informationsartikel
Nie mehr lieferbar
keine Alternativen
Pos.
22
BOSCH Schraube | Ersatzteile für 5855 | 2610367838
Hersteller: BOSCH
Artikelnummer: EB-F015585502-2610367838
nur Informationsartikel
Nie mehr lieferbar
keine Alternativen
Pos.
24
BOSCH Luftleitblech | Ersatzteile für 5855 | 2610372836
Hersteller: BOSCH
Artikelnummer: EB-F015585502-2610372836
nur Informationsartikel
Nie mehr lieferbar
keine Alternativen
Pos.
25
BOSCH Scheibe | Ersatzteile für 5855 | 2610060362
Hersteller: BOSCH
Artikelnummer: EB-F015585502-2610060362
nur Informationsartikel
Nie mehr lieferbar
keine Alternativen
Pos.
28
BOSCH Schraube | Ersatzteile für 5855 | 2610393045
Hersteller: BOSCH
Artikelnummer: EB-F015585502-2610393045
nur Informationsartikel
Nie mehr lieferbar
keine Alternativen
Pos.
29
BOSCH Schraube | Ersatzteile für 5855 | 2610393046
Hersteller: BOSCH
Artikelnummer: EB-F015585502-2610393046
nur Informationsartikel
Nie mehr lieferbar
keine Alternativen
Pos.
30
BOSCH Deckel | Ersatzteile für 5855 | 2610393047
Hersteller: BOSCH
Artikelnummer: EB-F015585502-2610393047
nur Informationsartikel
Nie mehr lieferbar
keine Alternativen
Pos.
31
BOSCH Griffschale | Ersatzteile für 5855 | 2610393048
Hersteller: BOSCH
Artikelnummer: EB-F015585502-2610393048
nur Informationsartikel
Nie mehr lieferbar
keine Alternativen
Pos.
32
BOSCH Verschlussstift | Ersatzteile für 5855 | 2610393049
Hersteller: BOSCH
Artikelnummer: EB-F015585502-2610393049
nur Informationsartikel
Nie mehr lieferbar
keine Alternativen
Pos.
33
BOSCH Schutzkappe | Ersatzteile für 5855 | 2610393050
Hersteller: BOSCH
Artikelnummer: EB-F015585502-2610393050
nur Informationsartikel
Nie mehr lieferbar
keine Alternativen
Pos.
34
BOSCH Schraube | Ersatzteile für 5855 | 2610372850
Hersteller: BOSCH
Artikelnummer: EB-F015585502-2610372850
nur Informationsartikel
Nie mehr lieferbar
keine Alternativen
Pos.
35
BOSCH Scheibe | Ersatzteile für 5855 | 2610393051
Hersteller: BOSCH
Artikelnummer: EB-F015585502-2610393051
nur Informationsartikel
Nie mehr lieferbar
keine Alternativen
Pos.
36
BOSCH Schutzhaube | Ersatzteile für 5855 | 2610393052
Hersteller: BOSCH
Artikelnummer: EB-F015585502-2610393052
nur Informationsartikel
Nie mehr lieferbar
keine Alternativen
Pos.
38
BOSCH Zahnradsatz | Ersatzteile für 5855 | 2610372842
Hersteller: BOSCH
Artikelnummer: EB-F015585502-2610372842
nur Informationsartikel
Nie mehr lieferbar
keine Alternativen
Pos.
39
BOSCH Lager | Ersatzteile für 5855 | 2610372851
Hersteller: BOSCH
Artikelnummer: EB-F015585502-2610372851
nur Informationsartikel
Nie mehr lieferbar
keine Alternativen
Pos.
40
BOSCH Schraube | Ersatzteile für 5855 | 2610393053
Hersteller: BOSCH
Artikelnummer: EB-F015585502-2610393053
nur Informationsartikel
Nie mehr lieferbar
keine Alternativen
Pos.
41
BOSCH Ring | Ersatzteile für 5855 | 2610360823
Hersteller: BOSCH
Artikelnummer: EB-F015585502-2610360823
nur Informationsartikel
Nie mehr lieferbar
keine Alternativen
Pos.
42
BOSCH Stützschraube | Ersatzteile für 5855 | 2609003647
Hersteller: BOSCH
Artikelnummer: EB-F015585502-2609003647
Netto: 3,94 € zzgl. MwSt.
zzgl. 6,90 € Versand (brutto)
einmalig pro Bestellung

Lieferzeit: 5 Werktage

Pos.
43
BOSCH Knopf | Ersatzteile für 5855 | 2610393054
Hersteller: BOSCH
Artikelnummer: EB-F015585502-2610393054
nur Informationsartikel
Nie mehr lieferbar
keine Alternativen
Pos.
44
BOSCH Gelenkteil | Ersatzteile für 5855 | 2610372841
Hersteller: BOSCH
Artikelnummer: EB-F015585502-2610372841
nur Informationsartikel
Nie mehr lieferbar
keine Alternativen
Pos.
45
BOSCH Handgriff | Ersatzteile für 5855 | 2610393056
Hersteller: BOSCH
Artikelnummer: EB-F015585502-2610393056
nur Informationsartikel
Nie mehr lieferbar
keine Alternativen
Pos.
46
BOSCH Puffer | Ersatzteile für 5855 | 2610393057
Hersteller: BOSCH
Artikelnummer: EB-F015585502-2610393057
nur Informationsartikel
Nie mehr lieferbar
keine Alternativen
Pos.
47
BOSCH Staubkasten | Ersatzteile für 5855 | 2610393058
Hersteller: BOSCH
Artikelnummer: EB-F015585502-2610393058
nur Informationsartikel
Nie mehr lieferbar
keine Alternativen
Pos.
48
BOSCH Feder | Ersatzteile für 5855 | 2610393059
Hersteller: BOSCH
Artikelnummer: EB-F015585502-2610393059
nur Informationsartikel
Nie mehr lieferbar
keine Alternativen
Pos.
49
BOSCH Schraube | Ersatzteile für 5855 | 2610392946
Hersteller: BOSCH
Artikelnummer: EB-F015585502-2610392946
nur Informationsartikel
Nie mehr lieferbar
keine Alternativen
Pos.
50
BOSCH Innensechskantschlüssel 5 MM | Ersatzteile für 5855 | 2610364015
Hersteller: BOSCH
Artikelnummer: EB-F015585502-2610364015
Netto: 5,17 € zzgl. MwSt.
zzgl. 6,90 € Versand (brutto)
einmalig pro Bestellung

Lieferzeit: 5 Werktage

Pos.
52
BOSCH Fuss | Ersatzteile für 5855 | 2610393060
Hersteller: BOSCH
Artikelnummer: EB-F015585502-2610393060
nur Informationsartikel
Nie mehr lieferbar
keine Alternativen
Pos.
53
BOSCH Schraube | Ersatzteile für 5855 | 2610367837
Hersteller: BOSCH
Artikelnummer: EB-F015585502-2610367837
nur Informationsartikel
Nie mehr lieferbar
keine Alternativen
Pos.
55
BOSCH Anzeigegerät | Ersatzteile für 5855 | 2610393061
Hersteller: BOSCH
Artikelnummer: EB-F015585502-2610393061
nur Informationsartikel
Nie mehr lieferbar
keine Alternativen
Pos.
56
BOSCH Scheibe | Ersatzteile für 5855 | 2610372838
Hersteller: BOSCH
Artikelnummer: EB-F015585502-2610372838
nur Informationsartikel
Nie mehr lieferbar
keine Alternativen
Pos.
57
BOSCH Federnsatz | Ersatzteile für 5855 | 2610395719
Hersteller: BOSCH
Artikelnummer: EB-F015585502-2610395719
nur Informationsartikel
Nie mehr lieferbar
keine Alternativen
Pos.
58
BOSCH Schraube | Ersatzteile für 5855 | 2610364799
Hersteller: BOSCH
Artikelnummer: EB-F015585502-2610364799
nur Informationsartikel
Nie mehr lieferbar
keine Alternativen
Pos.
60
BOSCH Ring | Ersatzteile für 5855 | 2610372849
Hersteller: BOSCH
Artikelnummer: EB-F015585502-2610372849
nur Informationsartikel
Nie mehr lieferbar
keine Alternativen
Pos.
61
BOSCH Gummipuffer | Ersatzteile für 5855 | 2610386883
Hersteller: BOSCH
Artikelnummer: EB-F015585502-2610386883
nur Informationsartikel
Nie mehr lieferbar
keine Alternativen
Pos.
62
BOSCH Innenring | Ersatzteile für 5855 | 2610393063
Hersteller: BOSCH
Artikelnummer: EB-F015585502-2610393063
nur Informationsartikel
Nie mehr lieferbar
keine Alternativen
Pos.
63
BOSCH Gelenkteil | Ersatzteile für 5855 | 2610393064
Hersteller: BOSCH
Artikelnummer: EB-F015585502-2610393064
nur Informationsartikel
Nie mehr lieferbar
keine Alternativen
Pos.
651
BOSCH Parallelanschlag | Ersatzteile für 5855 | 2608005036
Hersteller: BOSCH
Artikelnummer: EB-F015585502-2608005036
nur Informationsartikel
Nie mehr lieferbar
keine Alternativen
Pos.
826
BOSCH Teilesatz | Ersatzteile für 5855 | 2610397033
Hersteller: BOSCH
Artikelnummer: EB-F015585502-2610397033
nur Informationsartikel
Nie mehr lieferbar
keine Alternativen
Pos.
859
BOSCH Schutzhaube | Ersatzteile für 5855 | 2610395720
Hersteller: BOSCH
Artikelnummer: EB-F015585502-2610395720
nur Informationsartikel
Nie mehr lieferbar
keine Alternativen

Angaben zur Produktsicherheit

Hersteller:
Robert Bosch Power Tools GmbH
Postfach 30 02 20
70442 Stuttgart

E-Mail:
kontakt@bosch.de