BOSCH Rillenkugellager | Ersatzteile für 5866 | 2610350311

Artikelnummer: EB-F012586652-2610350311

Position: 14

Marke: BOSCH


Bitte Kompatibilität prüfen!

Bitte prüfen Sie unbedingt die 10-stellige Typennummer Ihrer Maschine / Ihres Gerätes. Das Ersatzteil ist nur kompatibel, wenn Sie die Typennummer Ihrer Maschine in der unten stehenden Produktbeschreibung finden.

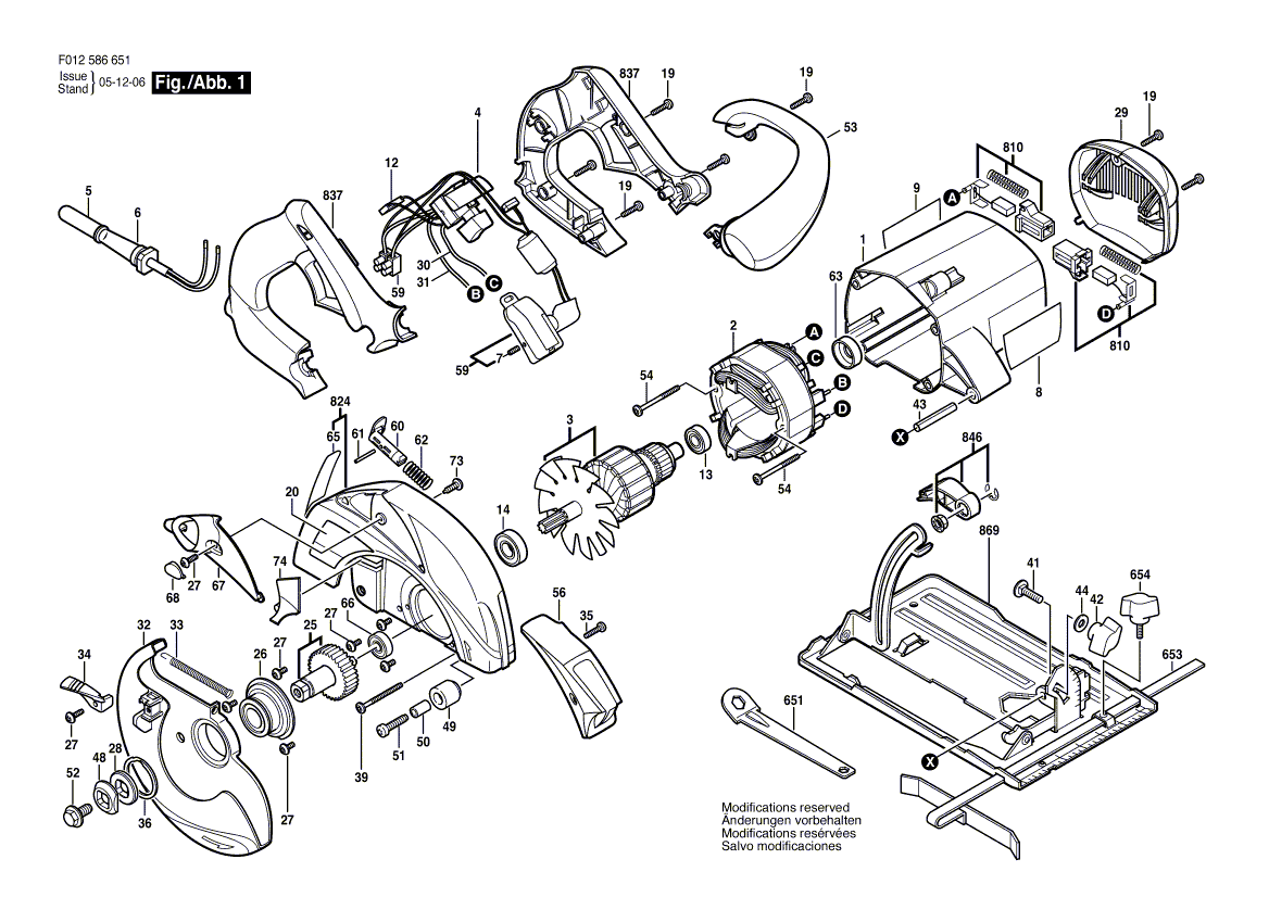
Bitte prüfen Sie ebenfalls detailliert die Explosionszeichnung mit Ihrem Artikelwunsch und der jeweiligen Pos-Nummer.

Alle Elemente, welche vom schwarzen Strich der Pos-Nummer ausgehend berührt / erfasst werden, gehören zu dieser Pos-Nummer und somit zu diesem Artikel. Jede Pos-Nummer ist ein eigenständiger Artikel, welchen Sie in der Auflistung finden.

Sie erhalten stets die aktuellste, neueste Produktversion zu der gewählten Pos-Nummer seitens des Herstellers. Es kann daher je nach Gerätealter vorkommen, dass Sie ggf. weitere, zugehörige Elemente, welche an diese Pos-Nummer grenzen, ebenfalls mittauschen müssen.

Nähere Informationen finden Sie unter dem Link
Hinweise zu Ihrer BOSCH Ersatzteilsuche

Preisübersicht

Einzelpreis: 10,92 €* (Brutto: 12,99 €)
Gesamtpreis: 10,92 €* 
Position:

Lieferzeit: 5 Werktage


Beschreibung

  • Rillenkugellager
  • Original Bosch Zubehör / BOSCH Ersatzteil (2610350311)
  • im Gerät verbaut: 1
Dieses BOSCH Ersatzteil ist mit folgendem Gerät und Modell kompatibel:
  • BOSCH Gerätename: 5866
  • BOSCH Explosionszeichnung: Position 14
  • BOSCH Typennummer: F012586652
  • BOSCH Typennummer alternative Schreibweisen: F 012 586 652, F012 586 652, F.012.586.652, F-012-586-652
    Bitte prüfen Sie diese Typennummer auf Ihrem Gerät um die Kompatibilität des BOSCH Ersatzteils zu gewährleisten.
Weitere BOSCH Ersatzteile des Gerätes 5866 (Handkreissäge) mit der Typennummer F012586652 finden Sie in der nachfolgenden Darstellung und im Dropdown zu Ihrer Auswahl:

Pos.
1
BOSCH Gehäuse | Ersatzteile für 5866 | 2610914056
Hersteller: BOSCH
Artikelnummer: EB-F012586652-2610914056
Netto: 7,58 € zzgl. MwSt.
zzgl. 6,90 € Versand (brutto)
einmalig pro Bestellung

Lieferzeit: 5 Werktage

Pos.
2
BOSCH Polschuh 230-240V | Ersatzteile für 5866 | 2610341382
Hersteller: BOSCH
Artikelnummer: EB-F012586652-2610341382
nur Informationsartikel
Nie mehr lieferbar
keine Alternativen
Pos.
3
BOSCH Anker 220V | Ersatzteile für 5866 | 2610908382
Hersteller: BOSCH
Artikelnummer: EB-F012586652-2610908382
nur Informationsartikel
Nie mehr lieferbar
keine Alternativen
Pos.
4
BOSCH Ein/Aus-Schalter | Ersatzteile für 5866 | 2610920310
Hersteller: BOSCH
Artikelnummer: EB-F012586652-2610920310
nur Informationsartikel
Nie mehr lieferbar
keine Alternativen
Pos.
5
BOSCH Netzanschlussleitung GB 230V 4,15m 2 x 1,0mm H05 RN-F | Ersatzteile für 5866 | 1604460185
Hersteller: BOSCH
Artikelnummer: EB-F012586652-1604460185
Netto: 17,38 € zzgl. MwSt.
zzgl. 6,90 € Versand (brutto)
einmalig pro Bestellung

Lieferzeit: 5 Werktage

Pos.
6
BOSCH Tülle | Ersatzteile für 5866 | 2610907639
Hersteller: BOSCH
Artikelnummer: EB-F012586652-2610907639
nur Informationsartikel
Nie mehr lieferbar
keine Alternativen
Pos.
7
BOSCH Gewindestift | Ersatzteile für 5866 | 2918150120
Hersteller: BOSCH
Artikelnummer: EB-F012586652-2918150120
Netto: 3,62 € zzgl. MwSt.
zzgl. 6,90 € Versand (brutto)
einmalig pro Bestellung

Lieferzeit: 5 Werktage

Pos.
8
BOSCH Typschild | Ersatzteile für 5866 | 2610937867
Hersteller: BOSCH
Artikelnummer: EB-F012586652-2610937867
nur Informationsartikel
Nie mehr lieferbar
keine Alternativen
Pos.
9
BOSCH Einklebeblatt | Ersatzteile für 5866 | 2610938278
Hersteller: BOSCH
Artikelnummer: EB-F012586652-2610938278
nur Informationsartikel
Nie mehr lieferbar
keine Alternativen
Pos.
12
BOSCH Entstörfilter | Ersatzteile für 5866 | 2610917620
Hersteller: BOSCH
Artikelnummer: EB-F012586652-2610917620
Netto: 5,19 € zzgl. MwSt.
zzgl. 6,90 € Versand (brutto)
einmalig pro Bestellung

Lieferzeit: 5 Werktage

Pos.
13
BOSCH Rillenkugellager | Ersatzteile für 5866 | 2610017348
Hersteller: BOSCH
Artikelnummer: EB-F012586652-2610017348
nur Informationsartikel
Nie mehr lieferbar
keine Alternativen
Pos.
14
BOSCH Rillenkugellager | Ersatzteile für 5866 | 2610350311
Hersteller: BOSCH
Artikelnummer: EB-F012586652-2610350311
Netto: 10,92 € zzgl. MwSt.
zzgl. 6,90 € Versand (brutto)
einmalig pro Bestellung

Lieferzeit: 5 Werktage

Pos.
19
BOSCH Schraube | Ersatzteile für 5866 | 1619P01505
Hersteller: BOSCH
Artikelnummer: EB-F012586652-1619P01505
nur Informationsartikel
Nie mehr lieferbar
keine Alternativen
Pos.
20
BOSCH Warnzettel | Ersatzteile für 5866 | 2610917604
Hersteller: BOSCH
Artikelnummer: EB-F012586652-2610917604
nur Informationsartikel
Nie mehr lieferbar
keine Alternativen
Pos.
25
BOSCH Getriebewelle | Ersatzteile für 5866 | 2610902896
Hersteller: BOSCH
Artikelnummer: EB-F012586652-2610902896
Netto: 26,88 € zzgl. MwSt.
zzgl. 6,90 € Versand (brutto)
einmalig pro Bestellung

Lieferzeit: 5 Werktage

Pos.
26
BOSCH Tragplatte | Ersatzteile für 5866 | 1619X01554
Hersteller: BOSCH
Artikelnummer: EB-F012586652-1619X01554
nur Informationsartikel
Nie mehr lieferbar
keine Alternativen
Pos.
27
BOSCH Kontaktschraube | Ersatzteile für 5866 | 1619X01786
Hersteller: BOSCH
Artikelnummer: EB-F012586652-1619X01786
nur Informationsartikel
Nie mehr lieferbar
keine Alternativen
Pos.
28
BOSCH Stützscheibe | Ersatzteile für 5866 | 2610341361
Hersteller: BOSCH
Artikelnummer: EB-F012586652-2610341361
nur Informationsartikel
Nie mehr lieferbar
keine Alternativen
Pos.
29
BOSCH Motorgehäuse | Ersatzteile für 5866 | 2610913232
Hersteller: BOSCH
Artikelnummer: EB-F012586652-2610913232
Netto: 3,60 € zzgl. MwSt.
zzgl. 6,90 € Versand (brutto)
einmalig pro Bestellung

Lieferzeit: 5 Werktage

Pos.
30
BOSCH Anschlusskabel 385 MM | Ersatzteile für 5866 | 2610341377
Hersteller: BOSCH
Artikelnummer: EB-F012586652-2610341377
nur Informationsartikel
Nie mehr lieferbar
keine Alternativen
Pos.
31
BOSCH Anschlusskabel | Ersatzteile für 5866 | 2610916885
Hersteller: BOSCH
Artikelnummer: EB-F012586652-2610916885
nur Informationsartikel
Nie mehr lieferbar
keine Alternativen
Pos.
32
BOSCH Schutzunterteil | Ersatzteile für 5866 | 2610917562
Hersteller: BOSCH
Artikelnummer: EB-F012586652-2610917562
nur Informationsartikel
Nie mehr lieferbar
keine Alternativen
Pos.
33
BOSCH Zugfeder | Ersatzteile für 5866 | 2610914057
Hersteller: BOSCH
Artikelnummer: EB-F012586652-2610914057
nur Informationsartikel
Nie mehr lieferbar
keine Alternativen
Pos.
34
BOSCH Hebel | Ersatzteile für 5866 | 2610917563
Hersteller: BOSCH
Artikelnummer: EB-F012586652-2610917563
Netto: 5,19 € zzgl. MwSt.
zzgl. 6,90 € Versand (brutto)
einmalig pro Bestellung

Lieferzeit: 5 Werktage

Pos.
35
BOSCH Schraube | Ersatzteile für 5866 | 2610328924
Hersteller: BOSCH
Artikelnummer: EB-F012586652-2610328924
nur Informationsartikel
Nie mehr lieferbar
keine Alternativen
Pos.
36
BOSCH Sicherungsring | Ersatzteile für 5866 | 2610341359
Hersteller: BOSCH
Artikelnummer: EB-F012586652-2610341359
nur Informationsartikel
Nie mehr lieferbar
keine Alternativen
Pos.
39
BOSCH Schraube | Ersatzteile für 5866 | 2610347103
Hersteller: BOSCH
Artikelnummer: EB-F012586652-2610347103
nur Informationsartikel
Nie mehr lieferbar
keine Alternativen
Pos.
41
BOSCH Flachrundschraube | Ersatzteile für 5866 | 2610017262
Hersteller: BOSCH
Artikelnummer: EB-F012586652-2610017262
nur Informationsartikel
Nie mehr lieferbar
keine Alternativen
Pos.
42
BOSCH Knopfgriff | Ersatzteile für 5866 | 2610917567
Hersteller: BOSCH
Artikelnummer: EB-F012586652-2610917567
Netto: 7,76 € zzgl. MwSt.
zzgl. 6,90 € Versand (brutto)
einmalig pro Bestellung

Lieferzeit: 5 Werktage

Pos.
43
BOSCH Rollenbolzen | Ersatzteile für 5866 | 2610914058
Hersteller: BOSCH
Artikelnummer: EB-F012586652-2610914058
nur Informationsartikel
Nie mehr lieferbar
keine Alternativen
Pos.
44
BOSCH Vorlegscheibe | Ersatzteile für 5866 | 1619P01535
Hersteller: BOSCH
Artikelnummer: EB-F012586652-1619P01535
Netto: 3,63 € zzgl. MwSt.
zzgl. 6,90 € Versand (brutto)
einmalig pro Bestellung

Lieferzeit: 5 Werktage

Pos.
48
BOSCH Flansch | Ersatzteile für 5866 | 2610347672
Hersteller: BOSCH
Artikelnummer: EB-F012586652-2610347672
nur Informationsartikel
Nie mehr lieferbar
keine Alternativen
Pos.
49
BOSCH Anschlag | Ersatzteile für 5866 | 2610341394
Hersteller: BOSCH
Artikelnummer: EB-F012586652-2610341394
nur Informationsartikel
Nie mehr lieferbar
keine Alternativen
Pos.
50
BOSCH Abstandshalter | Ersatzteile für 5866 | 2610341366
Hersteller: BOSCH
Artikelnummer: EB-F012586652-2610341366
nur Informationsartikel
Nie mehr lieferbar
keine Alternativen
Pos.
51
BOSCH Schraube | Ersatzteile für 5866 | 2610347100
Hersteller: BOSCH
Artikelnummer: EB-F012586652-2610347100
nur Informationsartikel
Nie mehr lieferbar
keine Alternativen
Pos.
52
BOSCH Sechskantschraube | Ersatzteile für 5866 | 1619X00935
Hersteller: BOSCH
Artikelnummer: EB-F012586652-1619X00935
nur Informationsartikel
Nie mehr lieferbar
keine Alternativen
Pos.
53
BOSCH Zusatzhandgriff | Ersatzteile für 5866 | 2610918675
Hersteller: BOSCH
Artikelnummer: EB-F012586652-2610918675
nur Informationsartikel
Nie mehr lieferbar
keine Alternativen
Pos.
54
BOSCH Schraube | Ersatzteile für 5866 | 2610931997
Hersteller: BOSCH
Artikelnummer: EB-F012586652-2610931997
Netto: 4,53 € zzgl. MwSt.
zzgl. 6,90 € Versand (brutto)
einmalig pro Bestellung

Lieferzeit: 5 Werktage

Pos.
56
BOSCH Abdeckung | Ersatzteile für 5866 | 2610919689
Hersteller: BOSCH
Artikelnummer: EB-F012586652-2610919689
nur Informationsartikel
Nie mehr lieferbar
keine Alternativen
Pos.
59
BOSCH Baulaser | Ersatzteile für 5866 | 2610937747
Hersteller: BOSCH
Artikelnummer: EB-F012586652-2610937747
nur Informationsartikel
Nie mehr lieferbar
keine Alternativen
Pos.
60
BOSCH Sperrstift | Ersatzteile für 5866 | 2610916859
Hersteller: BOSCH
Artikelnummer: EB-F012586652-2610916859
Netto: 3,60 € zzgl. MwSt.
zzgl. 6,90 € Versand (brutto)
einmalig pro Bestellung

Lieferzeit: 5 Werktage

Pos.
61
BOSCH Spannstift | Ersatzteile für 5866 | 2610020656
Hersteller: BOSCH
Artikelnummer: EB-F012586652-2610020656
Netto: 4,32 € zzgl. MwSt.
zzgl. 6,90 € Versand (brutto)
einmalig pro Bestellung

Lieferzeit: 5 Werktage

Pos.
62
BOSCH Feder | Ersatzteile für 5866 | 2610350667
Hersteller: BOSCH
Artikelnummer: EB-F012586652-2610350667
Netto: 4,32 € zzgl. MwSt.
zzgl. 6,90 € Versand (brutto)
einmalig pro Bestellung

Lieferzeit: 5 Werktage

Pos.
63
BOSCH Gummiring | Ersatzteile für 5866 | 1619P01127
Hersteller: BOSCH
Artikelnummer: EB-F012586652-1619P01127
Netto: 3,63 € zzgl. MwSt.
zzgl. 6,90 € Versand (brutto)
einmalig pro Bestellung

Lieferzeit: 5 Werktage

Pos.
65
BOSCH Warnzettel | Ersatzteile für 5866 | 2610917611
Hersteller: BOSCH
Artikelnummer: EB-F012586652-2610917611
nur Informationsartikel
Nie mehr lieferbar
keine Alternativen
Pos.
66
BOSCH Kugellager | Ersatzteile für 5866 | 1619P01511
Hersteller: BOSCH
Artikelnummer: EB-F012586652-1619P01511
Netto: 7,30 € zzgl. MwSt.
zzgl. 6,90 € Versand (brutto)
einmalig pro Bestellung

Lieferzeit: 5 Werktage

Pos.
67
BOSCH Staubkasten | Ersatzteile für 5866 | 2610917598
Hersteller: BOSCH
Artikelnummer: EB-F012586652-2610917598
nur Informationsartikel
Nie mehr lieferbar
keine Alternativen
Pos.
68
BOSCH Staubkappe | Ersatzteile für 5866 | 2610917612
Hersteller: BOSCH
Artikelnummer: EB-F012586652-2610917612
nur Informationsartikel
Nie mehr lieferbar
keine Alternativen
Pos.
73
BOSCH Schraube | Ersatzteile für 5866 | 2610318720
Hersteller: BOSCH
Artikelnummer: EB-F012586652-2610318720
nur Informationsartikel
Nie mehr lieferbar
keine Alternativen
Pos.
74
BOSCH Ersatzteil | Ersatzteile für 5866 | 2610917557
Hersteller: BOSCH
Artikelnummer: EB-F012586652-2610917557
nur Informationsartikel
Nie mehr lieferbar
keine Alternativen
Pos.
651
BOSCH Ringschlüssel | Ersatzteile für 5866 | 2610341299
Hersteller: BOSCH
Artikelnummer: EB-F012586652-2610341299
Netto: 9,18 € zzgl. MwSt.
zzgl. 6,90 € Versand (brutto)
einmalig pro Bestellung

Lieferzeit: 5 Werktage

Pos.
653
BOSCH Längsanschlag | Ersatzteile für 5866 | 2608190002
Hersteller: BOSCH
Artikelnummer: EB-F012586652-2608190002
nur Informationsartikel
Nie mehr lieferbar
keine Alternativen
Pos.
654
BOSCH Knopfgriff | Ersatzteile für 5866 | 2610918689
Hersteller: BOSCH
Artikelnummer: EB-F012586652-2610918689
Netto: 7,30 € zzgl. MwSt.
zzgl. 6,90 € Versand (brutto)
einmalig pro Bestellung

Lieferzeit: 5 Werktage

Pos.
810
BOSCH Kohlebürstensatz | Ersatzteile für 5866 | 2610993157
Hersteller: BOSCH
Artikelnummer: EB-F012586652-2610993157
Netto: 12,98 € zzgl. MwSt.
zzgl. 6,90 € Versand (brutto)
einmalig pro Bestellung

Lieferzeit: 5 Werktage

Pos.
824
BOSCH Gehäuseoberteil | Ersatzteile für 5866 | 2610937869
Hersteller: BOSCH
Artikelnummer: EB-F012586652-2610937869
nur Informationsartikel
Nie mehr lieferbar
keine Alternativen
Pos.
837
BOSCH Handgriff | Ersatzteile für 5866 | 2610918678
Hersteller: BOSCH
Artikelnummer: EB-F012586652-2610918678
nur Informationsartikel
Nie mehr lieferbar
keine Alternativen
Pos.
846
BOSCH Hebel | Ersatzteile für 5866 | 2610921182
Hersteller: BOSCH
Artikelnummer: EB-F012586652-2610921182
nur Informationsartikel
Nie mehr lieferbar
keine Alternativen
Pos.
869
BOSCH Fuss | Ersatzteile für 5866 | 2610918686
Hersteller: BOSCH
Artikelnummer: EB-F012586652-2610918686
nur Informationsartikel
Nie mehr lieferbar
keine Alternativen

Angaben zur Produktsicherheit

Hersteller:
Robert Bosch Power Tools GmbH
Postfach 30 02 20
70442 Stuttgart

E-Mail:
kontakt@bosch.de