BOSCH Schraube | Ersatzteile für 5950 | 2610931997

Artikelnummer: EB-F012595000-2610931997

Position: 39

Marke: BOSCH


Bitte Kompatibilität prüfen!

Bitte prüfen Sie unbedingt die 10-stellige Typennummer Ihrer Maschine / Ihres Gerätes. Das Ersatzteil ist nur kompatibel, wenn Sie die Typennummer Ihrer Maschine in der unten stehenden Produktbeschreibung finden.

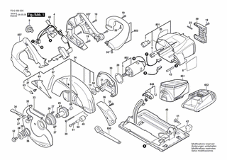
Bitte prüfen Sie ebenfalls detailliert die Explosionszeichnung mit Ihrem Artikelwunsch und der jeweiligen Pos-Nummer.

Alle Elemente, welche vom schwarzen Strich der Pos-Nummer ausgehend berührt / erfasst werden, gehören zu dieser Pos-Nummer und somit zu diesem Artikel. Jede Pos-Nummer ist ein eigenständiger Artikel, welchen Sie in der Auflistung finden.

Sie erhalten stets die aktuellste, neueste Produktversion zu der gewählten Pos-Nummer seitens des Herstellers. Es kann daher je nach Gerätealter vorkommen, dass Sie ggf. weitere, zugehörige Elemente, welche an diese Pos-Nummer grenzen, ebenfalls mittauschen müssen.

Nähere Informationen finden Sie unter dem Link
Hinweise zu Ihrer BOSCH Ersatzteilsuche

Preisübersicht

Einzelpreis: 4,56 €* (Brutto: 5,43 €)
Gesamtpreis: 4,56 €* 
Position:

Lieferzeit: 5 Werktage


Beschreibung

  • Schraube
  • Original Bosch Zubehör / BOSCH Ersatzteil (2610931997)
  • im Gerät verbaut: 1
Dieses BOSCH Ersatzteil ist mit folgendem Gerät und Modell kompatibel:
  • BOSCH Gerätename: 5950
  • BOSCH Explosionszeichnung: Position 39
  • BOSCH Typennummer: F012595000
  • BOSCH Typennummer alternative Schreibweisen: F 012 595 000, F012 595 000, F.012.595.000, F-012-595-000
    Bitte prüfen Sie diese Typennummer auf Ihrem Gerät um die Kompatibilität des BOSCH Ersatzteils zu gewährleisten.
Weitere BOSCH Ersatzteile des Gerätes 5950 (Handkreissäge) mit der Typennummer F012595000 finden Sie in der nachfolgenden Darstellung und im Dropdown zu Ihrer Auswahl:

Pos.
3
BOSCH Ritzel | Ersatzteile für 5950 | 2610916423
Hersteller: BOSCH
Artikelnummer: EB-F012595000-2610916423
nur Informationsartikel
Nie mehr lieferbar
keine Alternativen
Pos.
4
BOSCH Schalter | Ersatzteile für 5950 | 2610917325
Hersteller: BOSCH
Artikelnummer: EB-F012595000-2610917325
Netto: 10,62 € zzgl. MwSt.
zzgl. 6,90 € Versand (brutto)
einmalig pro Bestellung

Lieferzeit: 5 Werktage

Pos.
5
BOSCH Verschlussscheibe | Ersatzteile für 5950 | 2610916420
Hersteller: BOSCH
Artikelnummer: EB-F012595000-2610916420
nur Informationsartikel
Nie mehr lieferbar
keine Alternativen
Pos.
6
BOSCH Befestigungseinsatz | Ersatzteile für 5950 | 2610916415
Hersteller: BOSCH
Artikelnummer: EB-F012595000-2610916415
nur Informationsartikel
Nie mehr lieferbar
keine Alternativen
Pos.
7
BOSCH Befestigungseinsatz | Ersatzteile für 5950 | 2610916416
Hersteller: BOSCH
Artikelnummer: EB-F012595000-2610916416
nur Informationsartikel
Nie mehr lieferbar
keine Alternativen
Pos.
8
BOSCH Typschild | Ersatzteile für 5950 | 2610924120
Hersteller: BOSCH
Artikelnummer: EB-F012595000-2610924120
nur Informationsartikel
Nie mehr lieferbar
keine Alternativen
Pos.
14
BOSCH Lagerbuchse | Ersatzteile für 5950 | 2610920765
Hersteller: BOSCH
Artikelnummer: EB-F012595000-2610920765
nur Informationsartikel
Nie mehr lieferbar
keine Alternativen
Pos.
19
BOSCH Schraube | Ersatzteile für 5950 | 1619P01505
Hersteller: BOSCH
Artikelnummer: EB-F012595000-1619P01505
nur Informationsartikel
Nie mehr lieferbar
keine Alternativen
Pos.
20
BOSCH Warnzettel | Ersatzteile für 5950 | 2610920433
Hersteller: BOSCH
Artikelnummer: EB-F012595000-2610920433
nur Informationsartikel
Nie mehr lieferbar
keine Alternativen
Pos.
23
BOSCH Auswurffeder | Ersatzteile für 5950 | 1609280395
Hersteller: BOSCH
Artikelnummer: EB-F012595000-1609280395
nur Informationsartikel
Nie mehr lieferbar
keine Alternativen
Pos.
24
BOSCH Schutzverkleidung | Ersatzteile für 5950 | 2610924122
Hersteller: BOSCH
Artikelnummer: EB-F012595000-2610924122
nur Informationsartikel
Nie mehr lieferbar
keine Alternativen
Pos.
25
BOSCH Zahnradwelle | Ersatzteile für 5950 | 2610997776
Hersteller: BOSCH
Artikelnummer: EB-F012595000-2610997776
Netto: 9,63 € zzgl. MwSt.
zzgl. 6,90 € Versand (brutto)
einmalig pro Bestellung

Lieferzeit: 5 Werktage

Pos.
26
BOSCH Tragplatte | Ersatzteile für 5950 | 1619X01554
Hersteller: BOSCH
Artikelnummer: EB-F012595000-1619X01554
nur Informationsartikel
Nie mehr lieferbar
keine Alternativen
Pos.
27
BOSCH Kontaktschraube | Ersatzteile für 5950 | 1619X01786
Hersteller: BOSCH
Artikelnummer: EB-F012595000-1619X01786
nur Informationsartikel
Nie mehr lieferbar
keine Alternativen
Pos.
28
BOSCH Stützscheibe | Ersatzteile für 5950 | 2610341361
Hersteller: BOSCH
Artikelnummer: EB-F012595000-2610341361
nur Informationsartikel
Nie mehr lieferbar
keine Alternativen
Pos.
29
BOSCH Gummi-Ohrkissen | Ersatzteile für 5950 | 2610917742
Hersteller: BOSCH
Artikelnummer: EB-F012595000-2610917742
Netto: 4,56 € zzgl. MwSt.
zzgl. 6,90 € Versand (brutto)
einmalig pro Bestellung

Lieferzeit: 5 Werktage

Pos.
30
BOSCH Aufspannplatte | Ersatzteile für 5950 | 2610916417
Hersteller: BOSCH
Artikelnummer: EB-F012595000-2610916417
nur Informationsartikel
Nie mehr lieferbar
keine Alternativen
Pos.
31
BOSCH Ansatzschraube | Ersatzteile für 5950 | 2610917413
Hersteller: BOSCH
Artikelnummer: EB-F012595000-2610917413
nur Informationsartikel
Nie mehr lieferbar
keine Alternativen
Pos.
32
BOSCH Schutzunterteil | Ersatzteile für 5950 | 2610917562
Hersteller: BOSCH
Artikelnummer: EB-F012595000-2610917562
nur Informationsartikel
Nie mehr lieferbar
keine Alternativen
Pos.
33
BOSCH Zugfeder | Ersatzteile für 5950 | 2610914057
Hersteller: BOSCH
Artikelnummer: EB-F012595000-2610914057
nur Informationsartikel
Nie mehr lieferbar
keine Alternativen
Pos.
34
BOSCH Hebel | Ersatzteile für 5950 | 2610913230
Hersteller: BOSCH
Artikelnummer: EB-F012595000-2610913230
nur Informationsartikel
Nie mehr lieferbar
keine Alternativen
Pos.
35
BOSCH Schraube | Ersatzteile für 5950 | 2610328924
Hersteller: BOSCH
Artikelnummer: EB-F012595000-2610328924
nur Informationsartikel
Nie mehr lieferbar
keine Alternativen
Pos.
36
BOSCH Sicherungsring | Ersatzteile für 5950 | 2610341359
Hersteller: BOSCH
Artikelnummer: EB-F012595000-2610341359
nur Informationsartikel
Nie mehr lieferbar
keine Alternativen
Pos.
39
BOSCH Schraube | Ersatzteile für 5950 | 2610931997
Hersteller: BOSCH
Artikelnummer: EB-F012595000-2610931997
Netto: 4,56 € zzgl. MwSt.
zzgl. 6,90 € Versand (brutto)
einmalig pro Bestellung

Lieferzeit: 5 Werktage

Pos.
40
BOSCH Fussplatte | Ersatzteile für 5950 | 1619X01143
Hersteller: BOSCH
Artikelnummer: EB-F012595000-1619X01143
nur Informationsartikel
Nie mehr lieferbar
keine Alternativen
Pos.
41
BOSCH Flachrundschraube | Ersatzteile für 5950 | 2610017262
Hersteller: BOSCH
Artikelnummer: EB-F012595000-2610017262
nur Informationsartikel
Nie mehr lieferbar
keine Alternativen
Pos.
42
BOSCH Knopfgriff | Ersatzteile für 5950 | 2610917567
Hersteller: BOSCH
Artikelnummer: EB-F012595000-2610917567
Netto: 7,66 € zzgl. MwSt.
zzgl. 6,90 € Versand (brutto)
einmalig pro Bestellung

Lieferzeit: 5 Werktage

Pos.
43
BOSCH Rollenbolzen | Ersatzteile für 5950 | 2610914058
Hersteller: BOSCH
Artikelnummer: EB-F012595000-2610914058
nur Informationsartikel
Nie mehr lieferbar
keine Alternativen
Pos.
48
BOSCH Distanzstück | Ersatzteile für 5950 | 2610347892
Hersteller: BOSCH
Artikelnummer: EB-F012595000-2610347892
Netto: 5,17 € zzgl. MwSt.
zzgl. 6,90 € Versand (brutto)
einmalig pro Bestellung

Lieferzeit: 5 Werktage

Pos.
49
BOSCH Anschlag | Ersatzteile für 5950 | 2610341394
Hersteller: BOSCH
Artikelnummer: EB-F012595000-2610341394
nur Informationsartikel
Nie mehr lieferbar
keine Alternativen
Pos.
50
BOSCH Abstandshalter | Ersatzteile für 5950 | 2610341366
Hersteller: BOSCH
Artikelnummer: EB-F012595000-2610341366
nur Informationsartikel
Nie mehr lieferbar
keine Alternativen
Pos.
51
BOSCH Schraube | Ersatzteile für 5950 | 2610347100
Hersteller: BOSCH
Artikelnummer: EB-F012595000-2610347100
nur Informationsartikel
Nie mehr lieferbar
keine Alternativen
Pos.
52
BOSCH Sechskantschraube | Ersatzteile für 5950 | 1619X00935
Hersteller: BOSCH
Artikelnummer: EB-F012595000-1619X00935
nur Informationsartikel
Nie mehr lieferbar
keine Alternativen
Pos.
55
BOSCH Schraube | Ersatzteile für 5950 | 1619X00504
Hersteller: BOSCH
Artikelnummer: EB-F012595000-1619X00504
Netto: 3,60 € zzgl. MwSt.
zzgl. 6,90 € Versand (brutto)
einmalig pro Bestellung

Lieferzeit: 5 Werktage

Pos.
56
BOSCH Abdeckung | Ersatzteile für 5950 | 2610919689
Hersteller: BOSCH
Artikelnummer: EB-F012595000-2610919689
nur Informationsartikel
Nie mehr lieferbar
keine Alternativen
Pos.
57
BOSCH Laser | Ersatzteile für 5950 | 2610924124
Hersteller: BOSCH
Artikelnummer: EB-F012595000-2610924124
nur Informationsartikel
Nie mehr lieferbar
keine Alternativen
Pos.
59
BOSCH Steckverbindergehäuse | Ersatzteile für 5950 | 2610920239
Hersteller: BOSCH
Artikelnummer: EB-F012595000-2610920239
nur Informationsartikel
Nie mehr lieferbar
keine Alternativen
Pos.
63
BOSCH Staubkappe | Ersatzteile für 5950 | 2610923192
Hersteller: BOSCH
Artikelnummer: EB-F012595000-2610923192
nur Informationsartikel
Nie mehr lieferbar
keine Alternativen
Pos.
64
BOSCH O-Ring | Ersatzteile für 5950 | 2610917741
Hersteller: BOSCH
Artikelnummer: EB-F012595000-2610917741
nur Informationsartikel
Nie mehr lieferbar
keine Alternativen
Pos.
66
BOSCH Lager | Ersatzteile für 5950 | 2610997773
Hersteller: BOSCH
Artikelnummer: EB-F012595000-2610997773
nur Informationsartikel
Nie mehr lieferbar
keine Alternativen
Pos.
67
BOSCH Etikett | Ersatzteile für 5950 | 2610913300
Hersteller: BOSCH
Artikelnummer: EB-F012595000-2610913300
nur Informationsartikel
Nie mehr lieferbar
keine Alternativen
Pos.
69
BOSCH Staubkasten | Ersatzteile für 5950 | 2610922549
Hersteller: BOSCH
Artikelnummer: EB-F012595000-2610922549
nur Informationsartikel
Nie mehr lieferbar
keine Alternativen
Pos.
70
BOSCH Gewindestift | Ersatzteile für 5950 | 2918150120
Hersteller: BOSCH
Artikelnummer: EB-F012595000-2918150120
Netto: 0,62 € zzgl. MwSt.
zzgl. 6,90 € Versand (brutto)
einmalig pro Bestellung

Lieferzeit: 5 Werktage

Pos.
650
BOSCH Ringschlüssel | Ersatzteile für 5950 | 2610968670
Hersteller: BOSCH
Artikelnummer: EB-F012595000-2610968670
nur Informationsartikel
Nie mehr lieferbar
keine Alternativen
Pos.
651
BOSCH Einschub-Akkupaket 18V, 1,2Ah, NiCd | Ersatzteile für 5950 | 2607335545
Hersteller: BOSCH
Artikelnummer: EB-F012595000-2607335545
nur Informationsartikel
Nie mehr lieferbar
keine Alternativen
Pos.
652
BOSCH Ladegerät 120/18V, NiCd | Ersatzteile für 5950 | 1619X07585
Hersteller: BOSCH
Artikelnummer: EB-F012595000-1619X07585
nur Informationsartikel
Nie mehr lieferbar
keine Alternativen
Pos.
801
BOSCH Gehäusesatz | Ersatzteile für 5950 | 2610920436
Hersteller: BOSCH
Artikelnummer: EB-F012595000-2610920436
nur Informationsartikel
Nie mehr lieferbar
keine Alternativen
Pos.
802
BOSCH Motor | Ersatzteile für 5950 | 2610924125
Hersteller: BOSCH
Artikelnummer: EB-F012595000-2610924125
nur Informationsartikel
Nie mehr lieferbar
keine Alternativen
Pos.
837
BOSCH Handgriff-Set | Ersatzteile für 5950 | 2610914193
Hersteller: BOSCH
Artikelnummer: EB-F012595000-2610914193
nur Informationsartikel
Nie mehr lieferbar
keine Alternativen
Pos.
846
BOSCH Hebel | Ersatzteile für 5950 | 2610921181
Hersteller: BOSCH
Artikelnummer: EB-F012595000-2610921181
nur Informationsartikel
Nie mehr lieferbar
keine Alternativen
Pos.
853
BOSCH Zusatzhandgriff | Ersatzteile für 5950 | 2610920438
Hersteller: BOSCH
Artikelnummer: EB-F012595000-2610920438
nur Informationsartikel
Nie mehr lieferbar
keine Alternativen

Angaben zur Produktsicherheit

Hersteller:
Robert Bosch Power Tools GmbH
Postfach 30 02 20
70442 Stuttgart

E-Mail:
kontakt@bosch.de