BOSCH Zahnrad | Ersatzteile für 6004 | F000617017

Artikelnummer: EB-F015600403-F000617017

Position: 37

Marke: BOSCH


Bitte Kompatibilität prüfen!

Bitte prüfen Sie unbedingt die 10-stellige Typennummer Ihrer Maschine / Ihres Gerätes. Das Ersatzteil ist nur kompatibel, wenn Sie die Typennummer Ihrer Maschine in der unten stehenden Produktbeschreibung finden.

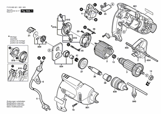
Bitte prüfen Sie ebenfalls detailliert die Explosionszeichnung mit Ihrem Artikelwunsch und der jeweiligen Pos-Nummer.

Alle Elemente, welche vom schwarzen Strich der Pos-Nummer ausgehend berührt / erfasst werden, gehören zu dieser Pos-Nummer und somit zu diesem Artikel. Jede Pos-Nummer ist ein eigenständiger Artikel, welchen Sie in der Auflistung finden.

Sie erhalten stets die aktuellste, neueste Produktversion zu der gewählten Pos-Nummer seitens des Herstellers. Es kann daher je nach Gerätealter vorkommen, dass Sie ggf. weitere, zugehörige Elemente, welche an diese Pos-Nummer grenzen, ebenfalls mittauschen müssen.

Nähere Informationen finden Sie unter dem Link
Hinweise zu Ihrer BOSCH Ersatzteilsuche

Preisübersicht

Einzelpreis: 9,18 €* (Brutto: 10,92 €)
Gesamtpreis: 9,18 €* 
Position:

Lieferzeit: 5 Werktage


Beschreibung

  • Zahnrad
  • Original Bosch Zubehör / BOSCH Ersatzteil (F000617017)
  • im Gerät verbaut: 1
Dieses BOSCH Ersatzteil ist mit folgendem Gerät und Modell kompatibel:
  • BOSCH Gerätename: 6004
  • BOSCH Explosionszeichnung: Position 37
  • BOSCH Typennummer: F015600403
  • BOSCH Typennummer alternative Schreibweisen: F 015 600 403, F015 600 403, F.015.600.403, F-015-600-403
    Bitte prüfen Sie diese Typennummer auf Ihrem Gerät um die Kompatibilität des BOSCH Ersatzteils zu gewährleisten.
Weitere BOSCH Ersatzteile des Gerätes 6004 (Gw-2G-Schlagbohrmaschine) mit der Typennummer F015600403 finden Sie in der nachfolgenden Darstellung und im Dropdown zu Ihrer Auswahl:

Pos.
2
BOSCH Polschuh 220V | Ersatzteile für 6004 | F000607020
Hersteller: BOSCH
Artikelnummer: EB-F015600403-F000607020
Netto: 14,36 € zzgl. MwSt.
zzgl. 6,90 € Versand (brutto)
einmalig pro Bestellung

Lieferzeit: 5 Werktage

Pos.
3
BOSCH Anker 220V | Ersatzteile für 6004 | F000605010
Hersteller: BOSCH
Artikelnummer: EB-F015600403-F000605010
Netto: 18,86 € zzgl. MwSt.
zzgl. 6,90 € Versand (brutto)
einmalig pro Bestellung

Lieferzeit: 5 Werktage

Pos.
4
BOSCH Schalter | Ersatzteile für 6004 | 2607200623
Hersteller: BOSCH
Artikelnummer: EB-F015600403-2607200623
Netto: 12,98 € zzgl. MwSt.
zzgl. 6,90 € Versand (brutto)
einmalig pro Bestellung

Lieferzeit: 5 Werktage

Pos.
5
BOSCH Netzanschlussleitung CH 2,65m 2 x 0,75mm H05 VV-F | Ersatzteile für 6004 | 1604460433
Hersteller: BOSCH
Artikelnummer: EB-F015600403-1604460433
nur Informationsartikel
Nie mehr lieferbar
keine Alternativen
Pos.
6
BOSCH Tülle | Ersatzteile für 6004 | 9618086865
Hersteller: BOSCH
Artikelnummer: EB-F015600403-9618086865
nur Informationsartikel
Nie mehr lieferbar
keine Alternativen
Pos.
13
BOSCH Sinterlager | Ersatzteile für 6004 | F000615003
Hersteller: BOSCH
Artikelnummer: EB-F015600403-F000615003
Netto: 3,94 € zzgl. MwSt.
zzgl. 6,90 € Versand (brutto)
einmalig pro Bestellung

Lieferzeit: 5 Werktage

Pos.
14
BOSCH Rillenkugellager 8x22x7 608-2Z/C3 | Ersatzteile für 6004 | 3130900020
Hersteller: BOSCH
Artikelnummer: EB-F015600403-3130900020
Netto: 7,30 € zzgl. MwSt.
zzgl. 6,90 € Versand (brutto)
einmalig pro Bestellung

Lieferzeit: 5 Werktage

Pos.
19
BOSCH Blechschraube 4x16 MM | Ersatzteile für 6004 | 9618087099
Hersteller: BOSCH
Artikelnummer: EB-F015600403-9618087099
nur Informationsartikel
Nie mehr lieferbar
keine Alternativen
Pos.
22
BOSCH Blechschraube DIN 7981-ST2,2x9,5-C-H | Ersatzteile für 6004 | 2910611002
Hersteller: BOSCH
Artikelnummer: EB-F015600403-2910611002
Netto: 3,63 € zzgl. MwSt.
zzgl. 6,90 € Versand (brutto)
einmalig pro Bestellung

Lieferzeit: 5 Werktage

Pos.
25
BOSCH Umschalter | Ersatzteile für 6004 | F000608027
Hersteller: BOSCH
Artikelnummer: EB-F015600403-F000608027
Netto: 3,63 € zzgl. MwSt.
zzgl. 6,90 € Versand (brutto)
einmalig pro Bestellung

Lieferzeit: 5 Werktage

Pos.
31
BOSCH Umschalter | Ersatzteile für 6004 | F000608014
Hersteller: BOSCH
Artikelnummer: EB-F015600403-F000608014
Netto: 3,63 € zzgl. MwSt.
zzgl. 6,90 € Versand (brutto)
einmalig pro Bestellung

Lieferzeit: 5 Werktage

Pos.
36
BOSCH Bohrspindel | Ersatzteile für 6004 | F000619018
Hersteller: BOSCH
Artikelnummer: EB-F015600403-F000619018
Netto: 9,05 € zzgl. MwSt.
zzgl. 6,90 € Versand (brutto)
einmalig pro Bestellung

Lieferzeit: 5 Werktage

Pos.
37
BOSCH Zahnrad | Ersatzteile für 6004 | F000617017
Hersteller: BOSCH
Artikelnummer: EB-F015600403-F000617017
Netto: 9,18 € zzgl. MwSt.
zzgl. 6,90 € Versand (brutto)
einmalig pro Bestellung

Lieferzeit: 5 Werktage

Pos.
38
BOSCH Sinterlager | Ersatzteile für 6004 | 2600301066
Hersteller: BOSCH
Artikelnummer: EB-F015600403-2600301066
nur Informationsartikel
Nie mehr lieferbar
keine Alternativen
Pos.
41
BOSCH Druckfeder | Ersatzteile für 6004 | 2604616006
Hersteller: BOSCH
Artikelnummer: EB-F015600403-2604616006
Netto: 3,94 € zzgl. MwSt.
zzgl. 6,90 € Versand (brutto)
einmalig pro Bestellung

Lieferzeit: 5 Werktage

Pos.
55
BOSCH Pvc-Elektr Leitung L=95 MM | Ersatzteile für 6004 | 1614431025
Hersteller: BOSCH
Artikelnummer: EB-F015600403-1614431025
Netto: 4,53 € zzgl. MwSt.
zzgl. 6,90 € Versand (brutto)
einmalig pro Bestellung

Lieferzeit: 5 Werktage

Pos.
56
BOSCH Kabelführung 120 MM | Ersatzteile für 6004 | 2604448283
Hersteller: BOSCH
Artikelnummer: EB-F015600403-2604448283
Netto: 3,94 € zzgl. MwSt.
zzgl. 6,90 € Versand (brutto)
einmalig pro Bestellung

Lieferzeit: 5 Werktage

Pos.
801
BOSCH Motorgehäuse | Ersatzteile für 6004 | F000601113
Hersteller: BOSCH
Artikelnummer: EB-F015600403-F000601113
nur Informationsartikel
Nie mehr lieferbar
keine Alternativen
Pos.
810
BOSCH Kohlebürstensatz | Ersatzteile für 6004 | F000611030
Hersteller: BOSCH
Artikelnummer: EB-F015600403-F000611030
nur Informationsartikel
Nie mehr lieferbar
keine Alternativen
Pos.
816
BOSCH Bürstenplatte | Ersatzteile für 6004 | 2604337101
Hersteller: BOSCH
Artikelnummer: EB-F015600403-2604337101
nur Informationsartikel
Nie mehr lieferbar
keine Alternativen
Pos.
830
BOSCH Schaltscheibe | Ersatzteile für 6004 | 2601901012
Hersteller: BOSCH
Artikelnummer: EB-F015600403-2601901012
nur Informationsartikel
Nie mehr lieferbar
keine Alternativen
Pos.
834
BOSCH Aufbausatz | Ersatzteile für 6004 | F000613018
Hersteller: BOSCH
Artikelnummer: EB-F015600403-F000613018
Netto: 8,33 € zzgl. MwSt.
zzgl. 6,90 € Versand (brutto)
einmalig pro Bestellung

Lieferzeit: 5 Werktage

Pos.
839
BOSCH Bohrfutter | Ersatzteile für 6004 | 9617085000
Hersteller: BOSCH
Artikelnummer: EB-F015600403-9617085000
nur Informationsartikel
Nie mehr lieferbar
keine Alternativen
Pos.
840
BOSCH Bohrfutterschlüssel | Ersatzteile für 6004 | 9617081894
Hersteller: BOSCH
Artikelnummer: EB-F015600403-9617081894
nur Informationsartikel
Nie mehr lieferbar
keine Alternativen
Pos.
854
BOSCH Handgriff | Ersatzteile für 6004 | F000633014
Hersteller: BOSCH
Artikelnummer: EB-F015600403-F000633014
Netto: 21,16 € zzgl. MwSt.
zzgl. 6,90 € Versand (brutto)
einmalig pro Bestellung

Lieferzeit: 5 Werktage

Pos.
855
BOSCH Tiefenanschlag SW 6x210 MM | Ersatzteile für 6004 | F000635207
Hersteller: BOSCH
Artikelnummer: EB-F015600403-F000635207
nur Informationsartikel
Nie mehr lieferbar
keine Alternativen

Angaben zur Produktsicherheit

Hersteller:
Robert Bosch Power Tools GmbH
Postfach 30 02 20
70442 Stuttgart

E-Mail:
kontakt@bosch.de