BOSCH Torx-Linsenschraube T20-8x19 MM | Ersatzteile für 6040 | 2610374919

Artikelnummer: EB-F0156040J1-2610374919

Position: 22

Marke: BOSCH


Bitte Kompatibilität prüfen!

Bitte prüfen Sie unbedingt die 10-stellige Typennummer Ihrer Maschine / Ihres Gerätes. Das Ersatzteil ist nur kompatibel, wenn Sie die Typennummer Ihrer Maschine in der unten stehenden Produktbeschreibung finden.

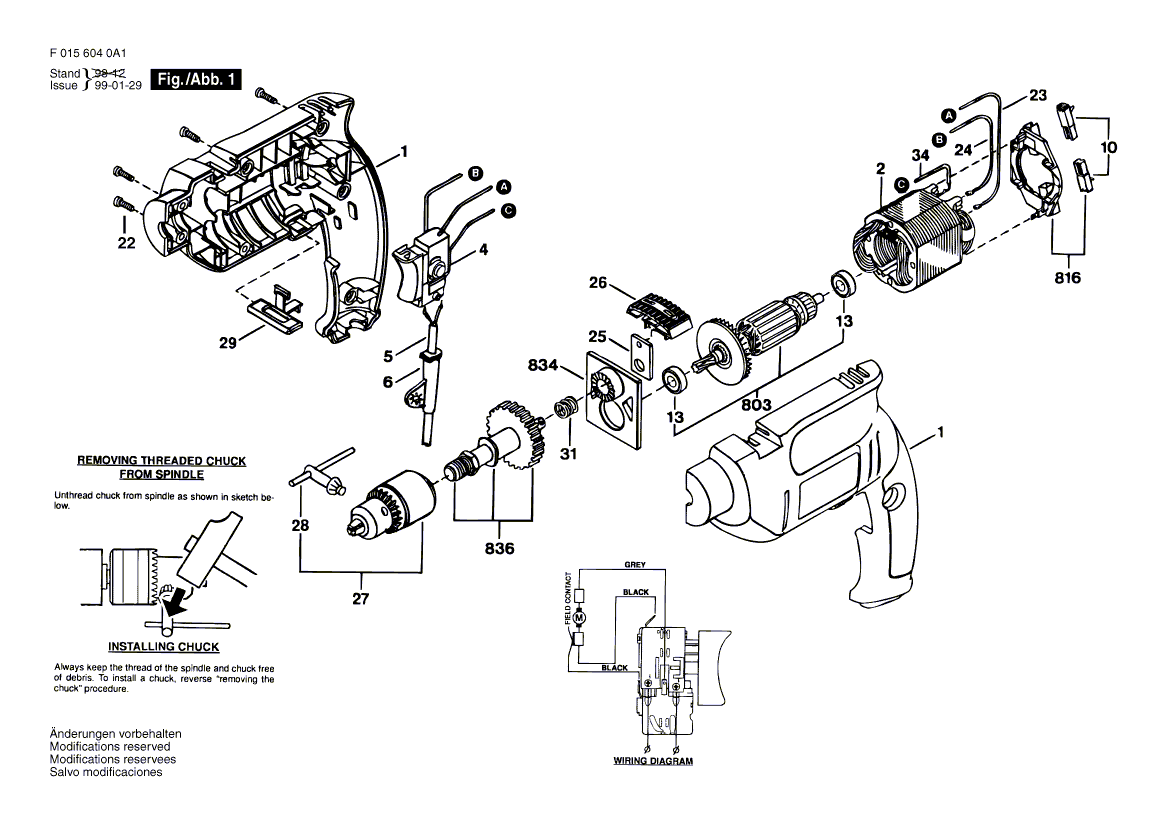
Bitte prüfen Sie ebenfalls detailliert die Explosionszeichnung mit Ihrem Artikelwunsch und der jeweiligen Pos-Nummer.

Alle Elemente, welche vom schwarzen Strich der Pos-Nummer ausgehend berührt / erfasst werden, gehören zu dieser Pos-Nummer und somit zu diesem Artikel. Jede Pos-Nummer ist ein eigenständiger Artikel, welchen Sie in der Auflistung finden.

Sie erhalten stets die aktuellste, neueste Produktversion zu der gewählten Pos-Nummer seitens des Herstellers. Es kann daher je nach Gerätealter vorkommen, dass Sie ggf. weitere, zugehörige Elemente, welche an diese Pos-Nummer grenzen, ebenfalls mittauschen müssen.

Nähere Informationen finden Sie unter dem Link
Hinweise zu Ihrer BOSCH Ersatzteilsuche

Preisübersicht

Einzelpreis: 3,63 €* (Brutto: 4,32 €)
Gesamtpreis: 3,63 €* 
Position:

Lieferzeit: 5 Werktage


Beschreibung

  • Torx-Linsenschraube T20-8x19 MM
  • Original Bosch Zubehör / BOSCH Ersatzteil (2610374919)
  • im Gerät verbaut: 1
Dieses BOSCH Ersatzteil ist mit folgendem Gerät und Modell kompatibel:
  • BOSCH Gerätename: 6040
  • BOSCH Explosionszeichnung: Position 22
  • BOSCH Typennummer: F0156040J1
  • BOSCH Typennummer alternative Schreibweisen: F 015 604 0J1, F015 604 0J1, F.015.604.0J1, F-015-604-0J1
    Bitte prüfen Sie diese Typennummer auf Ihrem Gerät um die Kompatibilität des BOSCH Ersatzteils zu gewährleisten.
Weitere BOSCH Ersatzteile des Gerätes 6040 (Schlagbohrmaschine) mit der Typennummer F0156040J1 finden Sie in der nachfolgenden Darstellung und im Dropdown zu Ihrer Auswahl:

Pos.
1
BOSCH Gehäusesatz | Ersatzteile für 6040 | 2610389703
Hersteller: BOSCH
Artikelnummer: EB-F0156040J1-2610389703
nur Informationsartikel
Nie mehr lieferbar
keine Alternativen
Pos.
2
BOSCH Polschuh 230V | Ersatzteile für 6040 | 2610387218
Hersteller: BOSCH
Artikelnummer: EB-F0156040J1-2610387218
nur Informationsartikel
Nie mehr lieferbar
keine Alternativen
Pos.
4
BOSCH Ein/Aus-Schalter ROT | Ersatzteile für 6040 | 2610390703
Hersteller: BOSCH
Artikelnummer: EB-F0156040J1-2610390703
nur Informationsartikel
Nie mehr lieferbar
keine Alternativen
Pos.
5
BOSCH Netzanschlussleitung 1,75m 2 x 1,0mm H05VV-F | Ersatzteile für 6040 | 2610386705
Hersteller: BOSCH
Artikelnummer: EB-F0156040J1-2610386705
nur Informationsartikel
Nie mehr lieferbar
keine Alternativen
Pos.
6
BOSCH Tülle Ø6,9 MM | Ersatzteile für 6040 | 2600707059
Hersteller: BOSCH
Artikelnummer: EB-F0156040J1-2600707059
Netto: 5,17 € zzgl. MwSt.
zzgl. 6,90 € Versand (brutto)
einmalig pro Bestellung

Lieferzeit: 5 Werktage

Pos.
10
BOSCH Bürstenhalter | Ersatzteile für 6040 | 2610376874
Hersteller: BOSCH
Artikelnummer: EB-F0156040J1-2610376874
nur Informationsartikel
Nie mehr lieferbar
keine Alternativen
Pos.
13
BOSCH Rillenkugellager 8x22x7 | Ersatzteile für 6040 | 2600905052
Hersteller: BOSCH
Artikelnummer: EB-F0156040J1-2600905052
Netto: 7,66 € zzgl. MwSt.
zzgl. 6,90 € Versand (brutto)
einmalig pro Bestellung

Lieferzeit: 5 Werktage

Pos.
22
BOSCH Torx-Linsenschraube T20-8x19 MM | Ersatzteile für 6040 | 2610374919
Hersteller: BOSCH
Artikelnummer: EB-F0156040J1-2610374919
Netto: 3,60 € zzgl. MwSt.
zzgl. 6,90 € Versand (brutto)
einmalig pro Bestellung

Lieferzeit: 5 Werktage

Pos.
23
BOSCH Verbindungsleitung SCHWARZ | Ersatzteile für 6040 | 2610386631
Hersteller: BOSCH
Artikelnummer: EB-F0156040J1-2610386631
nur Informationsartikel
Nie mehr lieferbar
keine Alternativen
Pos.
24
BOSCH Verbindungsleitung GRAU | Ersatzteile für 6040 | 2610386632
Hersteller: BOSCH
Artikelnummer: EB-F0156040J1-2610386632
nur Informationsartikel
Nie mehr lieferbar
keine Alternativen
Pos.
25
BOSCH Bohrplatte | Ersatzteile für 6040 | 2610386608
Hersteller: BOSCH
Artikelnummer: EB-F0156040J1-2610386608
nur Informationsartikel
Nie mehr lieferbar
keine Alternativen
Pos.
26
BOSCH Umschalter ROT | Ersatzteile für 6040 | 2610390701
Hersteller: BOSCH
Artikelnummer: EB-F0156040J1-2610390701
Netto: 4,76 € zzgl. MwSt.
zzgl. 6,90 € Versand (brutto)
einmalig pro Bestellung

Lieferzeit: 5 Werktage

Pos.
27
BOSCH Zahnkranzbohrfutter | Ersatzteile für 6040 | 2610387589
Hersteller: BOSCH
Artikelnummer: EB-F0156040J1-2610387589
nur Informationsartikel
Nie mehr lieferbar
keine Alternativen
Pos.
28
BOSCH Bohrfutterschlüssel | Ersatzteile für 6040 | 2610063333
Hersteller: BOSCH
Artikelnummer: EB-F0156040J1-2610063333
nur Informationsartikel
Nie mehr lieferbar
keine Alternativen
Pos.
29
BOSCH Umschalter ROT | Ersatzteile für 6040 | 2610390702
Hersteller: BOSCH
Artikelnummer: EB-F0156040J1-2610390702
nur Informationsartikel
Nie mehr lieferbar
keine Alternativen
Pos.
31
BOSCH Druckfeder | Ersatzteile für 6040 | 2610386630
Hersteller: BOSCH
Artikelnummer: EB-F0156040J1-2610386630
nur Informationsartikel
Nie mehr lieferbar
keine Alternativen
Pos.
34
BOSCH Verbindungsleitung SCHWARZ | Ersatzteile für 6040 | 2610387480
Hersteller: BOSCH
Artikelnummer: EB-F0156040J1-2610387480
nur Informationsartikel
Nie mehr lieferbar
keine Alternativen
Pos.
803
BOSCH Anker 230V | Ersatzteile für 6040 | 2610386669
Hersteller: BOSCH
Artikelnummer: EB-F0156040J1-2610386669
nur Informationsartikel
Nie mehr lieferbar
keine Alternativen
Pos.
816
BOSCH Bürstenhalter | Ersatzteile für 6040 | 2610387874
Hersteller: BOSCH
Artikelnummer: EB-F0156040J1-2610387874
nur Informationsartikel
Nie mehr lieferbar
keine Alternativen
Pos.
834
BOSCH Lagerbrücke | Ersatzteile für 6040 | 2610388840
Hersteller: BOSCH
Artikelnummer: EB-F0156040J1-2610388840
nur Informationsartikel
Nie mehr lieferbar
keine Alternativen
Pos.
836
BOSCH Bohrspindel | Ersatzteile für 6040 | 2610390892
Hersteller: BOSCH
Artikelnummer: EB-F0156040J1-2610390892
nur Informationsartikel
Nie mehr lieferbar
keine Alternativen

Angaben zur Produktsicherheit

Hersteller:
Robert Bosch Power Tools GmbH
Postfach 30 02 20
70442 Stuttgart

E-Mail:
kontakt@bosch.de