BOSCH Vorsatzgetriebe | Ersatzteile für 6220 | 2610994881

Artikelnummer: EB-F01262200A-2610994881

Position: 37

Marke: BOSCH


Bitte Kompatibilität prüfen!

Bitte prüfen Sie unbedingt die 10-stellige Typennummer Ihrer Maschine / Ihres Gerätes. Das Ersatzteil ist nur kompatibel, wenn Sie die Typennummer Ihrer Maschine in der unten stehenden Produktbeschreibung finden.

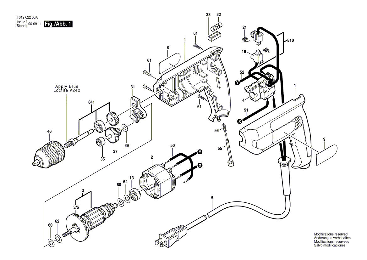
Bitte prüfen Sie ebenfalls detailliert die Explosionszeichnung mit Ihrem Artikelwunsch und der jeweiligen Pos-Nummer.

Alle Elemente, welche vom schwarzen Strich der Pos-Nummer ausgehend berührt / erfasst werden, gehören zu dieser Pos-Nummer und somit zu diesem Artikel. Jede Pos-Nummer ist ein eigenständiger Artikel, welchen Sie in der Auflistung finden.

Sie erhalten stets die aktuellste, neueste Produktversion zu der gewählten Pos-Nummer seitens des Herstellers. Es kann daher je nach Gerätealter vorkommen, dass Sie ggf. weitere, zugehörige Elemente, welche an diese Pos-Nummer grenzen, ebenfalls mittauschen müssen.

Nähere Informationen finden Sie unter dem Link
Hinweise zu Ihrer BOSCH Ersatzteilsuche

Preisübersicht

Einzelpreis: 9,18 €* (Brutto: 10,92 €)
Gesamtpreis: 9,18 €* 
Position:

Lieferzeit: 5 Werktage


Beschreibung

  • Vorsatzgetriebe
  • Original Bosch Zubehör / BOSCH Ersatzteil (2610994881)
  • im Gerät verbaut: 1
Dieses BOSCH Ersatzteil ist mit folgendem Gerät und Modell kompatibel:
  • BOSCH Gerätename: 6220
  • BOSCH Explosionszeichnung: Position 37
  • BOSCH Typennummer: F01262200A
  • BOSCH Typennummer alternative Schreibweisen: F 012 622 00A, F012 622 00A, F.012.622.00A, F-012-622-00A
    Bitte prüfen Sie diese Typennummer auf Ihrem Gerät um die Kompatibilität des BOSCH Ersatzteils zu gewährleisten.
Weitere BOSCH Ersatzteile des Gerätes 6220 (Bohrmaschine) mit der Typennummer F01262200A finden Sie in der nachfolgenden Darstellung und im Dropdown zu Ihrer Auswahl:

Pos.
1
BOSCH Motorgehäuse | Ersatzteile für 6220 | 2610967200
Hersteller: BOSCH
Artikelnummer: EB-F01262200A-2610967200
nur Informationsartikel
Nie mehr lieferbar
keine Alternativen
Pos.
3/5
BOSCH Lüfter | Ersatzteile für 6220 | 2610967201
Hersteller: BOSCH
Artikelnummer: EB-F01262200A-2610967201
nur Informationsartikel
Nie mehr lieferbar
keine Alternativen
Pos.
2
BOSCH Polschuh 120V | Ersatzteile für 6220 | 2610315863
Hersteller: BOSCH
Artikelnummer: EB-F01262200A-2610315863
nur Informationsartikel
Nie mehr lieferbar
keine Alternativen
Pos.
3
BOSCH Anker 120V | Ersatzteile für 6220 | 2610994880
Hersteller: BOSCH
Artikelnummer: EB-F01262200A-2610994880
nur Informationsartikel
Nie mehr lieferbar
keine Alternativen
Pos.
4
BOSCH Fahrtschalter | Ersatzteile für 6220 | 2610998161
Hersteller: BOSCH
Artikelnummer: EB-F01262200A-2610998161
nur Informationsartikel
Nie mehr lieferbar
keine Alternativen
Pos.
5
BOSCH Netzanschlussleitung | Ersatzteile für 6220 | 1619X00506
Hersteller: BOSCH
Artikelnummer: EB-F01262200A-1619X00506
nur Informationsartikel
Nie mehr lieferbar
keine Alternativen
Pos.
8
BOSCH Typschild | Ersatzteile für 6220 | 2610907598
Hersteller: BOSCH
Artikelnummer: EB-F01262200A-2610907598
nur Informationsartikel
Nie mehr lieferbar
keine Alternativen
Pos.
9
BOSCH Hinweisschild | Ersatzteile für 6220 | 2610907599
Hersteller: BOSCH
Artikelnummer: EB-F01262200A-2610907599
nur Informationsartikel
Nie mehr lieferbar
keine Alternativen
Pos.
13
BOSCH Lagerbuchse | Ersatzteile für 6220 | 2610967219
Hersteller: BOSCH
Artikelnummer: EB-F01262200A-2610967219
nur Informationsartikel
Nie mehr lieferbar
keine Alternativen
Pos.
16
BOSCH Bürstenhalter | Ersatzteile für 6220 | 2610967207
Hersteller: BOSCH
Artikelnummer: EB-F01262200A-2610967207
nur Informationsartikel
Nie mehr lieferbar
keine Alternativen
Pos.
21
BOSCH Kohlebürste | Ersatzteile für 6220 | 2610354369
Hersteller: BOSCH
Artikelnummer: EB-F01262200A-2610354369
Netto: 8,33 € zzgl. MwSt.
zzgl. 6,90 € Versand (brutto)
einmalig pro Bestellung

Lieferzeit: 5 Werktage

Pos.
31
BOSCH Lagerblock | Ersatzteile für 6220 | 2610967211
Hersteller: BOSCH
Artikelnummer: EB-F01262200A-2610967211
nur Informationsartikel
Nie mehr lieferbar
keine Alternativen
Pos.
32
BOSCH Libelle | Ersatzteile für 6220 | 2610967204
Hersteller: BOSCH
Artikelnummer: EB-F01262200A-2610967204
Netto: 0,95 € zzgl. MwSt.
zzgl. 6,90 € Versand (brutto)
einmalig pro Bestellung

Lieferzeit: 5 Werktage

Pos.
33
BOSCH Stütze | Ersatzteile für 6220 | 2610967205
Hersteller: BOSCH
Artikelnummer: EB-F01262200A-2610967205
nur Informationsartikel
Nie mehr lieferbar
keine Alternativen
Pos.
35
BOSCH Sinterbuchse | Ersatzteile für 6220 | 2610967222
Hersteller: BOSCH
Artikelnummer: EB-F01262200A-2610967222
nur Informationsartikel
Nie mehr lieferbar
keine Alternativen
Pos.
37
BOSCH Vorsatzgetriebe | Ersatzteile für 6220 | 2610994881
Hersteller: BOSCH
Artikelnummer: EB-F01262200A-2610994881
Netto: 9,18 € zzgl. MwSt.
zzgl. 6,90 € Versand (brutto)
einmalig pro Bestellung

Lieferzeit: 5 Werktage

Pos.
39
BOSCH Ausgleichscheibe 0,3 MM | Ersatzteile für 6220 | 2600100627
Hersteller: BOSCH
Artikelnummer: EB-F01262200A-2600100627
Netto: 3,94 € zzgl. MwSt.
zzgl. 6,90 € Versand (brutto)
einmalig pro Bestellung

Lieferzeit: 5 Werktage

Pos.
46
BOSCH Bohrfutter 3/8" | Ersatzteile für 6220 | 2610908303
Hersteller: BOSCH
Artikelnummer: EB-F01262200A-2610908303
nur Informationsartikel
Nie mehr lieferbar
keine Alternativen
Pos.
50
BOSCH Anschlussdraht SCHWARZ | Ersatzteile für 6220 | 2610038609
Hersteller: BOSCH
Artikelnummer: EB-F01262200A-2610038609
nur Informationsartikel
Nie mehr lieferbar
keine Alternativen
Pos.
51
BOSCH Verbindungsleitung | Ersatzteile für 6220 | 2610038675
Hersteller: BOSCH
Artikelnummer: EB-F01262200A-2610038675
nur Informationsartikel
Nie mehr lieferbar
keine Alternativen
Pos.
52
BOSCH Verbindungsleitung BRAUN | Ersatzteile für 6220 | 2610038922
Hersteller: BOSCH
Artikelnummer: EB-F01262200A-2610038922
nur Informationsartikel
Nie mehr lieferbar
keine Alternativen
Pos.
55
BOSCH Arretierung | Ersatzteile für 6220 | 2610967223
Hersteller: BOSCH
Artikelnummer: EB-F01262200A-2610967223
nur Informationsartikel
Nie mehr lieferbar
keine Alternativen
Pos.
56
BOSCH Druckfeder | Ersatzteile für 6220 | 2610967239
Hersteller: BOSCH
Artikelnummer: EB-F01262200A-2610967239
nur Informationsartikel
Nie mehr lieferbar
keine Alternativen
Pos.
60
BOSCH Scheibe | Ersatzteile für 6220 | 2610026126
Hersteller: BOSCH
Artikelnummer: EB-F01262200A-2610026126
Netto: 3,95 € zzgl. MwSt.
zzgl. 6,90 € Versand (brutto)
einmalig pro Bestellung

Lieferzeit: 5 Werktage

Pos.
61
BOSCH Schraube ST3,9x19 | Ersatzteile für 6220 | 2610315386
Hersteller: BOSCH
Artikelnummer: EB-F01262200A-2610315386
Netto: 3,94 € zzgl. MwSt.
zzgl. 6,90 € Versand (brutto)
einmalig pro Bestellung

Lieferzeit: 5 Werktage

Pos.
62
BOSCH Scheibe | Ersatzteile für 6220 | 2610027396
Hersteller: BOSCH
Artikelnummer: EB-F01262200A-2610027396
nur Informationsartikel
Nie mehr lieferbar
keine Alternativen
Pos.
810
BOSCH Kohlebürstensatz | Ersatzteile für 6220 | 2610967236
Hersteller: BOSCH
Artikelnummer: EB-F01262200A-2610967236
nur Informationsartikel
Nie mehr lieferbar
keine Alternativen
Pos.
841
BOSCH Bohrspindel | Ersatzteile für 6220 | 2610967227
Hersteller: BOSCH
Artikelnummer: EB-F01262200A-2610967227
nur Informationsartikel
Nie mehr lieferbar
keine Alternativen

Angaben zur Produktsicherheit

Hersteller:
Robert Bosch Power Tools GmbH
Postfach 30 02 20
70442 Stuttgart

E-Mail:
kontakt@bosch.de