BOSCH Libelle | Ersatzteile für 6355 | 2610967204

Artikelnummer: EB-F012635500-2610967204

Position: 32

Marke: BOSCH


Bitte Kompatibilität prüfen!

Bitte prüfen Sie unbedingt die 10-stellige Typennummer Ihrer Maschine / Ihres Gerätes. Das Ersatzteil ist nur kompatibel, wenn Sie die Typennummer Ihrer Maschine in der unten stehenden Produktbeschreibung finden.

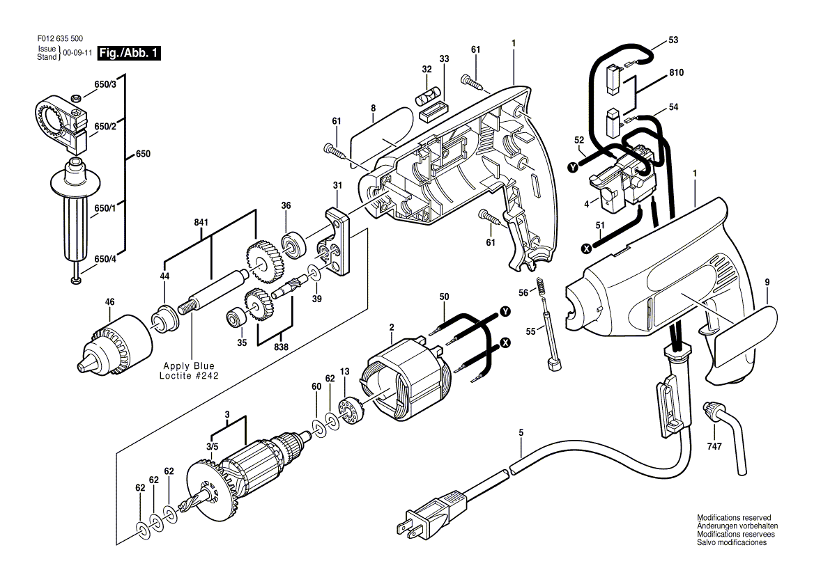
Bitte prüfen Sie ebenfalls detailliert die Explosionszeichnung mit Ihrem Artikelwunsch und der jeweiligen Pos-Nummer.

Alle Elemente, welche vom schwarzen Strich der Pos-Nummer ausgehend berührt / erfasst werden, gehören zu dieser Pos-Nummer und somit zu diesem Artikel. Jede Pos-Nummer ist ein eigenständiger Artikel, welchen Sie in der Auflistung finden.

Sie erhalten stets die aktuellste, neueste Produktversion zu der gewählten Pos-Nummer seitens des Herstellers. Es kann daher je nach Gerätealter vorkommen, dass Sie ggf. weitere, zugehörige Elemente, welche an diese Pos-Nummer grenzen, ebenfalls mittauschen müssen.

Nähere Informationen finden Sie unter dem Link
Hinweise zu Ihrer BOSCH Ersatzteilsuche

Preisübersicht

Einzelpreis: 0,95 €* (Brutto: 1,13 €)
Gesamtpreis: 0,95 €* 
Position:

Lieferzeit: 5 Werktage


Beschreibung

  • Libelle
  • Original Bosch Zubehör / BOSCH Ersatzteil (2610967204)
  • im Gerät verbaut: 1
Dieses BOSCH Ersatzteil ist mit folgendem Gerät und Modell kompatibel:
  • BOSCH Gerätename: 6355
  • BOSCH Explosionszeichnung: Position 32
  • BOSCH Typennummer: F012635500
  • BOSCH Typennummer alternative Schreibweisen: F 012 635 500, F012 635 500, F.012.635.500, F-012-635-500
    Bitte prüfen Sie diese Typennummer auf Ihrem Gerät um die Kompatibilität des BOSCH Ersatzteils zu gewährleisten.
Weitere BOSCH Ersatzteile des Gerätes 6355 (Bohrmaschine) mit der Typennummer F012635500 finden Sie in der nachfolgenden Darstellung und im Dropdown zu Ihrer Auswahl:

Pos.
1
BOSCH Gehäusesatz | Ersatzteile für 6355 | 2610967150
Hersteller: BOSCH
Artikelnummer: EB-F012635500-2610967150
nur Informationsartikel
Nie mehr lieferbar
keine Alternativen
Pos.
3/5
BOSCH Lüfter | Ersatzteile für 6355 | 2610910304
Hersteller: BOSCH
Artikelnummer: EB-F012635500-2610910304
nur Informationsartikel
Nie mehr lieferbar
keine Alternativen
Pos.
650/1
BOSCH Handgriff | Ersatzteile für 6355 | 2610910349
Hersteller: BOSCH
Artikelnummer: EB-F012635500-2610910349
nur Informationsartikel
Nie mehr lieferbar
keine Alternativen
Pos.
650/2
BOSCH Klauenring | Ersatzteile für 6355 | 2610910325
Hersteller: BOSCH
Artikelnummer: EB-F012635500-2610910325
nur Informationsartikel
Nie mehr lieferbar
keine Alternativen
Pos.
650/3
BOSCH Mutter | Ersatzteile für 6355 | 2610044563
Hersteller: BOSCH
Artikelnummer: EB-F012635500-2610044563
Netto: 0,95 € zzgl. MwSt.
zzgl. 6,90 € Versand (brutto)
einmalig pro Bestellung

Lieferzeit: 5 Werktage

Pos.
650/4
BOSCH Schraube | Ersatzteile für 6355 | 2610967194
Hersteller: BOSCH
Artikelnummer: EB-F012635500-2610967194
Netto: 4,39 € zzgl. MwSt.
zzgl. 6,90 € Versand (brutto)
einmalig pro Bestellung

Lieferzeit: 5 Werktage

Pos.
2
BOSCH Polschuh 120V | Ersatzteile für 6355 | 2610967181
Hersteller: BOSCH
Artikelnummer: EB-F012635500-2610967181
Netto: 14,61 € zzgl. MwSt.
zzgl. 6,90 € Versand (brutto)
einmalig pro Bestellung

Lieferzeit: 5 Werktage

Pos.
3
BOSCH Anker 120V | Ersatzteile für 6355 | 2610967173
Hersteller: BOSCH
Artikelnummer: EB-F012635500-2610967173
nur Informationsartikel
Nie mehr lieferbar
keine Alternativen
Pos.
4
BOSCH Ein/Aus-Schalter | Ersatzteile für 6355 | 2610967153
Hersteller: BOSCH
Artikelnummer: EB-F012635500-2610967153
nur Informationsartikel
Nie mehr lieferbar
keine Alternativen
Pos.
5
BOSCH Netzanschlussleitung | Ersatzteile für 6355 | 2610967174
Hersteller: BOSCH
Artikelnummer: EB-F012635500-2610967174
nur Informationsartikel
Nie mehr lieferbar
keine Alternativen
Pos.
8
BOSCH Typschild | Ersatzteile für 6355 | 2610908869
Hersteller: BOSCH
Artikelnummer: EB-F012635500-2610908869
nur Informationsartikel
Nie mehr lieferbar
keine Alternativen
Pos.
9
BOSCH Typschild | Ersatzteile für 6355 | 2610908875
Hersteller: BOSCH
Artikelnummer: EB-F012635500-2610908875
nur Informationsartikel
Nie mehr lieferbar
keine Alternativen
Pos.
13
BOSCH Lagerbuchse | Ersatzteile für 6355 | 2610967219
Hersteller: BOSCH
Artikelnummer: EB-F012635500-2610967219
nur Informationsartikel
Nie mehr lieferbar
keine Alternativen
Pos.
31
BOSCH Lagerblock | Ersatzteile für 6355 | 2610967163
Hersteller: BOSCH
Artikelnummer: EB-F012635500-2610967163
nur Informationsartikel
Nie mehr lieferbar
keine Alternativen
Pos.
32
BOSCH Libelle | Ersatzteile für 6355 | 2610967204
Hersteller: BOSCH
Artikelnummer: EB-F012635500-2610967204
Netto: 0,95 € zzgl. MwSt.
zzgl. 6,90 € Versand (brutto)
einmalig pro Bestellung

Lieferzeit: 5 Werktage

Pos.
33
BOSCH Stütze | Ersatzteile für 6355 | 2610967152
Hersteller: BOSCH
Artikelnummer: EB-F012635500-2610967152
Netto: 0,62 € zzgl. MwSt.
zzgl. 6,90 € Versand (brutto)
einmalig pro Bestellung

Lieferzeit: 5 Werktage

Pos.
35
BOSCH Nadellager | Ersatzteile für 6355 | 2610992216
Hersteller: BOSCH
Artikelnummer: EB-F012635500-2610992216
nur Informationsartikel
Nie mehr lieferbar
keine Alternativen
Pos.
36
BOSCH Kugellager | Ersatzteile für 6355 | 1619P01511
Hersteller: BOSCH
Artikelnummer: EB-F012635500-1619P01511
Netto: 7,30 € zzgl. MwSt.
zzgl. 6,90 € Versand (brutto)
einmalig pro Bestellung

Lieferzeit: 5 Werktage

Pos.
39
BOSCH Ausgleichscheibe 0,3 MM | Ersatzteile für 6355 | 2600100627
Hersteller: BOSCH
Artikelnummer: EB-F012635500-2600100627
Netto: 3,94 € zzgl. MwSt.
zzgl. 6,90 € Versand (brutto)
einmalig pro Bestellung

Lieferzeit: 5 Werktage

Pos.
44
BOSCH Sinterbuchse | Ersatzteile für 6355 | 2610967161
Hersteller: BOSCH
Artikelnummer: EB-F012635500-2610967161
nur Informationsartikel
Nie mehr lieferbar
keine Alternativen
Pos.
46
BOSCH Bohrfutter | Ersatzteile für 6355 | 2610907641
Hersteller: BOSCH
Artikelnummer: EB-F012635500-2610907641
Netto: 15,75 € zzgl. MwSt.
zzgl. 6,90 € Versand (brutto)
einmalig pro Bestellung

Lieferzeit: 5 Werktage

Pos.
50
BOSCH Elektr Leitung 135 MM | Ersatzteile für 6355 | 2610967175
Hersteller: BOSCH
Artikelnummer: EB-F012635500-2610967175
nur Informationsartikel
Nie mehr lieferbar
keine Alternativen
Pos.
51
BOSCH Elektr Leitung 165 MM | Ersatzteile für 6355 | 2610967176
Hersteller: BOSCH
Artikelnummer: EB-F012635500-2610967176
nur Informationsartikel
Nie mehr lieferbar
keine Alternativen
Pos.
52
BOSCH Elektr Leitung 140 MM | Ersatzteile für 6355 | 2610967177
Hersteller: BOSCH
Artikelnummer: EB-F012635500-2610967177
nur Informationsartikel
Nie mehr lieferbar
keine Alternativen
Pos.
53
BOSCH Anschlussdraht 130 MM SCHWARZ | Ersatzteile für 6355 | 2610039904
Hersteller: BOSCH
Artikelnummer: EB-F012635500-2610039904
nur Informationsartikel
Nie mehr lieferbar
keine Alternativen
Pos.
54
BOSCH Anschlussdraht 50 MM | Ersatzteile für 6355 | 2610320494
Hersteller: BOSCH
Artikelnummer: EB-F012635500-2610320494
nur Informationsartikel
Nie mehr lieferbar
keine Alternativen
Pos.
55
BOSCH Stelleinheit | Ersatzteile für 6355 | 2610967151
Hersteller: BOSCH
Artikelnummer: EB-F012635500-2610967151
nur Informationsartikel
Nie mehr lieferbar
keine Alternativen
Pos.
56
BOSCH Druckfeder | Ersatzteile für 6355 | 2610967228
Hersteller: BOSCH
Artikelnummer: EB-F012635500-2610967228
nur Informationsartikel
Nie mehr lieferbar
keine Alternativen
Pos.
60
BOSCH Scheibe | Ersatzteile für 6355 | 2610026126
Hersteller: BOSCH
Artikelnummer: EB-F012635500-2610026126
Netto: 3,95 € zzgl. MwSt.
zzgl. 6,90 € Versand (brutto)
einmalig pro Bestellung

Lieferzeit: 5 Werktage

Pos.
61
BOSCH Schraube | Ersatzteile für 6355 | 1619X00504
Hersteller: BOSCH
Artikelnummer: EB-F012635500-1619X00504
Netto: 3,63 € zzgl. MwSt.
zzgl. 6,90 € Versand (brutto)
einmalig pro Bestellung

Lieferzeit: 5 Werktage

Pos.
62
BOSCH Scheibe | Ersatzteile für 6355 | 2610027396
Hersteller: BOSCH
Artikelnummer: EB-F012635500-2610027396
nur Informationsartikel
Nie mehr lieferbar
keine Alternativen
Pos.
650
BOSCH Zusatzhandgriff | Ersatzteile für 6355 | 2610967198
Hersteller: BOSCH
Artikelnummer: EB-F012635500-2610967198
nur Informationsartikel
Nie mehr lieferbar
keine Alternativen
Pos.
747
BOSCH Bohrfutterschlüssel | Ersatzteile für 6355 | 2610096500
Hersteller: BOSCH
Artikelnummer: EB-F012635500-2610096500
nur Informationsartikel
Nie mehr lieferbar
keine Alternativen
Pos.
810
BOSCH Kohlebürstensatz | Ersatzteile für 6355 | 2610967197
Hersteller: BOSCH
Artikelnummer: EB-F012635500-2610967197
Netto: 8,33 € zzgl. MwSt.
zzgl. 6,90 € Versand (brutto)
einmalig pro Bestellung

Lieferzeit: 5 Werktage

Pos.
838
BOSCH Umsetzgetriebe | Ersatzteile für 6355 | 2610993247
Hersteller: BOSCH
Artikelnummer: EB-F012635500-2610993247
nur Informationsartikel
Nie mehr lieferbar
keine Alternativen
Pos.
841
BOSCH Spindelgruppe | Ersatzteile für 6355 | 2610967169
Hersteller: BOSCH
Artikelnummer: EB-F012635500-2610967169
nur Informationsartikel
Nie mehr lieferbar
keine Alternativen

Angaben zur Produktsicherheit

Hersteller:
Robert Bosch Power Tools GmbH
Postfach 30 02 20
70442 Stuttgart

E-Mail:
kontakt@bosch.de