BOSCH Netzanschlussleitung EU 230V 2,7m 2 x 0,75mm H05 VV-F | Ersatzteile für 6370 | 2604460259

Artikelnummer: EB-F015637012-2604460259

Position: 5

Marke: BOSCH


Bitte Kompatibilität prüfen!

Bitte prüfen Sie unbedingt die 10-stellige Typennummer Ihrer Maschine / Ihres Gerätes. Das Ersatzteil ist nur kompatibel, wenn Sie die Typennummer Ihrer Maschine in der unten stehenden Produktbeschreibung finden.

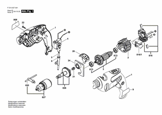
Bitte prüfen Sie ebenfalls detailliert die Explosionszeichnung mit Ihrem Artikelwunsch und der jeweiligen Pos-Nummer.

Alle Elemente, welche vom schwarzen Strich der Pos-Nummer ausgehend berührt / erfasst werden, gehören zu dieser Pos-Nummer und somit zu diesem Artikel. Jede Pos-Nummer ist ein eigenständiger Artikel, welchen Sie in der Auflistung finden.

Sie erhalten stets die aktuellste, neueste Produktversion zu der gewählten Pos-Nummer seitens des Herstellers. Es kann daher je nach Gerätealter vorkommen, dass Sie ggf. weitere, zugehörige Elemente, welche an diese Pos-Nummer grenzen, ebenfalls mittauschen müssen.

Nähere Informationen finden Sie unter dem Link
Hinweise zu Ihrer BOSCH Ersatzteilsuche

Preisübersicht

Einzelpreis: 11,92 €* (Brutto: 14,18 €)
Gesamtpreis: 11,92 €* 
Position:

Lieferzeit: 5 Werktage


Beschreibung

  • Netzanschlussleitung EU 230V 2,7m 2 x 0,75mm H05 VV-F
  • Original Bosch Zubehör / BOSCH Ersatzteil (2604460259)
  • im Gerät verbaut: 1
Dieses BOSCH Ersatzteil ist mit folgendem Gerät und Modell kompatibel:
  • BOSCH Gerätename: 6370
  • BOSCH Explosionszeichnung: Position 5
  • BOSCH Typennummer: F015637012
  • BOSCH Typennummer alternative Schreibweisen: F 015 637 012, F015 637 012, F.015.637.012, F-015-637-012
    Bitte prüfen Sie diese Typennummer auf Ihrem Gerät um die Kompatibilität des BOSCH Ersatzteils zu gewährleisten.
Weitere BOSCH Ersatzteile des Gerätes 6370 (Schlagbohrmaschine) mit der Typennummer F015637012 finden Sie in der nachfolgenden Darstellung und im Dropdown zu Ihrer Auswahl:

Pos.
1
BOSCH Gehäusesatz SCHWARZ | Ersatzteile für 6370 | 2610390870
Hersteller: BOSCH
Artikelnummer: EB-F015637012-2610390870
Netto: 12,98 € zzgl. MwSt.
zzgl. 6,90 € Versand (brutto)
einmalig pro Bestellung

Lieferzeit: 5 Werktage

Pos.
816/1
BOSCH Umschalter ROT | Ersatzteile für 6370 | 2610390291
Hersteller: BOSCH
Artikelnummer: EB-F015637012-2610390291
nur Informationsartikel
Nie mehr lieferbar
keine Alternativen
Pos.
2
BOSCH Polschuh 230V | Ersatzteile für 6370 | 2610392992
Hersteller: BOSCH
Artikelnummer: EB-F015637012-2610392992
nur Informationsartikel
Nie mehr lieferbar
keine Alternativen
Pos.
3
BOSCH Anker 230V | Ersatzteile für 6370 | 2609000668
Hersteller: BOSCH
Artikelnummer: EB-F015637012-2609000668
Netto: 23,72 € zzgl. MwSt.
zzgl. 6,90 € Versand (brutto)
einmalig pro Bestellung

Lieferzeit: 5 Werktage

Pos.
4
BOSCH Schalter | Ersatzteile für 6370 | 2607200594
Hersteller: BOSCH
Artikelnummer: EB-F015637012-2607200594
Netto: 10,92 € zzgl. MwSt.
zzgl. 6,90 € Versand (brutto)
einmalig pro Bestellung

Lieferzeit: 5 Werktage

Pos.
5
BOSCH Netzanschlussleitung EU 230V 2,7m 2 x 0,75mm H05 VV-F | Ersatzteile für 6370 | 2604460259
Hersteller: BOSCH
Artikelnummer: EB-F015637012-2604460259
Netto: 11,92 € zzgl. MwSt.
zzgl. 6,90 € Versand (brutto)
einmalig pro Bestellung

Lieferzeit: 5 Werktage

Pos.
6
BOSCH Tülle Ø6,2-Ø6,9x90 MM | Ersatzteile für 6370 | 2600707066
Hersteller: BOSCH
Artikelnummer: EB-F015637012-2600707066
nur Informationsartikel
Nie mehr lieferbar
keine Alternativen
Pos.
22
BOSCH Torx-Linsenschraube T20-8x19 MM | Ersatzteile für 6370 | 2610374919
Hersteller: BOSCH
Artikelnummer: EB-F015637012-2610374919
Netto: 3,63 € zzgl. MwSt.
zzgl. 6,90 € Versand (brutto)
einmalig pro Bestellung

Lieferzeit: 5 Werktage

Pos.
26
BOSCH Einstellknopf ROT | Ersatzteile für 6370 | 2610390877
Hersteller: BOSCH
Artikelnummer: EB-F015637012-2610390877
Netto: 3,63 € zzgl. MwSt.
zzgl. 6,90 € Versand (brutto)
einmalig pro Bestellung

Lieferzeit: 5 Werktage

Pos.
31
BOSCH Druckfeder | Ersatzteile für 6370 | 2610390882
Hersteller: BOSCH
Artikelnummer: EB-F015637012-2610390882
nur Informationsartikel
Nie mehr lieferbar
keine Alternativen
Pos.
34
BOSCH Tragplatte | Ersatzteile für 6370 | 2610390872
Hersteller: BOSCH
Artikelnummer: EB-F015637012-2610390872
Netto: 7,30 € zzgl. MwSt.
zzgl. 6,90 € Versand (brutto)
einmalig pro Bestellung

Lieferzeit: 5 Werktage

Pos.
650
BOSCH Bohrfutterschlüssel | Ersatzteile für 6370 | 2610063333
Hersteller: BOSCH
Artikelnummer: EB-F015637012-2610063333
nur Informationsartikel
Nie mehr lieferbar
keine Alternativen
Pos.
813
BOSCH Rillenkugellager 8x22x7 | Ersatzteile für 6370 | 2600905052
Hersteller: BOSCH
Artikelnummer: EB-F015637012-2600905052
Netto: 7,76 € zzgl. MwSt.
zzgl. 6,90 € Versand (brutto)
einmalig pro Bestellung

Lieferzeit: 5 Werktage

Pos.
816
BOSCH Bürstenplatte | Ersatzteile für 6370 | 2610392527
Hersteller: BOSCH
Artikelnummer: EB-F015637012-2610392527
nur Informationsartikel
Nie mehr lieferbar
keine Alternativen
Pos.
827
BOSCH Bohrfutter Ø1,5-13 MM, 1/2" | Ersatzteile für 6370 | 1608571069
Hersteller: BOSCH
Artikelnummer: EB-F015637012-1608571069
Netto: 21,16 € zzgl. MwSt.
zzgl. 6,90 € Versand (brutto)
einmalig pro Bestellung

Lieferzeit: 5 Werktage

Pos.
836
BOSCH Spindelgruppe | Ersatzteile für 6370 | 2610392513
Hersteller: BOSCH
Artikelnummer: EB-F015637012-2610392513
nur Informationsartikel
Nie mehr lieferbar
keine Alternativen

Angaben zur Produktsicherheit

Hersteller:
Robert Bosch Power Tools GmbH
Postfach 30 02 20
70442 Stuttgart

E-Mail:
kontakt@bosch.de