BOSCH Tiefenanschlag | Ersatzteile für 6380 | 2609005615

Artikelnummer: EB-F015638004-2609005615

Position: 682

Marke: BOSCH


Bitte Kompatibilität prüfen!

Bitte prüfen Sie unbedingt die 10-stellige Typennummer Ihrer Maschine / Ihres Gerätes. Das Ersatzteil ist nur kompatibel, wenn Sie die Typennummer Ihrer Maschine in der unten stehenden Produktbeschreibung finden.

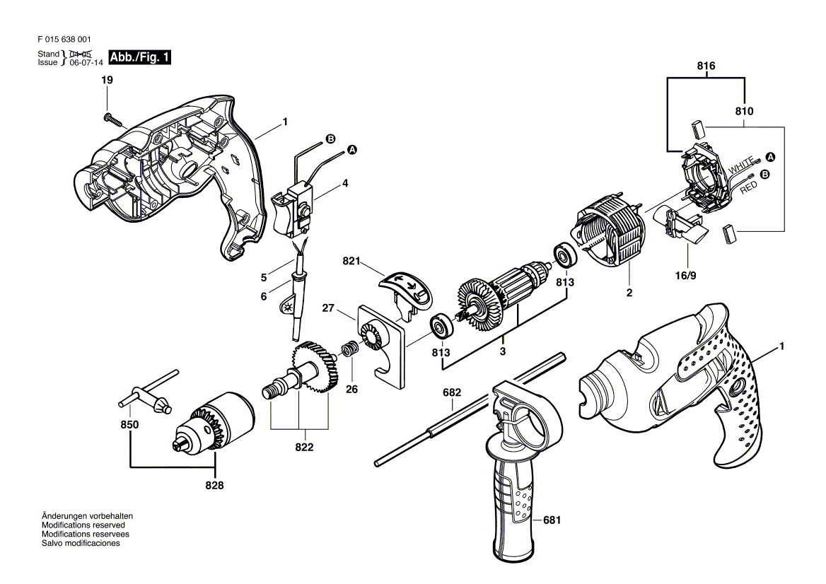
Bitte prüfen Sie ebenfalls detailliert die Explosionszeichnung mit Ihrem Artikelwunsch und der jeweiligen Pos-Nummer.

Alle Elemente, welche vom schwarzen Strich der Pos-Nummer ausgehend berührt / erfasst werden, gehören zu dieser Pos-Nummer und somit zu diesem Artikel. Jede Pos-Nummer ist ein eigenständiger Artikel, welchen Sie in der Auflistung finden.

Sie erhalten stets die aktuellste, neueste Produktversion zu der gewählten Pos-Nummer seitens des Herstellers. Es kann daher je nach Gerätealter vorkommen, dass Sie ggf. weitere, zugehörige Elemente, welche an diese Pos-Nummer grenzen, ebenfalls mittauschen müssen.

Nähere Informationen finden Sie unter dem Link
Hinweise zu Ihrer BOSCH Ersatzteilsuche

Preisübersicht

Einzelpreis: 5,67 €* (Brutto: 6,75 €)
Gesamtpreis: 5,67 €* 
Position:

Lieferzeit: 5 Werktage


Beschreibung

  • Tiefenanschlag
  • Original Bosch Zubehör / BOSCH Ersatzteil (2609005615)
  • im Gerät verbaut: 1
Dieses BOSCH Ersatzteil ist mit folgendem Gerät und Modell kompatibel:
  • BOSCH Gerätename: 6380
  • BOSCH Explosionszeichnung: Position 682
  • BOSCH Typennummer: F015638004
  • BOSCH Typennummer alternative Schreibweisen: F 015 638 004, F015 638 004, F.015.638.004, F-015-638-004
    Bitte prüfen Sie diese Typennummer auf Ihrem Gerät um die Kompatibilität des BOSCH Ersatzteils zu gewährleisten.
Weitere BOSCH Ersatzteile des Gerätes 6380 (Schlagbohrmaschine) mit der Typennummer F015638004 finden Sie in der nachfolgenden Darstellung und im Dropdown zu Ihrer Auswahl:

Pos.
1
BOSCH Gehäuseschale | Ersatzteile für 6380 | 2609000086
Hersteller: BOSCH
Artikelnummer: EB-F015638004-2609000086
nur Informationsartikel
Nie mehr lieferbar
keine Alternativen
Pos.
16/9
BOSCH Umschalter SCHWARZ | Ersatzteile für 6380 | 2610392014
Hersteller: BOSCH
Artikelnummer: EB-F015638004-2610392014
nur Informationsartikel
Nie mehr lieferbar
keine Alternativen
Pos.
2
BOSCH Polschuh 230V | Ersatzteile für 6380 | 2610392992
Hersteller: BOSCH
Artikelnummer: EB-F015638004-2610392992
nur Informationsartikel
Nie mehr lieferbar
keine Alternativen
Pos.
3
BOSCH Anker 230V | Ersatzteile für 6380 | 2609000668
Hersteller: BOSCH
Artikelnummer: EB-F015638004-2609000668
Netto: 23,72 € zzgl. MwSt.
zzgl. 6,90 € Versand (brutto)
einmalig pro Bestellung

Lieferzeit: 5 Werktage

Pos.
4
BOSCH Schalter | Ersatzteile für 6380 | 2607200594
Hersteller: BOSCH
Artikelnummer: EB-F015638004-2607200594
Netto: 10,92 € zzgl. MwSt.
zzgl. 6,90 € Versand (brutto)
einmalig pro Bestellung

Lieferzeit: 5 Werktage

Pos.
5
BOSCH Netzanschlussleitung 1,75m 2 x 0,75mm H05 VV-F | Ersatzteile für 6380 | 2610386623
Hersteller: BOSCH
Artikelnummer: EB-F015638004-2610386623
nur Informationsartikel
Nie mehr lieferbar
keine Alternativen
Pos.
6
BOSCH Tülle Ø6,2-Ø6,9x90 MM | Ersatzteile für 6380 | 2600707066
Hersteller: BOSCH
Artikelnummer: EB-F015638004-2600707066
nur Informationsartikel
Nie mehr lieferbar
keine Alternativen
Pos.
19
BOSCH Torx-Linsenschraube T20-8x19 MM | Ersatzteile für 6380 | 2610374919
Hersteller: BOSCH
Artikelnummer: EB-F015638004-2610374919
Netto: 3,63 € zzgl. MwSt.
zzgl. 6,90 € Versand (brutto)
einmalig pro Bestellung

Lieferzeit: 5 Werktage

Pos.
26
BOSCH Druckfeder | Ersatzteile für 6380 | 2610390882
Hersteller: BOSCH
Artikelnummer: EB-F015638004-2610390882
nur Informationsartikel
Nie mehr lieferbar
keine Alternativen
Pos.
27
BOSCH Tragplatte | Ersatzteile für 6380 | 2610390872
Hersteller: BOSCH
Artikelnummer: EB-F015638004-2610390872
Netto: 7,30 € zzgl. MwSt.
zzgl. 6,90 € Versand (brutto)
einmalig pro Bestellung

Lieferzeit: 5 Werktage

Pos.
681
BOSCH Zusatzhandgriff | Ersatzteile für 6380 | 2609000075
Hersteller: BOSCH
Artikelnummer: EB-F015638004-2609000075
Netto: 9,18 € zzgl. MwSt.
zzgl. 6,90 € Versand (brutto)
einmalig pro Bestellung

Lieferzeit: 5 Werktage

Pos.
682
BOSCH Tiefenanschlag | Ersatzteile für 6380 | 2609005615
Hersteller: BOSCH
Artikelnummer: EB-F015638004-2609005615
Netto: 5,67 € zzgl. MwSt.
zzgl. 6,90 € Versand (brutto)
einmalig pro Bestellung

Lieferzeit: 5 Werktage

Pos.
810
BOSCH Kohlebürstensatz | Ersatzteile für 6380 | 2609000435
Hersteller: BOSCH
Artikelnummer: EB-F015638004-2609000435
Netto: 7,76 € zzgl. MwSt.
zzgl. 6,90 € Versand (brutto)
einmalig pro Bestellung

Lieferzeit: 5 Werktage

Pos.
813
BOSCH Rillenkugellager 8x22x7 608-2Z/C3 | Ersatzteile für 6380 | 3130900020
Hersteller: BOSCH
Artikelnummer: EB-F015638004-3130900020
Netto: 7,30 € zzgl. MwSt.
zzgl. 6,90 € Versand (brutto)
einmalig pro Bestellung

Lieferzeit: 5 Werktage

Pos.
816
BOSCH Bürstenhalter | Ersatzteile für 6380 | 2610392924
Hersteller: BOSCH
Artikelnummer: EB-F015638004-2610392924
nur Informationsartikel
Nie mehr lieferbar
keine Alternativen
Pos.
821
BOSCH Einstellknopf ROT | Ersatzteile für 6380 | 2610390877
Hersteller: BOSCH
Artikelnummer: EB-F015638004-2610390877
Netto: 3,63 € zzgl. MwSt.
zzgl. 6,90 € Versand (brutto)
einmalig pro Bestellung

Lieferzeit: 5 Werktage

Pos.
822
BOSCH Spindelgruppe | Ersatzteile für 6380 | 2609000142
Hersteller: BOSCH
Artikelnummer: EB-F015638004-2609000142
nur Informationsartikel
Nie mehr lieferbar
keine Alternativen
Pos.
828
BOSCH Bohrfutter Ø1,5-13 MM, 1/2" | Ersatzteile für 6380 | 1608571069
Hersteller: BOSCH
Artikelnummer: EB-F015638004-1608571069
Netto: 21,16 € zzgl. MwSt.
zzgl. 6,90 € Versand (brutto)
einmalig pro Bestellung

Lieferzeit: 5 Werktage

Pos.
850
BOSCH Bohrfutterschlüssel | Ersatzteile für 6380 | 2610063333
Hersteller: BOSCH
Artikelnummer: EB-F015638004-2610063333
nur Informationsartikel
Nie mehr lieferbar
keine Alternativen

Angaben zur Produktsicherheit

Hersteller:
Robert Bosch Power Tools GmbH
Postfach 30 02 20
70442 Stuttgart

E-Mail:
kontakt@bosch.de