BOSCH Zusatzhandgriff | Ersatzteile für 6390 | 2609000075

Artikelnummer: EB-F015639002-2609000075

Position: 681

Marke: BOSCH


Bitte Kompatibilität prüfen!

Bitte prüfen Sie unbedingt die 10-stellige Typennummer Ihrer Maschine / Ihres Gerätes. Das Ersatzteil ist nur kompatibel, wenn Sie die Typennummer Ihrer Maschine in der unten stehenden Produktbeschreibung finden.

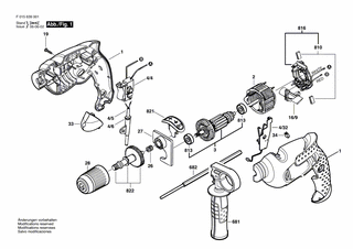
Bitte prüfen Sie ebenfalls detailliert die Explosionszeichnung mit Ihrem Artikelwunsch und der jeweiligen Pos-Nummer.

Alle Elemente, welche vom schwarzen Strich der Pos-Nummer ausgehend berührt / erfasst werden, gehören zu dieser Pos-Nummer und somit zu diesem Artikel. Jede Pos-Nummer ist ein eigenständiger Artikel, welchen Sie in der Auflistung finden.

Sie erhalten stets die aktuellste, neueste Produktversion zu der gewählten Pos-Nummer seitens des Herstellers. Es kann daher je nach Gerätealter vorkommen, dass Sie ggf. weitere, zugehörige Elemente, welche an diese Pos-Nummer grenzen, ebenfalls mittauschen müssen.

Nähere Informationen finden Sie unter dem Link
Hinweise zu Ihrer BOSCH Ersatzteilsuche

Preisübersicht

Einzelpreis: 9,18 €* (Brutto: 10,92 €)
Gesamtpreis: 9,18 €* 
Position:

Lieferzeit: 5 Werktage


Beschreibung

  • Zusatzhandgriff
  • Original Bosch Zubehör / BOSCH Ersatzteil (2609000075)
  • im Gerät verbaut: 1
Dieses BOSCH Ersatzteil ist mit folgendem Gerät und Modell kompatibel:
  • BOSCH Gerätename: 6390
  • BOSCH Explosionszeichnung: Position 681
  • BOSCH Typennummer: F015639002
  • BOSCH Typennummer alternative Schreibweisen: F 015 639 002, F015 639 002, F.015.639.002, F-015-639-002
    Bitte prüfen Sie diese Typennummer auf Ihrem Gerät um die Kompatibilität des BOSCH Ersatzteils zu gewährleisten.
Weitere BOSCH Ersatzteile des Gerätes 6390 (Schlagbohrmaschine) mit der Typennummer F015639002 finden Sie in der nachfolgenden Darstellung und im Dropdown zu Ihrer Auswahl:

Pos.
1
BOSCH Gehäuseschale | Ersatzteile für 6390 | 2609000088
Hersteller: BOSCH
Artikelnummer: EB-F015639002-2609000088
nur Informationsartikel
Nie mehr lieferbar
keine Alternativen
Pos.
16/9
BOSCH Umkehrschalter | Ersatzteile für 6390 | 2610393548
Hersteller: BOSCH
Artikelnummer: EB-F015639002-2610393548
nur Informationsartikel
Nie mehr lieferbar
keine Alternativen
Pos.
4/32
BOSCH Leiterplatte Bestückt | Ersatzteile für 6390 | 2609000097
Hersteller: BOSCH
Artikelnummer: EB-F015639002-2609000097
nur Informationsartikel
Nie mehr lieferbar
keine Alternativen
Pos.
4/4
BOSCH Schalter | Ersatzteile für 6390 | 2607200594
Hersteller: BOSCH
Artikelnummer: EB-F015639002-2607200594
Netto: 10,92 € zzgl. MwSt.
zzgl. 6,90 € Versand (brutto)
einmalig pro Bestellung

Lieferzeit: 5 Werktage

Pos.
4/5
BOSCH Netzanschlussleitung CH 2,75m 2 x 1,0mm H05 VV-F | Ersatzteile für 6390 | 2610371799
Hersteller: BOSCH
Artikelnummer: EB-F015639002-2610371799
nur Informationsartikel
Nie mehr lieferbar
keine Alternativen
Pos.
4/6
BOSCH Tülle Ø6,4-Ø7,2x76 MM | Ersatzteile für 6390 | 2600703017
Hersteller: BOSCH
Artikelnummer: EB-F015639002-2600703017
Netto: 4,53 € zzgl. MwSt.
zzgl. 6,90 € Versand (brutto)
einmalig pro Bestellung

Lieferzeit: 5 Werktage

Pos.
2
BOSCH Polschuh 230V | Ersatzteile für 6390 | 2610392992
Hersteller: BOSCH
Artikelnummer: EB-F015639002-2610392992
nur Informationsartikel
Nie mehr lieferbar
keine Alternativen
Pos.
3
BOSCH Anker 230V | Ersatzteile für 6390 | 2609000668
Hersteller: BOSCH
Artikelnummer: EB-F015639002-2609000668
Netto: 23,72 € zzgl. MwSt.
zzgl. 6,90 € Versand (brutto)
einmalig pro Bestellung

Lieferzeit: 5 Werktage

Pos.
19
BOSCH Torx-Linsenschraube T20-8x19 MM | Ersatzteile für 6390 | 2610374919
Hersteller: BOSCH
Artikelnummer: EB-F015639002-2610374919
Netto: 3,63 € zzgl. MwSt.
zzgl. 6,90 € Versand (brutto)
einmalig pro Bestellung

Lieferzeit: 5 Werktage

Pos.
26
BOSCH Druckfeder | Ersatzteile für 6390 | 2610390882
Hersteller: BOSCH
Artikelnummer: EB-F015639002-2610390882
nur Informationsartikel
Nie mehr lieferbar
keine Alternativen
Pos.
27
BOSCH Tragplatte | Ersatzteile für 6390 | 2610390872
Hersteller: BOSCH
Artikelnummer: EB-F015639002-2610390872
Netto: 7,30 € zzgl. MwSt.
zzgl. 6,90 € Versand (brutto)
einmalig pro Bestellung

Lieferzeit: 5 Werktage

Pos.
28
BOSCH Schnellspannbohrfutter | Ersatzteile für 6390 | 2609002281
Hersteller: BOSCH
Artikelnummer: EB-F015639002-2609002281
Netto: 17,38 € zzgl. MwSt.
zzgl. 6,90 € Versand (brutto)
einmalig pro Bestellung

Lieferzeit: 5 Werktage

Pos.
33
BOSCH Linse | Ersatzteile für 6390 | 2609000100
Hersteller: BOSCH
Artikelnummer: EB-F015639002-2609000100
nur Informationsartikel
Nie mehr lieferbar
keine Alternativen
Pos.
34
BOSCH Linse | Ersatzteile für 6390 | 2609000101
Hersteller: BOSCH
Artikelnummer: EB-F015639002-2609000101
Netto: 3,59 € zzgl. MwSt.
zzgl. 6,90 € Versand (brutto)
einmalig pro Bestellung

Lieferzeit: 5 Werktage

Pos.
681
BOSCH Zusatzhandgriff | Ersatzteile für 6390 | 2609000075
Hersteller: BOSCH
Artikelnummer: EB-F015639002-2609000075
Netto: 9,18 € zzgl. MwSt.
zzgl. 6,90 € Versand (brutto)
einmalig pro Bestellung

Lieferzeit: 5 Werktage

Pos.
682
BOSCH Tiefenanschlag | Ersatzteile für 6390 | 2609005615
Hersteller: BOSCH
Artikelnummer: EB-F015639002-2609005615
Netto: 5,67 € zzgl. MwSt.
zzgl. 6,90 € Versand (brutto)
einmalig pro Bestellung

Lieferzeit: 5 Werktage

Pos.
810
BOSCH Kohlebürstensatz | Ersatzteile für 6390 | 2609000435
Hersteller: BOSCH
Artikelnummer: EB-F015639002-2609000435
Netto: 7,76 € zzgl. MwSt.
zzgl. 6,90 € Versand (brutto)
einmalig pro Bestellung

Lieferzeit: 5 Werktage

Pos.
813
BOSCH Rillenkugellager 8x22x7 608-2Z/C3 | Ersatzteile für 6390 | 3130900020
Hersteller: BOSCH
Artikelnummer: EB-F015639002-3130900020
Netto: 7,30 € zzgl. MwSt.
zzgl. 6,90 € Versand (brutto)
einmalig pro Bestellung

Lieferzeit: 5 Werktage

Pos.
816
BOSCH Bürstenhalter | Ersatzteile für 6390 | 2610392924
Hersteller: BOSCH
Artikelnummer: EB-F015639002-2610392924
nur Informationsartikel
Nie mehr lieferbar
keine Alternativen
Pos.
821
BOSCH Einstellknopf ROT | Ersatzteile für 6390 | 2610390877
Hersteller: BOSCH
Artikelnummer: EB-F015639002-2610390877
Netto: 3,63 € zzgl. MwSt.
zzgl. 6,90 € Versand (brutto)
einmalig pro Bestellung

Lieferzeit: 5 Werktage

Pos.
822
BOSCH Spindelgruppe | Ersatzteile für 6390 | 2609000142
Hersteller: BOSCH
Artikelnummer: EB-F015639002-2609000142
nur Informationsartikel
Nie mehr lieferbar
keine Alternativen

Angaben zur Produktsicherheit

Hersteller:
Robert Bosch Power Tools GmbH
Postfach 30 02 20
70442 Stuttgart

E-Mail:
kontakt@bosch.de