BOSCH Stopfen | Ersatzteile für 6425-90 | 2610028780

Artikelnummer: EB-F01264253Y-2610028780

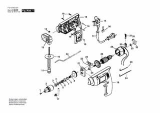
Position: 16

Marke: BOSCH


Bitte Kompatibilität prüfen!

Bitte prüfen Sie unbedingt die 10-stellige Typennummer Ihrer Maschine / Ihres Gerätes. Das Ersatzteil ist nur kompatibel, wenn Sie die Typennummer Ihrer Maschine in der unten stehenden Produktbeschreibung finden.

Bitte prüfen Sie ebenfalls detailliert die Explosionszeichnung mit Ihrem Artikelwunsch und der jeweiligen Pos-Nummer.

Alle Elemente, welche vom schwarzen Strich der Pos-Nummer ausgehend berührt / erfasst werden, gehören zu dieser Pos-Nummer und somit zu diesem Artikel. Jede Pos-Nummer ist ein eigenständiger Artikel, welchen Sie in der Auflistung finden.

Sie erhalten stets die aktuellste, neueste Produktversion zu der gewählten Pos-Nummer seitens des Herstellers. Es kann daher je nach Gerätealter vorkommen, dass Sie ggf. weitere, zugehörige Elemente, welche an diese Pos-Nummer grenzen, ebenfalls mittauschen müssen.

Nähere Informationen finden Sie unter dem Link
Hinweise zu Ihrer BOSCH Ersatzteilsuche

Preisübersicht

Einzelpreis: 3,94 €* (Brutto: 4,69 €)
Gesamtpreis: 3,94 €* 
Position:

Lieferzeit: 5 Werktage


Beschreibung

  • Stopfen
  • Original Bosch Zubehör / BOSCH Ersatzteil (2610028780)
  • im Gerät verbaut: 1
Dieses BOSCH Ersatzteil ist mit folgendem Gerät und Modell kompatibel:
  • BOSCH Gerätename: 6425-90
  • BOSCH Explosionszeichnung: Position 16
  • BOSCH Typennummer: F01264253Y
  • BOSCH Typennummer alternative Schreibweisen: F 012 642 53Y, F012 642 53Y, F.012.642.53Y, F-012-642-53Y
    Bitte prüfen Sie diese Typennummer auf Ihrem Gerät um die Kompatibilität des BOSCH Ersatzteils zu gewährleisten.
Weitere BOSCH Ersatzteile des Gerätes 6425-90 (Bohrmaschine) mit der Typennummer F01264253Y finden Sie in der nachfolgenden Darstellung und im Dropdown zu Ihrer Auswahl:

Pos.
1
BOSCH Schraube | Ersatzteile für 6425-90 | 2610068005
Hersteller: BOSCH
Artikelnummer: EB-F01264253Y-2610068005
nur Informationsartikel
Nie mehr lieferbar
keine Alternativen
Pos.
2
BOSCH Zahnkranzbohrfutter 3/8" | Ersatzteile für 6425-90 | 2610350129
Hersteller: BOSCH
Artikelnummer: EB-F01264253Y-2610350129
nur Informationsartikel
Nie mehr lieferbar
keine Alternativen
Pos.
3
BOSCH Scheibe | Ersatzteile für 6425-90 | 2610017642
Hersteller: BOSCH
Artikelnummer: EB-F01264253Y-2610017642
nur Informationsartikel
Nie mehr lieferbar
keine Alternativen
Pos.
4
BOSCH Vorlegscheibe | Ersatzteile für 6425-90 | 2610347358
Hersteller: BOSCH
Artikelnummer: EB-F01264253Y-2610347358
Netto: 3,94 € zzgl. MwSt.
zzgl. 6,90 € Versand (brutto)
einmalig pro Bestellung

Lieferzeit: 5 Werktage

Pos.
5
BOSCH Haltering | Ersatzteile für 6425-90 | 2610009294
Hersteller: BOSCH
Artikelnummer: EB-F01264253Y-2610009294
Netto: 3,95 € zzgl. MwSt.
zzgl. 6,90 € Versand (brutto)
einmalig pro Bestellung

Lieferzeit: 5 Werktage

Pos.
6
BOSCH Feder | Ersatzteile für 6425-90 | 2610034735
Hersteller: BOSCH
Artikelnummer: EB-F01264253Y-2610034735
nur Informationsartikel
Nie mehr lieferbar
keine Alternativen
Pos.
7
BOSCH Bundlager | Ersatzteile für 6425-90 | 2610352019
Hersteller: BOSCH
Artikelnummer: EB-F01264253Y-2610352019
Netto: 3,94 € zzgl. MwSt.
zzgl. 6,90 € Versand (brutto)
einmalig pro Bestellung

Lieferzeit: 5 Werktage

Pos.
8
BOSCH Spindel 3/8" | Ersatzteile für 6425-90 | 2610352876
Hersteller: BOSCH
Artikelnummer: EB-F01264253Y-2610352876
nur Informationsartikel
Nie mehr lieferbar
keine Alternativen
Pos.
9
BOSCH Netzanschlussleitung | Ersatzteile für 6425-90 | 2610968504
Hersteller: BOSCH
Artikelnummer: EB-F01264253Y-2610968504
nur Informationsartikel
Nie mehr lieferbar
keine Alternativen
Pos.
10
BOSCH Zusatzhandgriff | Ersatzteile für 6425-90 | 2610372016
Hersteller: BOSCH
Artikelnummer: EB-F01264253Y-2610372016
nur Informationsartikel
Nie mehr lieferbar
keine Alternativen
Pos.
11
BOSCH Abdeckkappe | Ersatzteile für 6425-90 | 2610347365
Hersteller: BOSCH
Artikelnummer: EB-F01264253Y-2610347365
nur Informationsartikel
Nie mehr lieferbar
keine Alternativen
Pos.
13
BOSCH Knebelgriff | Ersatzteile für 6425-90 | 2610372068
Hersteller: BOSCH
Artikelnummer: EB-F01264253Y-2610372068
nur Informationsartikel
Nie mehr lieferbar
keine Alternativen
Pos.
14
BOSCH Sechskantmutter | Ersatzteile für 6425-90 | 2610372067
Hersteller: BOSCH
Artikelnummer: EB-F01264253Y-2610372067
nur Informationsartikel
Nie mehr lieferbar
keine Alternativen
Pos.
15
BOSCH Ein/Aus-Schalter | Ersatzteile für 6425-90 | 2610346618
Hersteller: BOSCH
Artikelnummer: EB-F01264253Y-2610346618
Netto: 16,70 € zzgl. MwSt.
zzgl. 6,90 € Versand (brutto)
einmalig pro Bestellung

Lieferzeit: 5 Werktage

Pos.
16
BOSCH Stopfen | Ersatzteile für 6425-90 | 2610028780
Hersteller: BOSCH
Artikelnummer: EB-F01264253Y-2610028780
Netto: 3,94 € zzgl. MwSt.
zzgl. 6,90 € Versand (brutto)
einmalig pro Bestellung

Lieferzeit: 5 Werktage

Pos.
17
BOSCH Schlüssel | Ersatzteile für 6425-90 | 2610315835
Hersteller: BOSCH
Artikelnummer: EB-F01264253Y-2610315835
nur Informationsartikel
Nie mehr lieferbar
keine Alternativen
Pos.
18
BOSCH Gehäusesatz | Ersatzteile für 6425-90 | 2610968500
Hersteller: BOSCH
Artikelnummer: EB-F01264253Y-2610968500
nur Informationsartikel
Nie mehr lieferbar
keine Alternativen
Pos.
19
BOSCH Schraube | Ersatzteile für 6425-90 | 1619X00504
Hersteller: BOSCH
Artikelnummer: EB-F01264253Y-1619X00504
Netto: 3,60 € zzgl. MwSt.
zzgl. 6,90 € Versand (brutto)
einmalig pro Bestellung

Lieferzeit: 5 Werktage

Pos.
20
BOSCH Anschlussdraht 50 MM | Ersatzteile für 6425-90 | 2610320494
Hersteller: BOSCH
Artikelnummer: EB-F01264253Y-2610320494
nur Informationsartikel
Nie mehr lieferbar
keine Alternativen
Pos.
21
BOSCH Lagergehäuse | Ersatzteile für 6425-90 | 2610352875
Hersteller: BOSCH
Artikelnummer: EB-F01264253Y-2610352875
Netto: 10,62 € zzgl. MwSt.
zzgl. 6,90 € Versand (brutto)
einmalig pro Bestellung

Lieferzeit: 5 Werktage

Pos.
22
BOSCH Feder | Ersatzteile für 6425-90 | 2610348357
Hersteller: BOSCH
Artikelnummer: EB-F01264253Y-2610348357
Netto: 3,94 € zzgl. MwSt.
zzgl. 6,90 € Versand (brutto)
einmalig pro Bestellung

Lieferzeit: 5 Werktage

Pos.
23
BOSCH Knopf | Ersatzteile für 6425-90 | 2610347301
Hersteller: BOSCH
Artikelnummer: EB-F01264253Y-2610347301
nur Informationsartikel
Nie mehr lieferbar
keine Alternativen
Pos.
24
BOSCH Anschlussdraht 130 MM SCHWARZ | Ersatzteile für 6425-90 | 2610039904
Hersteller: BOSCH
Artikelnummer: EB-F01264253Y-2610039904
nur Informationsartikel
Nie mehr lieferbar
keine Alternativen
Pos.
25
BOSCH Beilegring | Ersatzteile für 6425-90 | 2610348065
Hersteller: BOSCH
Artikelnummer: EB-F01264253Y-2610348065
nur Informationsartikel
Nie mehr lieferbar
keine Alternativen
Pos.
26
BOSCH Anker 100V | Ersatzteile für 6425-90 | 2610346445
Hersteller: BOSCH
Artikelnummer: EB-F01264253Y-2610346445
nur Informationsartikel
Nie mehr lieferbar
keine Alternativen
Pos.
28
BOSCH Polschuh 100V | Ersatzteile für 6425-90 | 2610346576
Hersteller: BOSCH
Artikelnummer: EB-F01264253Y-2610346576
nur Informationsartikel
Nie mehr lieferbar
keine Alternativen
Pos.
30
BOSCH Bürstenhalter | Ersatzteile für 6425-90 | 2610320548
Hersteller: BOSCH
Artikelnummer: EB-F01264253Y-2610320548
Netto: 4,56 € zzgl. MwSt.
zzgl. 6,90 € Versand (brutto)
einmalig pro Bestellung

Lieferzeit: 5 Werktage

Pos.
31
BOSCH Kohlebürstensatz | Ersatzteile für 6425-90 | 2610321617
Hersteller: BOSCH
Artikelnummer: EB-F01264253Y-2610321617
nur Informationsartikel
Nie mehr lieferbar
keine Alternativen
Pos.
32
BOSCH Rillenkugellager 8x22x7 | Ersatzteile für 6425-90 | 2600905052
Hersteller: BOSCH
Artikelnummer: EB-F01264253Y-2600905052
Netto: 7,66 € zzgl. MwSt.
zzgl. 6,90 € Versand (brutto)
einmalig pro Bestellung

Lieferzeit: 5 Werktage

Pos.
33
BOSCH Scheibe | Ersatzteile für 6425-90 | 2610017016
Hersteller: BOSCH
Artikelnummer: EB-F01264253Y-2610017016
Netto: 3,94 € zzgl. MwSt.
zzgl. 6,90 € Versand (brutto)
einmalig pro Bestellung

Lieferzeit: 5 Werktage

Pos.
34
BOSCH Tiefenanschlag | Ersatzteile für 6425-90 | 2610309525
Hersteller: BOSCH
Artikelnummer: EB-F01264253Y-2610309525
nur Informationsartikel
Nie mehr lieferbar
keine Alternativen
Pos.
35
BOSCH Ausgleichscheibe | Ersatzteile für 6425-90 | 2610348374
Hersteller: BOSCH
Artikelnummer: EB-F01264253Y-2610348374
nur Informationsartikel
Nie mehr lieferbar
keine Alternativen
Pos.
36
BOSCH Entstörkondensator | Ersatzteile für 6425-90 | 2610352867
Hersteller: BOSCH
Artikelnummer: EB-F01264253Y-2610352867
nur Informationsartikel
Nie mehr lieferbar
keine Alternativen

Angaben zur Produktsicherheit

Hersteller:
Robert Bosch Power Tools GmbH
Postfach 30 02 20
70442 Stuttgart

E-Mail:
kontakt@bosch.de