BOSCH Blechschraube DIN 7981-ST2,2x9,5-C-H | Ersatzteile für 6427 | 2910611002

Artikelnummer: EB-F0126427AA-2910611002

Position: 22

Marke: BOSCH


Bitte Kompatibilität prüfen!

Bitte prüfen Sie unbedingt die 10-stellige Typennummer Ihrer Maschine / Ihres Gerätes. Das Ersatzteil ist nur kompatibel, wenn Sie die Typennummer Ihrer Maschine in der unten stehenden Produktbeschreibung finden.

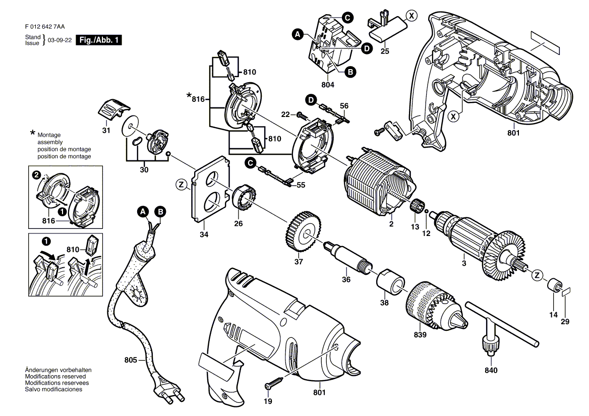
Bitte prüfen Sie ebenfalls detailliert die Explosionszeichnung mit Ihrem Artikelwunsch und der jeweiligen Pos-Nummer.

Alle Elemente, welche vom schwarzen Strich der Pos-Nummer ausgehend berührt / erfasst werden, gehören zu dieser Pos-Nummer und somit zu diesem Artikel. Jede Pos-Nummer ist ein eigenständiger Artikel, welchen Sie in der Auflistung finden.

Sie erhalten stets die aktuellste, neueste Produktversion zu der gewählten Pos-Nummer seitens des Herstellers. Es kann daher je nach Gerätealter vorkommen, dass Sie ggf. weitere, zugehörige Elemente, welche an diese Pos-Nummer grenzen, ebenfalls mittauschen müssen.

Nähere Informationen finden Sie unter dem Link
Hinweise zu Ihrer BOSCH Ersatzteilsuche

Preisübersicht

Einzelpreis: 3,63 €* (Brutto: 4,32 €)
Gesamtpreis: 3,63 €* 
Position:

Lieferzeit: 5 Werktage


Beschreibung

  • Blechschraube DIN 7981-ST2,2x9,5-C-H
  • Original Bosch Zubehör / BOSCH Ersatzteil (2910611002)
  • im Gerät verbaut: 1
Dieses BOSCH Ersatzteil ist mit folgendem Gerät und Modell kompatibel:
  • BOSCH Gerätename: 6427
  • BOSCH Explosionszeichnung: Position 22
  • BOSCH Typennummer: F0126427AA
  • BOSCH Typennummer alternative Schreibweisen: F 012 642 7AA, F012 642 7AA, F.012.642.7AA, F-012-642-7AA
    Bitte prüfen Sie diese Typennummer auf Ihrem Gerät um die Kompatibilität des BOSCH Ersatzteils zu gewährleisten.
Weitere BOSCH Ersatzteile des Gerätes 6427 (Gw-2G-Schlagbohrmaschine) mit der Typennummer F0126427AA finden Sie in der nachfolgenden Darstellung und im Dropdown zu Ihrer Auswahl:

Pos.
2
BOSCH Polschuh 127V | Ersatzteile für 6427 | F000607003
Hersteller: BOSCH
Artikelnummer: EB-F0126427AA-F000607003
nur Informationsartikel
Nie mehr lieferbar
keine Alternativen
Pos.
3
BOSCH Anker Mit Lüfter 127V | Ersatzteile für 6427 | F000605008
Hersteller: BOSCH
Artikelnummer: EB-F0126427AA-F000605008
Netto: 21,19 € zzgl. MwSt.
zzgl. 6,90 € Versand (brutto)
einmalig pro Bestellung

Lieferzeit: 5 Werktage

Pos.
12
BOSCH Kugel | Ersatzteile für 6427 | 1903230005
Hersteller: BOSCH
Artikelnummer: EB-F0126427AA-1903230005
nur Informationsartikel
Nie mehr lieferbar
keine Alternativen
Pos.
13
BOSCH Sinterbuchse | Ersatzteile für 6427 | 9618086693
Hersteller: BOSCH
Artikelnummer: EB-F0126427AA-9618086693
nur Informationsartikel
Nie mehr lieferbar
keine Alternativen
Pos.
14
BOSCH Nadelhülse | Ersatzteile für 6427 | F000600231
Hersteller: BOSCH
Artikelnummer: EB-F0126427AA-F000600231
nur Informationsartikel
Nie mehr lieferbar
keine Alternativen
Pos.
19
BOSCH Blechschraube 4x16 MM | Ersatzteile für 6427 | 9618087099
Hersteller: BOSCH
Artikelnummer: EB-F0126427AA-9618087099
nur Informationsartikel
Nie mehr lieferbar
keine Alternativen
Pos.
22
BOSCH Blechschraube DIN 7981-ST2,2x9,5-C-H | Ersatzteile für 6427 | 2910611002
Hersteller: BOSCH
Artikelnummer: EB-F0126427AA-2910611002
Netto: 3,63 € zzgl. MwSt.
zzgl. 6,90 € Versand (brutto)
einmalig pro Bestellung

Lieferzeit: 5 Werktage

Pos.
25
BOSCH Umschalter | Ersatzteile für 6427 | F000608027
Hersteller: BOSCH
Artikelnummer: EB-F0126427AA-F000608027
Netto: 3,63 € zzgl. MwSt.
zzgl. 6,90 € Versand (brutto)
einmalig pro Bestellung

Lieferzeit: 5 Werktage

Pos.
26
BOSCH Rastscheibe | Ersatzteile für 6427 | F000614002
Hersteller: BOSCH
Artikelnummer: EB-F0126427AA-F000614002
nur Informationsartikel
Nie mehr lieferbar
keine Alternativen
Pos.
29
BOSCH Druckplatte 1,5 MM | Ersatzteile für 6427 | 1601000013
Hersteller: BOSCH
Artikelnummer: EB-F0126427AA-1601000013
nur Informationsartikel
Nie mehr lieferbar
keine Alternativen
Pos.
30
BOSCH Schaltscheibe | Ersatzteile für 6427 | 2601901012
Hersteller: BOSCH
Artikelnummer: EB-F0126427AA-2601901012
nur Informationsartikel
Nie mehr lieferbar
keine Alternativen
Pos.
31
BOSCH Umschalter | Ersatzteile für 6427 | F000623007
Hersteller: BOSCH
Artikelnummer: EB-F0126427AA-F000623007
Netto: 0,62 € zzgl. MwSt.
zzgl. 6,90 € Versand (brutto)
einmalig pro Bestellung

Lieferzeit: 5 Werktage

Pos.
34
BOSCH Spindellager | Ersatzteile für 6427 | F000613010
Hersteller: BOSCH
Artikelnummer: EB-F0126427AA-F000613010
nur Informationsartikel
Nie mehr lieferbar
keine Alternativen
Pos.
36
BOSCH Bohrspindel | Ersatzteile für 6427 | F000619014
Hersteller: BOSCH
Artikelnummer: EB-F0126427AA-F000619014
nur Informationsartikel
Nie mehr lieferbar
keine Alternativen
Pos.
37
BOSCH Zahnrad | Ersatzteile für 6427 | F000617020
Hersteller: BOSCH
Artikelnummer: EB-F0126427AA-F000617020
nur Informationsartikel
Nie mehr lieferbar
keine Alternativen
Pos.
38
BOSCH Sinterbuchse | Ersatzteile für 6427 | 9618086698
Hersteller: BOSCH
Artikelnummer: EB-F0126427AA-9618086698
Netto: 3,94 € zzgl. MwSt.
zzgl. 6,90 € Versand (brutto)
einmalig pro Bestellung

Lieferzeit: 5 Werktage

Pos.
55
BOSCH Verbindungsleitung | Ersatzteile für 6427 | F000610028
Hersteller: BOSCH
Artikelnummer: EB-F0126427AA-F000610028
nur Informationsartikel
Nie mehr lieferbar
keine Alternativen
Pos.
56
BOSCH Verbindungsleitung | Ersatzteile für 6427 | F000610031
Hersteller: BOSCH
Artikelnummer: EB-F0126427AA-F000610031
nur Informationsartikel
Nie mehr lieferbar
keine Alternativen
Pos.
801
BOSCH Motorgehäuse | Ersatzteile für 6427 | F000601100
Hersteller: BOSCH
Artikelnummer: EB-F0126427AA-F000601100
nur Informationsartikel
Nie mehr lieferbar
keine Alternativen
Pos.
804
BOSCH Schalter 127V | Ersatzteile für 6427 | 160720034E
Hersteller: BOSCH
Artikelnummer: EB-F0126427AA-160720034E
nur Informationsartikel
Nie mehr lieferbar
keine Alternativen
Pos.
805
BOSCH Netzanschlussleitung MEX 1,00m 2 x 10,75mm H05 VVH 2F | Ersatzteile für 6427 | F000609281
Hersteller: BOSCH
Artikelnummer: EB-F0126427AA-F000609281
nur Informationsartikel
Nie mehr lieferbar
keine Alternativen
Pos.
810
BOSCH Kohlebürstensatz | Ersatzteile für 6427 | F000611030
Hersteller: BOSCH
Artikelnummer: EB-F0126427AA-F000611030
nur Informationsartikel
Nie mehr lieferbar
keine Alternativen
Pos.
816
BOSCH Bürstenhalter | Ersatzteile für 6427 | F000612037
Hersteller: BOSCH
Artikelnummer: EB-F0126427AA-F000612037
nur Informationsartikel
Nie mehr lieferbar
keine Alternativen
Pos.
839
BOSCH Zahnkranzbohrfutter | Ersatzteile für 6427 | 9617085002
Hersteller: BOSCH
Artikelnummer: EB-F0126427AA-9617085002
nur Informationsartikel
Nie mehr lieferbar
keine Alternativen
Pos.
840
BOSCH Bohrfutterschlüssel | Ersatzteile für 6427 | 9617081894
Hersteller: BOSCH
Artikelnummer: EB-F0126427AA-9617081894
nur Informationsartikel
Nie mehr lieferbar
keine Alternativen
Pos.
854
BOSCH Handgriff | Ersatzteile für 6427 | F000603004
Hersteller: BOSCH
Artikelnummer: EB-F0126427AA-F000603004
nur Informationsartikel
Nie mehr lieferbar
keine Alternativen

Angaben zur Produktsicherheit

Hersteller:
Robert Bosch Power Tools GmbH
Postfach 30 02 20
70442 Stuttgart

E-Mail:
kontakt@bosch.de