BOSCH Kugel DIN 5401-5 G28 | Ersatzteile für 6431 AD | 1903230009

Artikelnummer: EB-F0126431AD-1903230009

Position: 23

Marke: BOSCH


Bitte Kompatibilität prüfen!

Bitte prüfen Sie unbedingt die 10-stellige Typennummer Ihrer Maschine / Ihres Gerätes. Das Ersatzteil ist nur kompatibel, wenn Sie die Typennummer Ihrer Maschine in der unten stehenden Produktbeschreibung finden.

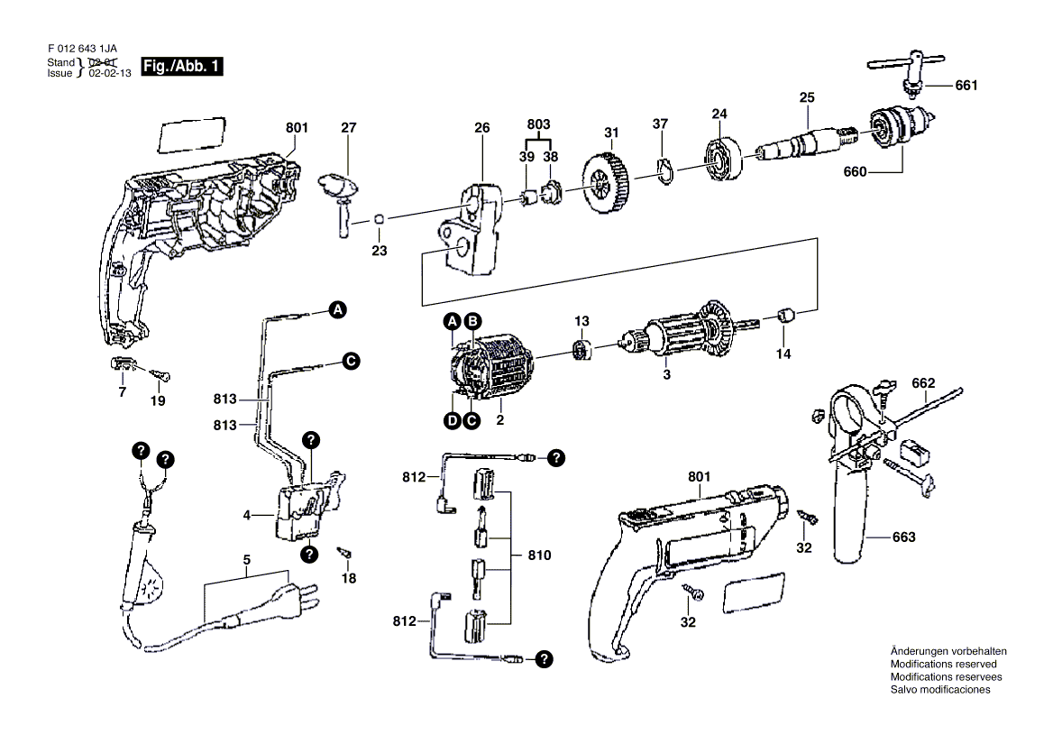
Bitte prüfen Sie ebenfalls detailliert die Explosionszeichnung mit Ihrem Artikelwunsch und der jeweiligen Pos-Nummer.

Alle Elemente, welche vom schwarzen Strich der Pos-Nummer ausgehend berührt / erfasst werden, gehören zu dieser Pos-Nummer und somit zu diesem Artikel. Jede Pos-Nummer ist ein eigenständiger Artikel, welchen Sie in der Auflistung finden.

Sie erhalten stets die aktuellste, neueste Produktversion zu der gewählten Pos-Nummer seitens des Herstellers. Es kann daher je nach Gerätealter vorkommen, dass Sie ggf. weitere, zugehörige Elemente, welche an diese Pos-Nummer grenzen, ebenfalls mittauschen müssen.

Nähere Informationen finden Sie unter dem Link
Hinweise zu Ihrer BOSCH Ersatzteilsuche

Preisübersicht

Einzelpreis: 3,63 €* (Brutto: 4,32 €)
Gesamtpreis: 3,63 €* 
Position:

Lieferzeit: 5 Werktage


Beschreibung

  • Kugel DIN 5401-5 G28
  • Original Bosch Zubehör / BOSCH Ersatzteil (1903230009)
  • im Gerät verbaut: 1
Dieses BOSCH Ersatzteil ist mit folgendem Gerät und Modell kompatibel:
  • BOSCH Gerätename: 6431 AD
  • BOSCH Explosionszeichnung: Position 23
  • BOSCH Typennummer: F0126431AD
  • BOSCH Typennummer alternative Schreibweisen: F 012 643 1AD, F012 643 1AD, F.012.643.1AD, F-012-643-1AD
    Bitte prüfen Sie diese Typennummer auf Ihrem Gerät um die Kompatibilität des BOSCH Ersatzteils zu gewährleisten.
Weitere BOSCH Ersatzteile des Gerätes 6431 AD (Zweigang-Bohrmaschine) mit der Typennummer F0126431AD finden Sie in der nachfolgenden Darstellung und im Dropdown zu Ihrer Auswahl:

Pos.
2
BOSCH Polschuh 127V | Ersatzteile für 6431 AD | 9618089562
Hersteller: BOSCH
Artikelnummer: EB-F0126431AD-9618089562
nur Informationsartikel
Nie mehr lieferbar
keine Alternativen
Pos.
4
BOSCH Schalter | Ersatzteile für 6431 AD | 2607200373
Hersteller: BOSCH
Artikelnummer: EB-F0126431AD-2607200373
nur Informationsartikel
Nie mehr lieferbar
keine Alternativen
Pos.
5
BOSCH Netzanschlussleitung | Ersatzteile für 6431 AD | F000609094
Hersteller: BOSCH
Artikelnummer: EB-F0126431AD-F000609094
nur Informationsartikel
Nie mehr lieferbar
keine Alternativen
Pos.
7
BOSCH Leitungshalter | Ersatzteile für 6431 AD | 2601035001
Hersteller: BOSCH
Artikelnummer: EB-F0126431AD-2601035001
Netto: 3,94 € zzgl. MwSt.
zzgl. 6,90 € Versand (brutto)
einmalig pro Bestellung

Lieferzeit: 5 Werktage

Pos.
13
BOSCH Rillenkugellager 8x22x7 608-2Z/C3 | Ersatzteile für 6431 AD | 3130900020
Hersteller: BOSCH
Artikelnummer: EB-F0126431AD-3130900020
Netto: 7,26 € zzgl. MwSt.
zzgl. 6,90 € Versand (brutto)
einmalig pro Bestellung

Lieferzeit: 5 Werktage

Pos.
14
BOSCH Nadellager Ø8x8 MM | Ersatzteile für 6431 AD | 2600917003
Hersteller: BOSCH
Artikelnummer: EB-F0126431AD-2600917003
Netto: 4,80 € zzgl. MwSt.
zzgl. 6,90 € Versand (brutto)
einmalig pro Bestellung

Lieferzeit: 5 Werktage

Pos.
18
BOSCH Zylinderschraube M3x6,5-4.8 | Ersatzteile für 6431 AD | 2603410001
Hersteller: BOSCH
Artikelnummer: EB-F0126431AD-2603410001
Netto: 3,94 € zzgl. MwSt.
zzgl. 6,90 € Versand (brutto)
einmalig pro Bestellung

Lieferzeit: 5 Werktage

Pos.
23
BOSCH Kugel DIN 5401-5 G28 | Ersatzteile für 6431 AD | 1903230009
Hersteller: BOSCH
Artikelnummer: EB-F0126431AD-1903230009
Netto: 3,60 € zzgl. MwSt.
zzgl. 6,90 € Versand (brutto)
einmalig pro Bestellung

Lieferzeit: 5 Werktage

Pos.
24
BOSCH Rillenkugellager | Ersatzteile für 6431 AD | 9618081609
Hersteller: BOSCH
Artikelnummer: EB-F0126431AD-9618081609
Netto: 4,61 € zzgl. MwSt.
zzgl. 6,90 € Versand (brutto)
einmalig pro Bestellung

Lieferzeit: 5 Werktage

Pos.
25
BOSCH Bohrspindel | Ersatzteile für 6431 AD | F000600316
Hersteller: BOSCH
Artikelnummer: EB-F0126431AD-F000600316
nur Informationsartikel
Nie mehr lieferbar
keine Alternativen
Pos.
26
BOSCH Motorlager | Ersatzteile für 6431 AD | F000600076
Hersteller: BOSCH
Artikelnummer: EB-F0126431AD-F000600076
Netto: 6,90 € zzgl. MwSt.
zzgl. 6,90 € Versand (brutto)
einmalig pro Bestellung

Lieferzeit: 5 Werktage

Pos.
27
BOSCH Drehknopf | Ersatzteile für 6431 AD | F000623002
Hersteller: BOSCH
Artikelnummer: EB-F0126431AD-F000623002
nur Informationsartikel
Nie mehr lieferbar
keine Alternativen
Pos.
31
BOSCH Zahnrad | Ersatzteile für 6431 AD | 9618089890
Hersteller: BOSCH
Artikelnummer: EB-F0126431AD-9618089890
nur Informationsartikel
Nie mehr lieferbar
keine Alternativen
Pos.
32
BOSCH Blechschraube 4x16 MM | Ersatzteile für 6431 AD | 9618087099
Hersteller: BOSCH
Artikelnummer: EB-F0126431AD-9618087099
nur Informationsartikel
Nie mehr lieferbar
keine Alternativen
Pos.
37
BOSCH Sicherungsring DIN 471-12x1-FSt | Ersatzteile für 6431 AD | 2916650003
Hersteller: BOSCH
Artikelnummer: EB-F0126431AD-2916650003
Netto: 3,94 € zzgl. MwSt.
zzgl. 6,90 € Versand (brutto)
einmalig pro Bestellung

Lieferzeit: 5 Werktage

Pos.
38
BOSCH Rastscheibe | Ersatzteile für 6431 AD | 2606490040
Hersteller: BOSCH
Artikelnummer: EB-F0126431AD-2606490040
nur Informationsartikel
Nie mehr lieferbar
keine Alternativen
Pos.
660
BOSCH Bohrfutter | Ersatzteile für 6431 AD | F000632011
Hersteller: BOSCH
Artikelnummer: EB-F0126431AD-F000632011
nur Informationsartikel
Nie mehr lieferbar
keine Alternativen
Pos.
661
BOSCH Bohrfutterschlüssel | Ersatzteile für 6431 AD | 9617081894
Hersteller: BOSCH
Artikelnummer: EB-F0126431AD-9617081894
nur Informationsartikel
Nie mehr lieferbar
keine Alternativen
Pos.
662
BOSCH Tiefenanschlag SW 6x210 MM | Ersatzteile für 6431 AD | 1613001005
Hersteller: BOSCH
Artikelnummer: EB-F0126431AD-1613001005
nur Informationsartikel
Nie mehr lieferbar
keine Alternativen
Pos.
663
BOSCH Zusatzhandgriff | Ersatzteile für 6431 AD | 2602025094
Hersteller: BOSCH
Artikelnummer: EB-F0126431AD-2602025094
Netto: 7,76 € zzgl. MwSt.
zzgl. 6,90 € Versand (brutto)
einmalig pro Bestellung

Lieferzeit: 5 Werktage

Pos.
801
BOSCH Motorgehäuse | Ersatzteile für 6431 AD | F000601058
Hersteller: BOSCH
Artikelnummer: EB-F0126431AD-F000601058
nur Informationsartikel
Nie mehr lieferbar
keine Alternativen
Pos.
803
BOSCH Anker Mit Lüfter 127V | Ersatzteile für 6431 AD | 9618089666
Hersteller: BOSCH
Artikelnummer: EB-F0126431AD-9618089666
nur Informationsartikel
Nie mehr lieferbar
keine Alternativen
Pos.
810
BOSCH Kohlebürste | Ersatzteile für 6431 AD | F000611007
Hersteller: BOSCH
Artikelnummer: EB-F0126431AD-F000611007
Netto: 9,05 € zzgl. MwSt.
zzgl. 6,90 € Versand (brutto)
einmalig pro Bestellung

Lieferzeit: 5 Werktage

Pos.
812
BOSCH Verbindungsleitung | Ersatzteile für 6431 AD | 9618086959
Hersteller: BOSCH
Artikelnummer: EB-F0126431AD-9618086959
Netto: 0,95 € zzgl. MwSt.
zzgl. 6,90 € Versand (brutto)
einmalig pro Bestellung

Lieferzeit: 5 Werktage

Pos.
813
BOSCH Verbindungsleitung L=124 MM WEISS | Ersatzteile für 6431 AD | 2604448018
Hersteller: BOSCH
Artikelnummer: EB-F0126431AD-2604448018
nur Informationsartikel
Nie mehr lieferbar
keine Alternativen
Pos.
839
BOSCH Rasterscheibe | Ersatzteile für 6431 AD | 2606490056
Hersteller: BOSCH
Artikelnummer: EB-F0126431AD-2606490056
nur Informationsartikel
Nie mehr lieferbar
keine Alternativen

Angaben zur Produktsicherheit

Hersteller:
Robert Bosch Power Tools GmbH
Postfach 30 02 20
70442 Stuttgart

E-Mail:
kontakt@bosch.de