BOSCH Gleitlager | Ersatzteile für 6434 | 1600200029

Artikelnummer: EB-F012643430-1600200029

Position: 27

Marke: BOSCH


Bitte Kompatibilität prüfen!

Bitte prüfen Sie unbedingt die 10-stellige Typennummer Ihrer Maschine / Ihres Gerätes. Das Ersatzteil ist nur kompatibel, wenn Sie die Typennummer Ihrer Maschine in der unten stehenden Produktbeschreibung finden.

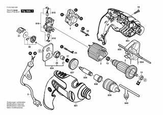
Bitte prüfen Sie ebenfalls detailliert die Explosionszeichnung mit Ihrem Artikelwunsch und der jeweiligen Pos-Nummer.

Alle Elemente, welche vom schwarzen Strich der Pos-Nummer ausgehend berührt / erfasst werden, gehören zu dieser Pos-Nummer und somit zu diesem Artikel. Jede Pos-Nummer ist ein eigenständiger Artikel, welchen Sie in der Auflistung finden.

Sie erhalten stets die aktuellste, neueste Produktversion zu der gewählten Pos-Nummer seitens des Herstellers. Es kann daher je nach Gerätealter vorkommen, dass Sie ggf. weitere, zugehörige Elemente, welche an diese Pos-Nummer grenzen, ebenfalls mittauschen müssen.

Nähere Informationen finden Sie unter dem Link
Hinweise zu Ihrer BOSCH Ersatzteilsuche

Preisübersicht

Einzelpreis: 5,19 €* (Brutto: 6,18 €)
Gesamtpreis: 5,19 €* 
Position:

Lieferzeit: 5 Werktage


Beschreibung

  • Gleitlager
  • Original Bosch Zubehör / BOSCH Ersatzteil (1600200029)
  • im Gerät verbaut: 1
Dieses BOSCH Ersatzteil ist mit folgendem Gerät und Modell kompatibel:
  • BOSCH Gerätename: 6434
  • BOSCH Explosionszeichnung: Position 27
  • BOSCH Typennummer: F012643430
  • BOSCH Typennummer alternative Schreibweisen: F 012 643 430, F012 643 430, F.012.643.430, F-012-643-430
    Bitte prüfen Sie diese Typennummer auf Ihrem Gerät um die Kompatibilität des BOSCH Ersatzteils zu gewährleisten.
Weitere BOSCH Ersatzteile des Gerätes 6434 (Gw-2G-Schlagbohrmaschine) mit der Typennummer F012643430 finden Sie in der nachfolgenden Darstellung und im Dropdown zu Ihrer Auswahl:

Pos.
2
BOSCH Polschuh 127V | Ersatzteile für 6434 | F000607007
Hersteller: BOSCH
Artikelnummer: EB-F012643430-F000607007
nur Informationsartikel
Nie mehr lieferbar
keine Alternativen
Pos.
3
BOSCH Anker Mit Lüfter 127V | Ersatzteile für 6434 | F000605036
Hersteller: BOSCH
Artikelnummer: EB-F012643430-F000605036
nur Informationsartikel
Nie mehr lieferbar
keine Alternativen
Pos.
4
BOSCH Ein/Aus-Schalter | Ersatzteile für 6434 | F000609148
Hersteller: BOSCH
Artikelnummer: EB-F012643430-F000609148
nur Informationsartikel
Nie mehr lieferbar
keine Alternativen
Pos.
13
BOSCH Sinterlager | Ersatzteile für 6434 | F000615003
Hersteller: BOSCH
Artikelnummer: EB-F012643430-F000615003
Netto: 3,94 € zzgl. MwSt.
zzgl. 6,90 € Versand (brutto)
einmalig pro Bestellung

Lieferzeit: 5 Werktage

Pos.
14
BOSCH Rillenkugellager 8x22x7 608-2Z/C5 | Ersatzteile für 6434 | 2609000639
Hersteller: BOSCH
Artikelnummer: EB-F012643430-2609000639
Netto: 4,32 € zzgl. MwSt.
zzgl. 6,90 € Versand (brutto)
einmalig pro Bestellung

Lieferzeit: 5 Werktage

Pos.
19
BOSCH Blechschraube 4x16 MM | Ersatzteile für 6434 | 9618087099
Hersteller: BOSCH
Artikelnummer: EB-F012643430-9618087099
nur Informationsartikel
Nie mehr lieferbar
keine Alternativen
Pos.
26
BOSCH Sinterlager | Ersatzteile für 6434 | F000614003
Hersteller: BOSCH
Artikelnummer: EB-F012643430-F000614003
nur Informationsartikel
Nie mehr lieferbar
keine Alternativen
Pos.
27
BOSCH Gleitlager | Ersatzteile für 6434 | 1600200029
Hersteller: BOSCH
Artikelnummer: EB-F012643430-1600200029
Netto: 5,19 € zzgl. MwSt.
zzgl. 6,90 € Versand (brutto)
einmalig pro Bestellung

Lieferzeit: 5 Werktage

Pos.
30
BOSCH Schaltscheibe | Ersatzteile für 6434 | 2601901012
Hersteller: BOSCH
Artikelnummer: EB-F012643430-2601901012
nur Informationsartikel
Nie mehr lieferbar
keine Alternativen
Pos.
31
BOSCH Umschalter | Ersatzteile für 6434 | F000608014
Hersteller: BOSCH
Artikelnummer: EB-F012643430-F000608014
Netto: 3,63 € zzgl. MwSt.
zzgl. 6,90 € Versand (brutto)
einmalig pro Bestellung

Lieferzeit: 5 Werktage

Pos.
41
BOSCH Druckfeder | Ersatzteile für 6434 | 2604616006
Hersteller: BOSCH
Artikelnummer: EB-F012643430-2604616006
Netto: 3,94 € zzgl. MwSt.
zzgl. 6,90 € Versand (brutto)
einmalig pro Bestellung

Lieferzeit: 5 Werktage

Pos.
55
BOSCH Verbindungsleitung | Ersatzteile für 6434 | F000610036
Hersteller: BOSCH
Artikelnummer: EB-F012643430-F000610036
nur Informationsartikel
Nie mehr lieferbar
keine Alternativen
Pos.
56
BOSCH Verbindungsleitung L=124 MM WEISS | Ersatzteile für 6434 | F000635121
Hersteller: BOSCH
Artikelnummer: EB-F012643430-F000635121
nur Informationsartikel
Nie mehr lieferbar
keine Alternativen
Pos.
801
BOSCH Motorgehäuse | Ersatzteile für 6434 | F000601121
Hersteller: BOSCH
Artikelnummer: EB-F012643430-F000601121
nur Informationsartikel
Nie mehr lieferbar
keine Alternativen
Pos.
805
BOSCH Netzanschlussleitung SAM 2,00m 2 x 1,00mm H05 VVF | Ersatzteile für 6434 | F000609280
Hersteller: BOSCH
Artikelnummer: EB-F012643430-F000609280
nur Informationsartikel
Nie mehr lieferbar
keine Alternativen
Pos.
806
BOSCH Tülle Ø6,9 MM | Ersatzteile für 6434 | 2600707059
Hersteller: BOSCH
Artikelnummer: EB-F012643430-2600707059
Netto: 5,19 € zzgl. MwSt.
zzgl. 6,90 € Versand (brutto)
einmalig pro Bestellung

Lieferzeit: 5 Werktage

Pos.
810
BOSCH Kohlebürste | Ersatzteile für 6434 | 9618088985
Hersteller: BOSCH
Artikelnummer: EB-F012643430-9618088985
Netto: 9,18 € zzgl. MwSt.
zzgl. 6,90 € Versand (brutto)
einmalig pro Bestellung

Lieferzeit: 5 Werktage

Pos.
816
BOSCH Bürstenplatte | Ersatzteile für 6434 | 2604337087
Hersteller: BOSCH
Artikelnummer: EB-F012643430-2604337087
nur Informationsartikel
Nie mehr lieferbar
keine Alternativen
Pos.
834
BOSCH Aufbausatz | Ersatzteile für 6434 | F000613018
Hersteller: BOSCH
Artikelnummer: EB-F012643430-F000613018
Netto: 8,33 € zzgl. MwSt.
zzgl. 6,90 € Versand (brutto)
einmalig pro Bestellung

Lieferzeit: 5 Werktage

Pos.
836
BOSCH Bohrspindel | Ersatzteile für 6434 | F000619018
Hersteller: BOSCH
Artikelnummer: EB-F012643430-F000619018
Netto: 9,05 € zzgl. MwSt.
zzgl. 6,90 € Versand (brutto)
einmalig pro Bestellung

Lieferzeit: 5 Werktage

Pos.
837
BOSCH Stirnrad | Ersatzteile für 6434 | F000617034
Hersteller: BOSCH
Artikelnummer: EB-F012643430-F000617034
nur Informationsartikel
Nie mehr lieferbar
keine Alternativen
Pos.
838
BOSCH Sinterlager | Ersatzteile für 6434 | 2600301066
Hersteller: BOSCH
Artikelnummer: EB-F012643430-2600301066
nur Informationsartikel
Nie mehr lieferbar
keine Alternativen
Pos.
839
BOSCH Bohrfutter | Ersatzteile für 6434 | 9617085000
Hersteller: BOSCH
Artikelnummer: EB-F012643430-9617085000
nur Informationsartikel
Nie mehr lieferbar
keine Alternativen
Pos.
840
BOSCH Bohrfutterschlüssel | Ersatzteile für 6434 | 9617081894
Hersteller: BOSCH
Artikelnummer: EB-F012643430-9617081894
nur Informationsartikel
Nie mehr lieferbar
keine Alternativen
Pos.
854
BOSCH Tiefenanschlag SW 6x210 MM | Ersatzteile für 6434 | F000635207
Hersteller: BOSCH
Artikelnummer: EB-F012643430-F000635207
nur Informationsartikel
Nie mehr lieferbar
keine Alternativen
Pos.
855
BOSCH Handgriff | Ersatzteile für 6434 | F000633014
Hersteller: BOSCH
Artikelnummer: EB-F012643430-F000633014
Netto: 21,16 € zzgl. MwSt.
zzgl. 6,90 € Versand (brutto)
einmalig pro Bestellung

Lieferzeit: 5 Werktage

Angaben zur Produktsicherheit

Hersteller:
Robert Bosch Power Tools GmbH
Postfach 30 02 20
70442 Stuttgart

E-Mail:
kontakt@bosch.de