BOSCH Netzanschlussleitung CH 2,75m 2 x 1,0mm H05 VV-F | Ersatzteile für 6453 | 1604460423

Artikelnummer: EB-F0156453H2-1604460423

Position: 5

Marke: BOSCH


Bitte Kompatibilität prüfen!

Bitte prüfen Sie unbedingt die 10-stellige Typennummer Ihrer Maschine / Ihres Gerätes. Das Ersatzteil ist nur kompatibel, wenn Sie die Typennummer Ihrer Maschine in der unten stehenden Produktbeschreibung finden.

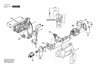
Bitte prüfen Sie ebenfalls detailliert die Explosionszeichnung mit Ihrem Artikelwunsch und der jeweiligen Pos-Nummer.

Alle Elemente, welche vom schwarzen Strich der Pos-Nummer ausgehend berührt / erfasst werden, gehören zu dieser Pos-Nummer und somit zu diesem Artikel. Jede Pos-Nummer ist ein eigenständiger Artikel, welchen Sie in der Auflistung finden.

Sie erhalten stets die aktuellste, neueste Produktversion zu der gewählten Pos-Nummer seitens des Herstellers. Es kann daher je nach Gerätealter vorkommen, dass Sie ggf. weitere, zugehörige Elemente, welche an diese Pos-Nummer grenzen, ebenfalls mittauschen müssen.

Nähere Informationen finden Sie unter dem Link
Hinweise zu Ihrer BOSCH Ersatzteilsuche

Preisübersicht

Einzelpreis: 9,18 €* (Brutto: 10,92 €)
Gesamtpreis: 9,18 €* 
Position:

Lieferzeit: 5 Werktage


Beschreibung

  • Netzanschlussleitung CH 2,75m 2 x 1,0mm H05 VV-F
  • Original Bosch Zubehör / BOSCH Ersatzteil (1604460423)
  • im Gerät verbaut: 1
Dieses BOSCH Ersatzteil ist mit folgendem Gerät und Modell kompatibel:
  • BOSCH Gerätename: 6453
  • BOSCH Explosionszeichnung: Position 5
  • BOSCH Typennummer: F0156453H2
  • BOSCH Typennummer alternative Schreibweisen: F 015 645 3H2, F015 645 3H2, F.015.645.3H2, F-015-645-3H2
    Bitte prüfen Sie diese Typennummer auf Ihrem Gerät um die Kompatibilität des BOSCH Ersatzteils zu gewährleisten.
Weitere BOSCH Ersatzteile des Gerätes 6453 (Schlagbohrmaschine) mit der Typennummer F0156453H2 finden Sie in der nachfolgenden Darstellung und im Dropdown zu Ihrer Auswahl:

Pos.
1
BOSCH Gehäusesatz | Ersatzteile für 6453 | 2610389703
Hersteller: BOSCH
Artikelnummer: EB-F0156453H2-2610389703
nur Informationsartikel
Nie mehr lieferbar
keine Alternativen
Pos.
3
BOSCH Anker 230V | Ersatzteile für 6453 | 2610389379
Hersteller: BOSCH
Artikelnummer: EB-F0156453H2-2610389379
nur Informationsartikel
Nie mehr lieferbar
keine Alternativen
Pos.
4
BOSCH Ein/Aus-Schalter ROT | Ersatzteile für 6453 | 2610389714
Hersteller: BOSCH
Artikelnummer: EB-F0156453H2-2610389714
nur Informationsartikel
Nie mehr lieferbar
keine Alternativen
Pos.
5
BOSCH Netzanschlussleitung CH 2,75m 2 x 1,0mm H05 VV-F | Ersatzteile für 6453 | 1604460423
Hersteller: BOSCH
Artikelnummer: EB-F0156453H2-1604460423
Netto: 9,18 € zzgl. MwSt.
zzgl. 6,90 € Versand (brutto)
einmalig pro Bestellung

Lieferzeit: 5 Werktage

Pos.
6
BOSCH Tülle Ø6,5-Ø6,9x95 MM | Ersatzteile für 6453 | 2600703012
Hersteller: BOSCH
Artikelnummer: EB-F0156453H2-2600703012
Netto: 4,82 € zzgl. MwSt.
zzgl. 6,90 € Versand (brutto)
einmalig pro Bestellung

Lieferzeit: 5 Werktage

Pos.
16
BOSCH Bürstenhalter | Ersatzteile für 6453 | 2610387874
Hersteller: BOSCH
Artikelnummer: EB-F0156453H2-2610387874
nur Informationsartikel
Nie mehr lieferbar
keine Alternativen
Pos.
21
BOSCH Halteplatte | Ersatzteile für 6453 | 2610389328
Hersteller: BOSCH
Artikelnummer: EB-F0156453H2-2610389328
nur Informationsartikel
Nie mehr lieferbar
keine Alternativen
Pos.
22
BOSCH Torx-Linsenschraube T20-8x19 MM | Ersatzteile für 6453 | 2610374919
Hersteller: BOSCH
Artikelnummer: EB-F0156453H2-2610374919
Netto: 3,63 € zzgl. MwSt.
zzgl. 6,90 € Versand (brutto)
einmalig pro Bestellung

Lieferzeit: 5 Werktage

Pos.
23
BOSCH Verbindungsleitung SCHWARZ | Ersatzteile für 6453 | 2610386631
Hersteller: BOSCH
Artikelnummer: EB-F0156453H2-2610386631
nur Informationsartikel
Nie mehr lieferbar
keine Alternativen
Pos.
24
BOSCH Verbindungsleitung GRAU | Ersatzteile für 6453 | 2610386632
Hersteller: BOSCH
Artikelnummer: EB-F0156453H2-2610386632
nur Informationsartikel
Nie mehr lieferbar
keine Alternativen
Pos.
26
BOSCH Einstellschraube ROT | Ersatzteile für 6453 | 2610389725
Hersteller: BOSCH
Artikelnummer: EB-F0156453H2-2610389725
nur Informationsartikel
Nie mehr lieferbar
keine Alternativen
Pos.
27
BOSCH Schnellspannbohrfutter | Ersatzteile für 6453 | 2610389331
Hersteller: BOSCH
Artikelnummer: EB-F0156453H2-2610389331
nur Informationsartikel
Nie mehr lieferbar
keine Alternativen
Pos.
29
BOSCH Umschalter ROT | Ersatzteile für 6453 | 2610390702
Hersteller: BOSCH
Artikelnummer: EB-F0156453H2-2610390702
nur Informationsartikel
Nie mehr lieferbar
keine Alternativen
Pos.
31
BOSCH Druckfeder | Ersatzteile für 6453 | 2610386630
Hersteller: BOSCH
Artikelnummer: EB-F0156453H2-2610386630
nur Informationsartikel
Nie mehr lieferbar
keine Alternativen
Pos.
34
BOSCH Lagerbrücke | Ersatzteile für 6453 | 2610388840
Hersteller: BOSCH
Artikelnummer: EB-F0156453H2-2610388840
nur Informationsartikel
Nie mehr lieferbar
keine Alternativen
Pos.
802
BOSCH Polschuh 230V | Ersatzteile für 6453 | 2610387218
Hersteller: BOSCH
Artikelnummer: EB-F0156453H2-2610387218
nur Informationsartikel
Nie mehr lieferbar
keine Alternativen
Pos.
810
BOSCH Bürstenhalter | Ersatzteile für 6453 | 2610376874
Hersteller: BOSCH
Artikelnummer: EB-F0156453H2-2610376874
nur Informationsartikel
Nie mehr lieferbar
keine Alternativen
Pos.
813
BOSCH Rillenkugellager 8x22x7 | Ersatzteile für 6453 | 2600905052
Hersteller: BOSCH
Artikelnummer: EB-F0156453H2-2600905052
Netto: 7,76 € zzgl. MwSt.
zzgl. 6,90 € Versand (brutto)
einmalig pro Bestellung

Lieferzeit: 5 Werktage

Pos.
825
BOSCH Teilesatz | Ersatzteile für 6453 | 2610389373
Hersteller: BOSCH
Artikelnummer: EB-F0156453H2-2610389373
nur Informationsartikel
Nie mehr lieferbar
keine Alternativen
Pos.
836
BOSCH Bohrspindel | Ersatzteile für 6453 | 2610390892
Hersteller: BOSCH
Artikelnummer: EB-F0156453H2-2610390892
nur Informationsartikel
Nie mehr lieferbar
keine Alternativen

Angaben zur Produktsicherheit

Hersteller:
Robert Bosch Power Tools GmbH
Postfach 30 02 20
70442 Stuttgart

E-Mail:
kontakt@bosch.de