BOSCH Tiefenanschlag | Ersatzteile für 6470 H2 | 2609005615

Artikelnummer: EB-F0156470G2-2609005615

Position: 57

Marke: BOSCH


Bitte Kompatibilität prüfen!

Bitte prüfen Sie unbedingt die 10-stellige Typennummer Ihrer Maschine / Ihres Gerätes. Das Ersatzteil ist nur kompatibel, wenn Sie die Typennummer Ihrer Maschine in der unten stehenden Produktbeschreibung finden.

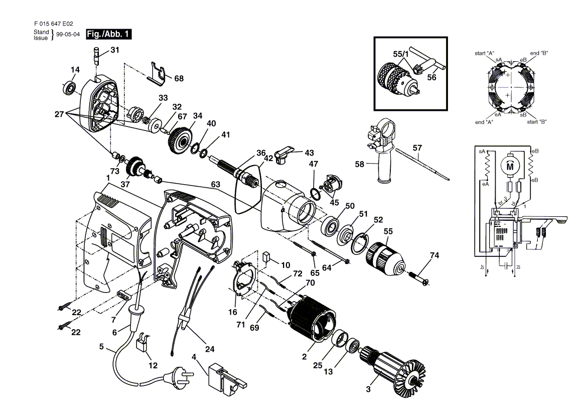
Bitte prüfen Sie ebenfalls detailliert die Explosionszeichnung mit Ihrem Artikelwunsch und der jeweiligen Pos-Nummer.

Alle Elemente, welche vom schwarzen Strich der Pos-Nummer ausgehend berührt / erfasst werden, gehören zu dieser Pos-Nummer und somit zu diesem Artikel. Jede Pos-Nummer ist ein eigenständiger Artikel, welchen Sie in der Auflistung finden.

Sie erhalten stets die aktuellste, neueste Produktversion zu der gewählten Pos-Nummer seitens des Herstellers. Es kann daher je nach Gerätealter vorkommen, dass Sie ggf. weitere, zugehörige Elemente, welche an diese Pos-Nummer grenzen, ebenfalls mittauschen müssen.

Nähere Informationen finden Sie unter dem Link
Hinweise zu Ihrer BOSCH Ersatzteilsuche

Preisübersicht

Einzelpreis: 5,67 €* (Brutto: 6,75 €)
Gesamtpreis: 5,67 €* 
Position:

Lieferzeit: 5 Werktage


Beschreibung

  • Tiefenanschlag
  • Original Bosch Zubehör / BOSCH Ersatzteil (2609005615)
  • im Gerät verbaut: 1
Dieses BOSCH Ersatzteil ist mit folgendem Gerät und Modell kompatibel:
  • BOSCH Gerätename: 6470 H2
  • BOSCH Explosionszeichnung: Position 57
  • BOSCH Typennummer: F0156470G2
  • BOSCH Typennummer alternative Schreibweisen: F 015 647 0G2, F015 647 0G2, F.015.647.0G2, F-015-647-0G2
    Bitte prüfen Sie diese Typennummer auf Ihrem Gerät um die Kompatibilität des BOSCH Ersatzteils zu gewährleisten.
Weitere BOSCH Ersatzteile des Gerätes 6470 H2 (Bohrmaschine) mit der Typennummer F0156470G2 finden Sie in der nachfolgenden Darstellung und im Dropdown zu Ihrer Auswahl:

Pos.
1
BOSCH Gehäuse | Ersatzteile für 6470 H2 | 2610384928
Hersteller: BOSCH
Artikelnummer: EB-F0156470G2-2610384928
nur Informationsartikel
Nie mehr lieferbar
keine Alternativen
Pos.
55/1
BOSCH Bohrfutter Ø1,5-13 MM, 1/2" | Ersatzteile für 6470 H2 | 1608571069
Hersteller: BOSCH
Artikelnummer: EB-F0156470G2-1608571069
Netto: 21,16 € zzgl. MwSt.
zzgl. 6,90 € Versand (brutto)
einmalig pro Bestellung

Lieferzeit: 5 Werktage

Pos.
2
BOSCH Polschuh 230-240V | Ersatzteile für 6470 H2 | 2610385990
Hersteller: BOSCH
Artikelnummer: EB-F0156470G2-2610385990
nur Informationsartikel
Nie mehr lieferbar
keine Alternativen
Pos.
3
BOSCH Anker 230-240V | Ersatzteile für 6470 H2 | 2610384934
Hersteller: BOSCH
Artikelnummer: EB-F0156470G2-2610384934
nur Informationsartikel
Nie mehr lieferbar
keine Alternativen
Pos.
4
BOSCH Schalter ROT | Ersatzteile für 6470 H2 | 2610390839
Hersteller: BOSCH
Artikelnummer: EB-F0156470G2-2610390839
nur Informationsartikel
Nie mehr lieferbar
keine Alternativen
Pos.
5
BOSCH Netzanschlussleitung GB 230V | Ersatzteile für 6470 H2 | 2610376418
Hersteller: BOSCH
Artikelnummer: EB-F0156470G2-2610376418
nur Informationsartikel
Nie mehr lieferbar
keine Alternativen
Pos.
6
BOSCH Tülle | Ersatzteile für 6470 H2 | 2610360176
Hersteller: BOSCH
Artikelnummer: EB-F0156470G2-2610360176
Netto: 3,94 € zzgl. MwSt.
zzgl. 6,90 € Versand (brutto)
einmalig pro Bestellung

Lieferzeit: 5 Werktage

Pos.
7
BOSCH Kabelschelle | Ersatzteile für 6470 H2 | 2610372882
Hersteller: BOSCH
Artikelnummer: EB-F0156470G2-2610372882
nur Informationsartikel
Nie mehr lieferbar
keine Alternativen
Pos.
10
BOSCH Kohlebürstensatz | Ersatzteile für 6470 H2 | 2610386473
Hersteller: BOSCH
Artikelnummer: EB-F0156470G2-2610386473
nur Informationsartikel
Nie mehr lieferbar
keine Alternativen
Pos.
12
BOSCH Entstörkondensator | Ersatzteile für 6470 H2 | 2609004538
Hersteller: BOSCH
Artikelnummer: EB-F0156470G2-2609004538
Netto: 5,19 € zzgl. MwSt.
zzgl. 6,90 € Versand (brutto)
einmalig pro Bestellung

Lieferzeit: 5 Werktage

Pos.
13
BOSCH Kugellager | Ersatzteile für 6470 H2 | 2610374213
Hersteller: BOSCH
Artikelnummer: EB-F0156470G2-2610374213
nur Informationsartikel
Nie mehr lieferbar
keine Alternativen
Pos.
14
BOSCH Rillenkugellager 8x22x7 | Ersatzteile für 6470 H2 | 2600905052
Hersteller: BOSCH
Artikelnummer: EB-F0156470G2-2600905052
Netto: 7,76 € zzgl. MwSt.
zzgl. 6,90 € Versand (brutto)
einmalig pro Bestellung

Lieferzeit: 5 Werktage

Pos.
16
BOSCH Halterplatte | Ersatzteile für 6470 H2 | 2610386474
Hersteller: BOSCH
Artikelnummer: EB-F0156470G2-2610386474
nur Informationsartikel
Nie mehr lieferbar
keine Alternativen
Pos.
22
BOSCH Schraube | Ersatzteile für 6470 H2 | 2610367838
Hersteller: BOSCH
Artikelnummer: EB-F0156470G2-2610367838
nur Informationsartikel
Nie mehr lieferbar
keine Alternativen
Pos.
24
BOSCH Drossel | Ersatzteile für 6470 H2 | 2610384927
Hersteller: BOSCH
Artikelnummer: EB-F0156470G2-2610384927
nur Informationsartikel
Nie mehr lieferbar
keine Alternativen
Pos.
25
BOSCH Ring | Ersatzteile für 6470 H2 | 2610377164
Hersteller: BOSCH
Artikelnummer: EB-F0156470G2-2610377164
nur Informationsartikel
Nie mehr lieferbar
keine Alternativen
Pos.
27
BOSCH Lagerdeckel | Ersatzteile für 6470 H2 | 2610386391
Hersteller: BOSCH
Artikelnummer: EB-F0156470G2-2610386391
nur Informationsartikel
Nie mehr lieferbar
keine Alternativen
Pos.
31
BOSCH Achse | Ersatzteile für 6470 H2 | 2610384944
Hersteller: BOSCH
Artikelnummer: EB-F0156470G2-2610384944
nur Informationsartikel
Nie mehr lieferbar
keine Alternativen
Pos.
32
BOSCH Stift | Ersatzteile für 6470 H2 | 2610384931
Hersteller: BOSCH
Artikelnummer: EB-F0156470G2-2610384931
nur Informationsartikel
Nie mehr lieferbar
keine Alternativen
Pos.
33
BOSCH Feder | Ersatzteile für 6470 H2 | 2610384932
Hersteller: BOSCH
Artikelnummer: EB-F0156470G2-2610384932
nur Informationsartikel
Nie mehr lieferbar
keine Alternativen
Pos.
34
BOSCH Zahnrad | Ersatzteile für 6470 H2 | 2610386392
Hersteller: BOSCH
Artikelnummer: EB-F0156470G2-2610386392
nur Informationsartikel
Nie mehr lieferbar
keine Alternativen
Pos.
36
BOSCH Spindel | Ersatzteile für 6470 H2 | 2610386390
Hersteller: BOSCH
Artikelnummer: EB-F0156470G2-2610386390
nur Informationsartikel
Nie mehr lieferbar
keine Alternativen
Pos.
37
BOSCH Achse | Ersatzteile für 6470 H2 | 2610386393
Hersteller: BOSCH
Artikelnummer: EB-F0156470G2-2610386393
nur Informationsartikel
Nie mehr lieferbar
keine Alternativen
Pos.
40
BOSCH Ring | Ersatzteile für 6470 H2 | 2610376158
Hersteller: BOSCH
Artikelnummer: EB-F0156470G2-2610376158
nur Informationsartikel
Nie mehr lieferbar
keine Alternativen
Pos.
41
BOSCH Ring | Ersatzteile für 6470 H2 | 2610376159
Hersteller: BOSCH
Artikelnummer: EB-F0156470G2-2610376159
nur Informationsartikel
Nie mehr lieferbar
keine Alternativen
Pos.
42
BOSCH Ring | Ersatzteile für 6470 H2 | 2610376160
Hersteller: BOSCH
Artikelnummer: EB-F0156470G2-2610376160
nur Informationsartikel
Nie mehr lieferbar
keine Alternativen
Pos.
43
BOSCH Knopf ROT | Ersatzteile für 6470 H2 | 2610390841
Hersteller: BOSCH
Artikelnummer: EB-F0156470G2-2610390841
nur Informationsartikel
Nie mehr lieferbar
keine Alternativen
Pos.
45
BOSCH Knopf ROT | Ersatzteile für 6470 H2 | 2610390842
Hersteller: BOSCH
Artikelnummer: EB-F0156470G2-2610390842
nur Informationsartikel
Nie mehr lieferbar
keine Alternativen
Pos.
47
BOSCH Ring | Ersatzteile für 6470 H2 | 2610376151
Hersteller: BOSCH
Artikelnummer: EB-F0156470G2-2610376151
nur Informationsartikel
Nie mehr lieferbar
keine Alternativen
Pos.
50
BOSCH Kugellager | Ersatzteile für 6470 H2 | 2610360847
Hersteller: BOSCH
Artikelnummer: EB-F0156470G2-2610360847
nur Informationsartikel
Nie mehr lieferbar
keine Alternativen
Pos.
51
BOSCH Dichtung | Ersatzteile für 6470 H2 | 2610384926
Hersteller: BOSCH
Artikelnummer: EB-F0156470G2-2610384926
nur Informationsartikel
Nie mehr lieferbar
keine Alternativen
Pos.
52
BOSCH Ring | Ersatzteile für 6470 H2 | 2610376152
Hersteller: BOSCH
Artikelnummer: EB-F0156470G2-2610376152
nur Informationsartikel
Nie mehr lieferbar
keine Alternativen
Pos.
55
BOSCH Schnellspannbohrfutter 13 MM | Ersatzteile für 6470 H2 | 2610386549
Hersteller: BOSCH
Artikelnummer: EB-F0156470G2-2610386549
nur Informationsartikel
Nie mehr lieferbar
keine Alternativen
Pos.
56
BOSCH Bohrfutterschlüssel | Ersatzteile für 6470 H2 | 2610063333
Hersteller: BOSCH
Artikelnummer: EB-F0156470G2-2610063333
nur Informationsartikel
Nie mehr lieferbar
keine Alternativen
Pos.
57
BOSCH Tiefenanschlag | Ersatzteile für 6470 H2 | 2609005615
Hersteller: BOSCH
Artikelnummer: EB-F0156470G2-2609005615
Netto: 5,67 € zzgl. MwSt.
zzgl. 6,90 € Versand (brutto)
einmalig pro Bestellung

Lieferzeit: 5 Werktage

Pos.
58
BOSCH Zusatzhandgriff | Ersatzteile für 6470 H2 | 2602025094
Hersteller: BOSCH
Artikelnummer: EB-F0156470G2-2602025094
Netto: 7,76 € zzgl. MwSt.
zzgl. 6,90 € Versand (brutto)
einmalig pro Bestellung

Lieferzeit: 5 Werktage

Pos.
63
BOSCH Gehäuse | Ersatzteile für 6470 H2 | 2610384929
Hersteller: BOSCH
Artikelnummer: EB-F0156470G2-2610384929
nur Informationsartikel
Nie mehr lieferbar
keine Alternativen
Pos.
64
BOSCH Schraube | Ersatzteile für 6470 H2 | 2610376149
Hersteller: BOSCH
Artikelnummer: EB-F0156470G2-2610376149
nur Informationsartikel
Nie mehr lieferbar
keine Alternativen
Pos.
65
BOSCH Schraube | Ersatzteile für 6470 H2 | 2610371879
Hersteller: BOSCH
Artikelnummer: EB-F0156470G2-2610371879
nur Informationsartikel
Nie mehr lieferbar
keine Alternativen
Pos.
67
BOSCH Kugel | Ersatzteile für 6470 H2 | 2610384930
Hersteller: BOSCH
Artikelnummer: EB-F0156470G2-2610384930
nur Informationsartikel
Nie mehr lieferbar
keine Alternativen
Pos.
68
BOSCH Führungsplatte | Ersatzteile für 6470 H2 | 2610384940
Hersteller: BOSCH
Artikelnummer: EB-F0156470G2-2610384940
nur Informationsartikel
Nie mehr lieferbar
keine Alternativen
Pos.
69
BOSCH Draht | Ersatzteile für 6470 H2 | 2610384936
Hersteller: BOSCH
Artikelnummer: EB-F0156470G2-2610384936
nur Informationsartikel
Nie mehr lieferbar
keine Alternativen
Pos.
70
BOSCH Draht | Ersatzteile für 6470 H2 | 2610384937
Hersteller: BOSCH
Artikelnummer: EB-F0156470G2-2610384937
nur Informationsartikel
Nie mehr lieferbar
keine Alternativen
Pos.
71
BOSCH Draht | Ersatzteile für 6470 H2 | 2610384938
Hersteller: BOSCH
Artikelnummer: EB-F0156470G2-2610384938
nur Informationsartikel
Nie mehr lieferbar
keine Alternativen
Pos.
72
BOSCH Draht | Ersatzteile für 6470 H2 | 2610384939
Hersteller: BOSCH
Artikelnummer: EB-F0156470G2-2610384939
nur Informationsartikel
Nie mehr lieferbar
keine Alternativen
Pos.
73
BOSCH Scheibe | Ersatzteile für 6470 H2 | 2610386415
Hersteller: BOSCH
Artikelnummer: EB-F0156470G2-2610386415
nur Informationsartikel
Nie mehr lieferbar
keine Alternativen
Pos.
74
BOSCH Schraube | Ersatzteile für 6470 H2 | 2610386394
Hersteller: BOSCH
Artikelnummer: EB-F0156470G2-2610386394
nur Informationsartikel
Nie mehr lieferbar
keine Alternativen
Pos.
75
BOSCH Unterlegscheibe | Ersatzteile für 6470 H2 | 2610389130
Hersteller: BOSCH
Artikelnummer: EB-F0156470G2-2610389130
nur Informationsartikel
Nie mehr lieferbar
keine Alternativen
Pos.
76
BOSCH Unterlegscheibe | Ersatzteile für 6470 H2 | 2610389303
Hersteller: BOSCH
Artikelnummer: EB-F0156470G2-2610389303
nur Informationsartikel
Nie mehr lieferbar
keine Alternativen

Angaben zur Produktsicherheit

Hersteller:
Robert Bosch Power Tools GmbH
Postfach 30 02 20
70442 Stuttgart

E-Mail:
kontakt@bosch.de