BOSCH Tülle | Ersatzteile für 6490 | 2610360176

Artikelnummer: EB-F0156490R1-2610360176

Position: 6

Marke: BOSCH


Bitte Kompatibilität prüfen!

Bitte prüfen Sie unbedingt die 10-stellige Typennummer Ihrer Maschine / Ihres Gerätes. Das Ersatzteil ist nur kompatibel, wenn Sie die Typennummer Ihrer Maschine in der unten stehenden Produktbeschreibung finden.

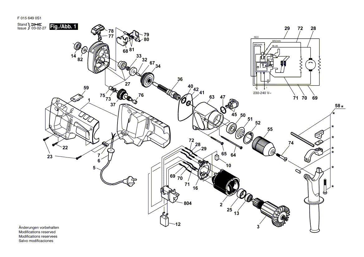
Bitte prüfen Sie ebenfalls detailliert die Explosionszeichnung mit Ihrem Artikelwunsch und der jeweiligen Pos-Nummer.

Alle Elemente, welche vom schwarzen Strich der Pos-Nummer ausgehend berührt / erfasst werden, gehören zu dieser Pos-Nummer und somit zu diesem Artikel. Jede Pos-Nummer ist ein eigenständiger Artikel, welchen Sie in der Auflistung finden.

Sie erhalten stets die aktuellste, neueste Produktversion zu der gewählten Pos-Nummer seitens des Herstellers. Es kann daher je nach Gerätealter vorkommen, dass Sie ggf. weitere, zugehörige Elemente, welche an diese Pos-Nummer grenzen, ebenfalls mittauschen müssen.

Nähere Informationen finden Sie unter dem Link
Hinweise zu Ihrer BOSCH Ersatzteilsuche

Preisübersicht

Einzelpreis: 3,94 €* (Brutto: 4,69 €)
Gesamtpreis: 3,94 €* 
Position:

Lieferzeit: 5 Werktage


Beschreibung

  • Tülle
  • Original Bosch Zubehör / BOSCH Ersatzteil (2610360176)
  • im Gerät verbaut: 1
Dieses BOSCH Ersatzteil ist mit folgendem Gerät und Modell kompatibel:
  • BOSCH Gerätename: 6490
  • BOSCH Explosionszeichnung: Position 6
  • BOSCH Typennummer: F0156490R1
  • BOSCH Typennummer alternative Schreibweisen: F 015 649 0R1, F015 649 0R1, F.015.649.0R1, F-015-649-0R1
    Bitte prüfen Sie diese Typennummer auf Ihrem Gerät um die Kompatibilität des BOSCH Ersatzteils zu gewährleisten.
Weitere BOSCH Ersatzteile des Gerätes 6490 (Schlagbohrmaschine) mit der Typennummer F0156490R1 finden Sie in der nachfolgenden Darstellung und im Dropdown zu Ihrer Auswahl:

Pos.
1
BOSCH Gehäusesatz | Ersatzteile für 6490 | 2610398066
Hersteller: BOSCH
Artikelnummer: EB-F0156490R1-2610398066
nur Informationsartikel
Nie mehr lieferbar
keine Alternativen
Pos.
2
BOSCH Polschuh 110-230V | Ersatzteile für 6490 | 2610387443
Hersteller: BOSCH
Artikelnummer: EB-F0156490R1-2610387443
nur Informationsartikel
Nie mehr lieferbar
keine Alternativen
Pos.
3
BOSCH Anker 230-240V | Ersatzteile für 6490 | 2610391722
Hersteller: BOSCH
Artikelnummer: EB-F0156490R1-2610391722
nur Informationsartikel
Nie mehr lieferbar
keine Alternativen
Pos.
5
BOSCH Netzanschlussleitung CH 4,15m 2 x 1,0mm HO7 RN-F | Ersatzteile für 6490 | 2610383569
Hersteller: BOSCH
Artikelnummer: EB-F0156490R1-2610383569
Netto: 14,08 € zzgl. MwSt.
zzgl. 6,90 € Versand (brutto)
einmalig pro Bestellung

Lieferzeit: 5 Werktage

Pos.
6
BOSCH Tülle | Ersatzteile für 6490 | 2610360176
Hersteller: BOSCH
Artikelnummer: EB-F0156490R1-2610360176
Netto: 3,94 € zzgl. MwSt.
zzgl. 6,90 € Versand (brutto)
einmalig pro Bestellung

Lieferzeit: 5 Werktage

Pos.
7
BOSCH Kabelschelle | Ersatzteile für 6490 | 2610372882
Hersteller: BOSCH
Artikelnummer: EB-F0156490R1-2610372882
nur Informationsartikel
Nie mehr lieferbar
keine Alternativen
Pos.
10
BOSCH Kohlebürstensatz | Ersatzteile für 6490 | 2610386473
Hersteller: BOSCH
Artikelnummer: EB-F0156490R1-2610386473
nur Informationsartikel
Nie mehr lieferbar
keine Alternativen
Pos.
12
BOSCH Entstörkondensator | Ersatzteile für 6490 | 2609004538
Hersteller: BOSCH
Artikelnummer: EB-F0156490R1-2609004538
Netto: 5,19 € zzgl. MwSt.
zzgl. 6,90 € Versand (brutto)
einmalig pro Bestellung

Lieferzeit: 5 Werktage

Pos.
13
BOSCH Kugellager | Ersatzteile für 6490 | 2610374213
Hersteller: BOSCH
Artikelnummer: EB-F0156490R1-2610374213
nur Informationsartikel
Nie mehr lieferbar
keine Alternativen
Pos.
14
BOSCH Rillenkugellager 8x22x7 | Ersatzteile für 6490 | 2600905052
Hersteller: BOSCH
Artikelnummer: EB-F0156490R1-2600905052
Netto: 7,76 € zzgl. MwSt.
zzgl. 6,90 € Versand (brutto)
einmalig pro Bestellung

Lieferzeit: 5 Werktage

Pos.
16
BOSCH Halterplatte | Ersatzteile für 6490 | 2610386474
Hersteller: BOSCH
Artikelnummer: EB-F0156490R1-2610386474
nur Informationsartikel
Nie mehr lieferbar
keine Alternativen
Pos.
22
BOSCH Schraube | Ersatzteile für 6490 | 2610367838
Hersteller: BOSCH
Artikelnummer: EB-F0156490R1-2610367838
nur Informationsartikel
Nie mehr lieferbar
keine Alternativen
Pos.
23
BOSCH Schraube | Ersatzteile für 6490 | 2610367837
Hersteller: BOSCH
Artikelnummer: EB-F0156490R1-2610367837
nur Informationsartikel
Nie mehr lieferbar
keine Alternativen
Pos.
25
BOSCH Ring | Ersatzteile für 6490 | 2610377164
Hersteller: BOSCH
Artikelnummer: EB-F0156490R1-2610377164
nur Informationsartikel
Nie mehr lieferbar
keine Alternativen
Pos.
27
BOSCH Lagerdeckel | Ersatzteile für 6490 | 2610391866
Hersteller: BOSCH
Artikelnummer: EB-F0156490R1-2610391866
nur Informationsartikel
Nie mehr lieferbar
keine Alternativen
Pos.
28
BOSCH Verbindungsleitung | Ersatzteile für 6490 | 2610391724
Hersteller: BOSCH
Artikelnummer: EB-F0156490R1-2610391724
Netto: 4,39 € zzgl. MwSt.
zzgl. 6,90 € Versand (brutto)
einmalig pro Bestellung

Lieferzeit: 5 Werktage

Pos.
29
BOSCH Verbindungsleitung | Ersatzteile für 6490 | 2610391725
Hersteller: BOSCH
Artikelnummer: EB-F0156490R1-2610391725
nur Informationsartikel
Nie mehr lieferbar
keine Alternativen
Pos.
32
BOSCH Stift | Ersatzteile für 6490 | 2610384931
Hersteller: BOSCH
Artikelnummer: EB-F0156490R1-2610384931
nur Informationsartikel
Nie mehr lieferbar
keine Alternativen
Pos.
33
BOSCH Feder | Ersatzteile für 6490 | 2610386405
Hersteller: BOSCH
Artikelnummer: EB-F0156490R1-2610386405
nur Informationsartikel
Nie mehr lieferbar
keine Alternativen
Pos.
34
BOSCH Zahnrad | Ersatzteile für 6490 | 2610386392
Hersteller: BOSCH
Artikelnummer: EB-F0156490R1-2610386392
nur Informationsartikel
Nie mehr lieferbar
keine Alternativen
Pos.
36
BOSCH Spindel | Ersatzteile für 6490 | 2610386390
Hersteller: BOSCH
Artikelnummer: EB-F0156490R1-2610386390
nur Informationsartikel
Nie mehr lieferbar
keine Alternativen
Pos.
37
BOSCH Achse | Ersatzteile für 6490 | 2610386393
Hersteller: BOSCH
Artikelnummer: EB-F0156490R1-2610386393
nur Informationsartikel
Nie mehr lieferbar
keine Alternativen
Pos.
40
BOSCH Ring | Ersatzteile für 6490 | 2610376158
Hersteller: BOSCH
Artikelnummer: EB-F0156490R1-2610376158
nur Informationsartikel
Nie mehr lieferbar
keine Alternativen
Pos.
41
BOSCH Ring | Ersatzteile für 6490 | 2610376159
Hersteller: BOSCH
Artikelnummer: EB-F0156490R1-2610376159
nur Informationsartikel
Nie mehr lieferbar
keine Alternativen
Pos.
42
BOSCH Ring | Ersatzteile für 6490 | 2610376160
Hersteller: BOSCH
Artikelnummer: EB-F0156490R1-2610376160
nur Informationsartikel
Nie mehr lieferbar
keine Alternativen
Pos.
45
BOSCH Knopf ROT | Ersatzteile für 6490 | 2610390843
Hersteller: BOSCH
Artikelnummer: EB-F0156490R1-2610390843
nur Informationsartikel
Nie mehr lieferbar
keine Alternativen
Pos.
47
BOSCH Ring | Ersatzteile für 6490 | 2610376151
Hersteller: BOSCH
Artikelnummer: EB-F0156490R1-2610376151
nur Informationsartikel
Nie mehr lieferbar
keine Alternativen
Pos.
50
BOSCH Kugellager | Ersatzteile für 6490 | 2610360847
Hersteller: BOSCH
Artikelnummer: EB-F0156490R1-2610360847
nur Informationsartikel
Nie mehr lieferbar
keine Alternativen
Pos.
51
BOSCH Dichtung | Ersatzteile für 6490 | 2610384926
Hersteller: BOSCH
Artikelnummer: EB-F0156490R1-2610384926
nur Informationsartikel
Nie mehr lieferbar
keine Alternativen
Pos.
52
BOSCH Ring | Ersatzteile für 6490 | 2610376152
Hersteller: BOSCH
Artikelnummer: EB-F0156490R1-2610376152
nur Informationsartikel
Nie mehr lieferbar
keine Alternativen
Pos.
55
BOSCH Schnellspannbohrfutter | Ersatzteile für 6490 | 2608572165
Hersteller: BOSCH
Artikelnummer: EB-F0156490R1-2608572165
nur Informationsartikel
Nie mehr lieferbar
keine Alternativen
Pos.
58
BOSCH Zusatzhandgriff | Ersatzteile für 6490 | 2610391728
Hersteller: BOSCH
Artikelnummer: EB-F0156490R1-2610391728
nur Informationsartikel
Nie mehr lieferbar
keine Alternativen
Pos.
59
BOSCH Verstellschieber | Ersatzteile für 6490 | 2610392594
Hersteller: BOSCH
Artikelnummer: EB-F0156490R1-2610392594
nur Informationsartikel
Nie mehr lieferbar
keine Alternativen
Pos.
63
BOSCH Getriebegehäuse | Ersatzteile für 6490 | 2610391729
Hersteller: BOSCH
Artikelnummer: EB-F0156490R1-2610391729
nur Informationsartikel
Nie mehr lieferbar
keine Alternativen
Pos.
64
BOSCH Schraube | Ersatzteile für 6490 | 2610376149
Hersteller: BOSCH
Artikelnummer: EB-F0156490R1-2610376149
nur Informationsartikel
Nie mehr lieferbar
keine Alternativen
Pos.
65
BOSCH Schraube | Ersatzteile für 6490 | 2610371879
Hersteller: BOSCH
Artikelnummer: EB-F0156490R1-2610371879
nur Informationsartikel
Nie mehr lieferbar
keine Alternativen
Pos.
67
BOSCH Kugel | Ersatzteile für 6490 | 2610384930
Hersteller: BOSCH
Artikelnummer: EB-F0156490R1-2610384930
nur Informationsartikel
Nie mehr lieferbar
keine Alternativen
Pos.
68
BOSCH Führungsplatte | Ersatzteile für 6490 | 2610386414
Hersteller: BOSCH
Artikelnummer: EB-F0156490R1-2610386414
nur Informationsartikel
Nie mehr lieferbar
keine Alternativen
Pos.
69
BOSCH Verbindungsleitung | Ersatzteile für 6490 | 2610391730
Hersteller: BOSCH
Artikelnummer: EB-F0156490R1-2610391730
nur Informationsartikel
Nie mehr lieferbar
keine Alternativen
Pos.
70
BOSCH Verbindungsleitung | Ersatzteile für 6490 | 2610391731
Hersteller: BOSCH
Artikelnummer: EB-F0156490R1-2610391731
nur Informationsartikel
Nie mehr lieferbar
keine Alternativen
Pos.
71
BOSCH Verbindungsleitung | Ersatzteile für 6490 | 2610391732
Hersteller: BOSCH
Artikelnummer: EB-F0156490R1-2610391732
nur Informationsartikel
Nie mehr lieferbar
keine Alternativen
Pos.
72
BOSCH Verbindungsleitung | Ersatzteile für 6490 | 2610391733
Hersteller: BOSCH
Artikelnummer: EB-F0156490R1-2610391733
nur Informationsartikel
Nie mehr lieferbar
keine Alternativen
Pos.
73
BOSCH Unterlegscheibe | Ersatzteile für 6490 | 2610389303
Hersteller: BOSCH
Artikelnummer: EB-F0156490R1-2610389303
nur Informationsartikel
Nie mehr lieferbar
keine Alternativen
Pos.
74
BOSCH Schraube | Ersatzteile für 6490 | 2610386394
Hersteller: BOSCH
Artikelnummer: EB-F0156490R1-2610386394
nur Informationsartikel
Nie mehr lieferbar
keine Alternativen
Pos.
75
BOSCH Nadellager | Ersatzteile für 6490 | 2610063954
Hersteller: BOSCH
Artikelnummer: EB-F0156490R1-2610063954
nur Informationsartikel
Nie mehr lieferbar
keine Alternativen
Pos.
76
BOSCH Lager | Ersatzteile für 6490 | 2610386416
Hersteller: BOSCH
Artikelnummer: EB-F0156490R1-2610386416
nur Informationsartikel
Nie mehr lieferbar
keine Alternativen
Pos.
77
BOSCH Verschleissteil | Ersatzteile für 6490 | 2610386412
Hersteller: BOSCH
Artikelnummer: EB-F0156490R1-2610386412
nur Informationsartikel
Nie mehr lieferbar
keine Alternativen
Pos.
78
BOSCH Knopf ROT | Ersatzteile für 6490 | 2610390844
Hersteller: BOSCH
Artikelnummer: EB-F0156490R1-2610390844
nur Informationsartikel
Nie mehr lieferbar
keine Alternativen
Pos.
79
BOSCH Stütze | Ersatzteile für 6490 | 2610386410
Hersteller: BOSCH
Artikelnummer: EB-F0156490R1-2610386410
nur Informationsartikel
Nie mehr lieferbar
keine Alternativen
Pos.
80
BOSCH Stössel | Ersatzteile für 6490 | 2610386413
Hersteller: BOSCH
Artikelnummer: EB-F0156490R1-2610386413
nur Informationsartikel
Nie mehr lieferbar
keine Alternativen
Pos.
81
BOSCH Feder | Ersatzteile für 6490 | 2610391734
Hersteller: BOSCH
Artikelnummer: EB-F0156490R1-2610391734
nur Informationsartikel
Nie mehr lieferbar
keine Alternativen
Pos.
82
BOSCH Unterlegscheibe | Ersatzteile für 6490 | 2610389130
Hersteller: BOSCH
Artikelnummer: EB-F0156490R1-2610389130
nur Informationsartikel
Nie mehr lieferbar
keine Alternativen
Pos.
804
BOSCH Ein/Aus-Schalter | Ersatzteile für 6490 | 2610392593
Hersteller: BOSCH
Artikelnummer: EB-F0156490R1-2610392593
nur Informationsartikel
Nie mehr lieferbar
keine Alternativen

Angaben zur Produktsicherheit

Hersteller:
Robert Bosch Power Tools GmbH
Postfach 30 02 20
70442 Stuttgart

E-Mail:
kontakt@bosch.de