BOSCH Polschuh 230V | Ersatzteile für 6550 U1 | 2610353999

Artikelnummer: EB-F0156550H1-2610353999

Position: 2

Marke: BOSCH


Bitte Kompatibilität prüfen!

Bitte prüfen Sie unbedingt die 10-stellige Typennummer Ihrer Maschine / Ihres Gerätes. Das Ersatzteil ist nur kompatibel, wenn Sie die Typennummer Ihrer Maschine in der unten stehenden Produktbeschreibung finden.

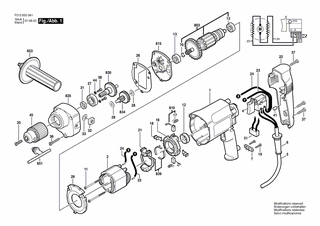
Bitte prüfen Sie ebenfalls detailliert die Explosionszeichnung mit Ihrem Artikelwunsch und der jeweiligen Pos-Nummer.

Alle Elemente, welche vom schwarzen Strich der Pos-Nummer ausgehend berührt / erfasst werden, gehören zu dieser Pos-Nummer und somit zu diesem Artikel. Jede Pos-Nummer ist ein eigenständiger Artikel, welchen Sie in der Auflistung finden.

Sie erhalten stets die aktuellste, neueste Produktversion zu der gewählten Pos-Nummer seitens des Herstellers. Es kann daher je nach Gerätealter vorkommen, dass Sie ggf. weitere, zugehörige Elemente, welche an diese Pos-Nummer grenzen, ebenfalls mittauschen müssen.

Nähere Informationen finden Sie unter dem Link
Hinweise zu Ihrer BOSCH Ersatzteilsuche

Preisübersicht

Einzelpreis: 26,41 €* (Brutto: 31,43 €)
Gesamtpreis: 26,41 €* 
Position:

Lieferzeit: 5 Werktage


Beschreibung

  • Polschuh 230V
  • Original Bosch Zubehör / BOSCH Ersatzteil (2610353999)
  • im Gerät verbaut: 1
Dieses BOSCH Ersatzteil ist mit folgendem Gerät und Modell kompatibel:
  • BOSCH Gerätename: 6550 U1
  • BOSCH Explosionszeichnung: Position 2
  • BOSCH Typennummer: F0156550H1
  • BOSCH Typennummer alternative Schreibweisen: F 015 655 0H1, F015 655 0H1, F.015.655.0H1, F-015-655-0H1
    Bitte prüfen Sie diese Typennummer auf Ihrem Gerät um die Kompatibilität des BOSCH Ersatzteils zu gewährleisten.
Weitere BOSCH Ersatzteile des Gerätes 6550 U1 (Bohrmaschine) mit der Typennummer F0156550H1 finden Sie in der nachfolgenden Darstellung und im Dropdown zu Ihrer Auswahl:

Pos.
1
BOSCH Gehäuse | Ersatzteile für 6550 U1 | 2610905362
Hersteller: BOSCH
Artikelnummer: EB-F0156550H1-2610905362
nur Informationsartikel
Nie mehr lieferbar
keine Alternativen
Pos.
2
BOSCH Polschuh 230V | Ersatzteile für 6550 U1 | 2610353999
Hersteller: BOSCH
Artikelnummer: EB-F0156550H1-2610353999
Netto: 26,41 € zzgl. MwSt.
zzgl. 6,90 € Versand (brutto)
einmalig pro Bestellung

Lieferzeit: 5 Werktage

Pos.
4
BOSCH Schalter | Ersatzteile für 6550 U1 | 2610910316
Hersteller: BOSCH
Artikelnummer: EB-F0156550H1-2610910316
nur Informationsartikel
Nie mehr lieferbar
keine Alternativen
Pos.
5
BOSCH Netzanschlussleitung CH 4,15m 2 x 1,0mm HO7 RN-F | Ersatzteile für 6550 U1 | 2610383569
Hersteller: BOSCH
Artikelnummer: EB-F0156550H1-2610383569
Netto: 14,08 € zzgl. MwSt.
zzgl. 6,90 € Versand (brutto)
einmalig pro Bestellung

Lieferzeit: 5 Werktage

Pos.
6
BOSCH Tülle | Ersatzteile für 6550 U1 | 2610062520
Hersteller: BOSCH
Artikelnummer: EB-F0156550H1-2610062520
Netto: 3,60 € zzgl. MwSt.
zzgl. 6,90 € Versand (brutto)
einmalig pro Bestellung

Lieferzeit: 5 Werktage

Pos.
7
BOSCH Leitungshalter | Ersatzteile für 6550 U1 | 2610364033
Hersteller: BOSCH
Artikelnummer: EB-F0156550H1-2610364033
Netto: 4,56 € zzgl. MwSt.
zzgl. 6,90 € Versand (brutto)
einmalig pro Bestellung

Lieferzeit: 5 Werktage

Pos.
11
BOSCH Schraube | Ersatzteile für 6550 U1 | 2610348628
Hersteller: BOSCH
Artikelnummer: EB-F0156550H1-2610348628
nur Informationsartikel
Nie mehr lieferbar
keine Alternativen
Pos.
12
BOSCH Gummiring | Ersatzteile für 6550 U1 | 1619P01127
Hersteller: BOSCH
Artikelnummer: EB-F0156550H1-1619P01127
Netto: 3,60 € zzgl. MwSt.
zzgl. 6,90 € Versand (brutto)
einmalig pro Bestellung

Lieferzeit: 5 Werktage

Pos.
13
BOSCH Kugellager | Ersatzteile für 6550 U1 | 2610351861
Hersteller: BOSCH
Artikelnummer: EB-F0156550H1-2610351861
nur Informationsartikel
Nie mehr lieferbar
keine Alternativen
Pos.
16
BOSCH Anschlussträger | Ersatzteile für 6550 U1 | 2610348614
Hersteller: BOSCH
Artikelnummer: EB-F0156550H1-2610348614
nur Informationsartikel
Nie mehr lieferbar
keine Alternativen
Pos.
18
BOSCH Hebel | Ersatzteile für 6550 U1 | 2610909603
Hersteller: BOSCH
Artikelnummer: EB-F0156550H1-2610909603
nur Informationsartikel
Nie mehr lieferbar
keine Alternativen
Pos.
19
BOSCH Schraube ST3,9x19 | Ersatzteile für 6550 U1 | 2610315386
Hersteller: BOSCH
Artikelnummer: EB-F0156550H1-2610315386
Netto: 3,94 € zzgl. MwSt.
zzgl. 6,90 € Versand (brutto)
einmalig pro Bestellung

Lieferzeit: 5 Werktage

Pos.
21
BOSCH Anschlussträger | Ersatzteile für 6550 U1 | 2610348613
Hersteller: BOSCH
Artikelnummer: EB-F0156550H1-2610348613
nur Informationsartikel
Nie mehr lieferbar
keine Alternativen
Pos.
22
BOSCH Handgriff-Set | Ersatzteile für 6550 U1 | 2610905360
Hersteller: BOSCH
Artikelnummer: EB-F0156550H1-2610905360
Netto: 5,17 € zzgl. MwSt.
zzgl. 6,90 € Versand (brutto)
einmalig pro Bestellung

Lieferzeit: 5 Werktage

Pos.
23
BOSCH Elektr Leitung 240 MM ROT | Ersatzteile für 6550 U1 | 2610038649
Hersteller: BOSCH
Artikelnummer: EB-F0156550H1-2610038649
nur Informationsartikel
Nie mehr lieferbar
keine Alternativen
Pos.
24
BOSCH Verbindungsleitung 205 MM BLAU | Ersatzteile für 6550 U1 | 2610038676
Hersteller: BOSCH
Artikelnummer: EB-F0156550H1-2610038676
nur Informationsartikel
Nie mehr lieferbar
keine Alternativen
Pos.
26
BOSCH Dichtung | Ersatzteile für 6550 U1 | 2610348570
Hersteller: BOSCH
Artikelnummer: EB-F0156550H1-2610348570
nur Informationsartikel
Nie mehr lieferbar
keine Alternativen
Pos.
27
BOSCH Kugellager | Ersatzteile für 6550 U1 | 2610015747
Hersteller: BOSCH
Artikelnummer: EB-F0156550H1-2610015747
Netto: 12,50 € zzgl. MwSt.
zzgl. 6,90 € Versand (brutto)
einmalig pro Bestellung

Lieferzeit: 5 Werktage

Pos.
28
BOSCH Scheibe | Ersatzteile für 6550 U1 | 2610348611
Hersteller: BOSCH
Artikelnummer: EB-F0156550H1-2610348611
nur Informationsartikel
Nie mehr lieferbar
keine Alternativen
Pos.
29
BOSCH Prallschutz | Ersatzteile für 6550 U1 | 2610348586
Hersteller: BOSCH
Artikelnummer: EB-F0156550H1-2610348586
nur Informationsartikel
Nie mehr lieferbar
keine Alternativen
Pos.
31
BOSCH Distanzscheibe | Ersatzteile für 6550 U1 | 2610348557
Hersteller: BOSCH
Artikelnummer: EB-F0156550H1-2610348557
nur Informationsartikel
Nie mehr lieferbar
keine Alternativen
Pos.
32
BOSCH Mutter | Ersatzteile für 6550 U1 | 2610348606
Hersteller: BOSCH
Artikelnummer: EB-F0156550H1-2610348606
nur Informationsartikel
Nie mehr lieferbar
keine Alternativen
Pos.
33
BOSCH Scheibe | Ersatzteile für 6550 U1 | 2610016828
Hersteller: BOSCH
Artikelnummer: EB-F0156550H1-2610016828
nur Informationsartikel
Nie mehr lieferbar
keine Alternativen
Pos.
35
BOSCH Schraube | Ersatzteile für 6550 U1 | 2610346444
Hersteller: BOSCH
Artikelnummer: EB-F0156550H1-2610346444
Netto: 3,94 € zzgl. MwSt.
zzgl. 6,90 € Versand (brutto)
einmalig pro Bestellung

Lieferzeit: 5 Werktage

Pos.
36
BOSCH Schraube | Ersatzteile für 6550 U1 | 2610348621
Hersteller: BOSCH
Artikelnummer: EB-F0156550H1-2610348621
Netto: 3,95 € zzgl. MwSt.
zzgl. 6,90 € Versand (brutto)
einmalig pro Bestellung

Lieferzeit: 5 Werktage

Pos.
37
BOSCH Schraube | Ersatzteile für 6550 U1 | 2610348622
Hersteller: BOSCH
Artikelnummer: EB-F0156550H1-2610348622
nur Informationsartikel
Nie mehr lieferbar
keine Alternativen
Pos.
38
BOSCH Schraube | Ersatzteile für 6550 U1 | 2610348607
Hersteller: BOSCH
Artikelnummer: EB-F0156550H1-2610348607
Netto: 3,94 € zzgl. MwSt.
zzgl. 6,90 € Versand (brutto)
einmalig pro Bestellung

Lieferzeit: 5 Werktage

Pos.
41
BOSCH Stopfen | Ersatzteile für 6550 U1 | 2610028780
Hersteller: BOSCH
Artikelnummer: EB-F0156550H1-2610028780
Netto: 3,94 € zzgl. MwSt.
zzgl. 6,90 € Versand (brutto)
einmalig pro Bestellung

Lieferzeit: 5 Werktage

Pos.
44
BOSCH Scheibe | Ersatzteile für 6550 U1 | 2610350946
Hersteller: BOSCH
Artikelnummer: EB-F0156550H1-2610350946
Netto: 3,94 € zzgl. MwSt.
zzgl. 6,90 € Versand (brutto)
einmalig pro Bestellung

Lieferzeit: 5 Werktage

Pos.
45
BOSCH Bohrfutterschlüssel | Ersatzteile für 6550 U1 | 2610352872
Hersteller: BOSCH
Artikelnummer: EB-F0156550H1-2610352872
nur Informationsartikel
Nie mehr lieferbar
keine Alternativen
Pos.
51
BOSCH Entstörkondensator | Ersatzteile für 6550 U1 | 2610352867
Hersteller: BOSCH
Artikelnummer: EB-F0156550H1-2610352867
nur Informationsartikel
Nie mehr lieferbar
keine Alternativen
Pos.
70
BOSCH Haltering | Ersatzteile für 6550 U1 | 2610931268
Hersteller: BOSCH
Artikelnummer: EB-F0156550H1-2610931268
nur Informationsartikel
Nie mehr lieferbar
keine Alternativen
Pos.
651
BOSCH Schlüssel | Ersatzteile für 6550 U1 | 2610352873
Hersteller: BOSCH
Artikelnummer: EB-F0156550H1-2610352873
nur Informationsartikel
Nie mehr lieferbar
keine Alternativen
Pos.
653
BOSCH Griff | Ersatzteile für 6550 U1 | 2610341494
Hersteller: BOSCH
Artikelnummer: EB-F0156550H1-2610341494
nur Informationsartikel
Nie mehr lieferbar
keine Alternativen
Pos.
803
BOSCH Anker 230V | Ersatzteile für 6550 U1 | 2610348633
Hersteller: BOSCH
Artikelnummer: EB-F0156550H1-2610348633
nur Informationsartikel
Nie mehr lieferbar
keine Alternativen
Pos.
810
BOSCH Kohlebürste | Ersatzteile für 6550 U1 | 2610354369
Hersteller: BOSCH
Artikelnummer: EB-F0156550H1-2610354369
Netto: 8,23 € zzgl. MwSt.
zzgl. 6,90 € Versand (brutto)
einmalig pro Bestellung

Lieferzeit: 5 Werktage

Pos.
815
BOSCH Lagerdeckel | Ersatzteile für 6550 U1 | 2610348599
Hersteller: BOSCH
Artikelnummer: EB-F0156550H1-2610348599
nur Informationsartikel
Nie mehr lieferbar
keine Alternativen
Pos.
825
BOSCH Gehäuse | Ersatzteile für 6550 U1 | 2610905361
Hersteller: BOSCH
Artikelnummer: EB-F0156550H1-2610905361
nur Informationsartikel
Nie mehr lieferbar
keine Alternativen
Pos.
830
BOSCH Achse | Ersatzteile für 6550 U1 | 2610348577
Hersteller: BOSCH
Artikelnummer: EB-F0156550H1-2610348577
nur Informationsartikel
Nie mehr lieferbar
keine Alternativen
Pos.
834
BOSCH Zahnrad | Ersatzteile für 6550 U1 | 2610348580
Hersteller: BOSCH
Artikelnummer: EB-F0156550H1-2610348580
nur Informationsartikel
Nie mehr lieferbar
keine Alternativen
Pos.
839
BOSCH Unterbrecher | Ersatzteile für 6550 U1 | 2610350352
Hersteller: BOSCH
Artikelnummer: EB-F0156550H1-2610350352
nur Informationsartikel
Nie mehr lieferbar
keine Alternativen

Angaben zur Produktsicherheit

Hersteller:
Robert Bosch Power Tools GmbH
Postfach 30 02 20
70442 Stuttgart

E-Mail:
kontakt@bosch.de