BOSCH Handgriff-Set | Ersatzteile für 6635 TYPE 1 | 2610905360

Artikelnummer: EB-F012X63500-2610905360

Position: 22

Marke: BOSCH


Bitte Kompatibilität prüfen!

Bitte prüfen Sie unbedingt die 10-stellige Typennummer Ihrer Maschine / Ihres Gerätes. Das Ersatzteil ist nur kompatibel, wenn Sie die Typennummer Ihrer Maschine in der unten stehenden Produktbeschreibung finden.

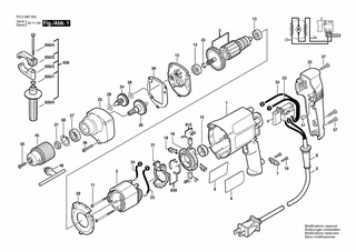
Bitte prüfen Sie ebenfalls detailliert die Explosionszeichnung mit Ihrem Artikelwunsch und der jeweiligen Pos-Nummer.

Alle Elemente, welche vom schwarzen Strich der Pos-Nummer ausgehend berührt / erfasst werden, gehören zu dieser Pos-Nummer und somit zu diesem Artikel. Jede Pos-Nummer ist ein eigenständiger Artikel, welchen Sie in der Auflistung finden.

Sie erhalten stets die aktuellste, neueste Produktversion zu der gewählten Pos-Nummer seitens des Herstellers. Es kann daher je nach Gerätealter vorkommen, dass Sie ggf. weitere, zugehörige Elemente, welche an diese Pos-Nummer grenzen, ebenfalls mittauschen müssen.

Nähere Informationen finden Sie unter dem Link
Hinweise zu Ihrer BOSCH Ersatzteilsuche

Preisübersicht

Einzelpreis: 5,19 €* (Brutto: 6,18 €)
Gesamtpreis: 5,19 €* 
Position:

Lieferzeit: 5 Werktage


Beschreibung

  • Handgriff-Set
  • Original Bosch Zubehör / BOSCH Ersatzteil (2610905360)
  • im Gerät verbaut: 1
Dieses BOSCH Ersatzteil ist mit folgendem Gerät und Modell kompatibel:
  • BOSCH Gerätename: 6635 TYPE 1
  • BOSCH Explosionszeichnung: Position 22
  • BOSCH Typennummer: F012X63500
  • BOSCH Typennummer alternative Schreibweisen: F 012 X63 500, F012 X63 500, F.012.X63.500, F-012-X63-500
    Bitte prüfen Sie diese Typennummer auf Ihrem Gerät um die Kompatibilität des BOSCH Ersatzteils zu gewährleisten.
Weitere BOSCH Ersatzteile des Gerätes 6635 TYPE 1 (Bohrmaschine) mit der Typennummer F012X63500 finden Sie in der nachfolgenden Darstellung und im Dropdown zu Ihrer Auswahl:

Pos.
1
BOSCH Gehäuse | Ersatzteile für 6635 TYPE 1 | 2610905362
Hersteller: BOSCH
Artikelnummer: EB-F012X63500-2610905362
nur Informationsartikel
Nie mehr lieferbar
keine Alternativen
Pos.
650/1
BOSCH Scheibe | Ersatzteile für 6635 TYPE 1 | 2610023622
Hersteller: BOSCH
Artikelnummer: EB-F012X63500-2610023622
Netto: 3,95 € zzgl. MwSt.
zzgl. 6,90 € Versand (brutto)
einmalig pro Bestellung

Lieferzeit: 5 Werktage

Pos.
650/2
BOSCH Klemmschelle | Ersatzteile für 6635 TYPE 1 | 2610346537
Hersteller: BOSCH
Artikelnummer: EB-F012X63500-2610346537
nur Informationsartikel
Nie mehr lieferbar
keine Alternativen
Pos.
650/3
BOSCH Klemmschelle | Ersatzteile für 6635 TYPE 1 | 2610346538
Hersteller: BOSCH
Artikelnummer: EB-F012X63500-2610346538
nur Informationsartikel
Nie mehr lieferbar
keine Alternativen
Pos.
650/4
BOSCH Schraube | Ersatzteile für 6635 TYPE 1 | 2610348612
Hersteller: BOSCH
Artikelnummer: EB-F012X63500-2610348612
nur Informationsartikel
Nie mehr lieferbar
keine Alternativen
Pos.
650/5
BOSCH Handgriff | Ersatzteile für 6635 TYPE 1 | 2610348636
Hersteller: BOSCH
Artikelnummer: EB-F012X63500-2610348636
nur Informationsartikel
Nie mehr lieferbar
keine Alternativen
Pos.
2
BOSCH Polschuh 120V | Ersatzteile für 6635 TYPE 1 | 2610353997
Hersteller: BOSCH
Artikelnummer: EB-F012X63500-2610353997
nur Informationsartikel
Nie mehr lieferbar
keine Alternativen
Pos.
3
BOSCH Anker 120V | Ersatzteile für 6635 TYPE 1 | 2610348589
Hersteller: BOSCH
Artikelnummer: EB-F012X63500-2610348589
nur Informationsartikel
Nie mehr lieferbar
keine Alternativen
Pos.
4
BOSCH Ein/Aus-Schalter | Ersatzteile für 6635 TYPE 1 | 2610910313
Hersteller: BOSCH
Artikelnummer: EB-F012X63500-2610910313
nur Informationsartikel
Nie mehr lieferbar
keine Alternativen
Pos.
5
BOSCH Netzanschlussleitung | Ersatzteile für 6635 TYPE 1 | 2610350903
Hersteller: BOSCH
Artikelnummer: EB-F012X63500-2610350903
nur Informationsartikel
Nie mehr lieferbar
keine Alternativen
Pos.
6
BOSCH Tülle | Ersatzteile für 6635 TYPE 1 | 2610313327
Hersteller: BOSCH
Artikelnummer: EB-F012X63500-2610313327
nur Informationsartikel
Nie mehr lieferbar
keine Alternativen
Pos.
7
BOSCH Kabelschelle | Ersatzteile für 6635 TYPE 1 | 2610064973
Hersteller: BOSCH
Artikelnummer: EB-F012X63500-2610064973
Netto: 3,94 € zzgl. MwSt.
zzgl. 6,90 € Versand (brutto)
einmalig pro Bestellung

Lieferzeit: 5 Werktage

Pos.
8
BOSCH Typschild | Ersatzteile für 6635 TYPE 1 | 2610317477
Hersteller: BOSCH
Artikelnummer: EB-F012X63500-2610317477
nur Informationsartikel
Nie mehr lieferbar
keine Alternativen
Pos.
9
BOSCH Etikett | Ersatzteile für 6635 TYPE 1 | 2610348233
Hersteller: BOSCH
Artikelnummer: EB-F012X63500-2610348233
nur Informationsartikel
Nie mehr lieferbar
keine Alternativen
Pos.
11
BOSCH Schraube | Ersatzteile für 6635 TYPE 1 | 2610348628
Hersteller: BOSCH
Artikelnummer: EB-F012X63500-2610348628
nur Informationsartikel
Nie mehr lieferbar
keine Alternativen
Pos.
12
BOSCH Gummiring | Ersatzteile für 6635 TYPE 1 | 1619P01127
Hersteller: BOSCH
Artikelnummer: EB-F012X63500-1619P01127
Netto: 3,63 € zzgl. MwSt.
zzgl. 6,90 € Versand (brutto)
einmalig pro Bestellung

Lieferzeit: 5 Werktage

Pos.
13
BOSCH Kugellager | Ersatzteile für 6635 TYPE 1 | 2610351861
Hersteller: BOSCH
Artikelnummer: EB-F012X63500-2610351861
nur Informationsartikel
Nie mehr lieferbar
keine Alternativen
Pos.
15
BOSCH Lagerdeckel | Ersatzteile für 6635 TYPE 1 | 2610348595
Hersteller: BOSCH
Artikelnummer: EB-F012X63500-2610348595
Netto: 11,78 € zzgl. MwSt.
zzgl. 6,90 € Versand (brutto)
einmalig pro Bestellung

Lieferzeit: 5 Werktage

Pos.
16
BOSCH Anschlussträger | Ersatzteile für 6635 TYPE 1 | 2610348614
Hersteller: BOSCH
Artikelnummer: EB-F012X63500-2610348614
nur Informationsartikel
Nie mehr lieferbar
keine Alternativen
Pos.
18
BOSCH Hebel | Ersatzteile für 6635 TYPE 1 | 2610909603
Hersteller: BOSCH
Artikelnummer: EB-F012X63500-2610909603
nur Informationsartikel
Nie mehr lieferbar
keine Alternativen
Pos.
19
BOSCH Schraube ST3,9x19 | Ersatzteile für 6635 TYPE 1 | 2610315386
Hersteller: BOSCH
Artikelnummer: EB-F012X63500-2610315386
Netto: 3,94 € zzgl. MwSt.
zzgl. 6,90 € Versand (brutto)
einmalig pro Bestellung

Lieferzeit: 5 Werktage

Pos.
21
BOSCH Anschlussträger | Ersatzteile für 6635 TYPE 1 | 2610348613
Hersteller: BOSCH
Artikelnummer: EB-F012X63500-2610348613
nur Informationsartikel
Nie mehr lieferbar
keine Alternativen
Pos.
22
BOSCH Handgriff-Set | Ersatzteile für 6635 TYPE 1 | 2610905360
Hersteller: BOSCH
Artikelnummer: EB-F012X63500-2610905360
Netto: 5,19 € zzgl. MwSt.
zzgl. 6,90 € Versand (brutto)
einmalig pro Bestellung

Lieferzeit: 5 Werktage

Pos.
23
BOSCH Elektr Leitung 240 MM ROT | Ersatzteile für 6635 TYPE 1 | 2610038649
Hersteller: BOSCH
Artikelnummer: EB-F012X63500-2610038649
nur Informationsartikel
Nie mehr lieferbar
keine Alternativen
Pos.
24
BOSCH Verbindungsleitung 205 MM BLAU | Ersatzteile für 6635 TYPE 1 | 2610038676
Hersteller: BOSCH
Artikelnummer: EB-F012X63500-2610038676
nur Informationsartikel
Nie mehr lieferbar
keine Alternativen
Pos.
25
BOSCH Getriebegehäuse | Ersatzteile für 6635 TYPE 1 | 2610348597
Hersteller: BOSCH
Artikelnummer: EB-F012X63500-2610348597
nur Informationsartikel
Nie mehr lieferbar
keine Alternativen
Pos.
26
BOSCH Dichtung | Ersatzteile für 6635 TYPE 1 | 2610348570
Hersteller: BOSCH
Artikelnummer: EB-F012X63500-2610348570
nur Informationsartikel
Nie mehr lieferbar
keine Alternativen
Pos.
27
BOSCH Kugellager | Ersatzteile für 6635 TYPE 1 | 2610015747
Hersteller: BOSCH
Artikelnummer: EB-F012X63500-2610015747
Netto: 12,98 € zzgl. MwSt.
zzgl. 6,90 € Versand (brutto)
einmalig pro Bestellung

Lieferzeit: 5 Werktage

Pos.
28
BOSCH Scheibe | Ersatzteile für 6635 TYPE 1 | 2610348611
Hersteller: BOSCH
Artikelnummer: EB-F012X63500-2610348611
nur Informationsartikel
Nie mehr lieferbar
keine Alternativen
Pos.
29
BOSCH Prallschutz | Ersatzteile für 6635 TYPE 1 | 2610348586
Hersteller: BOSCH
Artikelnummer: EB-F012X63500-2610348586
nur Informationsartikel
Nie mehr lieferbar
keine Alternativen
Pos.
30
BOSCH Spindel 3/8" | Ersatzteile für 6635 TYPE 1 | 2610348573
Hersteller: BOSCH
Artikelnummer: EB-F012X63500-2610348573
nur Informationsartikel
Nie mehr lieferbar
keine Alternativen
Pos.
31
BOSCH Distanzscheibe | Ersatzteile für 6635 TYPE 1 | 2610348557
Hersteller: BOSCH
Artikelnummer: EB-F012X63500-2610348557
nur Informationsartikel
Nie mehr lieferbar
keine Alternativen
Pos.
34
BOSCH Zahnrad | Ersatzteile für 6635 TYPE 1 | 2610348579
Hersteller: BOSCH
Artikelnummer: EB-F012X63500-2610348579
Netto: 24,19 € zzgl. MwSt.
zzgl. 6,90 € Versand (brutto)
einmalig pro Bestellung

Lieferzeit: 5 Werktage

Pos.
35
BOSCH Schraube | Ersatzteile für 6635 TYPE 1 | 2610346444
Hersteller: BOSCH
Artikelnummer: EB-F012X63500-2610346444
Netto: 3,94 € zzgl. MwSt.
zzgl. 6,90 € Versand (brutto)
einmalig pro Bestellung

Lieferzeit: 5 Werktage

Pos.
36
BOSCH Schraube | Ersatzteile für 6635 TYPE 1 | 2610348621
Hersteller: BOSCH
Artikelnummer: EB-F012X63500-2610348621
Netto: 3,95 € zzgl. MwSt.
zzgl. 6,90 € Versand (brutto)
einmalig pro Bestellung

Lieferzeit: 5 Werktage

Pos.
37
BOSCH Schraube | Ersatzteile für 6635 TYPE 1 | 2610348622
Hersteller: BOSCH
Artikelnummer: EB-F012X63500-2610348622
nur Informationsartikel
Nie mehr lieferbar
keine Alternativen
Pos.
41
BOSCH Haltering | Ersatzteile für 6635 TYPE 1 | 2610931268
Hersteller: BOSCH
Artikelnummer: EB-F012X63500-2610931268
nur Informationsartikel
Nie mehr lieferbar
keine Alternativen
Pos.
41
BOSCH Stopfen | Ersatzteile für 6635 TYPE 1 | 2610028780
Hersteller: BOSCH
Artikelnummer: EB-F012X63500-2610028780
Netto: 3,94 € zzgl. MwSt.
zzgl. 6,90 € Versand (brutto)
einmalig pro Bestellung

Lieferzeit: 5 Werktage

Pos.
45
BOSCH Zahnkranzbohrfutter 3/8" | Ersatzteile für 6635 TYPE 1 | 2610350947
Hersteller: BOSCH
Artikelnummer: EB-F012X63500-2610350947
nur Informationsartikel
Nie mehr lieferbar
keine Alternativen
Pos.
46
BOSCH Schlüssel | Ersatzteile für 6635 TYPE 1 | 2610308333
Hersteller: BOSCH
Artikelnummer: EB-F012X63500-2610308333
nur Informationsartikel
Nie mehr lieferbar
keine Alternativen
Pos.
50
BOSCH Ring | Ersatzteile für 6635 TYPE 1 | 2610348646
Hersteller: BOSCH
Artikelnummer: EB-F012X63500-2610348646
Netto: 3,95 € zzgl. MwSt.
zzgl. 6,90 € Versand (brutto)
einmalig pro Bestellung

Lieferzeit: 5 Werktage

Pos.
650
BOSCH Zusatzhandgriff | Ersatzteile für 6635 TYPE 1 | 2610096340
Hersteller: BOSCH
Artikelnummer: EB-F012X63500-2610096340
nur Informationsartikel
Nie mehr lieferbar
keine Alternativen
Pos.
810
BOSCH Kohlebürstensatz | Ersatzteile für 6635 TYPE 1 | 2610353931
Hersteller: BOSCH
Artikelnummer: EB-F012X63500-2610353931
Netto: 9,18 € zzgl. MwSt.
zzgl. 6,90 € Versand (brutto)
einmalig pro Bestellung

Lieferzeit: 5 Werktage

Pos.
839
BOSCH Unterbrecher | Ersatzteile für 6635 TYPE 1 | 2610350352
Hersteller: BOSCH
Artikelnummer: EB-F012X63500-2610350352
nur Informationsartikel
Nie mehr lieferbar
keine Alternativen

Angaben zur Produktsicherheit

Hersteller:
Robert Bosch Power Tools GmbH
Postfach 30 02 20
70442 Stuttgart

E-Mail:
kontakt@bosch.de